135811 (722652), страница 3
Текст из файла (страница 3)
5. Определим падение напряжения на R10:
6. Определим параметры транзистора VT2:
7. Выберем тип транзистора VT2 (n-p-n) соответствующий найденным параметрам:
|
| Модель | P, Вт | U(кэ), В | I(k), A | β | f(гр), Mhz | C(к) |
| VT2 | КТ315Б | 0,15 | 20 | 0,1 | 50 | 250 | 7 |
8. Определим значение тока базы VT2:
9. Определим значение тока делителя:
Выберем ток базового делителя из условия, что Iд>>Iб. Примем:
10. Найдем значение резистора R10:
11. Найдем значение резистора R9:
R9 = (5-10) кОм. Примем R9 = 10000 Ом, тогда
12. Определим падения напряжений на резисторах базового делителя:
13. Определим значения резисторов базового делителя:
14. Определяем величину Rэ~:
15. Определим входное сопротивление транзистора VT2:
16. Определим коэффициент передачи повторителя:
17. Определим входное напряжение повторителя:
18. Вычислим значение входного сопротивления повторителя:
19. Определим величину емкости конденсатора С4, исходя из условия:
Примем C4 = 150 мкФ
20. Определим напряжение на конденсаторах:
21. Определим мощности резисторов:
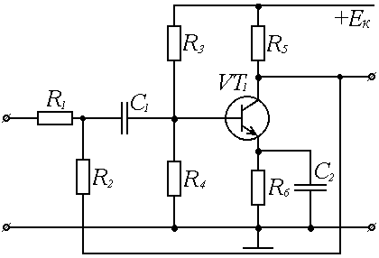
4.7. Усилитель 1
Нагрузкой для данного усилителя будет являться входное сопротивление следующего повторителя, а амплитудой выходного сигнала будет амплитуда входного сигнала повторителя, т.е.:
Uн=0,123В
Rн=188753 Ом
Расчет каскада по постоянному току:
1. Определим ток в нагрузке:
2. Ориентировочно зададим значения Iкmin и Uкэmin, используя соотношения:
3. Определяем Iкmax:
4. Зададимся значением γэ и вычислим λ:
5. Определим Ек и R5, UC2:
6. Определим Iкнач и Uкнач:
7. Определим допустимую мощность рассеивания на транзисторе:
8. Выберем тип транзистора VT1 (n-p-n) соответствующий найденным параметрам:
|
| Модель | P, Вт | U(кэ), В | I(k), A | β | f(гр), Mhz | C(к) |
| VT1 | КТ301Б | 0,15 | 30 | 0,01 | 10 | 20 | 10 |
9. Найдём ток Iд:
10. Рассчитаем значения резисторов делителя R3 и R4:
11. Рассчитаем значение конденсатора в цепи эмиттера С2:
Расчет каскада по переменному току:
При расчете каскада по переменному току определяются следующие параметры:
12. Определим коэффициент усиления в области средних частот:
,
Тогда
13. Входное сопротивление каскада:
14. Выходное сопротивление каскада:
15. Определим напряжения на резисторах R5, R6:
Для обеспечения уровня нелинейных искажений, определяемых техническим заданием, вводим отрицательную обратную связь по напряжению глубиной F=6.
16. Входное сопротивление усилителя с ОС равно значению резистора R1:
17. Определим сопротивление цепи ОС R2:
18. Коэффициент усиления усилителя с ОС:
19. Определим входные параметры каскада:
20. Найдём напряжение на базовых делителях:
21. Определим мощности резисторов:
22. Определим напряжение на конденсаторах:
4.8. Расчёт разделительных конденсаторов
Расчет конденсаторов будем производить на низких частотах.
Распределим равномерно частотные искажения по всем конденсаторам, т.е.:
Расчет ёмкостей производится по следующей формуле:
Определим ёмкости разделительных конденсаторов:
5. АЧХ и ФЧХ усилителя на транзисторе VT4
Коэффициент усиления усилителя:
Фазовый сдвиг усилителя:
АЧХ и ФЧХ данного усилительного каскада имеют вид:
6. Расчет искажений на верхних частотах
1. Повторитель на транзисторах VT10-VT13:
VT12, 13:
VT10, 11:
2. Усилитель на транзисторе VT9:
3. Усилитель на VT4:
4. Усилитель на VT1:
Суммарное значение коэффициента частотных искажений:
7. Расчет стабилитронов
Стабилитроны используются для понижения напряжения питания для отдельных каскадов.
Стабилитрон VD1:
Для подачи питания использован стабилитрон КС515Г со следующими параметрами:
| Uст, В | Iст min, mA | Iст ном, mA | Iст max, mA | Pст max, Вт |
| 15,0 | 3 | 10 | 31 | 0,25 |
Стабилитрон VD2:
| Uст, В | Iст min, mA | Iст ном, mA | Iст max, mA | Pст max, Вт |
| 12,0 | 0,5 | 4 | 13 | 0,125 |
Для подачи питания использован стабилитрон КС212Ж со следующими параметрами:
Стабилитрон VD3:
| Uст, В | Iст min, мА | Iст ном, mA | Iст max, мА | Pст max, Вт |
| 9,1 | 3 | 10 | 20 | 0,25 |
Для подачи питания использован стабилитрон КС191С со следующими параметрами:
8. РАСЧЕТ РАДИАТОРОВ ОХЛАЖДЕНИЯ
В выходном каскаде стоят транзисторы большой мощности, следовательно, необходимо поставить радиаторы для отвода теплоты. Площадь радиатора рассчитывается по следующей формуле:
S=1000 / (RTn-c T) см2
где T - коэффициент теплоизлучения от теплоотвода в окружающую среду,
RTn-c=(Tn-Tc)/Pк - тепловое сопротивление переход-среда.
Tc- температура окружающей среды (30С),
Тn- температура p-n -перехода.
Для дюралюминия T=1.5 мВт/см2С.
1. Транзисторы VT12, VT13: КТ-817Б
Необходимо рассеять мощность 8.5 Вт. Tn =150С
2. Транзисторы VT10: КТ-815, VT11: КТ-814Б
Необходимо рассеять мощность 2.1 Вт. Tn =125С
9. Технология изготовления печатных плат
Печатная плата представляет собой изоляционное основание с нанесёнными на него элементами печатного монтажа. К элементам печатного монтажа относятся: проводники, контактные площадки, зазоры, отверстия и т.д.
Печатная плата является несущим элементом. На ней размещаются навесные элементы (интегральные схемы и дискретные радиокомпоненты), разъёмы и другие детали. В качестве оснований печатных плат используют обычно листовые фольгированные материалы, которые представляют собой слоистый прессованный пластик (гетинакс или стеклотекстолит), облицованный с одной или двух сторон медной фольгой толщиной 0.035 или 0.05 мм. В радиоэлектронной аппаратуре и приборах в основном применяют фольгированный стеклотекстолит по ГОСТ 10316-62.
Существуют два вида конструкции печатных плат – однослойные и многослойные.
Как правило, однослойные печатные платы выполняются с двухсторонним монтажом – проводники располагаются с двух сторон. Переходы с одной стороны платы на другую осуществляются через металлизированные отверстия в ней.
В основе технологии изготовления двусторонних печатных плат (ДПП) лежит использование фольгированных диэлектриков.
В настоящее время для изготовления ДПП применяется комбинированный метод, который включает в себя два способа: негативный и позитивный.
Технологический процесс получения ДПП комбинированным негативным способом состоит из следующих этапов: получение заготовок и подготовка поверхности фольги, нанесение на плату защитного покрытия (фоторезиста), получение изображения печатных проводников экспонированием и проявлением, удаление незащищенных участков фольги травлением, удаление фоторезиста с проводников, нанесение на основание защитного поврытия, обработка отверстий, подлежащих металлизации, химическая металлизация отверстий, электролитическая металлизация отверстий и печатных проводников, покрытие печатных проводников сплавом олово-свинец, механическая обработка контура платы.
Технологический процесс получения ДПП комбинированным позитивным способом состоит из следующих этапов: получение заготовок и подготовка поверхности фольги, нанесение на плату защитного покрытия (фоторезиста), получение изображения печатных проводников экспонированием и проявлением, нанесение защитной лаковой плёнки, сверление отверстий и их химическое меднение, удаление защитной лаковой плёнки, электролитическое меднение отверстий и проводников, нанесение кислостойких сплавов, удаление фоторезиста, химическое травление фольги с пробельных мест, осветление проводящих покрытий, механическая обработка контура печатной платы.
В том случае, если ДПП не удовлетворяет требованиям, в частности не позволяет разместить большое число навесных элементов из-за малого объёма, применяют многослойные печатные платы (МПП).
Известно несколько способов изготовления МПП, однако все они имеют недостатки: большую стоимость и длительность проектирования, значительные затраты времени на изготовление, на налаживание производства, трудности внесения изменений.
















