135811 (722652)
Текст из файла
Министерство Образования РФ
Тюменский Государственный Нефтегазовый Университет
Курсовая работа
по дисциплине: Электроника.
Выполнил: студент гр. АиУ-01-4
Муфтахов Эльвир Асхатович
Проверил: к.т.н., доцент
Крамнюк Анатолий Илларионович
Тюмень 2003
Содержание
| 1. Техническое задание………………………………………………………... 2. Введение……………………………………………………………………... 3. Блок-схема…………………………………………………………………… 4. Расчет каскадов усилителя мощности: 4.1. Выходной каскад………………………………………………………... 4.2. Повторитель 3…………………………………………………………… 4.3. Аттенюатор……………………………………………………………… 4.4. Повторитель 2…………………………………………………………… 4.5. Усилитель 2……………………………………………………………… 4.6. Повторитель 1…………………………………………………………… 4.7. Усилитель 1……………………………………………………………… 4.8. Расчет разделительных конденсаторов………………………………... 5. АЧХ и ФЧХ усилителя на транзисторе VT4………………………………. 6. Расчет искажений на верхних частотах……………………………………. 7. Расчет стабилитронов……………………………………………………….. 8. Расчет радиаторов охлаждения…………………………………………….. 9. Технология изготовления печатных плат………………………………….. 10. Спецификация……………………………………………………………… 11. Карта режимов……………………………………………………………... 12. Список литературы………………………………………………………… | Стр. 3 4 4 5 11 14 17 20 24 27 31 32 34 36 38 39 40 41 43 |
1. Техническое задание
Необходимо спроектировать и рассчитать усилитель мощности со следующими параметрами:
-
на выходе он должен обеспечивать при нагрузке Rн=19,8185 Ом мощность Pвых=5,7427 Вт;
-
Диапазон частот работы усилителя мощности 59,5728 Гц – 59572,8 Гц;
-
Значения частотных искажений Мн=1,0151, Мв=1,1Мн=1,11661;
-
Значение коэффициента нелинейных искажений, которые должны обеспечивать выходной каскад усилителя мощности Kf=0,0624 %;
-
Входное сопротивление усилителя мощности Rвх=0,2646 кОм=264,6 Ом;
-
Входное напряжение усилителя мощности Uвх=0,0179 В;
-
Аттенюатор с ослаблением 0; -0,1763 дБ; -1,763 дБ; -17,63 дБ.
2. ВВЕДЕНИЕ
Усилитель мощности предназначен для создания требуемой мощности сигнала в нагрузке. Усилитель колебаний низкой частоты – составная часть каждого современного радиоприемника, телевизора или магнитофона. Усилитель является основой радиовещания по проводам, аппаратуры телеуправления, многих измерительных приборов, электронной автоматики и вычислительной техники, кибернетических устройств.
3. Блок-схема
Выходной каскад предназначен для обеспечения заданной мощности на заданном сопротивлении нагрузки.
Повторитель 3 увеличивает входное сопротивление выходного каскада.
Аттенюатор служит для плавной и ступенчатой регулировки уровня ослабления выходного напряжения.
Повторитель 2 увеличивает входное сопротивление аттенюатора.
Усилители 1, 2 увеличивают входное напряжение до величины, необходимой для выходного каскада.
Повторитель 1 увеличивает входное сопротивление усилителя 2, для того, чтобы обеспечить величину входного напряжения и сопротивления усилителя 1 указанного в техническом задании.
4. Расчет каскадов усилителя мощности
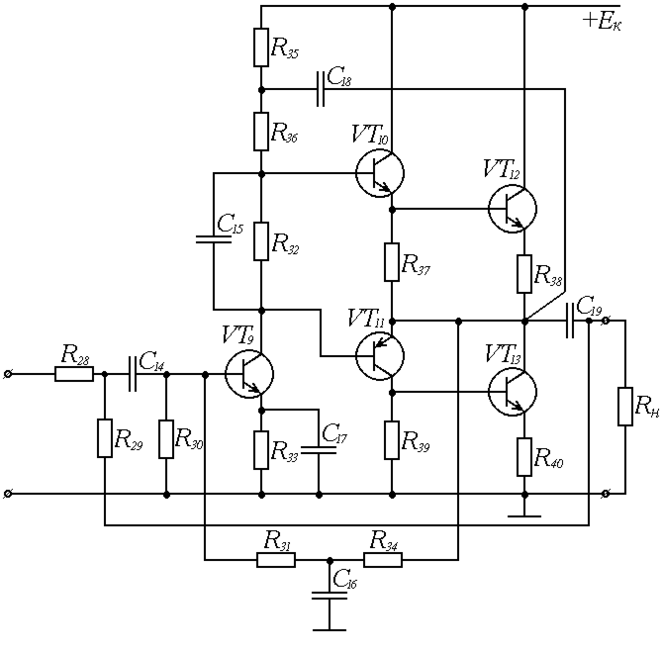
4.1. Выходной каскад
1. Определим амплитудные значения тока и напряжения:
2. Определим Pдоп:
3. Определим Uкэ12, Uкэ13:
4. Определим Eк:
Приняв Uз = 0,7В получили Eк = 43,118В, округлим это значение до стандарта, т.е. примем Eк = 45В
5. Выберем тип транзисторов VT12, VT13 (n-p-n) соответствующий найденным параметрам:
|
| Модель | P, Вт | U(кэ), В | I(k), A | β | f(гр), Mhz | C(к) | I(ко), А | U(бэ), В |
| VT12 | КТ817Б | 25 | 45 | 3 | 15 | 3 | 60 | 0,00005 | 0,7 |
| VT13 | КТ817Б | 25 | 45 | 3 | 15 | 3 | 60 | 0,00005 | 0,7 |
6. Определим ток покоя VT12, VT13:
Примем Iп12,13 = 390 мА
7. Определим величину резисторов защиты:
, выбираем по Е24, R38,40 = 1,8 Ом
8. Определим ток покоя VT10, VT11:
, выбираем по E24, R37,39 = 18 Ом
9. Определим Uкэ10,11:
10. Определим мощность, рассеиваемую на VT10, VT11:
11. Выберем тип транзисторов VT10(n-p-n), VT11(p-n-p) соответствующий найденным параметрам:
| Модель | P, Вт | U(кэ), В | I(k), A | β | f(гр), Mhz | C(к) | U(бэ), В | |
| VT10 | КТ815Б | 10 | 50 | 1,5 | 20 | 3 | 60 | 0,7 |
| VT11 | КТ814Б | 10 | 50 | 1,5 | 20 | 3 | 60 | 0,3 |
12. Определим величину напряжения смещения U0 по равенству:
13. Определим ток покоя транзистора VT9:
, примем Iп9 = 0,015А, тогда
14. Определим R35+R36:
15. Определим мощность, рассеиваемую на VT9:
16. Выберем тип транзисторов VT9(n-p-n) соответствующий найденным параметрам:
| Модель | P, Вт | U(кэ), В | I(k), A | β | f(гр), Mhz | C(к) | U(бэ), В | |
| VT9 | КТ961Б | 1 | 60 | 1,5 | 100 | 50 | 20 | 0,7 |
17. Выберем R35 >> Rн, то есть R35 = 200 Ом
Тогда R36 = 1449,4 – 200 = 1249 Ом = 1,249 кОм
Примем R36 = 1,2кОм.
18. Определим величину емкости C15 из условия:
Примем C15 = 47мкФ
19. Определим емкость в цепи компенсации:
Примем C18 = 220мкФ
20. Определим коэффициент передачи повторителя на транзисторах VT10 – VT13:
21. Проверим правильность выбранного значения Uкэ9:
22. Определим входное сопротивление выходного каскада в целом:
23. Величина R~ для предварительного каскада равна:
24. Найдем входное сопротивление транзистора VT9:
25. Определим коэффициент усиления предварительного каскада:
26. Определим коэффициент усиления всего выходного каскада:
27. Выбираем ток базового делителя VT9:
28. Определим резистор делителя:
Примем R30 = 910 Ом
Выберем R34 из условия R34 > Rн. Одновременно для уменьшения необходимой емкости конденсатора фильтра C16 желательно выбирать как можно больше.
Поэтому принимаем R31 = 1300 Ом = 1,3 кОм, R34 = 12000 Ом = 12 кОм
29. Определим емкость конденсатора фильтра:
Примем C16 = 3300мкФ
30. Определим неизвестные сопротивления:
31. Определим падения напряжений на резисторах:
32. Рассчитаем мощности резисторов:
Вт
Вт
Вт
Вт
Вт
Вт
Вт
Вт
Вт
Вт
Вт
33. Рассчитаем напряжения на конденсаторах:
Расчет ООС:
34. Рассчитаем глубину ООС:
35. Рассчитаем входное сопротивление выходного каскада:
Примем R28 ≈ Rвх = 200 Ом
36. Рассчитаем эквивалентное сопротивление:
Характеристики
Тип файла документ
Документы такого типа открываются такими программами, как Microsoft Office Word на компьютерах Windows, Apple Pages на компьютерах Mac, Open Office - бесплатная альтернатива на различных платформах, в том числе Linux. Наиболее простым и современным решением будут Google документы, так как открываются онлайн без скачивания прямо в браузере на любой платформе. Существуют российские качественные аналоги, например от Яндекса.
Будьте внимательны на мобильных устройствах, так как там используются упрощённый функционал даже в официальном приложении от Microsoft, поэтому для просмотра скачивайте PDF-версию. А если нужно редактировать файл, то используйте оригинальный файл.
Файлы такого типа обычно разбиты на страницы, а текст может быть форматированным (жирный, курсив, выбор шрифта, таблицы и т.п.), а также в него можно добавлять изображения. Формат идеально подходит для рефератов, докладов и РПЗ курсовых проектов, которые необходимо распечатать. Кстати перед печатью также сохраняйте файл в PDF, так как принтер может начудить со шрифтами.
















