135811 (722652), страница 2
Текст из файла (страница 2)
Примем R29 = 1600 Ом
37. Определим коэффициент усиления выходного каскада с ООС:
4.2. Повторитель 3
Нагрузкой для данного повторителя будет являться входное сопротивление выходного каскада, т.е. сопротивление R28 цепи обратной связи, а за амплитуду выходного напряжения примем входное напряжение выходного каскада, т.е.:
Rн = 200 Ом
1. Вычислим значение тока протекающего через нагрузку:
2. Определим параметры транзистора VT8:
3. Выберем тип транзистора VT8 (n-p-n) соответствующий найденным параметрам:
|
| Модель | P, Вт | U(кэ), В | I(k), A | β | f(гр), Mhz | C(к) |
| VT8 | КТ315Б | 0,15 | 20 | 0,1 | 50 | 250 | 7 |
4. Определим значение тока базы VT8:
5. Определим падение напряжения на R24:
6. Определим параметры транзистора VT7:
7. Выберем тип транзистора VT7 (n-p-n) соответствующий найденным параметрам:
|
| Модель | P, Вт | U(кэ), В | I(k), A | β | f(гр), Mhz | C(к) |
| VT7 | КТ315Б | 0,15 | 20 | 0,1 | 50 | 250 | 7 |
8. Определим значение тока базы VT7:
9. Определим значение тока делителя:
Выберем ток базового делителя из условия, что Iд>>Iб. Примем:
10. Найдем значение резистора R24:
11. Найдем значение резистора R23:
R23 = (5-10) кОм. Примем R23 = 10000 Ом, тогда
12. Определим падения напряжений на резисторах базового делителя:
13. Определим значения резисторов базового делителя:
14. Определяем величину Rэ~:
15. Определим входное сопротивление транзистора VT7:
16. Определим коэффициент передачи повторителя:
17. Определим входное напряжение повторителя:
18. Вычислим значение входного сопротивления повторителя:
19. Определим величину емкости конденсатора С12, исходя из условия:
Примем C16 = 100 мкФ
20. Определим напряжение на конденсаторах:
21. Определим мощности резисторов:
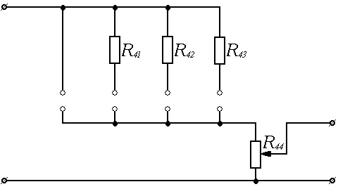
4.3. Аттенюатор
Аттенюатор должен обеспечивать дискретное переключение диапазонов и плавное изменение сигнала внутри них:
(-17.63 ... -1.763) дБ
(-1.763 ... -0.1763) дБ
(-0.1763 ... 0) дБ
Для нормальной работы аттенюатора необходимо выполнение следующего условия:
1. Для обеспечения максимального ослабления (-17.63 ... -1.763) дБ:
Округлим найденное значение сопротивления по раду Е24: R43=7,5кОм
Тогда максимальное ослабление в этом диапазоне будет:
2. Для диапазона (-1.763 ... -0.1763) дБ
Округлим найденное значение сопротивления по раду Е24: R42=240 Ом
Тогда максимальное ослабление в этом диапазоне будет:
3. Для диапазона (-0.1763 ... 0) дБ
Округлим найденное значение сопротивления по раду Е24: R41=22 Ом
Тогда максимальное ослабление в этом диапазоне будет:
4. Рассчитаем напряжения на резисторах аттенюатора:
Для UR25 возьмём наибольшее значение, т.е. когда ослабление наименьшее:
Рассчитаем мощности данных резисторов:
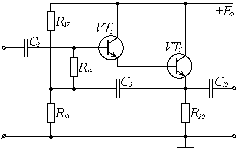
4.4. Повторитель 2
Нагрузкой для данного повторителя будет являться эквивалентное сопротивление, т.е. параллельное соединение сопротивления R44 аттенюатора и Rвх предыдущего повторителя, а за амплитуду выходного напряжения примем входное напряжение того же повторителя, т.е.:
1. Вычислим значение тока протекающего через нагрузку:
2. Определим параметры транзистора VT6:
3. Выберем тип транзистора VT6 (n-p-n) соответствующий найденным параметрам:
|
| Модель | P, Вт | U(кэ), В | I(k), A | β | f(гр), Mhz | C(к) |
| VT6 | КТ315Б | 0,15 | 20 | 0,1 | 50 | 250 | 7 |
4. Определим значение тока базы VT6:
5. Определим падение напряжения на R20:
6. Определим параметры транзистора VT5:
7. Выберем тип транзистора VT5 (n-p-n) соответствующий найденным параметрам:
|
| Модель | P, Вт | U(кэ), В | I(k), A | β | f(гр), Mhz | C(к) |
| VT5 | КТ315Б | 0,15 | 20 | 0,1 | 50 | 250 | 7 |
8. Определим значение тока базы VT5:
9. Определим значение тока делителя:
Выберем ток базового делителя из условия, что Iд>>Iб. Примем:
10. Найдем значение резистора R20:
11. Найдем значение резистора R19:
R19 = (5-10) кОм. Примем R19 = 10000 Ом, тогда
12. Определим падения напряжений на резисторах базового делителя:
13. Определим значения резисторов базового делителя:
14. Определяем величину Rэ~:
15. Определим входное сопротивление транзистора VT5:
16. Определим коэффициент передачи повторителя:
17. Определим входное напряжение повторителя:
18. Вычислим значение входного сопротивления повторителя:
19. Определим величину емкости конденсатора С9, исходя из условия:
Примем C9 = 100 мкФ
20. Определим напряжение на конденсаторах:
21. Определим мощности резисторов:
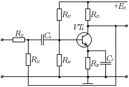
4.5. Усилитель 2
Нагрузкой для данного усилителя будет являться входное сопротивление предыдущего каскада RвхП2, а амплитудой выходного сигнала будет амплитуда входного сигнала повторителя, т.е.:
Uн=2.12 В
Rн=189673 Ом
Расчет каскада по постоянному току:
1. Определим ток в нагрузке:
2. Ориентировочно зададим значения Iкmin и Uкэmin, используя соотношения:
3. Определяем Iкmax:
4. Зададимся значением γэ и вычислим λ:
5. Определим Ек и R15, UC7:
6. Определим Iкнач и Uкнач:
7. Определим допустимую мощность рассеивания на транзисторе:
8. Выберем тип транзистора VT4 (n-p-n) соответствующий найденным параметрам:
|
| Модель | P, Вт | U(кэ), В | I(k), A | β | f(гр), Mhz | C(к) |
| VT4 | КТ340Б | 0,15 | 20 | 0,05 | 100 | 300 | 3,7 |
9. Найдём ток Iд:
10. Рассчитаем значения резисторов делителя R13 и R14:
11. Рассчитаем значение конденсатора в цепи эмиттера С7:
Расчет каскада по переменному току:
При расчете каскада по переменному току определяются следующие параметры:
12. Определим коэффициент усиления в области средних частот:
,
Тогда
13. Входное сопротивление каскада:
14. Выходное сопротивление каскада:
15. Определим напряжения на резисторах R15, R16:
Для обеспечения уровня нелинейных искажений, определяемых техническим заданием, вводим отрицательную обратную связь по напряжению глубиной F=5.
16. Входное сопротивление усилителя с ОС равно значению резистора R11:
17. Определим сопротивление цепи ОС R12:
18. Коэффициент усиления усилителя с ОС:
19. Определим входные параметры каскада:
20. Найдём напряжение на базовых делителях:
21. Определим мощности резисторов:
22. Определим напряжение на конденсаторах:
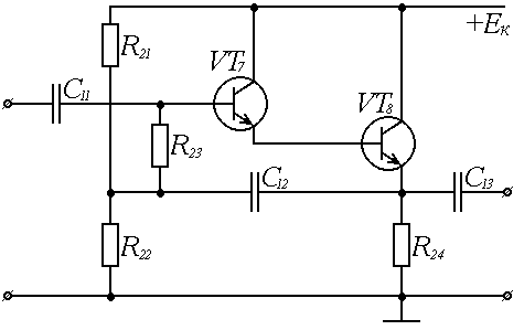
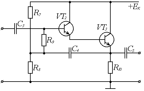
4.6. Повторитель 1
Нагрузкой для данного повторителя будет являться входное сопротивление последующего усилителя, а за амплитуду выходного напряжения примем входное напряжение того же каскада, т.е.:
1. Вычислим значение тока протекающего через нагрузку:
2. Определим параметры транзистора VT3:
3. Выберем тип транзистора VT3 (n-p-n) соответствующий найденным параметрам:
|
| Модель | P, Вт | U(кэ), В | I(k), A | β | f(гр), Mhz | C(к) |
| VT3 | КТ315Б | 0,15 | 20 | 0,1 | 50 | 250 | 7 |
4. Определим значение тока базы VT3:
















