135789 (722630)
Текст из файла
Введение
В настоящее время практически все радиотехнические системы, в которых происходит обмен информацией по радиоканалу, такие как наземные (сотовые, транкинговые, пейджинговые) системы связи, вещательные (радиостанции, звуковое сопровождение телевидения), служебные (полиция, такси, троллейбусы, скорая медицинская помощь, дальние грузоперевозки и др.), радиорелейные, бытовые (радиотелефоны, радиомикрофоны и др.) используют для передачи информации частотную модуляцию. Такая популярность частотной кодировки передаваемой информации обусловлена многими факторами. Основной из них – это более высокая помехозащищенность систем, использующих частотную модуляцию и, следовательно, возможность передавать информацию более качественно и очень надежно (для сравнения: полоса передаваемых частот звукового диапазона при АМ-модуляции составляет лишь около 6 кГц, в то время как при использовании ЧМ-модуляции – до 15 кГц). В то же время частотной модуляции присущи и недостатки. Так, модулированный по частоте сигнал занимает полосу частот, большую, чем при применении амплитудной модуляции, поэтому использование частотной модуляции на частотах ниже 30МГц нерационально.
Поскольку частотная модуляция (ЧМ) используется весьма широко , то ее изучение имеет для студентов очень большое значение – при хорошем понимании процессов, происходящих в современных приемопередающих устройствах инженер с подобными знаниями останется востребованным.
В частности, встает вопрос о разработке методик исследования основных отличительных узлов, характерных для ЧМ-приемника, таких как частотный детектор, ограничитель амплитуды, система автоматической подстройки частоты, а также проектирования и сборки практических лабораторных макетов, позволяющих студентам проводить подобные исследования и облегчить им понимание процессов, происходящих при приеме и модуляции ЧМ-сигналов. Имеющиеся на кафедре нашего института лабораторные стенды для проведения исследований и лабораторных работ не позволяют производить такие исследования, так как они рассчитаны лишь на изучение узлов приемника с амплитудной модуляцией. Имеющиеся же макеты работают на высоких частотах, что затрудняет проведение лабораторных исследований студентам, не имеющим еще достаточных навыков при работе с измерительной аппаратурой. Следовательно, встает вопрос о переделке (модернизации) части учебных стендов в приемники ЧМ-сигналов, работающих на нестандартных, возможно более низких частотах.. При этом ставится задача свести все переделки к минимуму для уменьшения материальных затрат, максимально использовать готовые узлы стенда. Данная задача – разработка методик исследования узлов ЧМ-приемника, а именно амплитудного ограничителя, частотного детектора, системы автоматической подстройки частоты, а также разработка и практическое проведение модернизации лабораторного макета, и являются основной задачей данной дипломной работы.
-
Краткое описание лабораторного макета
-
Функциональная схема
Ф
ункциональная схема лабораторного макета приведена на рисунке 1.1.1. Макет представляет собой приемник супергетеродинного типа с однократным преобразованием частоты. Он предназначен для приема сигналов в небольшом участке частот средневолнового диапазона. Номинальное значение промежуточной частоты (fпч) составляет 465 кГц. Особенностью макета является неперестраиваемый преселектор. Он настроен на центральную частоту диапазона рабочих частот приемника. (около 1.1 МГц)
Рисунок 1.1.1 - Структурная схема лабораторного макета
Основные функциональные узлы приемника:
ВЦ – входная цепь;
УРЧ – широкополосный усилитель радиочастотного сигнала;
ПрЧ – преобразователь частоты;
Г – перестраиваемый гетеродин;
ПФ – полосовой фильтр промежуточной частоты с полосой пропускания около 5-6 кГц;
УПЧ – усилитель промежуточной частоты;
Д – детектор;
УЗЧ – усилитель колебаний звуковых частот;
ДАРУ – детектор системы автоматической регулировки усиления;
ФНЧ – фильтр нижних частот системы АРУ;
Гр – громкоговоритель;
Rн – эквивалент сопротивления нагрузки.
Большая часть функциональных узлов приемника реализована на трех интегральных микросхемах . Усилитель радиочастотного сигнала, преобразователь частоты и перестраиваемый гетеродин собраны на микросхеме К237ХА1. Гетеродин можно перестраивать по частоте при помощи резистора R17 («Частота гетер») путем изменения обратного напряжения, подводимого к варикапу. Усилитель промежуточной частоты и детектор собраны на микросхеме К237ХА2. В усилителе колебаний звуковых частот применяется ИС К174УН7 в типовом включении. Принципиальная схема лабораторного стенда (без блока питания) приведена на Приложении 1. Для проведения экспериментов в лабораторном макете предусмотрены контрольные точки (КТ1-КТ7), к которым можно подключать измерительную аппаратуру через соответствующие коаксиальные разъемы на верхней панели макета.
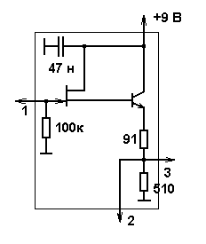
Во избежание нарушения нормальной работы приемника при подключении измерительной аппаратуры некоторые контрольные точки выведены через унифицированные контрольные модули (U1-U3 в Приложении 1) с коэффициентом передачи, равным примерно единице. Принципиальная схема согласующего модуля приведена на рисунке 1.1.2. Модуль обладает высоким значением входного сопротивления (около 100 кОм), и не ухудшает избирательных свойств колебательных систем входной цепи, гетеродина и преобразователя частоты. Высокое входное сопротивление модуля
Рисунок 1.1.2 - Принципиальная схема согласующего модуля
обеспечивается транзисторами VT1 и VT2 в соответствующем включении (составной истоково-эмиттерный повторитель). Напряжение на выходах 2 и 3 модуля практически равно напряжению на входе 1. Таким образом, вольтметр, подключенный к выходу 2 модуля , измеряет напряжение на выходе исследуемого узла. При этом емкость вольтметра не вызывает смещения резонансной частоты контура. В то же время сигнал с выхода 3 модуля поступает на вход следующего каскада приемника.
Модуль также может быть использован для подачи сигнала на вход следующего каскада от генератора, подключаемого к выводу 2 модуля.
Макет имеет следующие органы регулировки, индикации и коммутации (см. схему в Приложении 1):
- регулятор частоты гетеродина (потенциометр R17), осуществляющий перестройку гетеродина по частоте;
- регулятор громкости (R42);
- выключатель системы АРУ (S1);
-
выключатель напряжения питания гетеродина и преобразователя частоты (S2). Этот выключатель конструктивно совмещен с потенциометром R17 («Частота гетер.»). Гетеродин выключается при повороте потенциометра против часовой стрелки до упора;
-
переключатель нагрузки (S3) с громкоговорителя на эквивалент нагрузки (R48);
-
выключатель питающего напряжения (на принципиальной схеме не показан);
-
индикатор включения электропитания (тоже не показан);
-
индикатор настойки приемника (VD2).
1.2 Принципиальная схема
Входной сигнал через гнездо X1 или X2 (Приложение 1) поступает на входной неперестраиваемый контур L1C1, настроенный на середину рабочего диапазона приемника (около 1,1 МГц). Резистор R3 служит для снижения добротности входного контура, следовательно, для расширения полосы пропускания. Далее сигнал через разделительный конденсатор C2 поступает на вход унифицированного контрольного модуля U1, служащего для согласования входной цепи с измерительными приборами, подключаемыми к гнездам Х3, Х4. Далее сигнал через разделительный конденсатор С3 подается на вывод 1 микросхемы К237ХА1. Микросхема DA1 выполняет функции усилителя радиочастоты и преобразователя частоты. С выхода усилителя радиочастоты (VT1) через конденсатор С6 сигнал подается на вход балансного смесителя (вывод 11 микросхемы DA1, VT2, VT3). Смеситель нагружен на колебательный контур L2L3C8. Для обеспечения требуемой полосы пропускания в схеме применяется фильтр Z1. Гетеродинная часть микросхемы (VT4, VT5, VT6) работает совместно с балансным смесителем. Частота гетеродина задается колебательным контуром L4C11C12 и емкостью варикапа VD1. Частотой гетеродина можно управлять с помощью резистора R17, изменяющего обратное напряжение на варикапе, а следовательно, его емкость. Частота гетеродина через унифицированный контрольный модуль U3 подается на гнезда Х7, Х8 для последующего наблюдения и контроля. Сигнал промежуточной частоты с фильтра Z1, имеющего полосу пропускания около 6 кГц, поступает на вывод 1 микросхемы DA2 (К237ХА2). На данной микросхеме выполнен усилитель промежуточной частоты (VT7-VT11), детектор (VT12) и предварительный усилитель звуковой частоты (VT13). В усилителе предусмотрена система автоматической регулировки усиления, управляющее напряжение с которой снимается с вывода 10 микросхемы DA2 и подается на вывод 13 микросхемы DA1, а также через дифференцирующую цепочку R53C33 на гнёзда Х11, Х12 для последующего контроля и наблюдения.
Продетектированный сигнал с вывода 13 микросхемы DA2 поступает на вход усилителя низкой частоты, собранного на микросхеме К174УН7 в типовом включении. Резистор R42 служит для регулировки уровня выходного сигнала. Переключатель S3 служит для переключения динамической головки и эквивиалента нагрузки на резисторе R48.
1.3 Сравнение гетеродинных приемников АМ и ЧМ сигналов
Структурные схемы приемников АМ и ЧМ сигналов приведены на рисунке 1.3.1, а и б соответственно. Из схем видно, что на функциональном уровне различия не очень существенны: для обоих систем характерно наличие таких узлов, как: входная цепь, усилитель радиочастоты, смеситель, гетеродин, узкополосный фильтр, усилитель промежуточной частоты, усилитель звуковой частоты, оконечное устройство. Однако существуют отличия: в приемнике ЧМ сигналов отсутствует система автоматической регулировки усиления (АРУ) и амплитудный детектор, в то же время установлены система автоподстройки частоты (АПЧ) и частотный детектор.
На более глубоком уровне сравнения различия состоят и в том, приемники работают в разных диапазонах частот (АМ приемник – в области ДВ,СВ,КВ; ЧМ приемник – в УКВ диапазоне) и имеют различные промежуточные частоты ( как правило, 465 кГц для приемников АМ и 10,7 МГц – для приемников ЧМ). Такая разница в промежуточных частотах обусловлена тем, что ЧМ сигнал имеет гораздо большую занимаемую полосу – до 250 кГц, а АМ-сигнал – около 6 кГц. Также требования, предъявляемые к усилителю звуковых частот при АМ приеме гораздо ниже (усилитель должен иметь полосу воспроизводимых частот 0,3-6,4 кГц), чем при ЧМ-приеме (полоса 50-10000 Гц). Таким образом, полноценная переделка (с получением всех характеристик, существующих существующим стандартам) приемника АМ сигналов в приемник ЧМ сигналов не имеет смысла, т.к. придется не модернизировать, а заново изготовлять все блоки, за исключением блока питания и выходного устройства. Однако в данном случае нам не требуется получить приемник ЧМ сигналов, который соответствовал бы существующим требованиям, а необходим соответствовал бы существующим требованиям, а необходим лабораторный стенд, который бы
Р
исунок 1.3.1,а - Структурная схема супергетеродинного приемника АМ сигналов
Р
исунок 1.3.1, б - Структурная схема супергетеродинного приемника ЧМ сигналов
облегчил студентам понимание принципов работы и устройства отдельных узлов приемника ЧМ, а именно: амплитудного ограничителя на диодах; амплитудного ограничителя на транзисторах; частотного детектора; системы автоматической подстройки частоты. Рассмотрим возможность модернизации имеющегося лабораторного макета для получения возможности решать данные задачи. Для исследования амплитудного ограничителя на диодах и полупроводниковых транзисторах, а также частотного детектора необходимы соответствующие узлы. Так как они отсутствуют принципиально в приемнике АМ сигналов, то их придется рассчитать и смонтировать отдельно. Это будет сделано далее в соответствующей главе. Подключить их входные и выходные точки можно через продублированные разъемы на стенде. После монтажа вышеперечисленных узлов для получения системы автоматической подстройки частоты мы уже будем иметь практически все необходимые узлы. Ввиду того, что в лабораторном макете присутствует перестраиваемый по частоте гетеродин, наша задача еще больше упрощается. Так как гетеродин перестраивается по частоте подаваемым на варикап VD1 (см. рисунок 1.1.2) напряжением, то будет достаточно получить требуемую зависимость выходного напряжения частотного детектора от частоты и подать этот управляющий сигнал на варикап. Дополнительно потребуется расширить полосу пропускания усилителя промежуточной частоты, для того, чтобы статическая характеристика определялась только характеристикой частотного детектора. Это можно сделать, исключив из схемы узкополосный фильтр Z1.
Характеристики
Тип файла документ
Документы такого типа открываются такими программами, как Microsoft Office Word на компьютерах Windows, Apple Pages на компьютерах Mac, Open Office - бесплатная альтернатива на различных платформах, в том числе Linux. Наиболее простым и современным решением будут Google документы, так как открываются онлайн без скачивания прямо в браузере на любой платформе. Существуют российские качественные аналоги, например от Яндекса.
Будьте внимательны на мобильных устройствах, так как там используются упрощённый функционал даже в официальном приложении от Microsoft, поэтому для просмотра скачивайте PDF-версию. А если нужно редактировать файл, то используйте оригинальный файл.
Файлы такого типа обычно разбиты на страницы, а текст может быть форматированным (жирный, курсив, выбор шрифта, таблицы и т.п.), а также в него можно добавлять изображения. Формат идеально подходит для рефератов, докладов и РПЗ курсовых проектов, которые необходимо распечатать. Кстати перед печатью также сохраняйте файл в PDF, так как принтер может начудить со шрифтами.















