ref-15599 (722581), страница 4
Текст из файла (страница 4)
Сигнали IDO — ID2 використовуються для впізнання типу ВМ у комп'ютерах серії IBM для коректної установки припустимих режимів роботи відеосистеми.
Вузли обробки відеосигналів ВМ типу VGA і SVGA мало відрізняються друг від друга, тому що вони обробляють відеосигнали одного виду. Як правило, вони виконані на спеціалізованих мікросхемах, що погоджують вхідні відеосигнали зі схемами оконечных видеусилителей на транзисторах. Ці мікросхеми виконують також функції регулювання контрастності, гасіння зворотного ходу, а також вони мають входи для підключення регулювальних резисторів установки режимів оконечных видеусилителей. Найпоширенішими мікросхемами цього типу є LM1203 і М51387, у більш складних моделях ВМ із мікропроцесорним керуванням застосовуються LM1205, LM1207 і ін.
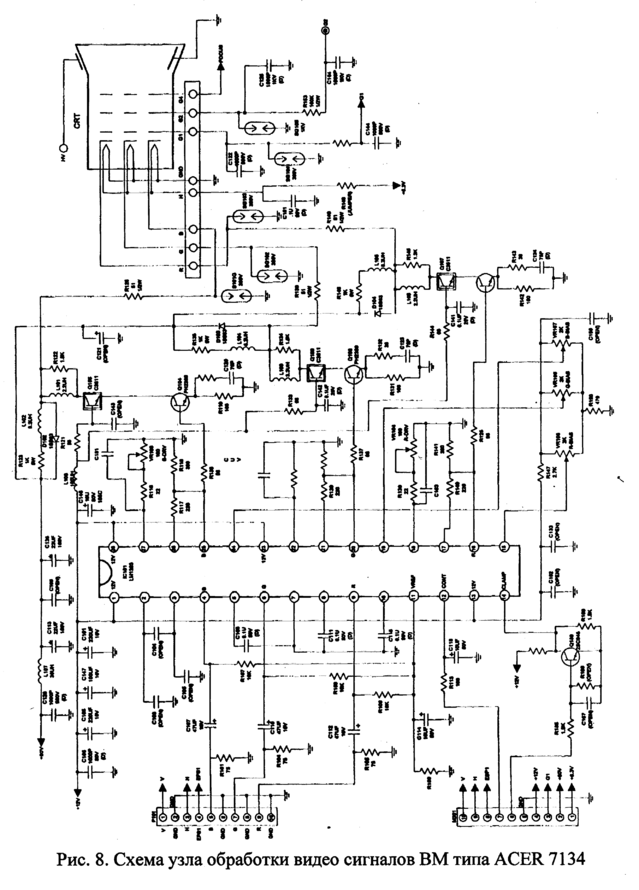
На мал.8 показана схема вузла обробки відеосигналів ВМ ACER VIE V 7134Т, виконана на мікросхемі LM1203. Схема працює в такий спосіб: відеосигнали зі сполучного кабелю надходять на рознімання Р101 вузла обробки відеосигналів, розташованого на одній платі з оконечными відеопідсилювачами. Сама плата конструктивно виконана разом з панелькою для ЭЛТ і встановлюється безпосередньо на її цоколь для досягнення найкращих параметрів при обробці відеосигналів і подачі їх на катоди ЭЛТ. Екрани сигнальних ліній (R, G, У) вхідного кабелю підключаються до землі саме цієї плати, тому що споживачами відеосигналів є входи мікросхеми LM1203, установленої на ній. Самі лінії відеосигналів (R, G, У) навантажуються на резистори 75 Ом для узгодження з хвильовим опором коаксіальних кабелів і подаються через конденсатори, що розв'язують, З107, З110, З112 на входи диференціальних підсилювачів у 1C 101. Резистори R107 — R109 підключені до джерела опорної напруги в 1C 101, вони забезпечують початковий зсув на входах підсилювачів. Підсилювач кожного каналу має входи для керування початковим зсувом (BIAS) і коефіцієнтом підсилення (DRIV).
ИС типу LM1203 має також висновок для керування коефіцієнтом підсилення усіх відеопідсилювачів одночасно (регулювання контрастності зображення — вивши. 12 ИС) і висновок для подачі сигналу гасіння променів під час обратного
ходу рядкового розгорнення (вивши. 14 ИС). Ці сигнали надходять з інших вузлів ВМ через рознімання Р102, у ланцюзі сигналу гасіння використовується транзистор Q180, що комутирує вивши. 14 ИС на землю в момент зворотного ходу луча.
Схеми підключення ЭЛТ
У конструкціях ВМ для комп'ютерів застосовуються багато типів кольорових і монохромних ЭЛТ, що можуть бути як широко розповсюджені (звичайні телевізійні), так і спеціальні. Для старих типів ВМ (CGA, EGA і MDA) характерне застосування кольорових ЭЛТ із триадной чи навіть щілинною маскою, з-| тимчасові ВМ використовують винятково триадную маску з отворами меншого розміру для одержання мінімальних розмірів плями на екрані (0.22 — 0.28 мм). Конструкція системи, що відхиляє, виконана разом із системою зведення променів і передбачає заводське настроювання всіх основних геометричних параметрів растра і зведення променів. У таблиці 5 приведене призначення висновків ЭЛТ із розміром екрана 14" і орієнтовані значення напруг на них для ВМ типу EGA (TVM MD7). Зазначені значення можуть коливатися в залежності від марки ЭЛТ, але, як правило, ці відмінності попадають в область можливого настроювання схем оконечных відеопідсилювачів подстроечными резисторами і настроювань на ТДКС.
| N висновку | Призначення висновку | Напруга |
| 1 | Фокусирующее напруга | 4— бкВ |
| 2 | Отсутствует | |
| 3,4 | Не підключені | |
| 5 | Напруга, що прискорює, G1 | -10 — +10В |
| 6 | Катод G (зеленої гармати) | 90В |
| 7 | Напруга, що прискорює, G2 | 390В |
| 8 | Катод R (червоної гармати) | 90В |
| 9 | Розжарення 1 | |
| 10 | Розжарення 2 | 6.3У |
| 11 | Катод У (синьої пушки) | 90В |
| 12 | Не використовується |
Таблиця 5. Призначення висновків кольоровий ЭЛТ 14" Hitachi М34ГОШОХ66
Напруга, що прискорює, подається на окремий контакт анода на балоні ЭЛТ спеціальним високовольтним проводом. Його надмірна величина приводить до збільшення рентгенівського випромінювання при ударі електронів об маску, а занижена величина погіршує умови фокусування лучачи, тому воно повиннео бути досить точно установлено. Для кольорових ЭЛТ із розміром екрана 14" напруга не повинна перевищувати 25 кв (звичайно встановлюється близько 24.5 кв), для монохромних— 14— 16 кв. У кольорових ЭЛТ великого розміру (19 —20") воно може досягати 27 кв, його точне значення береться із сервісних інструкцій.
Перевірка і ремонт вузла обробки відеосигналів
Пошук і усунення несправностей у вузлі обробки відеосигналів виробляється після відновлення блоку харчування і вузлів розгорнень, щоб була можливість засвітити екран, тобто щоб усі напруги на ЭЛТ минулому близькими до робітників. Перше включення для перевірок може вироблятися без підключення сигналу від комп'ютера. Повертають ручки установки яскравості і контрастності на передній панелі в максимальне положення і включають харчування ВМ. У випадку відсутності світного растра на екрані перевіряють наявність усіх необхідних напруг на ЭЛТ, включаючи високу напругу на аноді, і світіння червоного кольору від нитки розжарення в області цоколя. Якщо воно отсутствует, знімають панельку з ЭЛТ і вимірюють омметром опір нитки розжарення безпосередньо на висновках — воно повинно бути менш 3 Ом. Розрив у цьому чи ланцюзі великий опір говорить про дефект і необхідність заміни ЭЛТ. Якщо розжарення є і всі напруги в нормі, варто спробувати зміною положення настроювання G1 (звичайно нижня ручка, SCREEN) на ТДКС домогтися помірного світіння растра і далі перевірити дію настроювання фокуса (верхня ручка FO-KUS), оцінюючи результат по різкості країв чи растра спостерігаючи окремі рядки. У ході цих перевірок з'ясовуються можливі несправності ЭЛТ, ними можуть виявитися: внутрішні обриви висновків від електродів і короткі замикання між ними.
На наступному етапі ВМ підключають до комп'ютера і перевіряють по текстовому чи зображенню графічним тестам роботу вузла обробки відеосигналів. При цьому можуть виявитися додаткові несправності як ЭЛТ, так і в інших вузлах, однак, дефекти найчастіше виявляються в електронних схемах, чим у самої ЭЛТ. Типовими ознаками несправностей вузла обробки відеосигналів є:
• Повна відсутність зображення на растрі — варто перевірити сполучний кабель, контакти в розніманнях, харчування ИС, схеми гасіння зворотного ходу.
• Підвищена яскравість растра, низька некерована контрастність зображення говорять про ушкодження транзисторів оконечных відеопідсилювачів, несправностях системи ABL чи схем захисту по перевищенню високої напруги.
• Не діють регулювання яскравості і контрастності — це може бути обумовлено дефектом перемінних чи резисторів вузла рядкового розгорнення.
Перераховані вище несправності можна назвати глобальними, тобто, поки вони не усунуті, неможливо оцінити роботу вузла в цілому. Після подолання глобальних несправностей можна в повному обсязі скористатися всіма регулюваннями для одержання зображення, достатнього для оцінки його якості. Контроль якості зображення виробляється по картинках, одержуваним при запуску тестових програм. У випадку іспиту відеовузлів програма в комп'ютері повинна забезпечувати тестові зображення для наступних перевірок і регулювань:
• Фокусування й оцінки розмірів плями від променя, чіткості.
• Установки яскравості і контрастності.
• Оцінки і настроювання балансу білого кольору і передачі кольору.
• Перевірки чистоти кольору по полю екрана.
• Оцінки перехідної характеристики відеопідсилювачів в області низьких частот.
• Оцінки роботи системи зведення променів.
При перевірках за тестовими зображеннями можуть бути виявлені наступні несправності:
• Неможливість одержання достатньої яскравості окремого променя — це може бути викликано старінням катода ЭЛТ, дефектом ИС чи транзисторів, для ВМ типу EGA можливі несправності у вузлі обробки відеосигналів (ПЗУ й ін.).
• Погана чистота кольору — виявляється як чи розводи нерівномірне світіння по полю екрана, це є наслідком магнітних перешкод, джерелом яких може бути петля розмагнічування (якщо вона чи не працює працює, але не виключається), можливі і дефекти ЭЛТ (її котушок, що відхиляють,).
• Перекручування границь переходів від яскравого краю зображення до чорного, котрі виявляються у виді "тягучок" чи повторів, як правило, це спостерігається через несправні електролітичні конденсатори, що погодять резисторів, кабелю.
• Нестабільність фокусування, яскравості, кольоровості — вона звичайно спостерігаються через нестабільні напруги, одержуваних від джерел в інших вузлах, чи дефектів пайки і поганого контакту в підбудованих резисторах.
• Несправності у вузлах рядкового розгорнення і керування, що приводять до змін живлячих чи напруга включенню схем захисту (ABL, перевищення високої напруги).
Після одержання стабільного зображення в одному з основних робочих режимів ВМ, повторюють перевірку характеристик по тестах як цього режиму, так і всіх можливих інших для даного ВМ.
3.4. Вузол кадрового розгорнення
Вузол кадрового розгорнення (КР) ВМ служить для харчування кадрових котушок системи, що відхиляє, ЭЛТ пилкоподібним струмом. Незважаючи на підвищені в порівнянні зі звичайними телевізорами вимоги до стабільності і лінійності, схеми вузла КР виконуються на традиційних телевізійних мікросхемах. У ранніх моделях ВМ зустрічаються схеми з використанням транзисторів у вихідному каскаді, але в сучасних моделях застосовуються винятково спеціалізовані ИС.
Вузол КР не є енергетично напруженим пристроєм — у ньому немає високих напруг і могутніх імпульсних струмів, з цієї причини несправності в ньому виникають рідко і звичайно через старіння чи елементів необережності при ремонті.
Приклад застосування окремої ИС вихідного підсилювача КР показаний на мал.9 (ACERVIEW 7134T). Генератор кадрової частоти, що задає, виконаний на ИС 1С251 типу TDA4852. Частота пилкоподібної напруги визначається ємністю конденсатора З264, момент завершення поточного і початок нового періоду розгорнення — синхроімпульсом V, а амплітуда вихідного сигналу на висновках 5, 6 ИС регулюється напругою на її висновку 13. Отримане в ИС 1С251 пилкоподібна напруга з урахуванням корекції розміру по вертикалі надходить на висновки 1, 2 ИС IC250 вихідні підсилювачі. Коефіцієнт підсилення вихідного підсилювача встановлюється за допомогою ланцюга негативного зворотного зв'язку по струму в кадрових котушках, що відхиляють, для чого напруга з резистора R277, включеного послідовно з котушками і струму, що є датчиком,, через резистор R290 надходить на висновок 9 ИС. Ланцюжок з R278 і З262 служить для запобігання високочастотного самозбудження у вихідному підсилювачі. Імпульс зворотного ходу від висновку 8 ИС підсилюється транзистором Q250 і надходить через розділовий конденсатор З250 на ЭЛТ для гасіння лучачи. Центрування растра по вертикалі здійснюється подачею напруги зсуву на один із входів диференціального підсилювача (висновок 2 ИС IC250). Ця напруга виходить від дільника з резисторів R257 і VR261 (EXT V-CENTER), до нього підмішується також напруга корекції зсуву растра від вузла керування (сигнал V-CENTER) у залежності від включеного режиму.
Як приклад використання у вузлі КР мікросхем, що включають у себе генератор, що задає, і вихідний підсилювач, на мал. 10 приведена типова схема включення ИС типу TDA1675, що дуже часто застосовується в сучасних кольорових ВМ. Ця схема принципово мало відрізняється від вищеописаної — вона містить генератор, що задає, частота якого визначається ємністю конденсатора З2, регульований напругою підсилювач пилки й оконечный підсилювач. Вихідний струм надходить на кадрові котушки, що відхиляють, і замикається через конденсатор З11 і резистор Ріс, що є датчиком струму, на землю. Напруга негативного зворотного зв'язку з резистора Roc надходить через ланцюжок R2, R3, СЗ, що визначає коефіцієнт підсилення вихідного каскаду, на його вхід. ИС містить додатково підсилювач імпульсу зворотного ходу, що заряджає конденсатор З4 і підключає його до ланцюгів харчування вихідного каскаду, забезпечуючи майже дворазове підвищення напруги на початку прямого ходу розгорнення і, відповідно, високу лінійність.
Ремонт вузла КР
Дефекти у вузлі КР, як правило, діагностуються по зображенню на растрі і мають наступні ознаки:
• Спостерігається яскрава тонка горизонтальна смуга на екрані, що говорить про відсутність розгорнення.
• Растр цілком заповнює екран, але отсутствует синхронізація.
• На стійкому растрі при роботі тестових програм спостерігаються перекручування лінійності по вертикалі.















