ref-15599 (722581), страница 3
Текст из файла (страница 3)
на Q202-2 сигналу MODE. Сигнал MODE має TTL-рівні і використовується у вузлі обробки відеосигналів для переключення режимів (CGA/EGA), для чого він подається на один з адресних висновків ИС ПЗУ декодера квітів. Сигнал MODE' виходить на колекторі транзистора 0204, він використовується для керування аналоговими комутаторами в інших фрагментах вузла керування.
Іншим важливим фрагментом УУ є схеми, у яких виробляються необхідні частоти розгорнень. Найбільше часто як задающих генератори у ВМ використовуються наступні ИС: МС1391, TDA1180, TDA9108, що містять тільки схеми генераторів рядкової частоти, що задають, і НА11235, LA7850, TDA4852, TDA2593, TDA9102, що включають у себе і генератори для кадрового розгорнення. Звичайно частоти задаються резисторами і конденсаторами, у деяких ИС мається також можливість керування постійною напругою, подаваним на окремий висновок ИС.
Як аналогові комутатори в багатьох схемах використовуються мікросхеми типу HEF4053, виконані по Кмоп-технологии і включають у себе 4 перемикачі з двох входів на один з окремим для кожного перемикача керуючим входом. Такие- ИС являють собою аналогові ключі виконані на польових транзисторах і з'єднані в схему перемикача. Головні властивості цих перемикачів — опір, внесене в ланцюг, що переключається, (воно складає десятки Ом) і діапазон напруг, що переключаються, у межах від ПРО У до напруги харчування ИС, тому вони добре підходять для переключення резисторів у схемах і передачі слабкострумових сигналів.
Так само в УУ з застосуванням МП виробляються аналогові і цифрові керуючі сигнали для інших вузлів. Їхні значення і послідовність залежать від вхідних сигналів, дій оператора й описуються програмою в ПЗУ МП, а для запам'ятовування і збереження даних для кожного режиму звичайно використовується зовнішня ИС пам'яті, уміст якої зберігається при вимиканні харчування. Часто разом із МП застосовуються спеціалізовані ИС, що доповнюють його функції і розширюють набір керуючих сигналів, наприклад, для одержання аналогових чи напруг підмішування текстової відеоінформації у відеосигнал з метою утворення на екрані ВМ зображення "меню". Такі ИС мають обмежена кількість висновків для зв'язку з МП, тому вони використовують при обміні інформацією послідовний. На жаль, інформація про детальні властивості МП і периферійних ИС, як і самі мікросхеми, не завжди доступна.
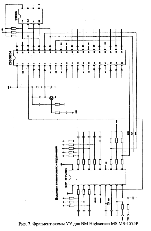
Для пояснення принципу застосування МП на мал. 7 приведений фрагмент схеми УУ для ВМ типу "HIGHSCREEN MS-1575P".
У цьому ВМ використовується МП типу Z0860204 у стандартному DIP-корпусі що має 40 висновків. Як зовнішню пам'ять МП використовує ИС типу 93С66, підключену через шину I2C, утворену трьома лініями від МП. Для одержання аналогових напруг керування вузлами у ВМ застосована ИС типу MTV003, підключена також через шину I2C, утворену лініями від інших висновків МП. Перелік вироблюваних цієї ИС аналогових напруг приводиться в таблиці 3.
Аналогові напруги виходять у результаті інтегрування імпульсів від висновків ИС на ланцюжках RC, установка їхніх значень виробляється зміною коефіцієнта заповнення імпульсів (аналогічно принципу ШИМ). Ця ИС виконує також функції нормалізації синхроімпульсів від комп'ютера і визначення робочого режиму з передачею необхідної інформації в МП по тій же шині. Тактова частота, вироблювана генератором даної ИС із зовнішнім резонатором ХС1, необхідна не тільки для її роботи, але використовується також верб МП, для чого вона надходить на його висновок 3.
Керування зображенням виробляється трьома кнопками на передній панелі ВМ — одна призначена для вибору регульованого параметра, а дві інші служать для чи зменшення збільшення його значення. Кнопки забезпечують замикання висновків 18 — 20 МП на землю, тобто низький логічний рівень сигналу на вході. Індикація обраного для регулювання параметра здійснюється за допомогою светодиодов, установлених на передній панелі — вони одержують харчування від висновків 4, 10, 29, 40 МП. Установка яскравості і контрастності зображення в даній моделі ВМ виробляється звичайними шляхом за допомогою потенціометрів на передній панелі, тому МП ці функції не обробляє.
| Вивши. ИС | Призначення керуючого напруги |
| 2 | Керування розміром растра по горизонталі |
| 3 | Установка частоти рядків |
| 4 | Установка частоти кадрів |
| 15 | Корекція перекручувань типу "трапеція" |
| 16 | Корекція перекручувань типу "подушка" |
| 17 | Зсув растра по вертикалі |
| 18 | Розмір по вертикалі |
| 19 | Зсув по горизонталі |
Таблиця 3. Аналогові напруги, вироблювані ИС MTV003
Рекомендації з ремонту УУ
На першому етапі перевірки роботи УУ контролюють надходження живлячих напруга на мікросхеми даного вузла і при їхній наявності і кондиції переконуються в наявності растра на екрані ЭЛТ. Якщо світіння отсутствует, перевіряють стояння захисних сигналів, що можуть блокувати роботу задающего генератора рядкового розгорнення, виключати промінь замикаючим напругою G1 чи переводити ВМ у черговий режим. За результатами цих перевірок роблять необхідні виправлення в УУ чи інших вузлів. У деяких виняткових випадках можна примусово розблокувати окремі захисні сигнали на | час ремонту. До них відносяться сигнал блокування ИП при переході в черговий режим і сигнал вимикання лучачи. Звичайне відключення блокування виробляється замиканням переходу Б-Э виконавчого транзистора. З особою обережністю роблять відключення блокування генератора рядкового розгорнення, що задає, тому що при неправильній роботі УУ це може привести до додаткових ушкоджень у вихідному каскаді рядкового розгорнення аж до виходу з ладу ТДКС. Для діагностики працездатності генераторів розгорнень, що задають, в УУ досить проконтролювати пилкоподібна напруга на конденсаторах, що задають частоту, осциллографом, при цьому попутно можна оцінити їхньої частоти. Як правило, мікросхеми генераторів, що задають, після виключення блокувань працюють досить незалежно від інших схем, тому їхня перевірка не викликає труднощів.
При наявності растра на екрані ЭЛТ оцінюють роботу ВМ по виконанню тестових програм на комп'ютері, задаючи по черзі всі можливі для даного ВМ робочі режими. Головна увага при цьому приділяють геометричним характеристикам растра і роботі регулювальних органів на передній панелі ВМ. При найменших відхиленнях від норми перевіряють стан керуючих сигналів і при необхідності просліджують їхнє проходження за допомогою осциллографа (для точних вимірів постійних напруг використовують цифровий мультиметр). Якщо керуючі сигнали змінюють свій стан потрібним образом, а реакція на растрі отсутствует, аналогічним образом перевіряють відповідні виконавчі елементи і роблять необхідні виправлення.
Дуже часто ознаки, що проявилися при перевірках за тестовим програмам, прямо вказують на несправність УУ. До характерних ознак таких дефектів УУ відносяться:
• Відсутність синхронізації зображення у всіх режимах. Це можливо при ушкодженнях схем нормалізації синхроімпульсів, особливо коли входи використовуваних ИС підключені безпосередньо до вхідного рознімання,
• Розміри растра набудовуються регуляторами на передній панелі, але змінюються при переході в режим з іншими частотами розгорнень. Це говорить про неправильну установку подстроечных чи резисторів несправності схеми визначення режиму,
• Наявність перекручувань типу "подушка", що не виправляються за допомогою подстроечного чи резистора настроювання на передній панелі. Незважаючи на видиму простоту цього дефекту може відняти багато часу при пошуку дефектного елемента, особливо, при відсутності принципової схеми,
• Невідповідність набору квітів на екрані режиму і вхідній інформації. Це характерно для ВМ типу EGA (дефекти ПЗУ чи в ланцюзі керуючих сигналів).
Діагностика УУ з застосуванням МП проводиться прийомами, прийнятими в мікропроцесорній техніці, а саме, виміром логічних рівнів сигналів за допомогою осциллографа і спостереженням очікуваної реакції на зміну керуючих сигналів. На першому етапі перевіряють живлячу напругу (у більшості випадків +5 В) і наявність тактової частоти, а також її відповідність частоті кварцового резонатора. Контроль тактової частоти проводять осциллографом на одному з висновків резонатора, при цьому генерація може зриватися, тоді намагаються спостерігати сигнал на іншому чи висновку включають у ланцюг щупа конденсатор ємністю 20 — 100 пф. Частота визначається виміром періоду сигналу на екрані осциллографа і наступним її обчисленням (F=1/T), великої точності при цьому не потрібно, але необхідно переконатися, що вона близька до частоти резонатора. Невідповідність чи частоти відсутність генерації говорить про можливий дефект резонатора (це перевіряється його заміною) чи самого МП. Потім, щоб переконатися у відсутності причин, що заважають роботі МП, перевіряють стан сигналу RESET. Звичайно активний рівень цього сигналу — низький, для його формування використовують просту схему з RC-ланцюжка, іноді транзистор, як показано на мал. 7. Наявність високого рівня на висновку говорить про робочий стан МП.
Далі, якщо мається принципова схема ВМ, контролюють найбільш важливі для його роботи сигнали на висновках МП: вхідні (від кнопок керування, синхросигналы, сигнали захисту) і керуючі ( щойдуть до виконавчих елементів в інших вузлах). Тому що більшість застосовуваних МП виконана по Кмоп-технологии і має напругу харчування +5 В, напруга високого рівня близько до нього і складає 4.5 — 5В. Проміжні рівні сигналів, що спостерігаються, на якому або висновку свідчать про дефект МП чи в ланцюгах, підключених до нього. Такий прийом, у випадку відсутності схеми ВМ, може виявитися єдиним засобом діагностики працездатності МП і часто допомагає знайти несправність у його оточенні.
Після вищеописаних перевірок і усунення знайдених при цьому несправностей можна проконтролювати роботу МП при виконанні записаної в його ПЗУ програми початкової ініціалізації. Для цього короткочасно замикають висновок RESET МП на землю і спостерігають сигнали на інших його висновках осциллографом. Найбільш придатними для контролю є висновки, що використовуються для підключення ИС пам'яті (лінії шини 12С), тому що при початковій установці з її обов'язково вибираються дані для включення режиму роботи ВМ. На цих висновках повинні спостерігатися серії імпульсів, що говорять про процес обміну інформацією між МП і іншими ИС і, відповідно, про його функціональну працездатність. Аналогічним образом можна перевірити реакцію на інші сигнали, наприклад, натискаючи кнопки керування не передньої панелі ВМ.
У випадку подальших утруднень, тобто, якщо після проведених перевірок не удалося відшукати причину дефекту, а ВМ не може повноцінно працювати, можна рекомендувати заміну МП. При відсутності необхідних для заміни мікросхем ремонт ВМ завершується, але іноді, при часткових ушкодженнях МП, удається настроїти ВМ таким чином, щоб він нормально працював в одному з режимів.
3.3. Вхідні пристрої ВМ
Вхідні пристрої забезпечують з'єднання ВМ із комп'ютером і проходження відеосигналів до оконечным відеопідсилювачів.
Основними вимогами, яким повинні задовольняти вхідні ланцюги і вузли обробки відеосигналів, є: передача відеосигналів і сигналів синхронізації від комп'ютера до вузлів ВМ без перекручувань, а також їхня стабільність у часі, щоб зображення на екрані мали максимальну чіткість, стабільність растра і зберігало свої яркостные параметри. Ці вимоги повинні бути погоджені з класом ВМ, режимами його роботи і граничних параметрів ЭЛТ.
Першою важливою деталлю вхідних ланцюгів є сполучний кабель. У простих моделях ВМ кабель має з однієї сторони рознімання для підключення до комп'ютера, а на іншій стороні він жорстко закріплений на конструкції ВМ і підключений безпосередньо до схеми відеопідсилювачів. У деяких моделях ВМ установлюється вхідне рознімання, а кабель підключення застосовується як окремий виріб — це дозволяє використовувати кабелі різної довжини.
У більш зроблених стандартах MCGA, VGA і SVGA, у яких передача колірної і яркостной інформації від комп'ютера у ВМ виробляється аналоговими сигналами з амплітудою 0 — 1В, вимоги до сполучного кабелю підвищуються як по частотних властивостях, так і по відсутності взаємного впливу між окремими сигналами. Для ВМ типу SVGA можуть застосовуватися коаксіальні кабелі з хвильовим опором 75 Ом, що укладені в загальний екран, з'єднаний з корпусом, для зменшення випромінювання радіоперешкод. Екрани коаксіальних кабелів кожного сигналу виводяться на окремі контакти рознімання підключення, це дає можливість узгодження для кожної лінії окремо.
У відповідності зі стандартами на ВМ типу MCGA. VGA і SVGA дли підключення застосовується 15 контактне рознімання, що не дозволяє підключити їх до відеоадаптера ВМ старих моделей (CGA, EGA). Призначення висновків рознімання ВМ типу VGA приводиться в таблиці 4.
| N контакту | Призначення висновку | Рівні сигналу | ||
| 1 | Відео R | аналоговий | ||
| 2 | Відео G | аналоговий | ||
| 3 | Відео В | аналоговий | ||
| 4 | ГО2 | TTL | ||
| 5 | ОВ | ОВ | ||
| 6 | Екран R | ОВ | ||
| 7 | Екран G | ОВ | ||
| 8 | Екран У | 0В | ||
| 9 | Ключ (контакт отсутствует) | |||
| 10 | Екран SYNC | 0В | ||
| 11 | ГОО | TTL | ||
| 12 | ГО1 | TTL | ||
| 13 | HSYNC (синхросигнал строчн. разв.) | TTL | ||
| 14 | VSYNC (синхросигнал кадр, разв.) | TTL | ||
| 15 | Не використовується | |||
Таблиця 4. Призначення висновків вхідного рознімання ВМ типу VGA.















