135553 (722257)
Текст из файла
16
Министерство образования Украины
Харьковский государственный технический университет радиоэлектроники
КУРСОВОЙ ПРОЕКТ
По курсу: «Аналоговая и цифровая электроника»
На тему: «Расчёт элемента эмиттерно-связанной логики»
Выполнил: Руководитель проекта:
ст. гр. БТМАС 97-1 Борзенков Б.И.
Нагайченко М.В.
Харьков
1999
РЕФЕРАТ
Курсовой проект о расчёте ЭСЛ: 18 с., 5 рис., 1 приложение, 4 источника.
Объект разработки – элемент эмиттерно-связанной логики.
Цель работы – научиться применять полученные знания на практике.
Данный элемент эмиттерно-связанной логики (ЭСЛ) применяется в аппаратуре собранной на интегральных микросхемах, а также во всей области аппаратуры, которая использует для обработки сигналов двоичный код – логический «0» и «1».
Данный элемент ЭСЛ потребляет намного меньше энергии, чем аналогичные элементы других типов.
Логический элемент ЭСЛ становиться всё более популярней, так как имеет высокую скорость обработки информации.
ЭМИТТЕРНО-СВЯЗАННАЯ ЛОГИКА, ИНТЕГРАЛЬНАЯ МИКРОСХЕМА, ЭМИТТЕРНО-ЭМИТТЕРНАЯ -СВЯЗАННАЯ ЛОГИКА,ПОЛУПРОВОДНИКОВАЯ ЦИФРОВАЯ СХЕМА, ЛОГИЧЕСКИЙ ЭЛЕМЕНТ
СОДЕРЖАНИЕ
Задание на курсовое проектирование 2
Реферат 3
Введение 5
-
Выбор схемы логического элемента ЭСЛ 6
-
Расчетная часть 9
Выводы 16
Список используемых источников 17
Приложение А 18
ВВЕДЕНИЕ
Схемы первых интегральных элементов были такие же, как при использовании дискретных компонентов. Однако очень скоро были обнаружены новые возможности интегральной техники, позволяющие создавать схемы с очень выгодными параметрами на совершенно новых принципах. Появились разнообразные ряды интегральных цифровых схем, из которых в настоящее время наиболее распространён ряд ТТЛ (транзисторно-транзисторные логические схемы), а для систем с большим быстродействием наиболее перспективен ряд ЭСЛ (логические схемы с эмиттерной связью).
Наиболее интенсивно развивались не только базовые интегральные схемы. Самые распространённые серии ЦИС дополнены в настоящее время различными интегральными субсистемами, например счётчиками, регистрами, дешифраторами, выпускаются интегральные полупроводниковые запоминающие устройства ёмкостью в несколько миллиардов бит и т.д.
В схемах ЭСЛ транзисторы работают вне области насыщения, поэтому автоматически исключается задержка, вызванная избыточными зарядами. Основным свойством и достоинством схем ЭСЛ является небольшая задержка, величина которой у самых последних типов составляет около 0.01 нс. Принцип действия схем ЭСЛ – логических схем с эмиттерной связью – заключается в переключении точно определённого тока малыми изменениями управляющего напряжения, порядка десятых вольта. Поэтому первоначально их называли переключателями тока и обозначали CML и CSL. Эти схемы были хорошо известны в системах на дискретных элементах, но в связи с большим числом необходимых транзисторов они нашли широкое применение только после внедрения интегральной техники. Последовательно были созданы серии: ЭСЛІ, ЭСЛІІ, ЭСЛІІІ и Э2СЛ (ЭЭСЛ).
С появлением транзистора в 1948 г. началась эпоха полупроводниковой цифровой техник, которая обусловила развитие самых разнообразных систем и устройств обработки информации. Где-то до 70-х годов в этих системах применялись полупроводниковые цифровые схемы на дискретных и пассивных элементах. Однако при использовании этих схем в больших и сложных системах возникли большие проблемы, касающиеся надёжности, экономичности и максимального быстродействия. Решить эти проблемы позволили новые открытия и производственные процессы в полупроводниковой технике, результатом которых явилась реализация интегральных схем.
-
ВЫБОР СХЕМЫ ЛОГИЧЕСКОГО ЭЛЕМЕНТА ЭСЛ
Модификацию базового логического элемента ЭСЛ условно можно отнести к следующим группам:
-
С улучшенными эксплуатационными характеристиками;
-
С увеличенными логическими возможностями;
-
Используемые в схемах средней и большой степени интеграции.
-
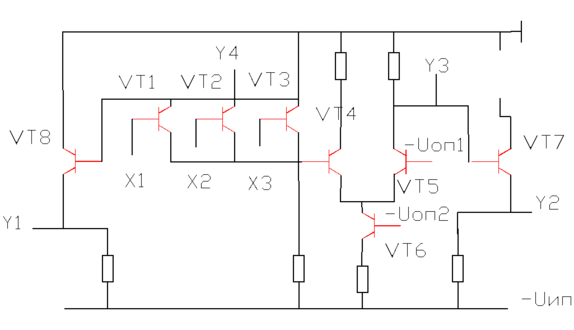
На рисунке 1.1 приведена схема с повышенным напряжением статической помехоустойчивости
. Это достигается за счет увеличения логического перепада. Реализация последнего осуществляется включением эмиттерных повторителей на входе и выходе схемы ЭСЛ. В результате логический перепад в схеме увеличивается и становится равным
, в то время как в схеме базового логического элемента ЭСЛ он составит
. В этой же схеме величина
, а в схеме базового логического элемента
.
Н
аходит применение также элемент Э2СЛ (эмиттерно-эмиттерно-связанная логика), являющаяся частью элемент, показанного на рисунке 1.1 с выходами y4 и y3 (без выходных эмиттерных повторителей на транзисторах VT7, VT8). Указанная схема элемента имеет определённые преимущества по сравнению со схемой базового логического элемента: более высокое входное сопротивление и, следовательно, Краз; эквивалентная входная ёмкость почти в 2 раза меньше; меньше суммарная ёмкость коллекторного узла и за счёт этого выше быстродействие.
Рисунок 1.1 – Элемент Э2СЛ
-
Для увеличения логических возможностей элемента ЭСЛ используют различные схемотехнические приёмы. На рисунке 1.2 выходы двух элементов (допускается больше двух выходов) объединены по прямым и инверсным выходам соответственно на нагрузочных резисторах. Для получения логической функции И-ИЛИ применяют схему с коллекторным объединением, рисунок 1.3. В этом случае прямые выходы двух элементов ЭСЛ объединяют на одной коллекторной нагрузке. Чтобы при этом из-за двойного тока не возросла вдвое амплитуда напряжения и, как следствие, транзисторы прямого плеча не оказались в режиме насыщения, предусмотрена специальная цепочка, отводящая избыточный ток и ограничивающая амплитуду напряжения.
Рисунок 1.2 - Схему с коллекторным объединением
Рисунок 1.3 - И-ИЛИ элемент
-
Специфические требования схемотехники средней и большей степени интеграции ЭСЛ – повышение быстродействия и снижение мощности потребления для составляющих элементов. Эти требования достаточно хорошо выполняются элементами МЭСЛ (малосигнальной эмиттерно-связанной логики). На рисунке 1.4 приведена схема элемента МЭСЛ. В такой схеме напряжение питания Uип=2..3 В. Напряжение логического перепада Uл=0.3..0.4 В; уровни напряжений U0=-IкRк; U1=-
Rк (Iк – ток нагрузки).
Благодаря снижению напряжения питания и исключению эмиттерных повторителей мощность потребления этой схемой в 3..5 раз меньше, чем в базовом элементе ЭСЛ. Типовое значение средней задержки распространения составляет
; при мощности Р= мВт работа переключения Апер=5..10 пДж.
Недостатком элемента МЭСЛ – снижение помехоустойчивости и уменьшение коэффициента разветвления до Краз=4..5. Однако, несмотря на указанные недостатки, элемент МЭСЛ перспективен для использования в схемах БИС.
Рисунок 1.4 - схема элемента МЭСЛ
-
РАСЧЕТНАЯ ЧАСТЬ
Для расчёта ЭСЛ воспользуемся параметрами, взятыми из части курсового проекта «ЗАДАНИЕ». Логика построения ЭСЛ – положительная. Рисунок схемы ЭСЛ приведен в приложении А, эпюры напряжения входного сигнала приведены на рисунке 2.1.
Рисунок 2.1 – Эпюра напряжения входного сигнала.
Принимаем падение напряжения на открытом p-n переходе транзисторов (в том числе транзистора нагрузки) диодов одинаковой, т.е. UбэТ=UбэТн=Uд=U*=0.7 В.
Расчет статических параметров.
-
При разработке схем ЭСЛ следует принимать:
(Rк/Rэп)опт=0.20.4, (2.1)
где Rк – сопротивление коллектора,
Rэп – сопротивление эмиттерного повторителя.
Выбираем из (2.1) 0,3 и преобразуя найдём:
Rэп=Rк/0,3 (2.2)
-
Для определения сопротивления резисторов источника опорного напряжения принимаем следующие отношения:
R4=(24)Rк; R5=Rк; R8=R3=R6=R7;
и получим;
R3=Rэп; R4=3Rк; R5=Rк; R6=R7=Rэп; R8=Rэп. (2.3)
-
Подставим (2.2) и (2.3) в формулу:
где Краз – коэффициент разделения по входу;
Uоп – среднее значение между уровнями «1» и «0», равный –1.2 В
и по известным значениям определяем Rк:
подставляем в (2.2) и получим:
-
Из (2.1), (2.3) определяем значение сопротивлений резисторов:
R1=708 Ом R3=2360 Ом R5=708 Ом R7=2360 Ом
R2=708 Ом R4=2124 Ом R6=2360 Ом R8=2360 Ом Rб=50 кОм
-
Из формулы:
определяем входной ток логической единицы (через каждый открытый эмиттерный переход):
-
Из формулы:
Определить ток логического «0» определяемый сопротивлением Rб в цепи базы закрытого транзистора.
-
Из формулы:
определяем напряжение порога переключения:
-
Из формулы:
определяем ширину активной зоны:
-
Из формулы:
определяем логический перепад:
-
Из формулы:
определяем напряжение статической помехоустойчивости по уровню “0” и “1”.
-
Из формулы:
Характеристики
Тип файла документ
Документы такого типа открываются такими программами, как Microsoft Office Word на компьютерах Windows, Apple Pages на компьютерах Mac, Open Office - бесплатная альтернатива на различных платформах, в том числе Linux. Наиболее простым и современным решением будут Google документы, так как открываются онлайн без скачивания прямо в браузере на любой платформе. Существуют российские качественные аналоги, например от Яндекса.
Будьте внимательны на мобильных устройствах, так как там используются упрощённый функционал даже в официальном приложении от Microsoft, поэтому для просмотра скачивайте PDF-версию. А если нужно редактировать файл, то используйте оригинальный файл.
Файлы такого типа обычно разбиты на страницы, а текст может быть форматированным (жирный, курсив, выбор шрифта, таблицы и т.п.), а также в него можно добавлять изображения. Формат идеально подходит для рефератов, докладов и РПЗ курсовых проектов, которые необходимо распечатать. Кстати перед печатью также сохраняйте файл в PDF, так как принтер может начудить со шрифтами.















