kursovik (722120), страница 2
Текст из файла (страница 2)
Входной цепью называется цепь, соединяющая антенну с первым усилительным или преобразовательным каскадом приёмника. Входная цепь должна наиболее полно передавать энергию сигнала из антенны в первый каскад приёмника, т.е. должна иметь по возможности больший коэффициент передачи по мощности.
- УРЧ -
УРЧ – это резонансный одноконтурный усилитель с фиксированной или переменной настройкой. Усилитель радиочастоты обеспечивает усиление сигнала и в дальнейшем фильтрует от помех.
- Преобразователь –
Преобразователь служит для переноса спектра частот из одной области в другую без изменения характера модуляции. Преобразователь является частью супергетеродинного приёмника. В результате преобразования получается новое значение частоты f пр, называемой промежуточной.
- УПЧ-
УПЧ – Усилитель промежуточной частоты предназначен для усиления сигналов промежуточной частоты и обеспечения селективности по соседнему каналу.
- УНЧ –
Усилитель низкой частоты или усилитель мощности. Служит для оконечного усиления сигнала.
Принцип работы блок схемы.
Сигнал поступает в приёмник с антенны. Приёмник снабжён внутренней и внешней антенной. Внешняя антенна работает в диапазоне УКВ и представляет собой телескопическую антенну. Внутренняя антенна рассчитана на работу в диапазонах СВ, ДВ и КВ волн. Внутренняя антенна основана на магнитной обмотке с ферритовом сердечником.
Усиление по промежуточной частоте также основана двумя каналами:
- каналом ЧМ
- каналом АМ с промежуточной частотой 465 МГц.
Каждый блок УПЧ оснащён полосовыми фильтрами. Благодаря резкому различию резонансных частот фильтров каждый из них резонирует лишь на ту промежуточную частоту, на которую он настроен, при этом другой фильтр на работу каскадов не влияет.
При поступлении сигнала на вход приёмника, сигнал усиливается и поступает на преобразователь АМ. Преобразованный сигнал фильтруется и усиливается в схеме. После прохождения всех преобразований сигнал детектируется и поступает на усилитель УНЧ, с помощью которого мы можем воспринять сигнал на слух.
3. Выбор и обоснование структурной схемы.
Обоснование структурной схемы включает в себя:
- выбор значения промежуточной частоты, избирательных систем тракта ПЧ и преселектора;
- выбор элемента настройки и обоснование способа настройки;
- выбор детектора приемника;
- выбор активных приборов (АП) ВЧ тракта и проверку возможности удовлетворения требований ТЗ при выбранной элементной базе;
- выбор ИМС УЗЧ и типа динамической головки;
- выбор узлов схемы питания приемника.
3.1. Выбор значения промежуточной частоты
Число преобразований частоты в приемнике и значение промежуточной частоты fПЧ выбирается, в первую очередь, из условий обеспечения требований по ослаблению зеркального (σЗК) и соседнего (σСК) каналов, а также с учетом других факторов. В проектируемых приемниках эти требования обычно могут быть обеспечены при использовании одного преобразования частоты и стандартного значения fПЧ. В бытовой аппаратуре приняты следующие значения fПЧ:
- 465 кГц в радиовещательных приемниках АМ сигналов (диапазоны ДВ, СВ, КВ);
- 10.7 МГц в радиовещательных приемниках ЧМ сигналов (диапазон УКВ);
- 500 кГц в приемниках ОМ сигналов (диапазон КВ).
В данном случае для нашего приёмника значение fПЧ=465 кГц.
3.2. Выбор системы тракта ПЧ и преселектора.
Основную роль в формировании резонансной характеристики приемника и обеспечении требований ТЗ по ослаблению соседнего канала играет тракт промежуточной частоты. Полоса пропускания приемника (ΔFПР) приблизительно равна полосе пропускания тракта ПЧ. Исключение составляют приемники ДВ и СВ диапазонов, где полоса пропускания приемника оказывается более узкой, чем полоса пропускания тракта ПЧ.Значение ΔFПР определяют следующим образом:
ΔFПР = ΔFС + 2 (ΔfПЕР + ΔfПР ),
где ΔFС - полоса частот принимаемого сигнала; ΔfПЕР иΔfПР - нестабильности частот передатчика и приемника.
Для АМ сигнала: ΔFС = 2 FВ ;
ΔFС = 2 FВ = 2*4 = 8 кГц
3.3. Определение числа и типа избирательных систем преселектора
Число избирательных систем преселектора в каждом диапазоне определяют исходя из заданного ослабления зеркального канала (σЗК), которое должно обеспечиваться на максимальной частоте диапазона (f0 = fМАКС), т.е. в “худшей точке”.
Задаемся значением конструктивной (максимальной реализуемой на данной частоте) добротности контура преселектора QК.
Ориентировочные значения QК следующие:
в диапазоне
ДВ - от 40 до 60,
СВ - от 50 до 80,
КВ - от 80 до 180,
УКВ - от 60 до 120.
Выбираем значение QК = 100 для приёмников СВ.
Оцениваем значения добротности эквивалентного контура QКЭ = (0.6...0.8)QК и его полосы пропускания FКЭ = f0 / QКЭ.
QКЭ = (0.6...0.8)QК =0,7*100 = 70
FКЭ = f0 / QКЭ = 1605/70 = 22,9
Рассчитываем крутизну характеристики избирательности преселектора (в децибелах на декаду), при которой будет обеспечено выполнение требований ТЗ по ослаблению зеркального канала:
где 3 дБ - ослабление на границах полосы пропускания.
γпрес = (40-3)/ (3,27-1,36) = 19,37
Рассчитываем число колебательных контуров преселектора
mПРЕС = round ( ПРЕС / 20) ,
где round означает округление аргумента до ближайшего целого, превышающего аргумент; 20 дБ/дек - крутизна характеристики избирательности одного колебательного контура за пределами полосы пропускания.
mПРЕС = round ( ПРЕС / 20) = 19,37 / 20 = 1,709 = 1
При mПРЕС = 2 в преселекторе целесообразно использовать одноконтурное входное устройство и резонансный УРЧ, который помимо дополнительного ослабления помех обеспечивает снижение коэффициента шума приемника.
Приняв решение о числе колебательных контуров преселектора и значении их добротности, проверяем выполнение требования ТЗ по ослаблению помехи с частотой, равной промежуточной (ПЧ), на частоте диапазона (f0), ближайшей к fПЧ :
ПЧ = mПРЕС * 10 * lg (1 + ПЧ2 ),
где ПЧ = QКЭ ( fПЧ / f0 - f0 / fПЧ ).
ПЧ = QКЭ ( fПЧ / f0 - f0 / fПЧ )= 35 (465/1605 – 1605/465) = 70 (0,29 – 3,45) = - 221,2
ПЧ = mПРЕС * 10 * lg (1 + ПЧ2 )= 1*10* lg (1+12232,36) = 10 lg(12233,36)=10*4,68=46,8
Выяснили, что ТЗ выполняется.
3.4. Выбор блока переменных конденсаторов
Для настройки транзисторных радиоприемников на волну принимаемой радиостанции применяются односекционные и двухсекционные блоки конденсаторов переменной емкости (КПЕ) с воздушным и с твердым диэлектриком. В качестве диэлектрика используется пленка из фторопласта или полиэтилена. У большинства блоков КПЕ с твердым диэлектриком на крышке блока установлены четыре подстроечных конденсатора емкостью от 2—3 до 10—12 пф, которые используются в контурах входной цепи и гетеродина диапазонов дв и св.
Некоторые из блоков КПЕ имеют встроенные в корпус шариковые верньеры, которые обеспечивают замедление вращения оси роторов в 2,5—3 раза относительно секции пластин ротора. Первоначально блок переменных конденсаторов выбирают по справочникам радиодеталей, выпускаемых промышленностью, а также по данным, приведенным в описаниях промышленных и любительских радиоприемников. Для предварительной ориентировки при выборе блока переменных конденсаторов его крайние емкости следует брать в пределах, указанных в таблице1. При этом рекомендуется за исходную брать минимальную частоту диапазона или самого низкочастного поддиапазона.
Таблица 1.
КПЕ с воздушным диэлектриком имеют лучшую температурную стабильность,
КПЕ с твердым диэлектриком обладают меньшими габаритами и лучшей устойчивостью к механическим воздействиям.
Рисунок 2.
На рисунке 2 представлена электрическая схема входного емкостного контура, отвечающего за настройку радиоприёмника на определённую частоту, так называемый «блок конденсаторов».
Расчёт блока конденсаторов начинается с расчёта крайних частот поддиапазонов с запасом.
F’max = 1.02* Fmax = 1.02*1605 = 1640 кГц
F’min = 0.98* Fmin = 0.98*520 = 509.6 кГц
Коэффициенты перекрытия поддиапазонов:
К’пд = F’max/F’min = 1640 / 509,6 = 3,22
Эквивалентная ёмкость схемы при использовании конденсатора КПТМ-4(данные взяты из таблицы 2):
Смах = 260 пф ; Сmin = 5 пф ;
Сэ = (Смах- К’пд 2 * Сmin) / (К’пд 2 -1) = (260 – 3,22 2 * 5) / (3,22 2 – 1) =
= (260-10,37*5) / (10,37 – 1) = 208 / 9,37 = 22,2 пф
Так как Сэ>0, определяем действительную ёмкость схемы для контура входной цепи:
С сх = См + СL
где См – ёмкость монтажа;
СL – собственная ёмкость катушки контура, данные берутся согласно таблице 3;
ОРИЕНТИРОВАЧНЫЕ ЁМКОСТИ МОНТАЖА И КАТУШЕК
| Диапазон | Ёмкость монтажа См, пф | Ёмкость катушки СL, пф |
| Длинные волны (ДВ) | 5 – 20 | 15 – 20 |
| Средние волны (СВ) | 5 – 20 | 5 – 15 |
| Короткие волны (КВ) | 8 – 10 | 4 – 10 |
| Ультракороткие волны (УКВ) | 5 – 6 | 1 – 4 |
Таблица 2.
С сх = См + СL = 10 + 5 = 15 пф
Дополнительная ёмкость:
Сдоб = С э – С сх = 22,2 – 15 = 7,2 пф.
Так как Сдоб > 0, то блок конденсаторов выбран правильно.
Эквивалентная ёмкость контура входной цепи в диапазоне СВ:
С‘э = (Сmin + С э) … (Смах + С э) = (5 + 22,2) … (260 + 22,2) = 27 … 282 пф.
При механической настройке блоком КПЕ каждая из секций блока подключается к своему контуру (входного устройства, УРЧ, гетеродина). При повороте ротора конденсатора изменение емкости происходит одновременно во всех контурах. Для обеспечения минимальной погрешности сопряжения настроек контуров преселектора и гетеродина в контур гетеродина включены специальные конденсаторы сопряжения (рис.2).
3.5. Выбор детектора сигнала
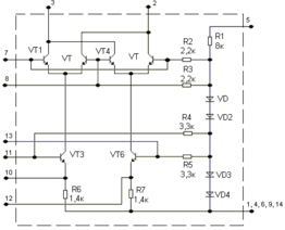
В качестве детектора АМ сигнала предпочтительно использовать последовательную схему диодного детектора, но так как элементная база промышленности всё больше и больше выпускается во много функциональных микросхемах, то можно использовать в качестве детектора микросхему. Детектор однополосного сигнала можно выполнить с использованием аналогового перемножителя на микросхеме К174ПС1 на один вход которого подается детектируемый сигнал, а на второй - опорное колебание частоты несущей от специального генератора. В схеме опорного генератора рекомендуется использовать кварцевый резонатор. Выполнить генератор можно либо на отдельном транзисторе, либо на микросхеме К174ПС1. Напряжение сигнала на входе такого детектора должно составлять UВХ Д = 10...20 мВ.
Рисунок 3.
| напряжение питания | UП = 9 + 0.9 В; |
| потребляемый ток | I < 2.5 мА; |
| входная емкость | CВХ = 20 пФ; |
| проходная емкость | CПРОХ = 0.02 пФ; |
| минимальный коэффициент шума | KШ МИН < 7дБ; |
| оптимальная по шумам проводимость генератора | gГ ОПТ = 1 мСм; |
3.6. Выбор активных приборов ВЧ тракта и распределение усиления по каскадам
Определение требуемого усиления ВЧ тракта:
Исходными величинами для расчета требуемого коэффициента усиления ВЧ тракта являются заданное в ТЗ значение чувствительности по полю EА [мкВ/м] и выбранное напряжение на входе детектора UВХ Д. С учетом производственного разброса параметров и старения элементов необходимо рассчитать
















