last_lect (722015), страница 4
Текст из файла (страница 4)
Рис. 90. Эквивалентная схема МДП транзистора
Эквивалентная схема МДП транзистора, учитывающая возможность управления по подложке показана на рис. 88
Лекция 21
6.2.3. Биполярные транзисторы с изолированным затвором
Стремление совместить в одном приборе лучшие свойства полевого и биполярного транзистора привели к созданию комбинированного прибора - биполярного транзистора с изолированным затвором, в технической литературе его называют IGBT (от англ. Insulator Gate Bipolar Transistor). Этот прибор нашел широкое распространение в силовой электронике благодаря тому, что он позволяет с высокой скоростью коммутировать большие токи.
Рис. 91. Обозначение биполярного транзистора с изолированной базой (IGBT)
Обозначение IGBT показано на рис.91. Как видно из обозначения вход IGBT подобен МДП - транзистору, т.е. это прибор управляемый потенциалом. Выход подобен выходу биполярного транзистора, т.е. выходные характеристики IGBT должны быть такими же как у биполярного транзистора.Несмотря на то, что IGBT является единой монолитной кристаллической структурой, по существу это функциональное усилительное устройство, которое может быть представлено в виде схемы показанной на следующем рисунке. , как видно из схемы, коллекторный ток биполярного транзистора Т2 поступает на вход биполярного транзистора Т3, и часть коллекторного тока Т3 поступает на вход Т2. С выхода которого ток опять поступает на вход Т3. Таким образом между двумя выходными биполярными транзисторами имеется положительная обратная связь.
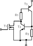
Рис. 92. Эквивалентная схема IGBT
Для токов транзисторов можно записать: iC1=SUЗ, где S - крутизна T1; iК2= α2 iЭ2 и iК3= α3 iЭ3, где α i - коэффициенты передачи тока биполярных транзисторов.
Для общего тока эмиттера можно записать iЭ=iК2+iК3+iС. Откуда iС = iЭ (1–α2–α3). Так как iЭ=iК, то для выходного тока IGBT, равного коллекторному току T3 из предыдущего соотношения получим:
iк=SUЗЭ/[(1–α2-α3)]=SЭКВUЗ.
Соответственно для эффективной крутизны SЭКВ, равной отношению изменения выходного тока IGBT к изменению входного напряжения затвора можно записать SЭКВ=S/[[1 – (α2+α3)]. Как видно из этого соотношения управляя значениями α1 и α2 возможно получить весьма высокую величину эффективной крутизны.
















