108961 (707823)
Текст из файла
Д
непропетровский Государственный Технический Университет Железнодорожного Транспорта.
Кафедра : «Теплотехника»
ДОМАШНЕЕ ЗАДАНИЕ
На тему : «Прямой цикл Карно» ,
«Тепловая изоляция»
Выполнил :
студент 427 группы
Астраханцев Дмитрий
Принял :
Доц. Арестов А.П.
Днепропетровск 1998
Прямой цикл Карно.
Как известно, все тепловые двигатели, превращающие тепловую энергию в механическую, работают по круговым циклам или термодинамическим циклам – идеальный цикл теплового двигателя (прямой цикл Карно) и цикл холодильной машины (обратный цикл Карно).
Рассмотрим прямой цикл Карно. Для этой цели возьмем идеальную систему, состоящую из горячего источника тепла, рабочего тела и окружающей среды. Параметры источника тепла Тг, Sг, температура окружающей среды Т0. Рабочее тело в конечном итоге не совершает работы за счет своей собственной энергии. До начала работы и после ее завершения все параметры рабочего тела и его полная энергия остаются в точности теми же самыми. Иначе говоря, рабочее тело изменяет свои параметры по какому-то циклу, возвращаясь каждый раз в первоначальное состояние. Суммарная работа окружающей среды над телом равна нулю; никаких потерь работы нет; энтропия системы остается неизменной (Sc=0); все процессы обратимые.
При отдаче горячим источником рабочему телу тепла dQ1 тело произведет суммарную работу dL и, для того чтобы вернутся в первоначальное состояние, отдаст окружающей среде тепло dQ2. При этом энтропия горячего источника уменьшится на величину dSг = dQ1/T1, а энтропия холодного источника возрастет на dSx = dQ2/T0 .
Поскольку согласно второму закону термодинамики энтропия рассматриваемой изолированной системы уменьшаться не может, то при dSг < 0 всегда будет dSx > 0, а следовательно, и dQ2 > 0. Значит, совершая работу с помощью циклов, тепло должно не только подводится, но и обязательно отводиться.
В идеальном случае, когда достигается максимальная работа, dSг + dSx = 0 и величина dQ2 является минимальной. Таким образом,
-dQ1/Tг = dQ2min/T0,
или
dQ2min = T0dSг ,
где dSг берется по абсолютной величине (без отрицательного знака), т.е. dSг = dQ1/Tг.
Согласно первому закону термодинамики, всегда
dL = dQ1 – dQ2,
dLmax = dQ1 – dQ2min,
или
dLmax = dQ1 – T0dSг,
т.е. максимальная работа цикла за счет тепла Q
Lmax = Q1 – T0(Sг2 – Sг1),
где (Sг2 – Sг1) – абсолютна величина уменьшения энтропии горячего источника, вызванная отдачей тепла Q1.
Очевидно, что эта формула будет справедлива независимо от того, меняется или не меняется температура Тг горячего источника. Обязательными условиями ее справедливости являются только постоянство температуры окружающей среды и обратимость всех процессов цикла. Максимальная полезная работа, которая может быть совершена в идеальном (обратимом) тепловом двигателе, оказывается абсолютно одинаковой, будет ли этот двигатель работать по какому-либо обратимому циклу или в нем будут совершаться любые разомкнутые процессы.
Максимальная доля тепла, которая может быть превращена в работу, обычно выражается через отношение Lmax/Q1, называемое термическим к. п. д. теплового двигателя :
t = Lmax/Q1 = (Q1 – Q2min)/Q1.
При постоянных температурах горячего Тг и холодного Т0 источников, учитывая предыдущие формулы максимальный термический к. п. д. теплового двигателя :
t =1 – Т0/Тг.
Можно доказать, что значение максимальной работы, а следовательно, и максимальный термический к. п. д. для случая источников тепла постоянной температуры достигается в обратимом прямом цикле Карно, состоящем из двух изотерм и двух адиабат :
Условия построения прямого цикла Карно следующие :
-
Поскольку подвод тепла обратимый, то при Тг = const температура тела Т1 на протяжении всего процесса подвода тепла должна быть равной Тг и оставаться постоянной : Т1 = Тг=const;
-
Так как и отвод тепла должен быть обязательно обратимым, то и температура Т2 тела в процессе отвода тепла также должна быть равна Т0 и оставаться постоянной : Т2 = Т0 =const;
-
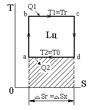
Поскольку в других процессах тепло не должно подводиться и отводиться, то замыкание цикла может осуществляться только процессами с постоянной энтропией (S = const), следовательно, должно быть : Sa = Sb и Sc = Sd .
В изображенном на рисунке цикле изоэнтропа ab – процесс адиабатического сжатия рабочего тела; изотерма bc – процесс подвода тепла Q1; изоэнтропа cd – процесс адиабатического расширения рабочего тела; изотерма da – процесс отвода тепла Q2 к холодному источнику (окружающей среде). Одновременно изотермы bc и da - соответственно процессы отвода тепла от горячего источника и подвода тепла к холодному источнику. В этом, как и в любом другом, обратимом цикле значения изменения энтропии горячего и холодного источников равны между собой по абсолютной величине и имеют обратные знаки, т.е.
Sг =Sx
Конечное изменение энтропии Sт рабочего тела, совершающего замкнутый процесс, будет равен нулю. Приращение энтропии системы, равное алгебраической сумме энтропии всех тел рассматриваемой системы (обеих источников тепла и рабочего тела), также равно нулю :
Sc = Si = Sг +Sx +Sт = 0.
Этим подтверждается, что цикл Карно действительно дает максимальную работу.
Из рисунка находим :
Q1 = TгSг = Т1Sг ;
Q2 = T0Sx = T2Sг,
Отсюда
Lц = Q1 – Q2 = (T1 – T2)Sг.
С учетом того, что Sг = Q1/T1, получим
Lц = Q [(T1-T2)/T1].
Термический к. п. д. этого цикла
t = Lц /Q1 = 1 – T2/T1 = t мах
С помощью прямого цикла Карно можно доказать, что отводимое к холодному источнику тепло Q2min не является потерей энергии, а представляет собой тот «балласт», ту непревратимую часть энергии, которая в любой момент, без затраты какой-либо дополнительной работы, может быть отнята от холодного источника и возвращена горячему.
Здесь следует заметить, что осуществляя обратный цикл Карно, можно, затратив работу Lц , получить и отдать горячему источнику тепла Q1 ровно столько, сколько было от него получено в прямом цикле, а от холодного источника будет отобрано в точности такое же количества тепла Q2min , сколько ему было отдано в прямом цикле.
ТЕПЛОВАЯ ИЗОЛЯЦИЯ.
Теплоизоляция – это защита зданий, промышленных установок (или отдельных их узлов) от нежелательного теплового обмена с окружающей средой. Так, например, в строительстве и теплоэнергетике теплоизоляция необходима для уменьшения тепловых потерь в окружающую среду, в холодильной и криогенной технике – для защиты аппаратуры от притока тепла извне.
Теплоизоляция обеспечивается устройством специальных заграждений, выполняемых из теплоизоляционных материалов (в виде оболочек, покрытий и т.п.) и затрудняющих теплопередачу; сами эти теплозащитные средства также называются теплоизоляцией.
При преимущественно конвективном теплообмене для теплоизоляции используются ограждения, содержащие слои материала, непроницаемого для воздуха; при лучистом теплообмене – конструкции из материалов, отражающих тепловое излучение (например из фольги, металлизированной лавсановой пленки); при теплопроводности (основной механизм переноса тепла) – материалы с развитой пористой структурой.
Эффективность теплоизоляции при переносе тепла теплопроводностью определяется термическим сопротивлением ( R) изолирующей конструкции R = / , где - толщина слоя изолирующего материала, - его коэффициент теплопроводности.
Повышение эффективности теплопроводности достигается применением высокопористых материалов и устройством многослойных конструкций с воздушными прослойками.
В тепловых промышленных установках теплоизоляция обеспечивает значительную экономию топлива, способствует увеличению мощности тепловых агрегатов и повышению их КПД, интенсификации технологических процессов, снижению расходов основных материалов. Экономическая эффективность теплоизоляции в промышленности часто о
ценивается коэффициентом сбережения тепла
Где Q1 – потери тепла без теплоизоляции, а Q2 – с теплоизоляцией.
Задача теплоизоляции зданий – снизить потери тепла в холодный период года и обеспечить постоянство температуры в помещениях в течении суток при колебаниях температуры наружного воздуха. Применяя для теплоизоляции эффективные теплоизоляционные материалы, можно существенно уменьшить толщину и снизить массу ограждающих конструкций и, т.о. сократить расход основных стройматериалов.
Теплоизоляция – необходимый элемент конструкции транспортных средств (судов, ж.д. вагонов, самолетов и т.д.), в которых роль теплозащиты определяется их назначением : для средств пассажирского транспорта – требованием поддержания комфортных микроклиматических условий в салонах; для грузового – обеспечение заданной температуры при минимальных энергетических затратах. К эффективности теплоизоляции на транспорте предъявляются повышенные требования в связи с ограничением массы и объема ограждающих конструкций транспортных средств.
Материалы и изделия, применяемые для теплоизоляции называются теплоизоляционными. Теплоизоляционные материалы характеризуются низкой теплопроводностью (коэффициент теплопроводности не более 0.2 Вт/м*К), высокой пористостью, незначительной объемной массой и прочностью (предел прочности при сжатии 0.05-2.5 МН/м2).
Основной показатель качества теплоизоляторов – коэффициент теплопроводности. Он является физическим параметром вещества и в общем случае зависит от температуры, давления и рода вещества. В большинстве случаев коэффициент теплопроводности определяется экспериментально с помощью различных методов. На рисунке показаны примерные значения коэффициента теплопроводности для р
азличных веществ :
Так как тела могут иметь различную температуру, а при наличии теплообмена и в самом деле температура будет распределена неравномерно, то в первую очередь важно знать зависимость коэффициента теплопроводности от температуры. Опыты показывают, что для многих материалов с достаточной для практики точностью зависимость коэффициента теплопроводности от температуры можно принять линейной :
=0[1+b(t-t0)],
где 0 – значение коэффициента теплопроводности при температуре t0; b – постоянная, определяемая опытным путем.
Коэффициент теплопроводности газов. Согласно кинетической теории перенос тепла в газах при обычных давлении и температуре определяется переносом кинетической энергии молекулярного движения в результате хаотического движения и столкновения отдельных молекул газа. При этом коэффициент теплопроводности определяется соотношением:
=wlCv/3,
где w – средняя скорость перемещения молекул газа, l – средняя длина свободного пробега молекул при соударении, - плотность газа.
С увеличением давления в равной мере увеличивается плотность, уменьшается длина пробега и произведение l сохраняется постоянным. Поэтому коэффициент теплопроводности газов мало меняется с изменением давления. Исключения составляют очень малые (меньше 2,66*103 Па) и очень большие (2*109 Па) давления. Коэффициент теплопроводности газов лежит в пределах от 0,0006 до 0,6 Вт/(м*К). Поэтому воздух обладает свойствами хорошего теплоизолятора.
Коэффициент теплопроводности жидкостей описывается уравнением :
Характеристики
Тип файла документ
Документы такого типа открываются такими программами, как Microsoft Office Word на компьютерах Windows, Apple Pages на компьютерах Mac, Open Office - бесплатная альтернатива на различных платформах, в том числе Linux. Наиболее простым и современным решением будут Google документы, так как открываются онлайн без скачивания прямо в браузере на любой платформе. Существуют российские качественные аналоги, например от Яндекса.
Будьте внимательны на мобильных устройствах, так как там используются упрощённый функционал даже в официальном приложении от Microsoft, поэтому для просмотра скачивайте PDF-версию. А если нужно редактировать файл, то используйте оригинальный файл.
Файлы такого типа обычно разбиты на страницы, а текст может быть форматированным (жирный, курсив, выбор шрифта, таблицы и т.п.), а также в него можно добавлять изображения. Формат идеально подходит для рефератов, докладов и РПЗ курсовых проектов, которые необходимо распечатать. Кстати перед печатью также сохраняйте файл в PDF, так как принтер может начудить со шрифтами.
















