62273 (694945), страница 3
Текст из файла (страница 3)
Ниже приведена таблица параметров, реагирующих на воздействие ИИ для некоторых усилителей.
| Марка ОУ | Параметры ОУ, подверженные радиации |
| OP 400 | +Ib, -Ib, Gain_2k, Slew Rate |
| OP 467 | +Ib, -Ib, Icc, Voh_2k |
| AD 620 | +Ib, -Ib, PSRR_pos, +Swing, all of gain_errors |
| AD 845 | Icc, P_PSRR_A, Vol |
| LF 147 | None |
| LF 155a | +Ib, -Ib |
| LMC 6464 | +Ib, -Ib, Ios, Voh_100k A-D, Vol_100k A-D, Slew Rate A-D, GBW A-D |
| OP 07 (0,14R(Si)/s) | VOS, P_IIB, N_IIB, IIOS, CMRR, P_AOL_2k, N_AOL_2k, Slew Rate |
| OP 07 (0,58R(Si)/s) | VOS, P_IIB, N_IIB, IIOS, CMRR, PSRR, VOUT, AOL, Slew Rate |
| OP 15 | VOS, +Ibias, -Ibias, Iio |
| OP 27 | VOS, P_IIB, N_IIB |
| OP 77 | VOS_0V, P_IIB_0V, N_IIB_0V |
| OP 270 | +Ib_A, -Ib_A, +Ib_B, -Ib_B, Ios_A, Ios_B, Open Loop Gain B |
| PA07M/883 | Voffset |
| LM 10 | VOS, P_IIB, N_IIB, IIOS, CMRR, PSRR, AOL, ASH, REF GAIN, V_FB, I_FB, Line Reg, Load Reg |
| OP 07A | VOS_0V, P_IIB_0V, N_IIB_0V, P_AOL, N_AOL, IIOS_0V, CMRR, +PSRR, -PSRR |
| AD 645 | vio |
Из представленного материала, подтверждаемого многочисленными экспериментами, следует, что напряжение смещения нуля, определяемое как приведенное к входу выходное напряжение не является информативным параметром при определении уровня бессбойной работы ИОУ при воздействии импульсных спецфакторов. Более информативным показателем стойкости ИОУ при воздействии ИИИ является время потери работоспособности (ВПР), определяемое по уменьшению отклонения выходного напряжения до заданного уровня.
Выбор общего критерия работоспособности для определения УБР и ВПР, отражающего способность ИОУ усиливать сигнал с заданной точностью, можно осуществить только условно без привязки к конкретному применению ИОУ. Прямая оценка по наихудшему случаю (например включение ИОУ без ОС) также неинформативна, так как при этом получаются заведомо завышенные значения ВПР. Однако предварительные оценки показывают, что в этом случае возможен пересчет полученных значений ВПР к конкретной схеме включения.
Проектирование радиационно-стойких ИОУ.
На этапе проектирования проблему повышения радиационной стойкости аппаратуры наиболее эффективно можно решить соответствующим выбором способа коррекции переходных и частотных характеристик усилителя. Наилучшие результаты получаются при включении быстродействующего канала (см.рис.3) параллельно наиболее инерционному каскаду интегрального операционного усилителя, а наихудшие результаты при коррекции интегрирующим конденсатором Скор, подключаемым между выходом и входом каскада промежуточного усилителя в микросхеме.
Р
ис.3. Аналоговое устройство на АИМС с параллельным быстродействующим каналом:
а - структурная схема;
б - схема замещения
Включение быстродействующего канала при определенных условиях существенно повышает быстродействие интегрального операционного усилителя и, соответственно, частоту единичного усиления f1ис. Это позволяет, используя низкочастотную микросхему с повышенной радиационной стойкостью, спроектировать быстродействующий усилитель, способный работать нормально при заметно большем уровне ионизирующего излучения. Этот способ коррекции одновременно позволяет на порядок и более сократить продолжительность ВПР усилителя. Реализация этого способа коррекции возможно только у интегрального операционного усилителя с дополнительными выводами для подключения корректирующего конденсатора (как, например микросхема LM101A и ее аналог 153УД2). При этом быстродействующий канал, подключаемый к указанным выводам, строят на дискретных элементах. Указанными особенностями реализации объясняется ограниченное применение этого способа коррекции.
Включение корректирующего конденсатора Скор, во-первых, приводит к уменьшению импульсной добротности интегрального операционного усилителя в (1 + Скор/Сис)1/2 раз и, соответственно частоты единичного усиления f 1кор. При этом приходится использовать более высокочастотные микросхемы, которые, как правило, обладают меньшей радиационной стойкостью. Во-вторых, оно сопровождается заметным увеличением коэффициента передаточной функции интегрального операционного усилителя
b1кор = СкорRкор.эк + b1ис величиной которого лимитируется (для предотвращения перегрузки по входу) наибольшая амплитуда выходного напряжения усилителя.
Кроме этого происходит увеличение ВПР в b1кор / b1ис раз (причем часто 1кор / b1ис > 10) Возрастает амплитуда отклонения выходного напряжения при ИИИ. Необходимо учитывать еще один недостаток коррекции интегрирующим конденсатором, заключающимся в следующем. Если из-за радиационного воздействия сопротивление Rкор.эк уменьшается настолько, что оно становится меньше Rкор.эк < (b2исF)1/2/Cис, то выбранная микросхема оказывается непригодной для обеспечения заданного усиления Кu с требуемым быстродействием. При этом требуется выбирать более высокочастотный интегральный операционный усилитель (независимо от того коррекция внутренняя или внешняя).
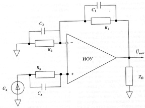
Наиболее простым и, одновременно, достаточно эффективным способом коррекции является включение в канал обратной связи резистивно-емкостной цепи (см. рис.4).
Э
тот способ коррекции лишен тех недостатков, свойственных коррекции посредством Скор, и по своей эффективности уступает только коррекции включением быстродействующего канала. Коррекция резистивно-емкостной цепью особенно эффективно в усилителях на трансимпедансных ИОУ.
В настоящее время большинство ИОУ выпускаются с внутренней коррекцией, в которых Скор обеспечивает нормальную работу микросхемы с обратной связью при коэффициенте усиления Ки, не меньше указанном в справочнике значения (Ки = 1;2;5;10). При радиационном воздействии эффективность влияния Скор ослабляется из-за уменьшения Rкор.эк, что необходимо учитывать при проектировании усилителей, ориентируясь на большее значение Ки и, соответственно, меньшую глубину обратной связи, с тем, чтобы исключить возможность самовозбуждения ИОУ.
Отметим, что и в ИОУ с внутренней коррекцией целесообразно включение в канал обратной связи резистивно-емкостной цепи, которая позволяет до некоторой степени исправить недостатки, обусловленные внутренней коррекцией. Такой подход просто необходим при использовании трансимпедансных усилителей с внутренней коррекцией.
Следующий вопрос, требующий решения на этапе схемотехнического синтеза, это - выбор вида обратной связи. Выбор ОС по напряжению или по току решается в зависимости от назначения усилителя. В выходных усилителях, предназначенных для формирования импульсных сигналов с крутыми перепадами в высокоомной нагрузке с емкостной реакцией, лучшие результаты получаются при обратной связи по напряжения. В усилителях с токовым выходом, формирующих мощные импульсы тока с крутыми перепадами в низкоомной нагрузке с индуктивной реакцией, включают обратную связь по току.
Выбор последовательной ОС или параллельной однозначно решается в пользу первой из них по следующим причинам. Во-первых, при заданной глубине обратной связи F схема с последовательной обратной связью обеспечивает усиление на единицу больше, чем при параллельной обратной связи. В этом нетрудно убедиться, рассматривая приближенные формулы, определяющие коэффициенты усиления:
Kunoc 1+R1/R2 и Kunoc 1+R1/Rд (*) где Rl и R2 - сопротивления резисторов в каналах обратной связи; Rд - выходное сопротивление датчика, напряжение которого усиливается. Из анализа соотношений (*) следует второй недостаток параллельной обратной связи, связанный с отклонением коэффициента усиления от номинальной величины, которое происходит из-за изменения сопротивления датчика Rд.
Ku/Ku = R1/ R1 – R2/ R2
Это особенно опасно в аппаратуре, предназначенной для работы в длительное время в условиях радиационного воздействия, когда требуется установить деградацию параметров элементов схемы в зависимости от времени регистрации выходного напряжения усилителя. Что касается влияния изменений сопротивлений резисторов R1 и R2, то при соответствующем выборе резисторов (например, пленочные резисторы) можно существенно уменьшить их рассогласующее действие при радиационном воздействии. В-третьих, так же как деградация сопротивлений Rд, R1 R2 влияет на точность усиления в области средних частот, изменение емкостей СД, С1 С2, под воздействием радиации приводит к отклонению выброса на вершине импульса или неравномерности АЧХ от номинальной величины, причем если в схеме с последовательной обратной связью отклонения С1 и С2 можно существенно уменьшить, то деградация СД определяется видом датчика.
В-четвертых, в схеме с параллельной ОС имеется всего две степени свободы (С1 и R1), тогда как при последовательной обратной связи их четыре: R1 С1 R2, С2. Это существенное преимущество вообще, а в схемах, работающих при спецвоздействиях - в особенности, так как эти степени свободы позволяют проводить параметрическую оптимизацию схемы, обеспечивая тем самым значительное улучшение характеристик усилителя в области малых времен или высших частот.
Преимущества последовательной обратной связи особенно ярко проявляются в предусилителях с противошумовой коррекцией и зарядо-чувствительных усилителях на малошумящих интегральных операционных усилителях.
Насколько эффективны рекомендуемые способы улучшения сигнальных характеристик усилителей, предназначенных для длительной эксплуатации в условиях стационарного радиационного воздействия, можно иллюстрировать на примере импульсного усилителя с коэффициентном усиления Ки = 10 на микросхеме 153УД2. Чтобы исключить самовозбуждение схемы потребовалось увеличить емкость корректирующего конденсатора (Скор = 70 пФ) и ограничить значение коэффициента d2 (F - глубина OC). При этом время нарастания фронта переходной характеристики tн = 0.7 мкс при выбросе на вершине импульса 1 = 4.3%.
При реализации такого усилителя с коррекцией RC-цепью (см. рис.4) время нарастания фронта удалось уменьшить в 5.4 раза, т.е. оно стало равным 0.13 мкс при выбросе = 2.9%.
Проверка на импульсные перегрузки по входной цепи, лимитирующие наибольшую амплитуду выходного импульса Uвыхтиб, показала, что в схеме с Скор Uвьшпнб < 170мВ, тогда как применение RC'-цепи позволило увеличить Uвыxmn6 в 8 раз, т.е. воспроизводить импульсы с крутыми перепадами наибольшей амплитудой Uъыхтнб = 1.35В!
Чтобы можно было реализовать усилитель с Ки= 10; tн = 0.13 мкс применением коррекции интегрирующим конденсатором Скор, то надо было использовать интегральные операционные усилители с частотой единичного усиления f1ис = 38 МГц, т.е. в 5.4 раза большей f1ис, чем у 153УД2. При этом наибольшую амплитуду Uвыхотнб все равно не удается увеличить до уровня 1.35В. Учитывая, что более высокочастотная схема, как правило, менее радиационно-стойкая, то достоинства радиационных средств - очевидны! Аналогичные результаты получены и в широкополосных усилителях.















