62273 (694945), страница 2
Текст из файла (страница 2)
Существенно меняется входной ток смещения; это ток, который определяется не разностью токов, а их средним значением, изменение которого определяется изменением N. Отклонение выходного напряжения происходит также из-за радиационной нестабильности тока в эмиттерах.
В аналоговых ИМС с дифференциальным каскадом на входе в качестве пары используют униполярные транзисторы с управляющим p-n-переходом. При этом токи затворов определяются токами обратносмещенных p-n-переходов — затворов. Как известно, МДП-транзисторы обладают меньшим входным током, чем транзисторы с управляющим p-n-переходом. Однако МДП-транзисторы очень чувствительны к импульсным помехам, поэтому при использовании их во входных каскадах требуется защита входов диодами, токи утечки которых сводят на нет преимущества МДП-транзисторов. Необходимость диодной защиты отпадает в ИМС с внутрисхемной связью входа аналоговой части схемы с предшествующими схемами. При этом использование МДП-транзисторов в качестве дифференциальной пары позволяет заметно уменьшить Iвхсм и Iвх.сд определяемые токами утечки диэлектрических затворов.
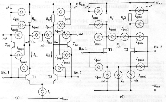
Действие переходных ионизационных эффектов можно оценить при помощи моделей дифференциальных каскадов на биполярных транзисторах (рис. 1а) и униполярных транзисторах с управляющим p-n-переходом (рис. 16).
Рис. 1. Модели дифференциальных каскадов для анализа переходных ионизационных эффектов: (а) - на биполярных транзисторах; (б) - на униполярных транзисторах с управляющим p-n-переходом.
В этих схемах фототоки источников стабилизированного тока I0 непосредственно не учитываются, так как их действие подавляется (так же как действие всяких синфазных помех). Косвенное влияние этих фототоков, приводящее к изменению тока I0 в эмиттерах или истоках транзисторных пар, удобно учитывать наряду с другими причинами изменения этого тока, представив, что при облучении
ток I0 изменяется в (1 + ф) раз (где ф - коэффициент изменения тока I0).
В модели на рис.1,а действие фототоков, образуемых потоком носителей через коллекторные переходы, которые генерируются в базах транзисторных пар Т1 и Т2, учитываются посредством источников тока Iфкп1 и Iфкп2 (влиянием фототоков, образуемых потоком носителей через эмиттерные переходы Т1 и Т2, пренебрегаем). Фототоки, которые возникают в коллекторных слоях транзисторов Tl, T2 и прилегающих к ним областях подложки с изолирующими р-п-переходами, учитываются источниками токов, шунтирующих коллекторные и эмиттерные переходы паразитных транзисторов ТП1, ТП2 и источниками фототоков Iфип1, Iфип2. Для упрощения моделей аналогичные паразитные транзисторы, связанные диффузионными резисторами, не показаны.
В модели на рис.1,б учтены фототоки, возникающие в каналах транзисторов Tl, T2 и прилегающих к каналам слоях подложки и изолирующих р-n-переходах. Действие ионизирующих излучений приводит к отклонению от нуля выходного напряжения дифференциального каскада.
Влияние ионизационных эффектов, вызываемых воздействием электронного, высокоэнергетического нейтронного и -излучений, проявляется прежде всего в виде заметного увеличения токов утечки и канальных токов, что приводит к росту входных токов смещения Iвх см и сдвига Iвх сд. Происходит также уменьшение коэффициента передачи тока базы N, влияющее как на точностные характеристики каскада, так и на его усилительные параметры. Может происходить заметное изменение выходных потенциалов каскада вследствие роста тока I0 стабилизированного источника.
Анализ влияния поверхностных ионизационных эффектов требует более подробной информации о топологических и технологических особенностях изготовления элемента ИМС, а также об изменениях заряда в приповерхностных слоях. Для этого обычно используют тестовые структуры.
Как показывает анализ, приведенное к входу импульсное отклонение собственного выходного напряжения дифференциального каскада (а не всего ИОУ) от номинальной величины оказываются не столь заметными, несмотря на существенное увеличение входных токов ИОУ при импульсном воздействии.
В литературе отмечается, что отклонение выходного напряжения ИОУ от нуля при спецвоздействии обусловлено не изменением выходных потенциалов дифференциальных каскадов, а в основном происходит из-за нарушения режима по постоянному току выходных повторителей, причем это отклонение имеет одну и ту же полярность, т.е. выходное напряжение отклоняется в сторону положительного источника питания. Экспериментально было проверено, действительно ли влияние фототоков в выходных повторителях является определяющим.
Влияние ИИ на шумовые характеристики дифф-каскада.
В каскадах на биполярных транзисторах в области средних и высших частот шумового спектра, где преобладают дробовой шум токораспределения iш.к и тепловой шум объемного сопротивления базы eш.б, при облучении уровень шумов возрастает в результате деградации коэффициента передачи тока базы и увеличения объемных сопротивлений.
Влияние теплового шума сопротивления коллекторного слоя eшк, а также шумовых сигналов паразитного транзистора iшфи, iшfи не так существенно. В области низших частот преобаладают шумы со спектром 1/f, а также низкочастотные шумы фототоков. Анализ низкочастотных шумов усложняется тем, что их изменение при облучении определяется не только объемными эффектами, но и поверхностными. Действие ионизирующих излучений приводит не тоолько к повышению уровня низкочастотных шумов, но также к увеличению граничной частоты fш, т.е. к сдвигу их спектральной плотности в область более высоких частот.
В дифференциальных каскадах на униполярных транзисторах в области средних и высших частот, где преобладают тепловой шум канала iшс и дробовой шум тока затвора iш.з шумы при облучении возрастают из-за уменьшения крутизны характеристики транзистора S и увеличения тока затвора вследствие роста тока генерации в управляющем р-n-переходе. Возрастают также низкочастотные шумы, обусловленные флуктуациями заряда токов генерации—рекомбинации в обедненном слое изолирующего р-n-перехода. При этот относительное увеличение шумового сопротивления практически не зависит от частоты.
Уровень собственных шумов каскада повышается из-за шумов фототоков, особенно при высоких импедансах источника сигнала.
Уровень шумов дифференциального каскада зависит также от схемы подачи входного сигнала и съема выходного напряжения. На практике нередко подают сигнал только на один из входов каскада По отношению к этому входу интенсивность первичного шумового напряжения возрастает.
Сравнение дифференциальных каскадов на биполярных и униполярных транзисторах по их шумовым показателям в области средних частот показывает, что в первых из них при работе от источников с Rг >> 103 Ом уровень шума выше. Следует иметь в виду, что каскады на униполярных транзисторах менее критичны к выбору оптимального сопротивления источника входного сигнала, а поэтому изменение условия оптимальности при облучении не приводит к дополнительному увеличению шума.
Радиационные эффекты в ИОУ.
Воздействие ИИ на параметры ИОУ.
Интегральные операционные усилители (ИОУ) представляют собой высококачественные прецизионные усилители, которые относятся к классу универсальных и многофункциональных аналоговых микросхем. Радиационная стойкость аналоговых ИМС определяется не только влиянием ионизирующих излучений на характеристики элементов микросхемы, но она зависит также от структуры ИМС и схемотехнических особенностей. Поскольку большинство современных аналоговых ИМС построены по структуре ИОУ, то на их примере можно выяснить влияние радиационных эффектов на характеристики аналоговых микросхем.
Специализированные ИОУ частного применения, к числу которых относятся микросхемы с повышенным входным сопротивлением, прецизионные и микромощные ИОУ, быстродействующие усилители [11], обычно более чувствительны к остаточным радиационным эффектам, так как схемотехнические и технологические меры, применяемые для достижения предельных возможностей по каким-либо параметрам, как правило, приводят к снижению их радиационной стойкости. Особенно чувствительны к воздействию облучения ИОУ при работе в микрорежиме. Это объясняется тем, что в микрорежиме деградация параметров транзисторов происходит при более низких флюенсах.
Причиной нарушения нормальной работы ИОУ являются также переходные ионизационные эффекты, обусловленные образованием мощных импульсов фототоков во всех областях кристалла, включая не только области, где формированы рабочие транзисторы, диодные структуры, диффузионные резисторы, но также изолирующие и приповерхностные слои ИМС. Изоляция р-n-переходами является серьезным недостатком ИОУ, работающих в полях ионизирующих излучений. Воздействие γ-излучения, электронного и высокоэнергетического нейтронного (Е„ > 14 МэВ) излучений приводит к образованию через изолирующие p-n-переходы мощных фототоков, которые могут быть причиной нарушения электрической изоляции р- и n-областей, возрастания рассеиваемой мощности, возникновения тиристорного эффекта, пробоя как в рабочих, так и в паразитных транзисторах. Значительный вклад в образование фототоков вносят участки подложки, прилегающие к изолирующим p-n-переходам. Поэтому эти токи можно заметно уменьшить легированием подложки с тыльной стороны золотом, уменьшающим время жизни носителей в подложке. Наиболее эффективным способом уменьшения фототоков является применение диэлектрической изоляции, а также использование пленочных резисторов вместо диффузионных.
Воздействие ионизирующего излучения сказывается также на частотных и импульсных характеристиках ИОУ в области малых времен. При облучении, создающем объемные структурные повреждения, частота единичного усиления для некорректированного ИОУ меняется незначительно вплоть до флюенсов 1015 нейтр./см2 и более. Верхняя граничная частота для большинства ИОУ возрастает, что объясняется уменьшением коэффициентов усиления каскадов, вследствие чего уменьшается влияние паразитных емкостей. Эти изменения приводят к снижению запаса устойчивости, oднако поскольку в реальных условиях последняя тоже уменьшается, то в итоге при облучении самовозбуждение ИОУ маловероятно.
Критериальные параметры для оценки стойкости ОУ.
Как правило, нормативная документация (НД) на ИОУ устанавливает отклонение выходного напряжения от нуля ΔUвх от, приведенного ко входу, в качестве критериального параметра при определении уровня бессбойной работы (УБР) и времени потери работоспособности (ВIIP) при воздействии импульсного ИИ.
Т
иповая схема включения по НД для контроля параметра ΔUвх.от показана на рис.2, причем коэффициент усиления схемы Ки выбирается в диапазоне от 10 до 1000 без должного обоснования. Напряжение отклонения от нуля рассчитывается по упрощенной формуле:
ΔUвх.от = ΔUвых/ Ku.
Критерий работоспособности ИОУ по параметру UBX для определения УБР и ВПР задается выражением
ΔUвх.от ΔUвх.от норм или ΔUвых ΔUвх.от нормKu
Как показали эксперименты, в зависимости от технологии существенно различаются чувствительность к воздействию стационарного ИИ того или иного параметра однотипных ОУ, различаются зависимость АЧХ от величины поглощенной дозы, уровень катастрофического отказа, характер изменения напряжения смещения нуля и др. Так, например, уровень катастрофического отказа ОУ 140УД17 различается на порядок в зависимости от предприятия изготовителя. В связи с этим один и тот же тип ОУ мог соответствовать либо нет нормам ТУ. Т.о. очевидна невозможность прогнозирования радиационного поведения ОУ по результатам исследования схем того же типа, но другого конструктивно-технологического исполнения. Более того, подтверждается неинформативность использования одного и того же критериального параметра для сравнительной оценки радиационной стойкости всех ОУ, т.к. критериальный параметр, т.е. наиболее чувствительный к воздействию того или иного типа ИИ, определяется технологией изготовления микросхемы.















