327815 (692376), страница 2
Текст из файла (страница 2)
(2.6)
где:
- вес, приходящийся на переднюю ось;
f - коэффициент сопротивления качению;
a- плечо обкатки;
- коэффициент сцепления шины с полотном дороги;
r - эквивалентный радиус сил трения.
Принимаем:
.
=6678Н
f =0,015;
a=0,025м;
=0,85.
Подставив значения в формулы (2.4)-(2.6) получим:
Усилие, прикладываемое водителем к рулевому колесу, определяется по формуле:
(2.7)
где:
- КПД рулевого механизма
- КПД рулевого привода
- радиус рулевого колеса
Принимаем:
=0,85
=0,90
=0,2м
После подстановки данных в формулу (2.7) получим:
2.3 Прочностной расчет рулевого механизма и рулевого привода
Прочностной расчет рулевого механизма.
В автомобиле Москвич 2140 в качестве рулевого механизма применяют глобоидную пару «червяк-ролик».
Осевое усилие на винте определяется по формуле:
;(2.8)
где:
- начальный радиус винтовой линии червяка по наименьшему сечению;
- угол наклона винтовой линии;
- усилие, прикладываемое водителем на рулевом колесе;
- радиус рулевого колеса.
Принимаем:
=0,03м
=400Н
=0,2м
Подставив данные в формулу (2.8) получим:
Н
Контактная площадь определяется по формуле:
(2.9)
Принимаем:
=1,099рад
=0,994рад
=0,0727 м
=0,02м
Рисунок 4 - Схема зацепления червяк-ролик.
Подставив данные значения в формулу (2.9) получим:
Контактное напряжение в зацеплении червяк-ролик определяется по формуле:
;(2.10)
где: n – число гребней ролика
Принимаем n=2.
Подставив значения в формулу (2.10) получим:
;
Прочностной расчет рулевого привода.
Расчет вала рулевой сошки рассчитывается на кручение по формуле:
(2.11)
где:
- передаточное отношение рулевого механизма;
- диаметр вала сошки в опасном сечении.
Принимаем:
=16.12
=0,0267м
Подставив данные в формулу (2.11) получим
МПа
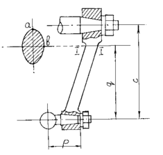
Рисунок 5 - Схемы к расчету рулевого привода
Усилие на шаровом пальце сошки определяется по формуле:
; (2.12)
где: С – плечо поворота управляемых колес.
МРМ – момент на выходе рулевого механизма
Принимаем: С=152мм=0,152м
Значение МРМ определим по формуле:
;(2.13)
Принимаем:
0,85
Подставив значения в уравнения (2.12) и (2.13) получим:
;
;
На рисунке 5 изображена схема к расчету рулевого привода. Максимальное напряжение изгиба будет в точке «а», а максимальное напряжение кручения – в точке «b».
Эквивалентное напряжение растяжения в точке «а» определяется по формуле:
(2.14)
где:
Принимаем: q=0.12м;
p=0.04м;
Подставив данные значения в формулу (2.14) получим:
Напряжение кручения определяется по формуле:
(2.15)
Подставив значения получим:
Расчет шарового пальца на смятие и изгиб производим по формулам:
(2.16)
(2.17)
где:
- диаметр шаровой головки пальца;
- диаметр шарового пальца в опасном сечении.
Принимаем:
;
Подставив значения в формулы (2.16) и (2.17) получим:
;
;
Поперечная тяга проверяется на сжатие и продольную устойчивость. Напряжение сжатия определяется по формуле:
;(2.18)
где: F - сечение поперечной тяги.
Принимаем:
Подставив значения в уравнение (2.19) получим:
;
Критическое напряжение при продольном изгибе определяется по формуле:
; (2.19)
где: L - длина тяги по центрам шарниров;
E – модуль упругости первого рода
- экваториальный момент инерции сечения тяги.
Принимаем: L=498,5мм;E= 200 ГПа.
Значение эквивалентного момента инерции определяется по формуле:
; (2.20)
Принимаем:
м;
м.
Подставив значения, получим:
;
Подставив значения в формулу (2.20) получим:
;
Запас устойчивости определяется по формуле:
(2.21)
где
.
Подставив значения, получим:
.
2.4 Расчет гидроусилителя, определение производительности и мощности на привод насоса гидроусилителя
Расчет гидроусилителя рулевого управления начинается с определения момента сопротивления повороту управляемых колес
на сухом асфальте при полностью нагруженном автомобиле и сводится к последующему определению: размеров исполнительного цилиндра, распределителя, диаметра трубопроводов, производительности гидронасоса и мощности, затрачиваемой на его привод.
Величину усилия
, прикладываемого водителем к ободу рулевого колеса, выбирают из условия, чтобы усилие не превышало 60Н для легковых автомобилей.
Рабочий объем силового цилиндра определяется исходя из работы, совершаемой усилителем.
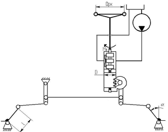
Рисунок 6 – Расчетная схема гидроусилителя
Усилие сопротивления на поршне определяется по формуле:
, (2.22)
где
- радиус сектора;
- момент на валу сошки, определяемый по формуле:
, (2.23)
где
- момент сопротивления на колесе;
- КПД рулевого привода.
.
Подставляя найденное значение в формулу (2.22), получим:
.
Рабочая площадь поршня определяется по формуле:
, (2.24)
где
- минимальное усилие на рулевом колесе;
- угол наклона винтовой линии;
- радиус винта.
Так как усилитель интегрированный, то объем цилиндра определяется по формуле:
, (2.25)
где
=50 мм - ход поршня, равный ходу гайки по винту.
Диаметр цилиндра определяем исходя из того, что поршень выполнен заодно с гайкой и его перемешение происходит по винту. Используем формулу:
, (2.26)
D - Диаметр цилиндра, определим, исходя из того что поршень выполнен заодно с гайкой и перемещение его происходит по винту.
Площадь сечения винта
м2
. Принимаем D=40мм
Номинальная производительность насоса определяется по формуле:
, (2.27)
где
- максимальная скорость поворота рулевого колеса;
- максимальный угол поворота управляемых колес из одного крайнего положения в другое, град;
- объемный КПД насоса;
- утечки.
.
Мощность, затрачиваемая на привод насоса, определяется по формуле:
, (2.28)
где
- расчетное давление жидкости.
.
Диаметр трубопроводов определяется по формуле:
, (2.29)
где
- скорость движения жидкости в трубопроводах:
-
для нагнетательной магистрали
; -
для сливной магистрали
; -
для всасывающей магистрали
.
Подставляя данные значения в формулу (2.29), получим:
-
для нагнетательной магистрали
;
-
для сливной магистрали
;
-
для всасывающей магистрали
.
3. Тормозное управление
3.1 Определение усилия на педали тормоза
Усилие на тормозной педали определяется по формуле:
(3.1)
где ηн – КПД привода, принимаем
;
iп = 3 – передаточное число педального привода;
= 22 мм - диаметр главного цилиндра;
- давление в тормозной системе;
, (3.2)
где
- радиус рабочего цилиндра.
Тормозные моменты соответственно на передней и задней оси определяются по формулам:
(3.3)
где Rz1,2 – нормальные реакции, действующие соответственно на передней и задней оси, Н;
φ – коэффициент сцепления.
Величины нормальных реакций при торможении определяются по формулам:
(3.4)
где ma – масса автомобиля, Н;
a, b, hg – координаты центра массы автомобиля, м;
L – база автомобиля, м.
Таким образом, получаем:
(H);
(Н);
(Нм);
(Нм).
Для передних тормозных механизмов (дисковые тормозные механизмы) тормозной момент Мт и коэффициент эффективности Кэ определяются зависимостями:
(3.5)
(3.6)
где
- коэффициент трения (расчетный
=0,35 )
rср = 0,105 м – средний радиус приложения силы Р к накладке.
Приводная сила на передних тормозных механизмах определяется из выражения:
, (3.7)
откуда:
(3.8)
(Н)
Для задних тормозных механизмов (барабанных с односторонним расположением опор и равными приводными силами
):
. (3.9)
где
– приводная сила на задней оси;
rб – радиус барабана, м;
μ – коэффициент трения;
h – расстояние от рабочего цилиндра до опоры, м;
a – расстояние от опоры до линии действия реакции, м;
- коэффициент касательных сил;
, (3.10)
где β – угол обхвата колодки, рад.
Приводная сила на задних тормозных механизмах определяется из выражения:
, (3.11)
Откуда
. (3.12)
Таким образом, получаем
(Н)
Давление в тормозной системе передних и задних тормозных механизмов соответственно:
(МПа),
(МПа),
Давление в тормозной системе передних тормозных механизмов больше чем в задних тормозных механизмов, следовательно, принимаем
Усилие на педали тормоза составит:
(Н)
Коэффициент эффективности тормозных сил задних тормозных механизмов рассчитывается по формуле:
. (3.13)
По формуле (3.13) вычисляем значения коэффициента эффективности торможения для различных значений коэффициента трения и по данным строим график зависимости
. Расчетные значения Kэ сводим в таблицу 3.1.
Таблица 3.1 – Значения коэффициента эффективности торможения для различных значений коэффициента трения
| μ | 0,1 | 0,2 | 0,3 | 0,4 | 0,5 | 0,6 |
| Кэ | 0,2 | 0,42 | 0,66 | 0,95 | 1,33 | 1,875 |
;
;
.















