148483 (692368)
Текст из файла
МИНИСТЕРСТВО ОБРАЗОВАНИЯ И НАУКИ
РОССИЙСКОЙ ФЕДЕРАЦИИ
____________________
МОСКОВСКИЙ ЭНЕРГЕТИЧЕСКИЙ ИНСТИТУТ
(Технический университет)
Кафедра Электротехнических Комплексов Автономных Объектов
Курсовой проект
Регулятор напряжения автомобильного синхронного генератора с когтеобразным ротором
Москва, 2010
СОДЕРЖАНИЕ
Техническое задание
ВВЕДЕНИЕ
Глава 1. ОБЩЕЕ ОПИСАНИЕ ЭМС И ПРИНЦИП ЕЕ ДЕЙСТВИЯ
1.1 Функциональные задачи, выполняемые ЭМС
1.2 Функциональная схема ЭМС
1.3 Принцип действия системы в целом. Характеристики системы
1.4 Основные технические данные рассматриваемой ЭМС
1.5 Описание элементов, входящих в состав ЭМС
1.5.1 Генераторная установка
1.5.2 Выпрямитель
1.5.3 Регулятор напряжения
Глава 2. КОМПЬЮТЕРНАЯ МОДЕЛЬ СХЕМЫ УПРАВЛЕНИЯ ТОКОМ ВОЗБУЖДЕНИЯ ГЕНЕРАТОРА
2.1 Описание компьютерной модели
2.2 Выбор элементной базы
2.2.1 Выбор вспомогательного транзистора Q1
2.2.2 Выбор силового транзистора M1
2.2.3 Выбор диода D1
ЗАКЛЮЧЕНИЕ
Список использованных источников
Техническое задание
Назначение электромеханической системы (ЭМС)
ЭМС предназначена для питания бортовых потребителей автомобилей постоянным током, напряжением 14 В, суммарной мощностью не более 1 кВт.
Тип электрической машины
Синхронный генератор со встроенным выпрямителем, независимым возбуждением, когтеобразной (клювообразной) конструкцией ротора.
Требуется:
– Составить структурную схему ЭМС. Дать краткое описание ЭМС в целом и её элементов (принцип действия, конструкцию, статические характеристики). Исходя из назначения ЭМС, руководствуясь соответствующим ГОСТ, определить условия её работы.
– Используя принципиальную схему электронного преобразователя (ЭП) описать его принцип действия, привести диаграммы процессов поясняющие его работу.
– Составить компьютерную модель ЭП.
– С помощью компьютерной модели провести необходимые, для выбора элементной базы ЭП расчёты токов, напряжений и выбрать подходящую элементную базу для его реализации. Рассчитать потери на полупроводниковых компонентах.
– Оценить массо – габаритные показатели и стоимость комплектующих ЭП. синхронный генератор когтеобразный ротор
ВВЕДЕНИЕ
Современный автомобиль невозможно представить себе без электрооборудования. Все потребители нуждаются в стабильном источнике постоянного тока, которым является генератор. Конечно, помимо генератора в автомобилях есть ещё один источник электроэнергии - аккумуляторная батарея, однако в её задачи входит только питание стартера в моменты пуска ДВС и кратковременное снабжение маломощных потребителей.
В данном расчётном задании рассматривается автомобильная система электроснабжения, в основе которой лежит синхронный генератор независимого возбуждения с когтеобразным (клювообразным) ротором. Генератор приводится в движение ременной передачей от коленчатого вала ДВС. В данный момент, это самая распространённая конструкция, применяемая на автомобилях.
Глава 1. ОБЩЕЕ ОПИСАНИЕ ЭМС И ПРИНЦИП ЕЕ ДЕЙСТВИЯ
1.1 Функциональные задачи, выполняемые ЭМС
Рассматриваемая электромеханическая система (ЭМС) – это автономная система электроснабжения постоянного тока на базе синхронного генератора с независимым возбуждением. Она предназначена для питания электрической энергией бортовых потребителей автомобиля общей мощностью 1 кВт, напря-жением 14 В постоянного тока. Выработку электроэнергии в данной системе осуществляет двигатель внутреннего сгорания (ДВС).
1.2 Функциональная схема ЭМС
Функциональная схема рассматриваемой ЭМС представлена на рис. 1
Рис. 1. Функциональная схема ЭМС
В состав приведённой на рис. 1 ЭМС входят следующие устройства:
-
двигатель внутреннего сгорания (ДВС);
-
генератор с электромагнитным возбуждением (Г);
-
выпрямитель (В);
-
нагрузка (Н);
-
датчик напряжения (ДН);
-
регулятор (Р).
1.3 Принцип действия системы в целом. Характеристики системы
Принцип действия электромеханической системы основан на преобразовании механической энергии в электрическую с заданным качеством. Рассмотрим его подробнее.
Генератор, приводимый в движение через ременную передачу от ДВС, вырабатывает электрическую энергию. Наводимая в обмотках генератора ЭДС описывается следующей формулой:
EГ=cnФОВ.
Из неё видно, что значение напряжения на выходе генератора прямо пропорционально частоте вращения ротора генератора и току в обмотке возбуждения. Так как обороты генератора нестабильны, а напряжение на нагрузке должно быть неизменным, в систему введён датчик напряжения и регулятор тока обмотки возбуждения. Как правило, датчик напряжения встроен в регулятор, такое устройство называют регулятором напряжения. Выпрямитель преобразует переменное напряжение выдаваемое генератором в постоянное. Это напряжение и подаётся на нагрузку. Любое отклонение напряжения на нагрузке система подавляет увеличивая или снижая ток в обмотке возбуждения генератора. Регулирование тока в обмотке возбуждения осуществляет силовой транзистор управляемый микроконтроллером по принципу ШИМ.
Главной особенностью рассматриваемой системы является то, что от привода (ДВС) не требуется постоянство частоты вращения. Величина напряжения на нагрузке может отклоняться на ±0,15 В от номинального значения (установлено техническими данными генератора).
Частота вращения вала генератора, при которой его напряжение U достигает номинального значения, получила название частоты вращения холостого хода nх или частоты начала отдачи мощности.
1.4 Основные технические данные рассматриваемой ЭМС
а) Параметры выходного напряжения: постоянное 14В. Номинальная мощность нагрузки – 1 кВт;
б) Условия эксплуатации:
-
температура окружающего воздуха от –40 С до +45 С при относительной влажности до 90% при 25 С;
-
высота над уровнем моря до 4000 м;
в) Максимальное отклонение напряжения при изменении тока нагрузки в пределах от 0,1Iн до 0,9Iн ±0,25 В;
г) Точность регулируемого напряжения ±0,1 В при изменении частоты вращения вала генератора в пределах 2000-5000 об/мин;
д) Регулируемое напряжение при отключённой аккумуляторной батарее при частоте вращения ротора генератора 7500 об/мин и токе нагрузки 5 А не превышает 17 В;
е) Диапазон рабочих температур регулятора -40…+120 С;
ж) Соблюдение требований ГОСТ Р 52230-2004.
1.5 Описание элементов, входящих в состав ЭМС
1.5.1 Генераторная установка
Генераторная установка (ГУ) состоит из ДВС и генератора.
Двигатель внутреннего сгорания (ДВС) – привод генератора, вырабатывает механическую энергию вращения вала. Частота вращения может быть переменной, в данной системе она никак не стабилизируется.
Генератор с электромагнитным возбуждение от регулятора напряжения на выходе даёт переменное электрическое напряжение, зависящее от частоты вращения вала двигателя и тока в обмотке возбуждения. Конструкция генератора представлена на рис.2.
Рис. 2. Конструкция генератора.
Принцип действия генератора: обмотка возбуждения, создаёт постоянный однонаправленный магнитный поток, изменяющий свою величину по мере необходимости. Благодаря когтеобразной (клювообразной) конструкции ротора, на нём возникает неподвижное магнитное поле переменной полярности (см. рис. 1). Когда ДВС приводит во вращение ротор генератора, магнитное поле начинает вращаться относительно неподвижной обмотки статора и наводить в ней переменную ЭДС (
). Если на статоре уложена симметричная трёхфазная обмотка (магнитные оси фаз сдвинуты в пространстве на 120 электрических градусов, а электрические сопротивления и числа витков фаз одинаковы), то в этой обмотке индуцируется симметричная система ЭДС. Если к трёхфазной обмотке якоря подключить симметричное внешнее сопротивление, то по этой обмотке будет протекать симметричная система токов.
Характеристики генератора.
– внешняя характеристика n, IОВ=const:
Уменьшение напряжения U генератора с ростом нагрузки вызвано размагничивающим действием реакции якоря и возрастанием падения напряжения в фазах обмотки якоря.
– скоростная характеристика IН, IОВ=const:
– токоскоростная харктеристика:
– регулировочная характеристика:
Достоинства такого генератора:
– простота конструкции;
– высокая удельная мощность;
– простота технического обслуживания;
– малый уровень шума;
– незначительные радиопомехи;
– значительный ресурс.
Недостатки:
– наличие щёточного узла;
– невозможно самовозбуждение, необходим первичный источник напря-жения (АКБ).
1.5.2 Выпрямитель
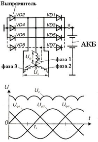
В данной ЭМС используется трёхфазный мостовой выпрямитель, так как именно такая конструкция позволяет обеспечить минимальный уровень пульсаций выходного напряжения. Схема реализуется на диодах.
Назначение выпрямителя – преобразовать трёхфазное переменное напряжение в постоянное. В современных генераторах уже имеется встроенный выпрямитель.
Схема выпрямителя представлена на рис. 3.
Принцип действия.
Рассмотрим работу схемы рис. 4 на активную нагрузку. С момента времени 1 ток проводят диоды VD1 и VD6, а остальные диоды находятся в непроводящем состоянии. Тогда к нагрузке приложено линейное напряжение uab, и выпрямленный ток Id протекает по контуру: обмотка фазы А – диод VD1 – нагрузка Rd – диод VD6 – обмотка фазы В. Этот процесс продолжается до момента времени 2. Начиная с этого момента времени напряжение ubc становится положительным, т.е. прямым для диода VD2 – он начинает проводить ток, а диод VD6 закроется. В момент времени 3 в работу вступает диод VD3, а диод VD1 закрывается, т.к. напряжение фазы В становится выше напряжения фазы А.
Далее через интервалы времени, равные /3, происходят включения следующих пар диодов: VD2-VD4, VD3-VD5, VD5-VD1. Таким образом, длительность прохождения тока через каждый диод составляет 2/3, а остальное время он закрыт.
Поочерёдная работа пар диодов в схеме приводит к появлению на сопротивлении нагрузки Rd выпрямленного напряжения, состоящего из частей линейных напряжений, приходящих на вход выпрямителя.
Рис.3.
Диаграммы токов и напряжение рассматриваемой трёхфазной мостовой схемы выпрямления приведены на рис. 4.
Рис. 4. Диаграммы напряжений и токов выпрямителя
1.5.3 Регулятор напряжения
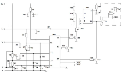
В данной системе используется регулятор на основе микроконтроллера, управляющего силовым транзистором по принципу ШИМ. Принципиальная схема управления показана на рис. 5.
Рис. 5. Принципиальная схема управления током обмотки возбуждения.
Как видно из схемы, на вход регулятора подаётся выпрямленное напряжение Ud с блока диодов. Затем снизившись до необходимого уровня на делителе напряжений R12-R14 поступает на вход микроконтроллера DA2, который сравнивает его с заданным уровнем. Конденсатор С7 отвечает за продолжительность периодов ШИМ, а С8 вкупе с резистором R16 – за стабильность питания микроконтроллера. Свой сигнал на включение обмотки возбуждения (ОВ) микроконтроллер создаёт путём подачи управляющего тока базы вспомогательного транзистора VT4, в следствии чего, потенциал затвора силового транзистора IRF1 становится меньше потенциала истока, и он открывается. Время открытого состояния IRF1 зависит от скорости вращения ротора генератора и подключённой нагрузки. Дабы уберечь силовой транзистор в момент закрытия от перенапряжения из-за ЭДС самоиндукции обмотки возбуждения, установлен обратный диод VD7.
Глава 2. КОМПЬЮТЕРНАЯ МОДЕЛЬ СХЕМЫ УПРАВЛЕНИЯ ТОКОМ ВОЗБУЖДЕНИЯ ГЕНЕРАТОРА
2.1 Описание компьютерной модели
На рис. 6 изображена модель схемы управления током обмотки возбуждения. Вместо ШИМ контроллера DA2 установлен генератор импульсов V2, который создаёт периодические сигналы на открытие вспомогательного транзистора Q1, вследствие чего открывается силовой транзистор M1, замыкающий вывод обмотки возбуждения L1 на «массу». R3 – имитация сопротивления обмотки возбуждения. V1 – это источник постоянного напряжения 14 В, питающий обмотку возбуждения.
Характеристики
Тип файла документ
Документы такого типа открываются такими программами, как Microsoft Office Word на компьютерах Windows, Apple Pages на компьютерах Mac, Open Office - бесплатная альтернатива на различных платформах, в том числе Linux. Наиболее простым и современным решением будут Google документы, так как открываются онлайн без скачивания прямо в браузере на любой платформе. Существуют российские качественные аналоги, например от Яндекса.
Будьте внимательны на мобильных устройствах, так как там используются упрощённый функционал даже в официальном приложении от Microsoft, поэтому для просмотра скачивайте PDF-версию. А если нужно редактировать файл, то используйте оригинальный файл.
Файлы такого типа обычно разбиты на страницы, а текст может быть форматированным (жирный, курсив, выбор шрифта, таблицы и т.п.), а также в него можно добавлять изображения. Формат идеально подходит для рефератов, докладов и РПЗ курсовых проектов, которые необходимо распечатать. Кстати перед печатью также сохраняйте файл в PDF, так как принтер может начудить со шрифтами.
















