126275 (690989)
Текст из файла
Размещено на http://www.allbest.ru/
Зміст
1. Розвиток енергетики в Україні
2. Теоретична частина
2.1 Амперметри, міліамперметри, мікроамперметри і гальванометри
2.2 Вольтметри й мілівольтметри
2.3 Амперметри і вольтметри для кіл підвищеної частоти
2.4 Цифрові вольтметри
3. Механічна частина
3.1 Вимірювання струму
3.2 Вимірювання напруги
4. Техніка безпеки
4.1 Основні заходи безпеки під час роботи з електрообладнанням
4.2 Індивідуальні засоби захисту
4.3 Перша допомога потерпілому від електричного струму
Література
1. Розвиток енергетики в Україні
Енергетика — одна з найпотужніших галузей народного господарства України. За розвитком енергетики визначають стан розвитку країни в цілому. Електроенергія сьогодні виробляється на електростанціях різного типу. В Україні працюють теплові, гідро, атомні, вітрові та іншого типу електростанції.
Найбільші теплові електростанції розміщені в Донбасі. Серед них найпотужнішими є Луганська, Миронівська, Старобишівська (по 2,4 млн. кВт кожна), Слов'янська (2,1 млн. кВт), Вуглегірська (3,6 млн. кВт), Курахівська і Штерівська. Тут діє потужна лінія електропередачі Донбас — захід України.
У Придніпров'ї, незважаючи на дещо іншу сировинну базу і наявність гідроресурсів, виробництво електроенергії на теплових електростанціях також переважає. Тут працюють Криворізька ДРЕС (3 млн. кВт), Придніпровська (2,4 млн. кВт) та Запорізька (3,6 млн. кВт). В Енергодарі розміщена Запорізька АЕС. Крім цього енергетичний потенціал Придніпров'я доповнюють три ГЕС на Дніпрі: Дніпровська (538 тис. кВт), Дніпродзержинська (352 тис. кВт) та Кременчуцька (625 тис. кВт).
Потужні електростанції різного типу розміщені поблизу Києва — Трипільська ДРЕС (1,8 млн. кВт), Київська ГЕС (361,2 тис. кВт), Київська ГЕС (225 тис. кВт).
Новий енергетичний район сформовано в західній частині України на базі теплових та автономних електростанцій. Серед них Добротвірська ДРЕС (700 тис. кВт), Бурштинська ДРЕС (2,4 млн. кВт), Рівненська АЕС, Хмельницька АЕС та Дністровська ГЕС (702 тис. кВт).
Південні райони країни найгірше забезпечені електроенергією власного виробництва. З великих електростанцій тут є Південноукраїнська АЕС (4 млн. кВт), Ладижинська ДРЕС (1,8 млн. кВт). Загроза забруднення довкілля стала причиною відмови від введення в експлуатацію фактично збудованої Кримської АЕС та припинення спорудження Одеської атомної теплоелектростанції (АТЕЦ). Тут планується будівництво електростанцій, що використовують енергію вітру, Сонця і термальних підземних вод.
На території України розташовані атомні електростанції (Хмельницька, Південноукраїнська, Запорізька та Рівненська) сумарною потужністю 13 млн. кВт.
Атомна енергетика пропонує екологічно найчистішу технологію виробництва електроенергії. Перевагою АЕС є також стабільність режиму їх роботи. Увімкнена в мережу атомна електростанція дає сталий потік електроенергії.
Зараз електроенергії необхідно все більше і більше, але запаси природного газу, вугілля, нафти обмежені, атомні електростанції недосконалі і їх робота загрожує довкіллю.
Вихід вбачається у використанні нетрадиційних або просто забутих видів енергії — сонячної, вітрової, океанічної, геотермальної. Найбільше енергії може дати сонячне випромінювання. Без шкоди для біосфери можна використати близько 3% сонячного випромінювання, що надходить до Землі. Це дасть енергію потужністю 1000 млрд. кіловат, що у 100 разів перевищує сучасну потужність виробництва енергії в світі. У Криму, поблизу селища Щолкіно, споруджується перша в країні дослідно-промислова геліостанція. Першу вітроенергетичну станцію (ВЕС) потужністю 100 кВт в Україні та й у світі було збудовано в 1931 році поблизу Севастополя. У 1994 р. почала діяти Донузлавська ВЕС, Новоозерна ВЕС, та було розпочато будівництво ВЕС потужністю 500 МВт на сході Кримського півострова. В Україні також створюються вітроенергетичні установки (ВЕУ) потужністю 2000 кВт, які могли б підключитися до енергосистеми.
Серед нетрадиційних видів енергії можливе використання біомаси і створення на її основі біогазу. З'явилися і методи вирощування рослин, які дають нафту.
Нині загальний технічний стан електроенергетики України незадовільний. Це пов'язано з тим, що тривалий час не проводилася модернізація енергетичного господарства.
За рівнем енергоспоживання на одну людину (понад 5 тис. кВт годин на рік) Україна належить до країн, що мають середні показники. Одним з провідних чинників, що обмежує розвиток енергетики в Україні, є екологічний. Викиди становлять 30% всіх твердих часток, що надходять в атмосферу внаслідок господарської діяльності людини. За цим показником електростанції зрівнялися з підприємствами металургії та іншими галузями промисловості. Крім цього енергетика викидає до 63% сірчаного ангідриду і понад 53% оксидів азоту, що надходять в повітря від стаціонарних джерел забруднення.
Щоб зменшити викиди в атмосферу шкідливих речовин, необхідно дотримуватись таких заходів:
-
економити електричну і теплову енергію у всіх сферах діяльності;
-
збільшувати частку природного газу на ТЕС за рахунок зменшення його перевитрат у металургії та інших галузях промисловості;
-
підвищувати ефективність використання різних видів пального;
-
впроваджувати ефективні й економічно виправдані очисні споруди;
-
удосконалювати структуру промисловості.
Негативний екологічний вплив має гідроенергетика, оскільки затоплюються великі площі, підвищується рівень ґрунтових вод навколишньої місцевості, змінюються умови життя водної флори і фауни, в рукотворних морях накопичуються шкідливі відходи і радіонукліди. Якщо врахувати ціну землі, затопленої водосховищем, вартість переселення людей і будівництва на новому місці, то вони абсолютно не співрозмірні з вартістю виробленої електроенергії.
Важливою для України є безпека роботи атомних станцій. Катастрофа на Чорнобильській АЕС перетворила державу на зону екологічної катастрофи. В навколишнє середовище було викинуто близько 1 млрд. Кюрі різних радіонуклідів, забрудненими виявилися цілі області України.
Електричну енергію на електростанціях виробляють генератори, що обертаються паровими машинами, турбінами, двигунами внутрішнього порання. Електричний струм, що виробляється генераторами має частоту 50 Гц. Електростанції переважно будують біля джерел енергоресурсів, оскільки дешевше будувати лінії електропередач і таким чином передавати енергію до споживача. Отже, при побудові електростанцій потрібно враховувати такі фактори:
-
вартість енергоресурсів;
-
будівництво споруд;
-
вартість обладнання;
-
екологію;
-
соціальні аспекти;
-
питання безпеки.
2. Теоретична частина
2.1 Амперметри, міліамперметри, мікроамперметри і гальванометри
Амперметри — це прилади для вимірювання електричних струмів. Залежно від величини вимірюваного струму можуть бути дещо відмінними і їхні назви: міліамперметр, мікроамперметр.
Міліамперметр має границю вимірювань струму меншу, ніж один ампер, а мікроамперметр — навіть меншу за один міліампер.
Деякі прилади використовують і для вимірювання значних струмів — кілоамперметри. Слід зауважити, що у міліамперметрів і мікроамперметрів вимірювані струми справді протікають безпосередньо через прилади: у амперметрів — на значні струми, а у кілоамперметрів струм, що позначений на них, ніколи не протікає через коло приладу.
Для вимірювань цими приладами необхідне обладнання, яке б нормовано зменшувало вимірюваний струм до величини, прийнятної для самого вимірювального приладу. При вимірюванні змінного струму — це вимірювальні трансформатори струму, при вимірюванні постійного — це вимірювальні шунти.
Для вимірювання струму використовують також і гальванометри. Це високочутливі електровимірювальні прилади, призначені для вимірювання струмів дуже малої величини — десь від кількох мікроампер до 10-11 А.
Але основне призначення гальванометрів є все ж не вимірювання, а визначення режиму відсутності струму при нульових (зрівноважувальних) методах вимірювань у потенціометричних і мостових схемах.
Амперметри можуть бути виконані на основі вимірювальних механізмів:
-
електромагнітної (найпростіші);
-
магнітоелектричної;
-
електродинамічної;
-
феродинамічної або теплової систем.
Електромагнітні, електродинамічні, феродинамічні та теплові амперметри здатні вимірювати постійні та змінні струми. Магнітоелектричні ж амперметри використовують для вимірювання постійного струму. Для вимірювань на змінному струмі ці прилади використовують з напівпровідниковими випрямлячами, але клас точності вимірювань при цьому відносно невисокий (2,5...4,0).
Амперметр електромагнітної системи — це найпростіший і найнадійніший прилад, що може працювати як у колах постійного, так і змінного струму. Струмопровідною у нього є лише обмотка нерухомої котушки, що приєднана до затискачів приладу.
Рис. 1. Схема двограничного електромагнітного амперметра
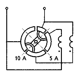
Переносні електромагнітні амперметри у більшості випадків виконують на дві границі вимірювання. Це досягається відносно простим способом — намоткою котушки двома паралельними проводами і вмиканням цих двох секцій обмотки послідовно для вимірювання меншого струму і, паралельно, для вимірювання більшого струму. Границі вимірювання перемикають перемикачами. Схему амперметра з двома границями вимірювання на номінальні струми 5 і 10 А зображено на рис. 1.
Для розширення границь вимірювання, електромагнітні амперметри ніколи не використовують з шунтами, але ними часто користуються з трансформаторами струму.
Магнітоелектричні амперметри значно складніші й дорожчі за електромагнітні. У них обмотки рамок, що створюють обертовий момент у приладах, розраховані на струми лише у десятки — сотні міліампер, через наявність підводу до них струму через пружини, що мають дуже малу площу поперечного перерізу і нездатні пропускати більш значний струм.
Тому ці прилади завжди мають внутрішній шунт, що пропускає через себе більшу частину струму. Коло ж рамки вимірювального механізму тут використано як мілівольтметр, що вимірює падіння напруги на цьому шунті, пропорційне величині струму, який проходить через шунт. Шкалу такого приладу градуюють у амперах, якщо прилад має одну границю виміру. Але часто магнітоелектричні амперметри виготовляють з універсальними шунтами, придатними для користування з декількома границями вимірів. У цьому разі шкалу градуюють лише неіменованими поділками. Схему такого амперметра наведено на рис. 2.
Рис. 2. Схема магнітоелектричного амперметра
У всіх магнітоелектричних амперметрах, послідовно з обмоткою рамки, ввімкнено резистор, виконаний з манганіну. Це суттєво зменшує похибку приладу, спричинену нагрівом обмотки рамки як протіканням власного струму, так і зміною температури довкілля.
Електродинамічні амперметри в основному використовують як зразкові електровимірювальні прилади. Виготовляють їх на основі електродинамічного вимірювального механізму. Вони однаково придатні як для вимірів на постійному, так і на змінному струмі. Ці прилади за будовою значно складніші за електромагнітні й споживають більшу потужність. Будову електродинамічного вимірювального механізму зображено на рис. 3, о принципову схему електродинамічного амперметра, розрахованого на дві границі вимірювання струму, на рис. 4.
Рис. 3. Вимірювальний механізм електродинамічної системи
Характеристики
Тип файла документ
Документы такого типа открываются такими программами, как Microsoft Office Word на компьютерах Windows, Apple Pages на компьютерах Mac, Open Office - бесплатная альтернатива на различных платформах, в том числе Linux. Наиболее простым и современным решением будут Google документы, так как открываются онлайн без скачивания прямо в браузере на любой платформе. Существуют российские качественные аналоги, например от Яндекса.
Будьте внимательны на мобильных устройствах, так как там используются упрощённый функционал даже в официальном приложении от Microsoft, поэтому для просмотра скачивайте PDF-версию. А если нужно редактировать файл, то используйте оригинальный файл.
Файлы такого типа обычно разбиты на страницы, а текст может быть форматированным (жирный, курсив, выбор шрифта, таблицы и т.п.), а также в него можно добавлять изображения. Формат идеально подходит для рефератов, докладов и РПЗ курсовых проектов, которые необходимо распечатать. Кстати перед печатью также сохраняйте файл в PDF, так как принтер может начудить со шрифтами.
















