126250 (690981)
Текст из файла
Размещено на http://www.allbest.ru/
ФЕДЕРАЛЬНОЕ АГЕНТСТВО ПО ОБРАЗОВАНИЮ
Федеральное государственное образовательное учреждение среднего профессионального образования
«Омский химико-механический колледж»
Специальность: 220301 Автоматизация технологических процессов и производств
Курсовая работа
по автоматическому управлению
Тема: Проектирование принципиальной схемы стенда для исследования свойств позиционного регулятора
студент Колесников Константин Андреевич
группы А- 317
Руководитель Григорьева Л.В.
СОДЕРЖАНИЕ
Введение
1. Исследование свойств объекта проектирования
2. Проектирование принципиальной схемы стенда
3. Методика выполнения лабораторной работы
4. Расчет надежности проектируемого стенда
Вывод
Литература и нормативно- техническая документация
ВВЕДЕНИЕ
Позиционные регуляторы предназначены для позиционного регулирования, а также они могут применяться в качестве сигнализации крайних значений регулирующего параметра. Регулирующий параметр может быть любым (температура, давление, расход и т.д.)
Позиционные регуляторы реализуют принцип «включено-выключено»
Позиционные регуляторы не сложны по конструкции, надёжны в работе, просты в обслуживании и настройке.
Их применяют на инерционных объектах с малым запаздыванием. Примеры позиционных регуляторов: ПР 1.5; КВД 1; ПР 1.6-М1; Х-2; МРЩПр-54
Внедрение автоматических устройств в нефти – химическое производство ведет к сокращению брака и отходов, уменьшению затрат сырья и энергии, также ведет к повышению производительности труда, улучшению качества выпускаемой продукции.
1. ИСЛЕДОВАНИЕ СВОЙСТВ ОБЪЕКТА ПРОЕКТИРОВАНИЯ
Позиционный регулятор - такой автоматический регулятор, у которого регулирующий орган может занимать ограниченное число определённых положений. Позиционные (Пз) регуляторы относятся к группе регуляторов прерывистого действия. Чаще всего применяются двух- или трёхпозиционные регуляторы.
Классификация:
1) По виду регулируемого параметра:
- давления
- уровня
- расхода
2) По режиму работы:
- непрерывного действия
- прерывистого действия
3) По конструкции:
- приборные
- аппаратные
- агрегатные
4) По способу действия:
- прямого действия
- косвенного действия
5) По виду используемой энергии:
- электрические
- пневматические
- гидравлические
- комбинированные
6) По закону:
- пропорциональные ( П )
- интегральные ( И )
- пропорционально- интегральные ( ПИ)
- пропорционально- дифференциальные ( ПД )
- пропорционально- интегрально- дифференциальные ( ПИД )
Рассмотрим несколько примеров позиционных регуляторов:
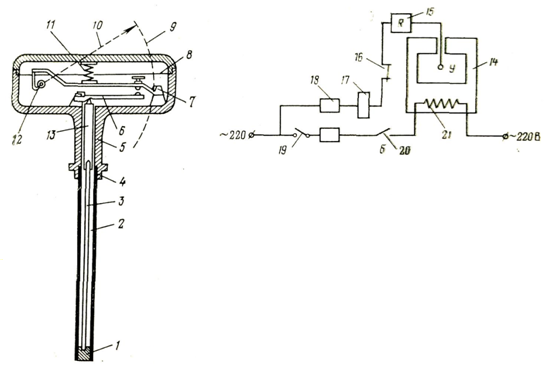
Рис. 1 Схема трехпозиционного регулятора МРЩПр-54
Регуляторы МРЩПр-54 предназначены для позиционного регулирования и сигнализации предельных значений температуры и подразделяются на двух- и трехпозиционные.
Регулятор состоит из измерительной части 1, двух электронных управляющих устройств 2 и 3, выполняемых на лампах Л1 и Л2, трех электромагнитных реле Р, Р1 и Р2 с контактами и исполнительного механизма ИМ.
Измерительной частью прибора является магнитоэлектрический милливольтметр с присоединенной к нему термопарой, установленной в объекте регулирования.
Каждое из управляющих устройств представляет собой одноламповый генератор высокой частоты. Катушки индуктивности Lн1 и Lн2 сеточных контуров генераторов расположены за шкалой прибора на подвижных кронштейнах и могут устанавливаться вручную во всем диапазоне шкалы около заданного значения температуры. Положение катушек можно определить при помощи двух стрелок индексов, вынесенных на шкалу прибора. Взаимное расположение катушек и флажка-экрана таково, что при повороте рамки милливольтметра флажок входит в зазор одной из катушек. Действие управляющих устройств основано на изменении индуктивности катушек Lк1 и Lк2 сеточных контуров. Параметры управляющих устройств подобраны таким образом, что последние могут находиться в двух состояниях: генерации колебаний высокой частоты, когда в зазоре катушки находится флажок-экран, и срыва генерации, когда флажок вне зазора. В первом случае ток на выходе управляющего устройства равен 5 ма. Во втором случае сила тока повышается до 25 ма.
Выходной ток управляющих устройств поступает в катушки электромагнитных реле Р, Р1 и Р2, которые составляют релейный блок прибора. Каждое реле снабжено парой ртутных контактов (К, К1 и К2). Кроме того, реле Р2 имеет два нормально замкнутых контакта а1 и а2, а реле Р1г — один контакт b.
Контакты К1 и К2 управляют электромоторным исполнительным механизмом, а контакт К включает сигнальную лампу при нормаль-лом значении регулируемой температуры.
Регулятор работает следующим образом. При низкой температуре в объекте флажок-экран находится вне зазоров катушек Lк1 и Lк2. Сила тока на выходе управляющих устройств — 25 ма. Возбуждены включенные последовательно катушки реле Р% и Р. Нормально разомкнутый ртутный контакт К2 замкнут, привод исполнительного механизма срабатывает на увеличение подачи греющего агента в объект регулирования. Нормально замкнутый ртутный контакт К — разомкнут. Нормально замкнутые контакты а1 и а2 разомкнуты. Катушка реле Р1 обесточена вследствие размыкания контакта а2, и ртутный контакт Кг разомкнут.
При повышении температуры и повороте стрелки милливольтметра флажок войдет в зазор катушки Lк2. Управляющее устройство правой части схемы будет работать, как генератор высокой частоты, и сила тока на его выходе снизится до 5 ма. Но это изменение состояния управляющего устройства не вызовет никаких изменений в состоянии релейного блока, так как управляемый реле Р2 контакт а2 остается разомкнутым, а катушка реле Р1 обесточенной.
При достижении температурой заданного значения флажок войдет в зазоры обеих катушек Lк1 и Lк2. Оба управляющих устройства самовозбуждаются и их выходные токи уменьшаются до 5 ма. Сердечники электромагнитов Р и Р2 отпустят поворотные якоря. Ртутный контакт К 2 разомкнется, а контакт К замкнется. Замкнутся также и контакты а1 и а2- Сигнальная лампа загорается, оповещая о том, что температура нормальная.
При дальнейшем подъеме температуры флажок-экран выйдет из зазора катушки LК2, но останется в зазоре LКг В управляющем устройстве 2 произойдет срыв генерации и увеличение выходного тока до 25 ма, в то время как в управляющем устройстве 3 по-прежнему будут генерироваться колебания высокой частоты и выходной ток будет иметь силу около 5 ма. Катушка реле Р1 окажется возбужденной, а ртутный контакт К г замкнутым. Электромоторный привод сработает на уменьшение подачи греющего агента в объект регулирования. Одновременно с замыканием контакта Кг произойдет размыкание контакта b, шунтирующего катушку реле Р, которая оказывается соединенной последовательно с катушкой реле Р1, и ртутный контакт К разомкнется. Сигнальная лампа, показывающая нормальную температуру, погаснет.
Возможность выхода флажка из катушки в направлении повышения температуры исключена благодаря специальному ограничителю хода стрелки милливольтметра. [1, с333]
Рис. 2 Двухпозиционный регулятор: дилатометрический термометр с контактной системой
1, а). Термометр состоит из трубки 2, изготовленной из металла с большим коэффициентом линейного расширения (медь, латунь, алюминий, сталь) и стержня 3, изготовленного из материала с малым коэффициентом линейного расширения (кварц, фарфор, инвар). Стержень 3 опирается на пробку в трубке 2, которая ввернута в головку 5. В последней помещен рычажный передаточный механизм 6, 7, 8 и 12, снабженный электрическими контактами. Термометр при помощи ниппеля 4 ввинчивается в бобышку, укрепленную в нагревательной печи 14
Вместе с ним перемещаются вниз концы рычагов 6 и 7. Движение далее передается стрелке 10, которая указывает на шкале 9 температуру в градусах.
При перемещении рычага 7 вниз контакт между ним и рычагом 8 контакта 16 на рис. 10.1,6 размыкается. При этом обесточивается катушка 17 контактора, что обеспечивает размыкание контакта 20 и отключение нагревателя 21. При понижении температуры в печи трубка 2 укорачивается, что вызывает замыкание контактов между рычагами 7 и 8 и в конечном итоге включение электронагревателя 21 печи 14 (рис. 10.1,6).
Установка заданного значения регулируемой величины (температуры) производится изменением жесткости пружины 11.
В реальных двухпозиционных регуляторах изменение выходного сигнала от минимального до максимального значения и наоборот происходит при различных значениях входной величины. Разность между значениями входной величины в моменты изменения выходного сигнала называют зоной нечувствительности регулятора. Минимальная величина зоны нечувствительности зависит от зазоров и сил трения, а также обусловлена необходимостью создания определенных усилий для размыкания электрических контактов. [2, с175]
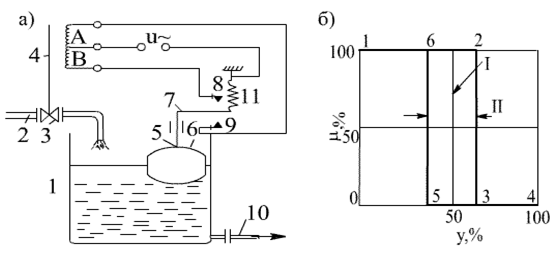
Рис. 3. Принципиальная схема (а) и статическая характеристика (б) Пз регулятора уровня
Принцип действия Пз регулятора следующий. Например, в объекте управления – бак 1 по трубе 2 подается жидкость, а по трубе 10 она расходуется потребителем (рис.3, а).
Чувствительный элемент регулятора – поплавок 6 измеряет уровень в баке; текущее значение уровня определяется положением штока 5 и жестко с ним соединенного рычага – контакта 7, который через пружину 11 соединен с источником питания напряжением U. Заданные значения верхнего и нижнего уровней определяются положением передвижных упоров – контактов 8 и 9, устанавливаемых вручную.
При подъеме уровня выше заданного контакта 7 замкнется с контактом 8 и под напряжением окажется обмотка Б тягового электромагнита, благодаря чему сердечник 4 мгновенно переместится вверх, что приведут к закрытию регулирующего органа 3 (клапана). При понижении уровня ниже заданного контакт 7 замкнется с контактом 9, под напряжением окажется обмотка А тягового электромагнита, якорь 4 переместится вниз, что приведет к открытию регулирующего органа. Приведенная схема является примером двухпозиционного регулирования.
Уравнения регулятора:
m=0 при Dy> 0 и m =1 при D y< 0.
Из статической характеристики двухпозиционного регулятора (рис.3,б) видно, что повышение уровня в баке соответствует перемещению по точкам 1,2,3,4; точки 2 и 3 соответствуют мгновенному перемещению регулирующего органа из положения “открыто” в положение “закрыто”, когда замкнутся контакты 7 и 8. Понижение уровня соответствует перемещению по точкам 4,5,6,1 статической характеристики. [3, с237]
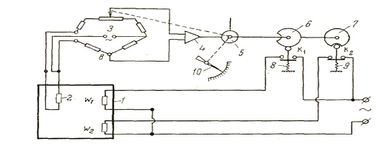
Рис. 4 Схема двухпозиционного регулятора температуры
Объект регулирования 1 представляет собой сушильную камеру с электрообогревом, причем система обогрева устроена так, что, если температура станет ниже допустимой, то должна включаться обмотка обогрева w1 большой мощности, а если температура стала выше допустимой, то вместо обмотки w1 должна включиться обмотка обогрева w2 малой мощности, вследствие чего резкого снижения температуры не произойдет.
В качестве чувствительного элемента применяется электрический термометр сопротивления 2 который подключен к электронному автоматическому мосту 3 по трехпроводной схеме. Если температура в сушильной камере изменится, изменится сопротивление термометра и в диагонали a—b моста появится сигнал небаланса. Усиленный электронным усилителем 4 сигнал приводит во вращение ротор реверсивного двигателя 5; направление вращения зависит от знака небаланса, т. е. от того, повысилась или понизилась температура. С ротором реверсивного двигателя кинематически связаны диски б и 7, положение которых зависит от угла поворота ротора, а следовательно, от положения движка а реохорда и показывающей стрелки 10 моста. К профилю дисков с помощью пружин 8 и 9 прижаты ролики направляющих контактов k1 и k2.
Диски 6 и 7 имеют вид профилированных кулачков со впадинами. При их вращении контактная группа k1 замкнута в интервале показаний прибора от начала шкалы до впадины диска 6 и разомкнута в интервале от впадины до максимума шкалы. Контактная группа k2, наоборот, разомкнута в интервале показаний прибора от начала шкалы до впадины диска 7 и замкнута в интервале от впадины до максимума шкалы.
Настройка регулятора на заданное значение температуры в сушильной камере осуществляется вручную установкой впадины диска 6 на нижний предел регулирования, а впадины диска 7 на верхний предел регулирования (для этого диски снабжены специальной шкалой). [4, с223]
Характеристики
Тип файла документ
Документы такого типа открываются такими программами, как Microsoft Office Word на компьютерах Windows, Apple Pages на компьютерах Mac, Open Office - бесплатная альтернатива на различных платформах, в том числе Linux. Наиболее простым и современным решением будут Google документы, так как открываются онлайн без скачивания прямо в браузере на любой платформе. Существуют российские качественные аналоги, например от Яндекса.
Будьте внимательны на мобильных устройствах, так как там используются упрощённый функционал даже в официальном приложении от Microsoft, поэтому для просмотра скачивайте PDF-версию. А если нужно редактировать файл, то используйте оригинальный файл.
Файлы такого типа обычно разбиты на страницы, а текст может быть форматированным (жирный, курсив, выбор шрифта, таблицы и т.п.), а также в него можно добавлять изображения. Формат идеально подходит для рефератов, докладов и РПЗ курсовых проектов, которые необходимо распечатать. Кстати перед печатью также сохраняйте файл в PDF, так как принтер может начудить со шрифтами.















