125632 (690618), страница 2
Текст из файла (страница 2)
В промышленности применяют еще ряд установок, использующих другие регуляторы, но они также имеют недостатки в схеме или конструкции.
В результате всесторонних исследовании применяемых систем для автоматического регулирования тепловлажностной обработки железобетонных изделий установлено, что наиболее надежными и качественными являются системы на базе регуляторов ПРТЭ-2М и ЭРП.
Ниже рассматриваются лишь основные системы автоматизации кассетных установок, применяющиеся в производстве сборного железобетона.
Кассетная форма образуется из двух крайних и ряда промежуточных разделительных вертикальных щитов, расставленных друг от друга на определенном расстоянии, равном толщине формируемых панелей, и из бортовой оснастки для превращения отсека в форму, открытую сверху. Два крайних и ряд промежуточных отсеков, в которых циркулирует теплоноситель (пар),, являются тепловыми.
Система авторегулирования, которая обеспечивает автоматическое управление процессом тепловой обработки изделий в кассетных установках, основана на управлении временным циклом обработки с периодическим контролем температур. Регулируемым параметром при этом является температура пара, подаваемого в неподвижную паровую рубашку каждой кассетной установки. Общая продолжительность регулирования по указанному режиму составляет 25% всего времени цикла. Постоянная подача пара в кассету вызывает перегрев полости кассеты и значительное увеличение расхода пара. В этой системе не предусмотрена блокировка на случай падения давления в сети пароснабжения, а также проверка температуры объекта в конце цикла пропаривання с целью устранения возможности выпуска недостаточно пропаренных изделий.
В рассматриваемой системе в качестве регулируемого параметра использовалась температура пара в паровой рубашке, что в малой степени определяет характер распределения температур по объему изделий и не может обеспечивать стабильного режима обработки, предусматриваемого технологическим процессом. Отсутствие температурной блокировки в процессе изотермической выдержки может привести, с одной стороны, к недопустимому перегреву изделий, с другой — к значительному перерасходу пара. Отсутствие период» охлаждения приводит к тому, что распалубка изделий производится при температуре бетона, близкой к 100° С, что неизбежно приведет, при отсутствии специальных теплых складов или камер дозревания, к появлению трещин ввиду резких температурных перепадов.
В описанной ниже системе автоматического регулирования режима тепловлажностной обработки изделий в кассетных установках предусматривается регулирование процесса по температуре бетона в одной из секций.
При окончании процесса формования бригадир или мастер смены при помощи кнопки, находящейся на щите управления кассетами или общем пульте, подает напряжение в цепь моторного исполнительного механизма, который открывает подачу пара в кассету. Пар, поступая в кассету, начинает вытеснять из нее воздух, и при достижении через воздушный клапан определенной величины срабатывает манометрический термометр. При этом исполнительный механизм закрывает воздушный клапан, и кассета начинает работать под заданным давлением. Когда температура в изделии достигает заданной величины, установленный в нем в качестве датчика термометр сопротивления подаст сигнал на малогабаритный электронный автоматический самопишущий и регулирующий мост, который поддерживает температуру изделия в пределах заданного интервала температур, включая или выключая подачу пара в кассету посредством исполнительного механизма. Основным недостатком рассматриваемой системы является отсутствие регулирования подъема температуры и регулирования процесса по температуре бетона в одной из секций установки, что неприемлемо ввиду значительного разброса температур по объемам изделий. Кроме того, установка датчиков в тело изделий нежелательна с конструктивной точки зрения в связи с перемещением секций при распалубке, а также возможности схватывания бетона с металлическим чехлом датчика.
Регулирование процесса тепловлажностной обработки железобетонных изделий в кассетных установках таким образом неприемлемо вследствие того, что значителен перепад температур по объему изделия и нестабилен температурный режим, а также по ряду конструктивных соображений (необходимость перемещения датчика с секцией кассеты, возможность схватывания датчика бетоном и т. д.) и неэффективно, так как распределение температур по секциям паровых рубашек неравномерно и отсутствует прямая зависимость между температурой пара, поступающего в рубашки, и температурой изделия.
В результате исследований, проведенных на опытных кассетных установках, было выяснено, что наиболее полное представление о средней температуре изделия может быть получено путем измерения температуры конденсата, отводимого из паровых рубашек кассет в бак сбора конденсата, так как его температура (а конденсат стекает в обратную трубу из различных полостей паровых рубашек) характеризует среднюю теплоотдачу пара во всех секциях данной кассетной установки, что определяет усредненную температуру пропариваемых изделий.
Стабильность регулирования тепловой обработки системами автоматизации, использующими в качестве регулируемого параметра температуру конденсата, подтвердила правильность сделанного выбора. Вместе с тем, использование температуры конденсата в качестве регулируемого параметра вызывает необходимость устранения влияния на нее ряда внешних факторов, не связанных с ходом тепловой обработки в данной кассетной установке. Температура конденсата может колебаться при наличии пролетного пара в соседней кассетной установке и недостаточно надежной работе системы отвода паровоздушной смеси из бака сбора конденсата; необходимо обеспечить стабильную работу системы пароснабжения всех кассетных установок в данном цехе и интенсивный отвод паровоздушной смеси из бака сбора конденсата.
2. Автоматизация технологического процесса
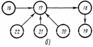
Рис.1. Автоматизация камеры периодического действия для тепловой обработки железобетонных изделий:
а — функциональная схема; 1 — гребенка; 2 — задвижка с ручным приводом: 3 — приточный затвор: 4 — эжектор; 5 — паропровод; 6 — вентиляционный затвор; 7 — вентилятор; 8— вентиляционный канал; 9— камера; 10— регистр перфорированный; 11— программный регулятор температуры: 12— манометр электроконтактный; 13— манометр; М — регулятор прямого действия «против себя»; 15 — расходомер; Л — магнитный пускатель; С — гудок; КСС — кнопка; 1ЛЕ — сигнальная лампа; 1Э, 1ЭВ — вентиль с электромагнитным приводом: ТС — термометр сопротивления; ДН — диафрагма; КС — конденсационные сосуды; б — структурная схема; 16 — теплоноситель; 17 — регулятор тепловой обработки изделий; 18 — пропарочная камера; 19 — изделие; 20 — задатчик выдержки температур; 21 — задатчнк скорости нарастания температур; 22 — задатчнк температуры паровоздушной среды
3. Средства автоматизации
Технические требования к приборам серии «Технограф». Регистрирующие и показывающие электронные приборы с учетом возросших требований промышленности и растущей конкуренции со стороны аналогичных приборов производства стран ЕЭС должны удовлетворять ряду современных требований, к которым относятся:
-
универсальность – возможность обслуживания практически всех существующих типов датчиков температуры, абсолютного и избыточного давления, уровней жидкости и т.п.;
-
многоканальность – наиболее часто применяются 12, возможно 24 и более каналов;
-
наличие табло для световой индикации на жидких кристаллах (помимо средств регистрации контролируемых параметров на диаграммной бумаге с шириной ленты 100 или 160 мм);
-
существенно меньшие массогабаритные характеристики благодаря использованию новых конструкторских решений для принципиально измененной механической части и применению современных конструкционных материалов;
-
возможность работы в компьютерных сетях;
-
наличие энергозависимого ОЗУ;
-
наличие комплексной регистрации: как цифровой, так и аналоговой.
Рассмотрим особенности построения схем приборов «Технограф-160, -100», в которых реализованы указанные требования.
Рис. 2. Многоканальный регистрирующий и показывающий прибор «Технограф-100»
Функциональные возможности. Приборы серии «Технограф» обеспечивают:
• подключение различных датчиков на любые пределы измерений и к любому каналу измерений, что определяется пользователем в зависимости от поставленных перед ним задач (это не требует большого числа вариантов исполнения);
• аналоговую или цифровую регистрацию значений измеряемых параметров каждого канала в циклическом режиме в прямоугольных координатах на диаграммной ленте шириной 100 или 160 мм;
• оперативную замену пользователем типов датчиков и изменение пределов измерений в процессе эксплуатации в зависимости от подключаемых датчиков;
• простоту группового ЗИП, так как имеются всего два варианта исполнения приборов;
• индикацию на цифровом табло значений измеряемых параметров в циклическом режиме или выборочно по любому каналу в единицах измеряемой величины при одновременной регистрации всех каналов;
• сигнализацию при отклонении измеряемых параметров от заданных значений: приборы имеют две независимые установки для любого измерительного канала, каждая из которых может иметь вид «Больше», «Меньше» (с регистрацией на ленте номера канала, времени, даты, номера уставки и значения величины параметра) или «Регулирование» (без регистрации, срабатывают только реле сигнализации);
• регулирование по принципу «раздельная задача – раздельный выход» или «раздельная задача – общий выход»;
• автоматический контроль исправности по всем входящим платам;
• программно-кодовую защиту от несанкционированного доступа с клавиатуры в БД;
• обмен данными с внешней ЭВМ по каналу интерфейса RS-232;
• хранение введенных значений параметров и отсчет текущего времени при перерывах в электропитании длительностью до 10 сут;
• отключение измерения, регистрации и сигнализации по любому каналу.
Кроме того, прибор «Технограф-160» способен измерять и регистрировать мгновенный расход (корнеизвлечение) и суммарное значение расхода.
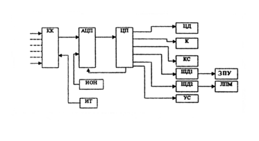
Принцип действия. Структурная схема прибора «Технограф-160» приведена на рис. 3. Коммутатор каналов КК с помощью герконовых реле поочередно подключает к АЦП датчики в соответствии с управляющими сигналами, которые поступают с платы АЦП.
Рис. 3. Структурная схема прибора «Технограф-160»: КК– коммутатор каналов; ЦП – центральный процессор; ИТ–источник тока; К – клавиатура; ШД1 и ШД2 – шаговые двигатели следящей системы и лентопротяжного механизма соответственно; УС – устройство сигнализации; ИОН– источник опорного напряжения; ЦЦ – цифровой дисплей; КС – канал связи RS-232; ЗПУ – записывающее устройство; ЛПМ – лентопротяжный механизм
Входные сигналы через плату коммутатора подаются на вход АЦП, построенного по принципу двойного интегрирования, для уменьшения влияния помех промышленной частоты. Однако интегратор не полностью подавляет эти помехи, так как частота сети может изменяться в зависимости от величины нагрузки на энергосистему. Для полного их устранения в















