124170 (689885), страница 3
Текст из файла (страница 3)
М1х=0;
М2х= -RАх·а;
М2х=-512·0,093=-47,6Нм;
М3х=- Fш ·с;
М3х=-1232·0,067=-82,5Нм
М4х=0;
Строим эпюру изгибающих моментов Мх.
Крутящий момент
ТI-I=0;
ТII-II=T1=Ft·d1/2;
ТII-II=2,76Нм
Определяем суммарные изгибающие моменты:
Определяем эквивалентные моменты:
По рис.9 видно, что наиболее опасным является сечение С-С ведущего вала.
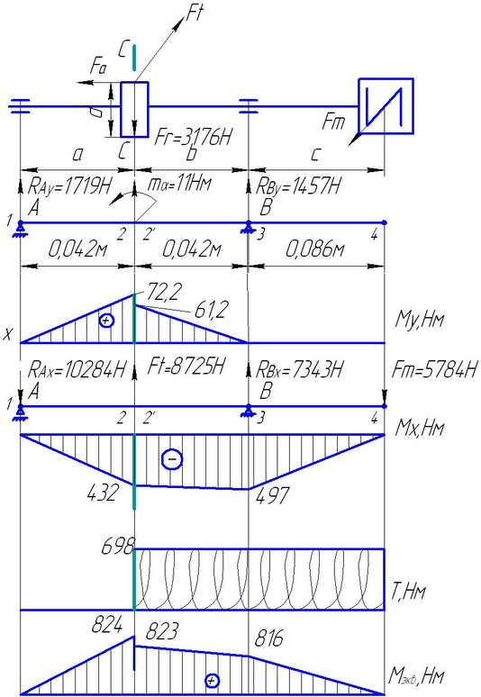
10.3 Расчет ведомого вала
Расчет производим аналогично п.10.1.
Заменяем вал балкой на опорах в местах подшипников.
Рассматриваем вертикальную плоскость (ось у)
Изгибающий момент от осевой силы Fа будет:
mа=[Faxd/2]:
mа=138·16010-3/2=11Нм.
Определяем реакции в подшипниках в вертикальной плоскости.
1mАу=0
-RBy·(a+b)+Fr·a- mа=0
RBy=(Fr·0,042- mа)/ 0,084=(3176·0,042-11)/ 0,084=1457,04Н
Принимаем RBy=1457Н
2mВу=0
RАy·(a+b)-Fr·b- mа=0
RАy==(Fr·0,042+ mа)/ 0,084=(3176·0,042+11)/ 0,084=1718,95Н
Принимаем RАy=1719Н
Проверка:
FКу=0
RАy- Fr+ RBy=1719-3176+1457=0
Назначаем характерные точки 1,2,2’,3 и 4 и определяем в них изгибающие моменты:
М1у=0;
М2у= RАy·а;
М2у=1719·0,042=72,2Нм;
М2’у= М2у- mа(слева);
М2’у=72,2-11=61,2Нм;
М3у=0;
М4у=0;
Строим эпюру изгибающих моментов Му, Нм.
Рассматриваем горизонтальную плоскость (ось х)
1mАх=0;
Fm·(a+b+с)-RВх·(a+b)- Ft·a=0;
5784·(0,042+0,042+0,086)-RВх·(0,042+0,042)-8725·0,042=0;
RВх=(983,3-366,45)/0,084;
RВх=7343,2Н
RВх7343Н
2mВх=0;
-RАх·(a+b)+Ft·b+Fм·с= 0;
RАх=(366,45+497,4)/0,084;
RАх=10284,2Н
RАх10284Н
Проверка
mКх=0;
-RАх+ Ft- Fm+RВх=-7343+8725-5784+10284=0
Назначаем характерные точки 1,2,2’,3 и 4 и определяем в них изгибающие моменты:
М1х=0;
М2х= -RАх·а;
М2х=-10284·0,042=-432Нм;
М3х=- Fm ·с;
М3х=-5784·0,086=-497Нм
М4х=0;
Строим эпюру изгибающих моментов Мх.
Крутящий момент
ТI-I=0;
ТII-II=T1=Ft·d2/2;
ТII-II=698Нм
Определяем суммарные изгибающие моменты:
Определяем эквивалентные моменты:
Рис.10 Эпюры изгибающих и крутящих моментов ведомого вала
По рис.10 видно, что наиболее опасным является сечение С-С ведомого вала.
11 Расчет валов на выносливость
По рис.9 и рис.10 видно, что наиболее опасным является сечение С-С ведомого вала, где эквивалентный момент более, чем в три раза больше, чем у ведущего вала. Поэтому расчет на выносливость проводим только для ведомого вала.
Определяем суммарный изгибающий момент в сечении С-С
Рис.11 Схема для определения суммарного изгибающего момента
; (11.1)
Из табл.3 выбираем данные по шпонке:
Сечение шпонки b·h=20·12.
Глубина паза ваза t1=7,5мм
Диаметр вала dк3=71мм.
Определяем осевой и полярный моменты сопротивления в сечении С-С вала с учетом шпоночного паза [1. табл.8.5]
(11.2)
(11.3)
;
мм3;
;
мм3:
Определяем напряжение изгиба в сечении С-С
; (11.4)
;
;
Принимаем
.
Определяем напряжения кручения в сечении С-С
;
;
Принимаем
.
Определяем амплитудные и средние напряжения циклов перемен напряжений. По заданию вал неверсивный. Напряжения изгиба изменяются по симметричному циклу (рис.12), а напряжения кручения – по пульсирующему циклу (рис.13).
Рис.12 Цикл перемен напряжений изгиба
Рис.13 Цикл перемен напряжений кручения
Из рисунков следует:
- для перемен напряжений изгиба:
v=и; м=0; v=14МПа.
- для перемен напряжений кручения:
τv=τи=τк/2; τv=τи=5МПа.
Определяем коэффициенты снижения выносливости в сечении С-С. Зубчатое колесо напрессовано на вал и шпонку по посадке с гарантированным натягом, тогда находим коэффициент нормальных напряжений.
έ и έτ – масштабные факторы
Учитывая примечание 2 [1, с.166 табл.8.7]
[1, с.166 табл.8.7]
;
β – коэффициент, учитывающий влияние шероховатости поверхности при высоте микронеровностей :
Rа=0,32…2,5мкм;
β =0,97…0,9; [1, с.162]
Принимаем β =0,92.
Определяем коэффициент запаса усталостной прочности по нормальным напряжениям изгиба. [1, с.162]
(11.5)
;
.
Коэффициент чувствительности материала к асимметрии цикла по касательным напряжениям ψ=0,1.
Определяем коэффициент запаса усталостной прочности по нормальным напряжениям кручения. [1, с.164]
; (11.6)
;
Определяем суммарный коэффициент запаса усталостной прочности в сечении вала С-С [1, с.162]
(11.7)
где [S]=1,5…5,5 – требуемый коэффициент запаса усталостной прочности [1, с.162]
Вывод: Расчетный коэффициент запаса усталостной прочности в пределах нормы, поэтому конструкцию вала сохраняем.
12 Расчет подшипников на долговечность
12.1 Расчет подшипников червяка на долговечность
Исходные данные
n2=652мин-1;
dп3=30мм;
RАy=2526Н;
RАх=512Н;
RBy=650Н;
RВх=1607Н;
Н.
Определяем радиальные нагрузки, действующие на подшипники
; (12.1)
;
Здесь подшипник 2 – это опора А в сторону которой действует осевая сила Fа (рис.9).
;
;
Назначаем тип подшипника, определив отношение осевой силы к радиальной силе того подшипника, который ее воспринимает (здесь подшипник 2)
;
;
Так как соотношение больше 0,35, то назначаем роликовый конический однорядный подшипник средней серии по dп3=30мм.
Подшипник № 7306, у которого:
Dn2=72мм;
Вn2=21мм;
С0=40кН – статическая грузоподъемность;
С=29,9кН – динамическая грузоподъемность
е=0,34 – коэффициент осевого нагружения;
У=1,78 – коэффициент при осевой нагрузке [1,c.402, табл.П7].
Определяем коэффициент Х при радиальной нагрузке [1,c.212, табл.9.18] в зависимости от отношения
;
где V – коэффициент вращения, при вращении внутреннего кольца V=1.
Тогда Х=0,4.
Изображаем схему нагружения подшипников. Подшипники устанавливаем враспор.
Рис.14 Схема нагружения вала-червяка
Определяем осевые составляющие от радиальных нагрузок
S=0,83eFr [1,c.216]
S1=0,830,341733; S1=489Н;
S2=0,830,342577; S2=727Н.
Определяем осевые нагрузки, действующие на подшипники.
FaI=S1;
FaII=S2 +FaI;
FaI=489Н;
FaII=489+723; FaII=1216Н.
Определяем эквивалентную нагрузку наиболее нагруженного подшипника II
Fэ2=(ХVFr2+УFaII)KKτ;
где K - коэффициент безопасности;
K =1,3…1,5 [1,c.214, табл.9.19];
принимаем K =1,5;
Kτ – температурный коэффициент;
Kτ =1 (до 100ºС) [1,c.214, табл.9.20];
Fэ2=(0,412577+1,781216)1,51; Fэ2=3195Н=3,2кН
Определяем номинальную долговечность роликовых подшипников в часах
[1,c.211]; (12.2)
.
Подставляем в формулу (12.2):
;
ч.
По заданию долговечность привода Lhmin=10000ч.
В нашем случае Lh> Lhmin, принимаем окончательно для червяка подшипник 7306.
12.1 Расчет подшипников тихоходного вала на долговечность
Исходные данные
n2=65,2мин-1;
dп3=60мм;
RАy=1719Н;
RАх=10284Н;
RBy=1457Н;
RВх=7343Н;
Н.
Определяем радиальные нагрузки, действующие на подшипники (12.1)
;
Здесь подшипник 2 – это опора А в сторону которой действует осевая сила Fа (рис.10).
;
;
Назначаем тип подшипника, определив отношение осевой силы к радиальной силе того подшипника, который ее воспринимает (здесь подшипник 2)
;
;
Так как соотношение больше 0,35, то назначаем роликовый конический однорядный подшипник средней серии по dп3=60мм.
Подшипник № 7512, у которого:
Dn2=110мм;
Вn2=30мм;
С0=94кН – статическая грузоподъемность;
С=75кН – динамическая грузоподъемность
е=0,392 – коэффициент осевого нагружения;
У=1,528 – коэффициент при осевой нагрузке [1,c.402, табл.П7].
Определяем коэффициент Х при радиальной нагрузке [1,c.212, табл.9.18] в зависимости от отношения
>е
где V – коэффициент вращения, при вращении внутреннего кольца V=1.
Тогда Х=0,4.
Изображаем схему нагружения подшипников. Подшипники устанавливаем враспор.
Рис.15 Схема нагружения тихоходного вала
Определяем осевые составляющие от радиальных нагрузок
S=0,83eFr [1,c.216]
S1=0,830,3927496; S1=2440Н;
S2=0,830,39210426; S2=3392Н.
Определяем осевые нагрузки, действующие на подшипники.
FaI=S1;
FaII=S2 +FaI;
FaI=2440Н;
FaII=2440+3392; FaII=5832Н.
Определяем эквивалентную нагрузку наиболее нагруженного подшипника II
Fэ2=(ХVFr2+УFaII)KKτ;
где K - коэффициент безопасности;
K =1,3…1,5 [1,c.214, табл.9.19];
принимаем K =1,5;
Kτ – температурный коэффициент;
Kτ =1 (до 100ºС) [1,c.214, табл.9.20];
Fэ2=(0,4110426+1,785832)1,51; Fэ2=14550Н=14,55кН
Определяем номинальную долговечность роликовых подшипников в часах
[1,c.211]; (12.2)
.
Подставляем в формулу (12.2):
;
ч.
По заданию долговечность привода Lhmin=10000ч.
В нашем случае Lh> Lhmin, принимаем окончательно для червяка подшипник 7512.
13 Выбор системы и вида смазки.
Скорость скольжения в зацеплении VS = 2,38 м/с. Контактные напряжения Н = 510 Н/мм2. По таблице 10.29 из [3] выбираем масло И-Т-Д-460.
Используем картерную систему смазывания. В корпус редуктора заливаем масло так, чтобы венец зубчатого колеса был в него погружен на глубину hм (рис.15):
Рис.16 Схема определения уровня масла в редукторе
hм max 0.25d2 = 0.25160 = 40мм;
hм min = m = 4мм.
При вращении колеса масло будет увлекаться его зубьями, разбрызгиваться, попадать на внутренние стенки корпуса, откуда стекать в нижнюю его часть. Внутри корпуса образуется взвесь частиц масла в воздухе, которым покрываются поверхности расположенных внутри корпуса деталей, в том числе и подшипники.















