124170 (689885), страница 2
Текст из файла (страница 2)
Рис.2 Эскиз червяка
Диаметр выходного конца при допускаемом напряжении
(согласно табл. 7.1 [2]):
По ГОСТ принимаем d1 =25мм
Диаметры подшипниковых шеек d2 =d1+2t=25+2х2,2=29,9мм
Принимаем d2 =30мм
d3≤df1=47,88
Принимаем d3 =40мм
l1 =(1,2…1,5)d1 =1,4x25=35мм
l2≈1,5d2 =1,5x30=45мм
l3 =(0,8…1)хdam=170мм
l4 – определим после выбора подшипника
5.2 Расчет тихоходного вала
Ведомый вал – вал червячного колеса (см. рис.3)
Рис.3 Эскиз ведомого вала
Диаметр выходного конца
Принимаем ближайшее большее значение из стандартного ряда d1 =50мм
Диаметры подшипниковых шеек d2 =d1+2t=50+2х2,8=55,6мм
Принимаем d2 =60мм
d3= d2 +3,2r=60+3,2х3=69,6мм
Принимаем d2 =71мм
d5= d3 +3,2r=71+9,6=80мм
l1 =(1,0…1,5)d1 =1,2х50=60мм
l2≈1,25d2 =1,25х60=75мм
l3 =(0,8..1)хdam=170мм
l4 – определим после выбора подшипника
6 Подбор и проверочный расчет муфты
Определяем для муфты на выходном конце тихоходного вала расчетный момент Мр [3]:
Мр=рТ2 , (6.1)
где р – коэффициент режима работы
Для ленточных конвейеров р=1,25-1,5
Принимаем р=1,4
Мр=1,4х535,2=748 Нм
Исходя из задания на курсовую работу, расчетного момента и диаметра выходного вала d2=50мм выбираем [2,т.2,табл.12] муфту цепную с однорядной цепью 1000-1-50-1-У3 ГОСТ20761-80. Материал полумуфт – сталь 45.
Проводим проверочный расчет муфты по условию
[Ммуфты] Мр ,
1000748
Все параметры муфты в норме.
7 Предварительный выбор подшипников
Предварительный выбор проводим по табл.7.2.[2].
Так как межосевое расстояние составляет 100мм для червяка выбираем роликовые подшипники 7306 ГОСТ333-79, а для червячного колеса - 7512 ГОСТ333-79 (рис.4).
Рис.4 Подшипник ГОСТ333-79.
Параметры подшипников приведены в табл.2.
Таблица 2
Параметры подшипников
| Параметр | 7306 | 7512 |
| Внутренний диаметр d, мм | 30 | 60 |
| Наружный диаметр D,мм | 72 | 110 |
| Ширина Т,мм | 21 | 20 |
| Ширина b,мм | 19 | 28 |
| Ширина с,мм | 17 | 24 |
| Грузоподъемность Сr, кН | 40 | 94 |
| Грузоподъемность С0r, кН | 29,9 | 75 |
8 Компоновочная схема.
Компоновочная схема редуктора с выбранными и рассчитанными размерами показана на рис.5.
Рис.5 Компоновочная схема редуктора
9 Выбор и проверочный расчет шпоночных соединений
Выбор и проверочный расчет шпоночных соединений проводим по [4].
Рис.6 Сечение вала по шпонке
9.1 Соединение быстроходный вал – шкив ременной передачи
Для выходного конца быстроходного вала при d=25 мм подбираем призматическую шпонку со скругленными торцами bxh=8x7 мм2 при t=4мм.
При l1=35 мм выбираем длину шпонки l=32мм.
М
атериал шпонки – сталь 45 нормализованная. Напряжения смятия и условия прочности определяем по формуле:
где Т – передаваемый момент, Нмм;
lр – рабочая длина шпонки, при скругленных концах lр=l-b,мм;
[]см – допускаемое напряжение смятия.
С учетом того, что на выходном конце быстроходного вала устанавливается шкив из чугуна СЧ20 ([]см=70…100 Н/мм2) вычисляем:
У
словие выполняется.
9.2 Соединение тихоходный вал – полумуфта
Для выходного конца тихоходного вала при d=50 мм подбираем призматическую шпонку со скругленными торцами bxh=14x9 мм2 при t=5,5мм.
При l1=60 мм выбираем длину шпонки l=45мм.
Материал шпонки – сталь 45 нормализованная. Проверяем напряжения смятия и условия прочности с учетом материала полумуфты – ст.3 ([]см=110…190 Н/мм2) и Т2=748 Нмм:
Условие выполняется.
9.3 Соединение тихоходный вал – ступица червячного колеса
Для соединения тихоходного вала со ступицей червячного колеса при d=71 мм подбираем призматическую шпонку со скругленными торцами bxh=20x12 мм2 при t=7,5мм.
При l1=32 мм выбираем длину шпонки l=32мм.
Материал шпонки – сталь 45 нормализованная. Проверяем напряжения смятия и условия прочности с учетом материала ступицы чугуна СЧ20 ([]см=70…100 МПа) и Т2=748 Нмм:
Условие выполняется.
Выбранные данные сведены в табл.3.
Таблица 3
Параметры шпонок и шпоночных соединений
| Параметр | Вал-шкив | Вал-полумуфта | Вал-колесо |
| Ширина шпонки b,мм | 8 | 14 | 20 |
| Высота шпонки h,мм | 7 | 9 | 12 |
| Длина шпонки l,мм | 32 | 45 | 32 |
| Глубина паза на валу t1,мм | 4 | 5,5 | 7,5 |
| Глубина паза во втулке t2,мм | 3,3 | 3,8 | 4,9 |
10 Расчет валов по эквивалентному моменту
10.1 Исходные данные для расчета
Составляем схему усилий, действующих на валы червячного редуктора (рис.7):
Рис.7 Схема усилий, действующих на валы червячного редуктора
Определяем консольную нагрузку на муфте [1,табл.6.2]:
; (10.1)
Н
Для определения консольной нагрузки на шкиве необходимо произвести расчет зубчато-ременной передачи.[1].
Определяем минимальный диаметр ведущего шкива по диаметру вала электродвигателя
dДВ=32мм, шпонка bхh=10х8мм.
Определяем минимальный диаметр ведущего шкива:
d1= dДВ+h+10;
d1min=50мм.
Выбираем зубчатый ремень по ОСТ3805114-76 с модулем m=4, с трапецеидальной формой, шириной 84мм. Назначаем число зубьев ведущего шкива z=15.
Определяем делительный диаметр ведущего шкива:
d1=z x m
d1=60мм.
Определяем диаметр ведомого шкива:
где u-передаточное отношение передачи, u=2,2;
Принимаем
.
Определяем ориентировочное межосевое расстояние
Принимаем а=110мм.
Определяем расчетную длину ремня:
Принимаем l=550мм.
Уточняем значение межосевого расстояния по стандартной длине ремня:
180мм.
Определяем угол обхвата ремнем ведущего шкива:
;
Определяем скорость ремня:
где [v]-допускаемая скорость, для зубчатых ремней [v]=25м/с.
Определяем частоту пробегов ремня:
где [U]=30м-1 – допускаемая частота пробегов.
Определяем силу предварительного натяжения Fо ремня:
(10.2)
где С – поправочные коэффициенты [3,табл.5.2].
Определяем консольную нагрузку на шкиве [3,табл.6.2]:
Для построения эпюр с учетом рис.5, данных табл.1 и пункта 7 определяем расстояния прилагаемых сил (рис.8).
Рис.8 Компоновочный эскиз вала
Все выбранные данные сводим в табл.4.
Таблица 4
Исходные данные для расчета валов
| Параметр | Ведущий вал – червяк | Ведомый вал |
| Ft, Н | 138 | 8725 |
| Fr, Н | 3176 | |
| Fa, Н | 8725 | 138 |
| Fм(Fш), Н | 1232 | 5784 |
| d, мм | 40 | 160 |
| а=b, мм | 93 | 42 |
| с, мм | 67 | 86 |
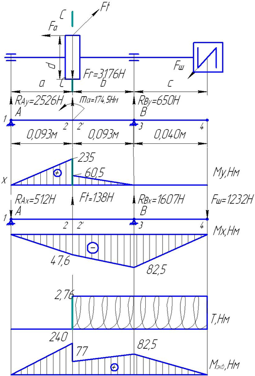
10.2 Расчет ведущего вала – червяка.
Заменяем вал балкой на опорах в местах подшипников.
Рассматриваем вертикальную плоскость (ось у)
Изгибающий момент от осевой силы Fа будет:
mа=[Faxd/2]:
mа=8725·4010-3/2=174,5Нм.
Определяем реакции в подшипниках в вертикальной плоскости.
1mАу=0
-RBy·(a+b)+Fr·a- mа=0
RBy=(Fr·0,093- mа)/ 0,186=(3176·0,093-174,5)/ 0,186=649,8Н
Принимаем RBy=650Н
2mВу=0
RАy·(a+b)-Fr·b- mа=0
RАy==(Fr·0,093+ mа)/ 0,186=(3176·0,093+174,5)/ 0,186=2526,2Н
Принимаем RАy=2526Н
Проверка:
FКу=0
RАy- Fr+ RBy=2526-3176+650=0
Назначаем характерные точки 1,2,2’,3 и 4 и определяем в них изгибающие моменты:
М1у=0;
М2у= RАy·а;
М2у=2526·0,093=235Нм;
М2’у= М2у- mа(слева);
М2’у=235-174,5=60,5Нм;
М3у=0;
М4у=0;
Строим эпюру изгибающих моментов Му, Нм.
Рассматриваем горизонтальную плоскость (ось х)
1mАх=0;
Fш·(a+b+с)-RВх·(a+b)- Ft·a=0;
1232·(0,093+0,093+0,067)-RВх·(0,093+0,093)-138·0,093=0;
RВх=(311,7-12,8)/0,186;
RВх=1606,9Н
RВх1607Н
2mВх=0;
-RАх·(a+b)+Ft·b+Fш·с= 0;
RАх=(12,834+82,477)/0,186;
RАх=512,4Н
RАх512Н
Проверка
mКх=0;
-RАх+ Ft- Fш+ RВх=-512+138-1232+1607=0
Рис.9 Эпюры изгибающих и крутящих моментов ведущего вала
Назначаем характерные точки 1,2,2’,3 и 4 и определяем в них изгибающие моменты:















