124170 (689885)
Текст из файла
Министерство образования Республики Беларусь
Белорусский национальный технический университет
Кафедра «Детали машин, ПТМ и М»
Группа 302313
РАСЧЕТ И ПРОЕКТИРОВАНИЕ
ЧЕРВЯЧНОГО РЕДУКТОРА
Пояснительная записка
Разработал
студент Д.И.Зеньков
Консультант В.И.Шпиневский
2005
Содержание
-
Назначение и область применения привода
-
Выбор электродвигателя и кинематический расчет
-
Определение мощностей и передаваемых крутящих моментов валов
-
Расчет червячной передачи
-
Предварительный расчет диаметров валов
-
Подбор и проверочный расчет муфты
-
Предварительный выбор подшипников
-
Компоновочная схема
-
Выбор и проверочный расчет шпоночных соединений
-
Расчет валов по эквивалентному моменту
-
Расчет валов на выносливость (проверочный расчет)
-
Расчет подшипников на долговечность
-
Выбор системы и вида смазки
-
Расчет основных размеров корпуса редуктора
-
Порядок сборки и регулировки редуктора
-
Назначение квалитетов точности, шероховатости поверхности, отклонений формы и взаимного расположения поверхностей
Литература
1 Назначение и область применения привода
Нам в нашей работе необходимо рассчитать и спроектировать привод конвейера.
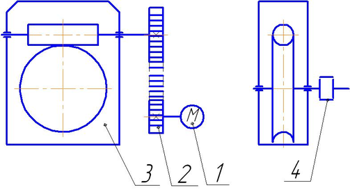
Привод предназначен для передачи вращающего момента от электродвигателя к исполнительному механизму. В качестве исполнительного механизма может быть ленточный или цепной конвейер. Привод состоит из двигателя 1 (рис.1), зубчато-ременной передачи 2, червячного редуктора 3 и муфты 4.
Редуктором называют механизм, состоящий из зубчатых или червячных передач, выполненный в виде отдельного агрегата и служащий для передачи мощности от двигателя к рабочей машине.
Назначение редуктора - понижение угловой скорости и повышение вращающего момента ведомого вала по сравнению с валом ведущим.
Редуктор состоит из литого чугунного корпуса, в котором помещены элементы передачи - червяк, червячное колесо, подшипники, вал и пр. Входной вал редуктора посредством зубчато-ременной передачи соединяется с двигателем, выходной посредством муфты - с конвейером.
Червячные редукторы применяют для передачи движения между валами, оси которых перекрещиваются.
Так как КПД червячных редукторов невысок, то для передачи больших мощностей в установках, работающих непрерывно, проектировать их нецелесообразно. Практически червячные редукторы применяют для передачи мощности, как правило, до 45кВт и в виде исключения до 150кВт.
2 Выбор электродвигателя и кинематический расчет
2.1 Исходные данные для расчета:
выходная мощность -
=3,2 кВт; выходная частота вращения вала рабочей машины -
=65 об/мин; нагрузка постоянная; долговечность привода – 10000 часов.
Рис. 1 – кинематическая схема привода, где:
1 – двигатель; 2 – клиноременная передача; 3 – червячная передача; 4 – муфта
2.2 Определение требуемой мощности электродвигателя.
- требуемая мощность электродвигателя (2.1)
где:
- коэффициент полезного действия (КПД) общий.
х
(2.2)
где[3, табл.2.2]:
- КПД ременной передачи
- КПД червячной передачи
- КПД подшипников
- КПД муфты
2.3 Определение ориентировочной частоты вращения вала электродвигателя
Определяем ориентировочную частоту вращения вала электродвигателя
(2.3)
где
- выходная частота вращения вала рабочей машины
- общее передаточное число редуктора.
,
где
- передаточное число ременной передачи,
передаточное число червячной передачи.
Принимаем [3,табл.2.3]:
,
По требуемой мощности
выбираем [2, т.3, табл.29] электродвигатель трехфазный короткозамкнутый серии АИ закрытый обдуваемый с синхронной частотой вращения 1500мин-1 АИР112М4, с параметрами Рном = 5,5 кВт,
мин -1,
S=3,7%,
мин -1.
2.4 Определение действительных передаточных отношений.
Определяем действительное передаточное соотношение из формулы (2.3)
Разбиваем
по ступеням.
Принимаем стандартное значение
Передаточное число ременной передачи
Принимаем
2.5 Определяем частоты вращения и угловые скорости валов.
- угловая скорость двигателя;
- число оборотов быстроходного вала;
- угловая скорость быстроходного вала;
- число оборотов тихоходного вала;
- угловая скорость тихоходного вала.
3. Определение мощностей и передаваемых крутящих моментов валов
3.1 Определяем мощности на валах
Расчет ведем по [3]
Мощность двигателя -
Определяем мощность на быстроходном валу
(3.1)
Определяем мощность на тихоходном валу
(3.2)
3.2 Определяем вращающие моменты на валах.
Определяем вращающие моменты на валах двигателя, быстроходном и тихоходном валах по формуле
(3.3)
4. Расчет червячной передачи
4.1 Исходные данные
4.2 Выбор материала червяка и червячного колеса
Для червяка с учетом мощности передачи выбираем [1, c.211] сталь 45 с закалкой до твердости не менее HRC 45 и последующим шлифованием.
Марка материала червячного колеса зависит от скорости скольжения
(4.1)
м/с
Для венца червячного колеса примем бронзу БрА9Ж3Л, отлитую в кокиль.
4.3 Предварительный расчет передачи
Определяем допускаемое контактное напряжение [1]:
[ σн] =КHLСv0,9в, (4.2)
где Сv –коэффициент, учитывающий износ материалов, для Vs=2,39 он равен 1,21
в,- предел прочности при растяжении, для БрА9Ж3Л в,=500
КHL - коэффициент долговечности
КHL =
, (4.3)
где N=5732Lh, (4.4)
Lh – срок службы привода, по условию Lh=10000ч
N=573х6,82х10000=39078600
Вычисляем по (4.3):
КHL =
КHL =0,84
[ σн] =0,84х1,21х500=510
Число витков червяка Z1 принимаем в зависимости от передаточного числа при U = 10 принимаем Z1 = 4
Число зубьев червячного колеса Z2 = Z1 x U = 4 x 10 = 40
Принимаем предварительно коэффициент диаметра червяка q = 10;
Коэффициент нагрузки К = 1,2; [1]
Определяем межосевое расстояние [1, c.61]
(4.5)
Вычисляем модуль
(4.6)
Принимаем по ГОСТ2144-76 (таблица 4.1 и 4.2) стандартные значения
m = 4
q = 10
а также Z2 = 40 Z1 = 4
Тогда пересчитываем межосевое расстояние по стандартным значениям m, q и Z2:
(4.7)
Принимаем aw = 100 мм.
4.4 Расчет геометрических размеров и параметров передачи
Основные размеры червяка.:
Делительный диаметр червяка
(4.8)
Диаметры вершин и впадин витков червяка
(4.9)
(4.10)
Длина нарезной части шлифованного червяка [1]
(4.11)
Принимаем b1=42мм
Делительный угол подъема γ:
γ =arctg(z1/q)
γ =arctg(4/10)
γ = 21 º48’05”
ha=m=4мм; hf=1,2x m=4,8мм; c=0,2x m=0,8мм.
Основные геометрические размеры червячного колеса [1]:
Делительный диаметр червячного колеса
(4.12)
Диаметры вершин и впадин зубьев червячного колеса
(4.13)
(4.14)
Наибольший диаметр червячного колеса
(4.15)
Ширина венца червячного колеса
(4.16)
Принимаем b2=32мм
Окружная скорость
(4.17)
червяка -
колеса -
Скорость скольжения зубьев [1, формула 4.15]
КПД редуктора с учетом потерь в опорах, потерь на разбрызгивание и перемешивания масла [1, формула 4.14]
Уточняем вращающий момент на валу червячного колеса
(4.18)
По [1, табл. 4.7] выбираем 7-ю степень точности передачи и находим значение коэффициента динамичности Kv = 1,1
Коэффициент неравномерности распределения нагрузки [1,формула 4.26]
В этой формуле коэффициент деформации червяка при q =10 и Z1 =4
[1,табл. 4.6]
При незначительных колебаниях нагрузки вспомогательный коэффициент Х=0,6
Коэффициент нагрузки
4.5 Проверочный расчет
Проверяем фактическое контактное напряжение
МПа < [GH] = 510МПа.
Проверяем прочность зубьев червячного колеса на изгиб.
Эквивалентное число зубьев.
Коэффициент формы зуба [1, табл. 4.5] YF = 2,19
Напряжение изгиба
Па = 92,713 мПа
Определяем окружные Ft, осевые Fa и радиальные Fr силы в зацеплении соответственно на червяке и на колесе по формулам:
(4.19)
(4.20)
(4.21)
Данные расчетов сведены в табл.1.
Таблица 1
Параметры червячной передачи
| Параметр | Колесо | Червяк |
| m | 4 | |
| z | 40 | 4 |
| ha,мм | 4 | |
| hf,мм | 4,8 | |
| с, мм | 0,8 | |
| d, мм | 160 | 40 |
| dа, мм | 168 | 48 |
| df, мм | 150,4 | 30,4 |
| dаm, мм | 172 | - |
| b, мм | 32 | 42 |
| γ | 21º48’05” | |
| V, м/с | 0,54 | 1,36 |
| Vs, м/с | 1,64 | |
| Ft, Н | 8725 | 138 |
| Fa, Н | 138 | 8725 |
| Fr, Н | 3176 | |
5 Предварительный расчет диаметров валов
5.1 Расчет ведущего вала
Ведущий вал – червяк (см.рис.2)
Характеристики
Тип файла документ
Документы такого типа открываются такими программами, как Microsoft Office Word на компьютерах Windows, Apple Pages на компьютерах Mac, Open Office - бесплатная альтернатива на различных платформах, в том числе Linux. Наиболее простым и современным решением будут Google документы, так как открываются онлайн без скачивания прямо в браузере на любой платформе. Существуют российские качественные аналоги, например от Яндекса.
Будьте внимательны на мобильных устройствах, так как там используются упрощённый функционал даже в официальном приложении от Microsoft, поэтому для просмотра скачивайте PDF-версию. А если нужно редактировать файл, то используйте оригинальный файл.
Файлы такого типа обычно разбиты на страницы, а текст может быть форматированным (жирный, курсив, выбор шрифта, таблицы и т.п.), а также в него можно добавлять изображения. Формат идеально подходит для рефератов, докладов и РПЗ курсовых проектов, которые необходимо распечатать. Кстати перед печатью также сохраняйте файл в PDF, так как принтер может начудить со шрифтами.















