124167 (689882)
Текст из файла
Содержание
Задание
Введение
1. Выбор электродвигателя
2. Выбор и обоснование оптимального варианта конструкции редуктора
3 Статическое исследование редуктора
4. Кинематический анализ редуктора
5. Геометрический расчет зубчатых передач
6. Выбор материала и термообработки зубчатых передач
7. Определение допускаемых напряжений
7.1 Допускаемые контактные напряжения
7.2 Допускаемые изгибные напряжения
8. Определение расчетного контактного напряжения в полюсе зацепления зубчатой пары для тихоходной ступени
9. Определение расчетного изгибного напряжения
10. Определение размеров валов зубчатых колес и выбор подшипников
11. Расчет подшипников промежуточного вала на долговечность
12. Расчет шпонок
13. Расчет промежуточного вала на прочность
14. Расчет соединений
15. Определение размеров корпусных деталей
15.1 Обоснование выбора конструкции крышек подшипников
15.2 Манжетные уплотнения
15.3 Конструирование прочих элементов редуктора
20. Подбор системы смазки
21. Краткое описание сборки редуктора
22. Эскизы стандартных изделий
Список литературы
Приложения
Задание № 02
Рассчитать и спроектировать приводную станцию транспортера по схеме 91, применить тип редуктора 21
Быстроходная ступень с косозубым зацеплением
тихоходная ступень с прямозубым зацеплением
Сила тяги, Fk = 8kH;
Скорость, V = 0,21 м/с;
Длительность работы (ресурс), Lh = 18000час;
Режим работы, 2;
Тип производства – средняя серия
Введение
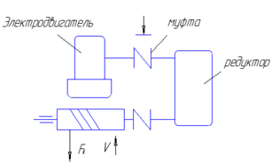
Привод грузоподъемной машины был сконструирован для передачи крутящего момента на барабан, который обеспечивает поднятие груза со скоростью 0,21 м/с.
Привод грузоподъемной машины (рис. 2) состоит из электродвигателя, редуктора, барабана, троса. Электродвигатель и барабан присоединены к редуктору при помощи муфт. Подъем груза осуществляется тросом, который наматывается на барабан. Барабан приводится в движение от электродвигателя через редуктор и муфты. Редуктор осуществляет повышение крутящего момента и снижение частоты вращения до требуемой величины.
рис. 2. Схема привода барабана
Редуктор состоит из быстроходной шевронной передачи и тихоходной прямозубой передачи. Смазка зубчатых колес и подшипников осуществляется разбрызгиванием.
Для корпуса редуктора была применена современная конструкция. Все выступающие элементы устранены с наружных поверхностей и введены внутрь. Лапы под фундаментальные болты не выступают за габариты корпуса. Проушины для подъема и транспортировки редуктора отлиты заодно с корпусом.
Для удобства сборки корпус выполнен с разъемом. Плоскость разъема проходит через оси валов.
-
Выбор электродвигателя
Определим мощность и частоту вращения.
Потребляемую мощность привода (мощность на выходе) определим по формуле [2]:
Рвых = Ft*V = 8*10 ³*0,21 = 1680 Вт.
Определим потребную мощность электродвигателя [2]:
Рэ.потр = Рвых/ηобщ,
где ηобщ = ηб* ηозп* ηред* ηм.
Здесь ηб = 0,95 – КПД барабана;
ηозп = 0,94 – КПД открытой зубчатой передачи;
ηред = ηп ³* ηззп ³= 0,99 ³*0,97 ³ = 0,886 – КПД редуктора;
ηм = 0,98 – КПД муфты.
Получаем:
Рэ.потр = 1680/0,95*0,94*0,886*0,98 = 2,17 кВт;
Определим частоту вращения барабана [2]:
60*υ
пб =,
π*Dб
где Dб = 18*dк = 18*0,1* √ Ft = 18*0,1* √8*10 ³= 160,992 мм;
Получим:
60*0,21*10 ³
п
б = = 24,9 об/мин.
π*160,992
По таблице 24.8 [2] выбираем электродвигатель 90L4/1425:
P=2,2кВт и п=1425 об/мин.
Определим передаточное число привода [2]:
и = п/пб = 1425/24,9 = 57,23;
Определим передаточное число редуктора [2]:
иред = и/иозп = 57,23/3 = 19,08.
Подготовка данных и расчетов на ЭВМ
Таблица №1. Данные на ЭВМ
| Момент на вых. Валу, Н*м | Перед отн-ние | Допуск. напряжения | Отн. Шир. | Час-та, об/ мин | Ресурс ч | код | № ред | ||||||||
| SIG1 | SIG2 | PSI1 | PSI2 | № | № | ||||||||||
| 240 | 19,08 | 500 | 500 | 0,5 | 0,4 | 1425 | 4500 | 3 | 1 | 21 | |||||
-
Выбор и обоснование оптимального варианта конструкции
Для того, чтобы найти оптимальный вариант конструкции определим для всех 6 случаев объем и массу конструкции.
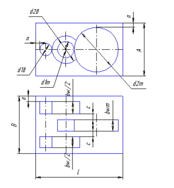
рис. 2 Схема редуктора
1. Диаметр шестерни быстроходной передачи d1б = 29,38 мм;
Диаметр колеса быстроходной передачи d2б = 110,62 мм;
Диаметр шестерни тихоходной передачи d1т = 47,5 мм;
Диаметр колеса тихоходной передачи d2т = 232,5 мм.
Ширина колеса быстроходной ступени вwб = 32,5 мм;
Ширина колеса тихоходной ступени вwт = 51,8 мм;
Межосевое расстояние быстроходной ступени аwб = 70 мм;
Межосевое расстояние тихоходной ступени аwт = 140 мм.
Объем редуктора определим по формуле:
V = LAB,
Где L = d1б/2 + d2т/2 + аwб + аwт;
A = d2т + 2*a;
B = вwб + вwт + 2*с +2*а;
Здесь а = ³√L + 3мм;
с = (0,3 ÷ 0,5)*а.
Массу редуктора определим по формуле:
т = π*γ*(d1б ²* вwб + d2б ²* вwб + d1т ²* вwт + d2т ²* вwт)/4,
где γ=7,8*10ˉ³ г/мм ³ - удельный вес стали.
Получим:
L = 29,38/2 + 232,5/2 + 70 + 140 = 340,94 мм;
а = ³√ 340,94 + 3 = 9,99 мм;
с = (0,3 ÷ 0,5)*9,99 = (2,997 ÷ 4,995) = 4 мм;
В = 32,5 + 51,8 + 2*4 + 2*9,99 = 112,28 мм;
А = 232,5 + 2*9,99 = 252,48 мм;
V = 340,94*112,28*252,48 = 9665122,04 мм ³;
т = π*7,8*10ˉ³*(29,38 ²*32,5 + 110,62 ²*32,5 + 47,5 ²*51,8 +
+232,5 ²*51,8) /4 = 20,47 кг.
2. d1б = 27,59 мм d2б = 122,41 мм d1т = 52,5 мм d2т = 227,5 мм
вwб = 37 мм вwт = 48,6 мм аwб = 75 мм аwт = 140 мм.
L = 27,59/2 + 227,5/2 + 75 + 140 = 342,545 мм;
а = ³√ 342,545 + 3 = 9,996 мм;
с = (0,3 ÷ 0,5)*9,996 = (2,999 ÷ 4,998) = 4 мм;
В = 37 + 48,6 + 2*4 + 2*9,996 = 113,592 мм;
А = 227,5 + 2*9,996 = 247,542 мм;
V = 342,545*113,592*247,542 = 9631951,22 мм ³;
т = π*7,8*10ˉ³*(27,59 ²*37 + 122,41 ²*37 +52,5 ²*48,6 + 227,5 ²*48,6)/
/4 = 19,79 кг.
3. d1б = 27,53 мм d2б = 132,47 мм d1т = 55 мм d2т = 215 мм
вwб = 37,2 мм вwт = 50,9 мм аwб = 80 мм аwт = 135 мм.
L = 27,53/2 + 215/2 + 80 + 135 = 336,265 мм;
а = ³√336,265 + 3 = 9,95 мм;
с = (0,3 ÷ 0,5)*9,95 = (2,985 ÷ 4,975) = 4 мм;
В = 37,2 + 50,9 + 2*4 +2*9,95 = 116 мм;
А = 215 + 2*9,95 = 234,9 мм;
V = 336,265*116*234,9 = 9162683,23 мм ³;
т = π*7,8*10ˉ³*(27,53 ²*37,2 + 132,47 ²*37,2 + 55 ²*50,9 +
+215 ²*50,9)/4 = 19,52 кг.
4. d1б = 25.76 мм d2б = 144,24 мм d1т = 60 мм d2т = 210 мм
вwб = 43,1 мм вwт = 49,5 мм аwб = 85 мм аwт = 135 мм.
L = 25,76/2 + 210/2 + 85 + 135 = 337,88 мм;
а = ³√337,88 + 3 = 9,96 мм;
с = (0,3 ÷ 0,5)*9,96 = (2,99 ÷ 4,98) = 4 мм;
В = 43,1 + 49,5 + 2*4 +2*9,96 = 120,52 мм;
А = 210 + 2*9,96 = 229,92 мм;
V = 337,88*120,52*229,92 = 9362640,74 мм ³;
т = π*7,8*10ˉ³*(25,76 ²*43,1 + 144,24 ²*43,1 + 60 ²*49,5 +
+210 ²*49,5)/4 = 20,12 кг.
5. d1б = 24 мм d2б = 156 мм d1т = 65 мм d2т = 195 мм
вwб = 50,8 мм вwт = 48,7 мм аwб = 90 мм аwт = 130 мм.
L = 24/2 + 195/2 + 90 + 130 = 329,5 мм;
а = ³√329,5 + 3 = 9,91 мм;
с = (0,3 ÷ 0,5)*9,91 = (2,97 ÷ 4,95) = 4 мм;
В = 50,8 + 48,7 + 2*4 +2*9,91 = 127,32 мм;
А = 195 + 2*9,91 = 214,82 мм;
V = 329,5*214,82*127,32 = 9012115,75 мм ³;
т = π*7,8*10ˉ³*(24 ²*50,8 + 156 ²*50,8 + 65 ²*48,7 +
+195 ²*48.7)/4 = 20,35 кг.
6. d1б = 25,29 мм d2б = 174,71 мм d1т = 70 мм d2т = 190 мм
вwб = 48,5 мм вwт = 48,9 мм аwб = 100 мм аwт = 130 мм.
L = 25,29/2 + 190/2 + 100 + 130 = 337,65 мм;
а = ³√337,65 + 3 = 9,96 мм;
с = (0,3 ÷ 0,5)*9,96= (2,99 ÷ 4,98) = 4 мм;
В = 48,5 + 48,9 + 2*4 +2*9,96 = 125,32 мм;
А = 190 + 2*9,96 = 209,92 мм;
V = 329,5*214,82*127,32 = 9012115,75 мм ³4
т = π*7,8*10ˉ³*(25,29 ²*48,5 + 174,71 ²*48.5 + 70 ²*48,9 +
+190 ²*48.9)/4 = 21,53 кг.
По полученным значениям объемов и масс построим график для всех шести случаев и по графику выберем оптимальный вариант.
рис. 3 График объемов и масс редуктора для шести вариантов
По графику видно, что оптимальным вариантом конструкции является третий вариант, т. к. в данном случае редуктор обладает минимальной массой и небольшим объемом.
-
Статическое исследование редуктора
Определим моменты в зубчатых колесах, а также усилия в зацеплении.
Вращающий момент на колесе тихоходной ступени:
Т2тк = Т2т/ ηп = 240,4/0,99 = 242,82 Н*м;
Вращающий момент на шестерне тихоходной ступени:
Т2тк
Т
1тш =,
ηз*ит
где ηз – КПД зацепления;
ит – передаточное число на тихоходной ступени;
Получим:
242,82
Т
1тш = = 64,02 Н*м;
0,97*3,91
Вращающий момент на колесе промежуточного вала:
Т1тш 64,02
Т
2б = = = 32,33 Н*м;
2* ηп 2*0,99
Вращающий момент на шестерне быстроходной ступени:
Т2б 32,33
Т
1б = = = 6,93 Н*м;
ηз *иб 0,97*4,81
Вращающий момент на входе в редуктор:
рис. 4 Схема усилий в зацеплении
-
Кинематический анализ редуктора
Найдем частоту вращения быстроходного вала:
пэ = п1б = 1425 об/мин;
Частота вращения промежуточного вала:
п2б = п1т = п1б/иб = 1425/4,81 = 296,3 об/мин;
Частота вращения тихоходного вала:
п2т = п1т/ит = 296,3/3,91 = 75,8 об/мин;
Частота вращения барабана:
пб = п2т/иозп = 75,8/3 = 25,3 об/мин;
По формуле ω= π*п/30 определим соответствующие угловые скорости:
ω1б = π*п1б/30 = π*1425/30 = 149,15 сˉ¹;
ω2т = π*п2т/30 = π*78,5/30 = 8,2 сˉ¹;
ω2б = ω1т = π*п2б/30 = π*296,3/30 = 31,02 сˉ¹;
ωб = π*пб/30 = π*24,9/30 = 2.61 сˉ¹.
Определим окружные скорости на быстроходной ступени:
υ1б = Т1б* ω1б/ Ft1б = 6,93*149,15/0,503 = 2,055 м/с;
υ2б = Т2б* ω2б/ Ft2б = 32,33*31,02/0,488 = 2,055 м/с;
Определим окружные скорости на тихоходной ступени:
υ1т = Т1тш* ω1т/ Ft1т = 64,02*31,02/2,328= 0,853 м/с;
υ2т = Т2тк* ω2т/ Ft2т = 242,82*8,2/2,259 = 0,88 м/с;
-
Геометрический расчет зубчатых передач
Тихоходная прямозубая ступень
диаметр делительной окружности у шестерни [1 ]:
d1 = т*z1 = 2,5*22 = 55 мм;
диаметр делительной окружности у колеса [1 ]:
d2 = т*z2 = 2,5*86 = 215 мм;
Характеристики
Тип файла документ
Документы такого типа открываются такими программами, как Microsoft Office Word на компьютерах Windows, Apple Pages на компьютерах Mac, Open Office - бесплатная альтернатива на различных платформах, в том числе Linux. Наиболее простым и современным решением будут Google документы, так как открываются онлайн без скачивания прямо в браузере на любой платформе. Существуют российские качественные аналоги, например от Яндекса.
Будьте внимательны на мобильных устройствах, так как там используются упрощённый функционал даже в официальном приложении от Microsoft, поэтому для просмотра скачивайте PDF-версию. А если нужно редактировать файл, то используйте оригинальный файл.
Файлы такого типа обычно разбиты на страницы, а текст может быть форматированным (жирный, курсив, выбор шрифта, таблицы и т.п.), а также в него можно добавлять изображения. Формат идеально подходит для рефератов, докладов и РПЗ курсовых проектов, которые необходимо распечатать. Кстати перед печатью также сохраняйте файл в PDF, так как принтер может начудить со шрифтами.
















