124167 (689882), страница 4
Текст из файла (страница 4)
19. Подбор системы смазки
В данном редукторе используется картерная система смазывания, т.е. корпус является резервуаром для масла. Масло заливается через верхний люк. Для слива масла в корпусе предусмотрено сливное отверстие, закрываемое пробкой.
При работе передач продукты изнашивания постепенно загрязняют масло. С течением времени оно стареет, свойства его ухудшаются. Браковочными признаками служат повышенное содержание воды и наличие механических примесей. Поэтому масло, залитое в корпус, периодически меняют.
В зависимости от контактного напряжения до 600 МПа и окружной скорости колес до 2 м/с определяем требуемую вязкость масла 34*10 м ²/с. По вязкости определяем марку масла - масло индустриальное И-40 А. Потребное количество масла V = 4 л.
Предельно допустимый уровень погружения колес в масляную ванну hм = т…0,25*d2т = 2,5…53,75 мм = 50 мм.
21. Краткое описание сборки редуктора
Данная конструкция редуктора позволяет осуществлять независимую сборку редуктора. В первую очередь на валы устанавливаются зубчатые колеса, затем упорные втулки, подшипники, регулировочные кольца, обеспечивающие регулировку осевых зазоров, маслоотражательные шайбы. Затем устанавливаются манжеты и крышки подшипников с отверстиями для концов валов. Далее в корпус устанавливаются валы, а также глухие крышки. На корпус устанавливают крышку, которая фиксируется штифтами, затем крышка крепится стяжными болтами. На корпус устанавливают маслоуказатели и сливную пробку. Затем в корпус через отверстие люка заливают масло. После этого на крышке корпуса устанавливается крышка люка.
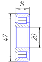
19. Эскизы стандартных изделий
Подшипник ГОСТ 8338-75
| Обозначение подшипника | D | d | B |
| 304 | 47 | 20 | 14 |
| 208 | 80 | 40 | 18 |
Подшипник 2204 ГОСТ 8328-75
Манжета ГОСТ 8752-79
| Обозначение | D | d | h |
| Манжета 1-20*40 | 40 | 20 | 8 |
| Манжета 1-40*60 | 40 | 60 | 10 |
Шпонка ГОСТ 23360-78
| Обозначение | d | b | h | t1 | t2 | l |
| Шпонка 12*8*45 | 42 | 12 | 8 | 5 | 3,3 | 45 |
| Шпонка 8*7*21 | 25 | 8 | 7 | 4 | 3,3 | 21 |
| Шпонка 10*8*42 | 36 | 10 | 8 | 5 | 3,3 | 42 |
| Шпонка 5*5*9 | 15 | 5 | 5 | 3 | 2,3 | 9 |
Болт ГОСТ 7808-70
| обозначение | H | l0 | l | d | s | D |
| Болт М10*70.5.8. | 6 | 20 | 70 | 10 | 14 | 15,5 |
Шайба ГОСТ 6402-70
| обозначение | D | d | b=s |
| Шайба 10Н | 15,1 | 10,1 | 2,5 |
Список литературы
1. Анурьев В.И. справочник конструктора-машиностроителя: В 3-х т. Т2. –5-е изд., перераб. И доп. – М.: Машиностроение, 1980. – 559с., ил.
2.Дунаев П.Ф.,Леликов О.П. Конструирование узлов и деталей машин: Учеб. пособие для машиностроит спец. вузов.-4-е изд., перераб. и доп.-М.:Высш. шк.,1985-416с
3.Иванов М.Н. Детали машин:Учеб. для студентов высш. техн. учеб. заведений.- М.: Высш. шк.,1991-383с.















