124167 (689882), страница 2
Текст из файла (страница 2)
диаметр начальной окружности у шестерни [1 ]:
dw1 = 2*aw/(и+1) = 2*135/(3,91 +1) = 54,99 мм;
диаметр начальной окружности у колеса [1 ]:
dw2 = 2*aw*и/(и+1) = 2*135*3,91/(3,91 +1) = 215 мм;
диаметр основной окружности у шестерни [1 ]:
dв1 = т*z1*cos α = 2,5*22*cos 20º = 51,68 мм;
диаметр основной окружности у колеса [1 ]:
dв2 = т*z2*cos α = 2,5*86*cos 20º = 202 мм;
диаметр окружности впадин у шестерни [1 ]:
df1 = d1 – 2*(с+т) = 55 – 2*(0,25+2,5) = 49,5 мм;
диаметр окружности впадин у колеса [1 ]:
df2 = d2 – 2*(с+т) = 215 – 2*(0,25+2,5) = 209,5 мм;
диаметр окружности вершин у шестерни [1 ]:
dа1 = d1 +2*т = 55 + 2*2,5 = 60 мм;
диаметр окружности вершин у колеса [1 ]:
dа2 = d2 +2*т = 215 + 2*2,5 = 220 мм.
Быстроходная косозубая ступень
диаметр делительной окружности у шестерни [1 ]:
d1 = т*z1/соs β = 1,5*16/ соs 29,329º= 27,53 мм;
диаметр делительной окружности у колеса [1 ]:
d2 = т*z2/соs β = 1,5*77/ соs 29,329º= 132,48 мм;
диаметр начальной окружности у шестерни [1 ]:
dw1 = 2*aw/(и+1) = 2*80/(4,81 +1) = 27,54 мм;
диаметр начальной окружности у колеса [1 ]:
dw2 = 2*aw*и/(и+1) = 2*80*4,81/(4,81 +1) = 132,46 мм;
диаметр основной окружности у шестерни [1 ]:
dв1 = т*z1*cos α = 1,5*16*cos 20º = 22,55 мм;
диаметр основной окружности у колеса [1 ]:
dв2 = т*z2*cos α = 1,5*77*cos 20º = 108,53 мм;
диаметр окружности впадин у шестерни [1 ]:
df1 = d1 – 2*(с+т) = 27,53 – 2*(0,25+1,5) = 24,03 мм;
диаметр окружности впадин у колеса [1 ]:
df2 = d2 – 2*(с+т) = 132,48 – 2*(0,25+1,5) = 128,98 мм;
диаметр окружности вершин у шестерни [1 ]:
dа1 = d1 +2*т = 27,53 + 2*1,5 = 30,53 мм;
диаметр окружности вершин у колеса [1 ]:
dа2 = d2 +2*т = 132,48 + 2*1,5 = 135,48 мм.
7. Выбор материала и термообработки зубчатых передач
Практикой эксплуатации и специальными исследованиями установлено, что нагрузка, допускаемая при контактной прочности зубьев, определяется в основном твердостью материала. Высокую твердость в сочетании с другими характеристиками, а следовательно, малые габариты и массу передачи можно получить при изготовлении зубчатых передач из сталей, подвергнутых термообработке.
Для шестерни тихоходной ступени выберем марку стали 45 с твердостью 241….285 НВ и термообработку – улучшение. Для колеса выберем марку стали 45 с твердостью 192…240 НВ и термообработку – улучшение.
Для тихоходной ступени назначим твердость для шестерни 270 НВ и для колеса 230 НВ [3].
Для шестерни быстроходной ступени выберем марку стали 45 с твердостью 241….285 НВ и термообработку – улучшение. Для колеса выберем марку стали 45 с твердостью 192…240 НВ и термообработку – улучшение.
Для быстроходной ступени назначим твердость для шестерни 270 НВ и для колеса 230 НВ [3].
-
Допускаемые контактные напряжения
Допускаемые контактные напряжения рассчитаем по формуле:
[σН]1 + [σН]2
[
σН] =,
2
где [σН]1 – допускаемые контактные напряжения для шестерни тихоходной ступени;
[σН]2 - допускаемые контактные напряжения для колеса тихоходной ступени;
[σН]1 = σНlim1*zN1/sN1;
[σН]2 = σНlim2*zN2/sN2;
Рассчитаем пределы выносливости для шестерни и колеса [3]:
σНlim1 = 2*HB + 70 = 2*270 + 70 = 610 МПа;
σНlim2 = 2*HB + 70 = 2*230 + 70 = 530 МПа;
Коэффициенты долговечности определим по формуле [3]:
zN = √NHG/NHE,
где NHG – базовое число циклов нагружения;
NHE – циклическая долговечность;
По графику определим [3]:
NHG1 = 11*10
NHG2 = 10*10
Циклическую долговечность определим по формуле [3]:
NHE = μН* Nк = μН*60*с*п*LH,
Где с – число зацеплений зуба за один оборот колеса;
п – частота вращения;
LH – длительность работы (ресурс);
μН – коэффициент эквивалентности. Для заданного режима работы 2 определяем, что μН = 0,25;
Получим:
NHE1 = 0,25*60*1*296,4*18000 = 80*10;
NHE2 = 0,25*60*1*75,8*18000 = 20,47*10;
Рассчитаем коэффициент долговечности:
zN1 = √NHG1/NHE1 = 11*10 /80*10 = 0,72;
zN2 = √NHG2/NHE2 = 10*10 /20,47*10 = 0,89;
т.к. найденные числовые значения коэффициентов долговечности не удовлетворяют условию 1 ≤ zN ≤ 2,4 [3]. То для колеса и шестерни принимаем zN = 1.
Значение коэффициента надежности примем равным SH = 1,1.
Допускаемые контактные напряжения на колесе и на шестерне:
[σН]1 = 610*1/1,1 = 554 МПа;
[σН]2 = 530*1/1,1 = 481 МПа;
Допускаемое контактное напряжение:
554 + 481
[
σН] = = 518 МПа.
2
-
Допускаемые изгибные напряжения
Допускаемое изгибное напряжение определим по формуле [3]:
[σF] = σFlim*KFC*KFL/SF,
где σFlim – предел выносливости зубьев по напряжениям изгиба, МПа;
KFC – коэффициент, учитывающий влияние двустороннего приложения нагрузки (при односторонней нагрузке KFC=1;
KFL – коэффициент долговечности;
SF – коэффициент безопасности;
Рассчитаем пределы выносливости для шестерни и колеса [3]:
σFlim1 = 1,8*НВ = 1,8*270 = 486 МПа;
σFlim2 = 1,8*НВ = 1,8*230 = 414 МПа;
Принимаем значение коэффициентов безопасности для шестерни и колеса SF = 1,75 [3];
Коэффициент долговечности определим по формуле [3]:
KFL = √NFG/NFE,
где NFG = 4*10 - базовое число циклов;
NFE – эквивалентное число циклов;
Эквивалентное число циклов определим по формуле:
NFE1 = μFE*Nк1 = μFE*60*с*п*LH = 0,14*60*1*296,3*18000 = 44,8*10;
NFE2 = μFE *Nк2 = μFE*60*с*п*LH = 0,14*60*1*75,8*18000 = 11,46*10;
где μFE – коэффициент эквивалентности;
Nк – расчетное значение циклов;
Получим:
KFL1 = √4*10 /44,8*10 = 0,668;
KFL2 = √ 4*10 /11,46*10 = 0,839;
Полученные значения коэффициентов долговечности не удовлетворяют условию 1 ≤ KFL ≤ 2 [3], тогда для колеса и шестерни принимаем KFL=1.
Допускаемые изгибные напряжения равны:
[σF]1 = 486*1*1/1,75 = 278 МПа;
[σF]2 = 414*1*1/1,75 = 237 МПа.
-
Определение расчетного контактного напряжения в полюсе зацепления зубчатой пары для тихоходной ступени
Значение расчетных контактных напряжений одинаковы для шестерни и колеса, поэтому расчет выполняем только для шестерни.
Расчет прочности зубьев по контактным напряжениям для прямозубой передачи внешнего зацепления произведем по формуле [3]:
Т1Тш*kH*ЕПр (и + 1)
σН = 1,18* √ * ≤ [σН],
d1²*вw*sin 2αw и
где Т1Тш – вращающий момент на шестерне тихоходной ступени;
kH – коэффициент нагрузки по контактным напряжениям;
ЕПр = 2*10 МПа – модуль упругости для стали;
d1 = 55 мм – диаметр шестерни;
вw = 50,9 мм – ширина венца шестерни;
αw=20º - угол зацепления;
и = 3,91 – передаточное отношение тихоходной ступени.
Коэффициент нагрузки определяем по формуле:
kH = kHβ* kHV,
где kHβ = 1,02 – коэффициент концентрации нагрузки (при ψвd = в/d= = 0,93) [3];
kHV = 1,03 – динамический коэффициент (при υ= π*d*п/30 =
= π*d*Пб*иозп*и/30 = 1,68 м/с);
Тогда:
kH = 1,02*1,03 = 1,0506;
Получаем расчетное контактное напряжение равно:
64,02*10 ³*1,0506*2*10 (3,91 + 1)
σН = 1,18*√ * = 488 МПа;
55 ²*50,9*sin40º 3,91
Следовательно, условие прочности по контактным напряжениям выполняется, т.к.:
σН = 488 МПа < [σН] = 518 МПа.
-
Определение расчетного изгибного напряжения
Расчет прочности зубьев по изгибным напряжениям произведем по формуле [3]:
σF = УFs*Ft*kF/вw*т,
где УFs – коэффициент формы зуба;
Ft – окружная сила, Н;
kF – коэффициент нагрузки по изгибным напряжениям;
Для шестерни УFs = 4,08 (при z=22 и х=0), для колеса УFs = 3,73 (при z=86 и х=0) [3].
Окружная сила для шестерни Ft = 2,328 кН, для колеса Ft = 2,259 кН.
Рассчитаем коэффициенты нагрузки по изгибным напряжениям для шестерни и колеса [3]:
kF = kFβ* kFV,
где kFβ1 = 1,05 и kFβ2 = 1 – коэффициенты концентрации нагрузки для шестерни и колеса (при ψвd1 = в/d= = 0,93 и ψвd2 = в/d= = 0,24) [3];
kHV = 1,02 – динамический коэффициент (при υ= π*d*п/30 =
= π*d*Пб*иозп*и/30 = 1,68 м/с);
Тогда:
kF1 = 1,05*1,02 = 1,071;
kF2 = 1*1,02 = 1,02;
Получаем расчетные контактные напряжения равны:
σF1 = 4,08*2,328*10 ³*1,071/50,9*2,5 = 80 МПа;
σF2 = 3,73*2,259*10 ³*1,02/50,9*2,5 = 68 МПа;
Следовательно, условие прочности по изгибным напряжениям выполняется, т.к.:
σF1 = 80 МПа < [σF]1 = 278 МПа;
σF2 = 68 МПа < [σF]2 = 237 МПа.
-
Определение размеров валов зубчатых колес и выбор подшипников
Диаметры различных участков валов редуктора определим по формулам [2]:
быстроходный вал
d ≥ (7…8) ³√T1Б = (7…8) ³√6,93 = (13,3…15,25) = 15 мм;
dП ≥ d +2*t,
где t = 2 – высота буртика [2];
Получим:
dП ≥ 15 + 2*2 = 19 мм;
Принимаем dП = 20 мм;
dБП ≥ dп +3*r,
где r = 1,6 – координата фаски подшипника;
Получим:
dБП ≥ 20 + 3*1,6 = 24,8 мм;
диаметр dБП округляем в ближайшую сторону до стандартного значения dБП = 24 мм.
промежуточный вал
dк ≥ (6…7) ³√T1тш = (6…7) ³√64,02 = (24…28) = 25 мм;
dБК ≥ dк +3*f,
где f = 1 – размер фаски [2];
Получим:
dБК ≥ 25 + 3*1 = 28 мм;
dП = dк – 3*r = 25 – 3*1,6 = 20,2 мм;
диаметр dП округляем в ближайшую сторону до стандартного значения
dП = 20 мм;
dБп ≥ dП +3*r = 20 +3*1,6 = 24,8 мм;
диаметр dБП округляем в ближайшую сторону до стандартного значения
dБП = 24 мм.
Тихоходный вал
d ≥ (5…6) ³√T2тк = (5…6) ³√242,82 = (31,5…37,8) = 36 мм;
dП ≥ d +2*t = 36 + 2*2 = 40 мм;
dБп ≥ dП +3*r = 40 + 3*1,6 = 44,8 мм;
диаметр dБП округляем в ближайшую сторону до стандартного значения
dБП = 42 мм;
dк = dБП = 42 мм.
рис.5 Валы редуктора
Для быстроходного вала выбираем роликовые радиальные подшипники с короткими цилиндрическими роликами тип 2000: d = 20 мм, D = 47 мм, В = 14 мм, r = 1,5 мм и грузоподъемность С = 11,9 кН;
Для тихоходного вала выбираем шариковые радиальные однорядные подшипники 208 легкой серии: d = 40 мм, D = 80 мм, В = 18 мм, r = 2 мм и грузоподъемность С = 25,6 кН;
Для промежуточного вала выбираем шариковые радиальные однорядные подшипники 304 легкой серии: d = 20 мм, D = 47 мм, В = 14 мм,
r = 1,5 мм и грузоподъемность С = 10 кН.
11.
Расчет подшипников промежуточного вала на грузоподъемность
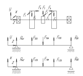
Рассмотрим промежуточный вал, а также действующие на него нагрузки:
рис. 6 действующие нагрузки на промежуточный вал
Определим реакции, возникающие в подшипниках от усилий Ft2Б и Ft1т в плоскости ОУZ:
Ra1 = RB1 = ∑ Ft/2 = -2*Ft2б + Ft1т /2 = -2*0,488 + 2,328/2 = 0,676 кН;
Определим реакции, возникающие в подшипниках от усилий Fr2Б и Fr1т в плоскости ОXZ:
Ra2 = RB2 = ∑ Fr/2 = -2*Fr2б + Fr1т /2 = -2*0,204 + 0,847 /2 = 0,2195 кН;
Реакции в подшипниках от усилий:
Ra = RB = √ Ra1 ² + Ra2 ² = √0,676 ² + 0,2195 ² = 0,711 кН.
Определим радиальную нагрузку, действующую на подшипник [3]:
Р = Х*V* Ra*kσ*kт,
Где Х=1 – коэффициент радиальной нагрузки;
V=1 – коэффициент вращения;
Kσ=1,3…1,5 – коэффициент безопасности, учитывающий характер нагрузки: умеренные толчки;
Kт=1 – температурный коэффициент.
Получим:
Р = 1*1*0,711*1,4*1 = 0,995 кН;
Определим долговечность работы по формуле [3]:















