124167 (689882), страница 3
Текст из файла (страница 3)
р
L = а1* а2*(С/р) *10 /60*п,
где С = 10 кН – паспортная динамическая грузоподъемность;
Р = 0,995 кН – эквивалентная нагрузка;
р = 3 – для шариковых подшипников;
а1 = 1 – коэффициент надежности;
а2 = 0,75 – обобщенный коэффициент совместного влияния качества металла и условий эксплуатации;
получим:
L = 1*0,75*(10/0,995) ³*10 /60*296,3 = 42826 ч;
Необходимо соблюдение условия:
L > Lhe = Lh*μ = 18000*0,25 = 4500 ч;
42826 ч > 4500 ч.
-
Расчет промежуточного вала на прочность
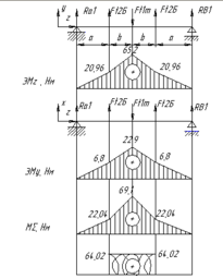
Определим расстояния между сечениями вала:
а = 31 мм;
b = 38 мм;
Построим эпюры изгибающих моментов в вертикальной плоскости (рис. 7):
1. М(z) = Ra1*z, при 0 < z < a;
М(0) = Ra1*0 = 0;
М(а) = Ra1*а = 676*0,031 = 20,96 Н*м;
2. М(z) = Ra1*(а + z) + Ft2б*z, при а < z < (a + b);
М(0) = Ra1*а = 676*0,031 = 20,96 Н*м;
М(b) = Ra1*(а + b) + Ft2б*b = 676*(0,031 + 0,038) + 488*0,038 = 65,2 Н*м;
3. М(z) = Ra1*(а + b + z) + Ft2б*(b + z) - Ft1т*z, при (а + b) < z < (a + b + b);
М(0) = Ra1*(а + b) + Ft2б*b = 676*(0,031 + 0,038) + 488*0,038 = 65,2 Н*м;
М(z) = Ra1*(а + b + b) + Ft2б*(b + b) - Ft1т*b = 676*(0,031 + 0,038 + 0,038) +
+ 488*(0,038 + 0,038) - 2328*0,038 = 20,96 Н*м;
4. М(z) = RB1*z, при 0 < z < a;
М(0) = RB1*0 = 0;
М(а) = RB1*а = 676*0,031 = 20,96 Н*м;
Построим эпюры изгибающих моментов в горизонтальной плоскости (рис. 7):
1. М(y) = Ra2*y, при 0 < y < a;
М(0) = Ra2*0 = 0;
М(а) = Ra2*а = 219,5*0,031 = 6,8 Н*м;
2. М(y) = Ra2*(а + y) + Fr2б*y, при а < y < (a + b);
М(0) = Ra2*а = 219,5*0,031 = 6,8 Н*м;
М(b) = Ra2*(а + b) + Fr2б*b = 219,8*(0,031 + 0,038) + 204*0,038 = 22,9 Н*м;
3. М(y) = Ra2*(а + b + y) + Fr2б*(b + y) - Fr1т*y, при (а + b) < y < (a + b + b);
М(0) = Ra2*(а + b) + Fr2б*b = 219,8*(0,031 + 0,038) +204*0,038 = 22,9Н*м;
М(a) = Ra2*(а + b + b) + Fr2б*(b + b) - Fr1т*b = 219,5*(0,031 + 0,038 + 0,038) + 204*(0,038 + 0,038) - 847*0,038 = 6,8 Н*м;
4. М(y) = RB2*y, при 0 < y < a;
М(0) = RB2*0 = 0;
М(а) = RB2*а = 219,5*0,031 = 6,8 Н*м;
Найдем суммарный изгибающий момент:
М ∑ = √Му ² + Мz ²;
М(0) ∑ = 0;
М(а) ∑ = √М(а) 1 + М(а) 2 = √20,96 ² + 6,8 ² = 22,04 Н*м;
М(а + b)) ∑ = √М(b) 1 + М(b) 2 = √65,2 ² + 22,9 ² = 69,1 Н*м;
Максимальный изгибающий момент М ∑ = 69,1 Н*м,
Крутящий момент Т = 64,02 Н*м.
Примем, что нормальные напряжения изменяются по симметричному циклу (σа = σтах, σМ = 0), а касательные напряжения - по пульсирующему циклу (τа = τМ = 0,5*τ). Материал вала - сталь 45
(σТ = 580 МПа, σв = 850 МПа, σ-1 = (0,4…0,5) σв = (0,4…0,5)*850 =(340…425)= 400 МПа, τ-1 = (0,2…0,3) σв = (0,2…0,3)*850 = (170…255) = 200 МПа).
Опасным сечением является сечение, где находится максимальный момент на валу - М ∑ = 69,1 Н*м.
τа = τМ = 0,5*τ = 0,5*Т/0,2*d ³ = 0,5*64,02*10 ³/02*55 ³ = 0,96 МПа;
σа = М/0,1*d ³ = 69,1*10 ³/0,1*55 ³ = 4,15 МПа;
Запас прочности рассчитаем по формуле:
sσ * sτ
s
=,
√ sσ ²* sτ ²
σ-1
s
σ =, где
kσ* σа/εσ*β + ψσ*σT
kσ = 2,5 - эффективный коэффициент концентраций напряжений при изгибе;
εσ = 0,72 - масштабный фактор;
β = 1 - фактор шероховатости поверхности;
ψσ = 0,15 - коэффициент, корректирующий влияние постоянной цикла напряжений на сопротивление усталости;
400
s
σ = = 3,94;
2,5*4,15/0,72*1 + 0,15*580
τ-1
s
τ = , где
kτ* τа/ετ*β + ψτ* τМ
kτ = 1,8 - эффективный коэффициент концентраций напряжений при кручении;
ετ = 0,72 - масштабный фактор;
β = 1 - фактор шероховатости поверхности;
ψτ = 0,1 - коэффициент, корректирующий влияние постоянной цикла напряжений на сопротивление усталости;
200
s
σ = = 80,1;
1,8*0,96/0,72*1 + 0,1*0,96
80,1*3,94
s
= = 3,93.
√80,1 ² + 3,94 ²
условие прочности соблюдается:
s > [s] = 1,5.
Проверим статическую прочность при перегрузках:
σэкв = √σи ² + 3*τ ² < [σ], где
σи = 2*М/0,1*d ³ = 2*69,1*10 ³/0,1*55 ³ = 8,3 МПа;
τ = Т/0,2*d ³ = 64,02*10 ³/0,2*55 ³ = 1,92 МПа;
[σ] = 0,8* σT = 0,8*580 = 464 МПа;
σэкв = √8,3 ² + 3*1,92 ² = 8,94 МПа;
σэкв < [σ]
8,94 МПа < 464 МПа.
рис. 7.
14. Расчет шпонок
рис. 8. Напряжения в соединении призматической шпонкой
Для колеса тихоходной ступени с диаметром вала d = 42 мм выбираем призматическую шпонку, имеющую размеры [1 ]:
b = 12 мм;
h = 8 мм;
Длину шпонки найдем из условия прочности для призматических шпонок [2 ]:
σсм = 4*Т/h*l*d ≥ [σсм], где
Т - вращающий момент на колесе тихоходной ступени;
h - высота шпонки;
l - длина шпонки;
[σсм] = 80…150 МПа - допускаемое напряжение;
Откуда:
l = 4*Т/[σсм]*h*d = 4*242,82*10 ³/120*8*42 = 24,1 мм;
L = l + b = 24,1 + 12 = 36,1 мм;
Принимаем длину шпонки L = 45 мм.
Для колеса быстроходной ступени с диаметром вала25 мм выбираем призматическую шпонку, имеющую размеры [1 ]:
b = 8 мм;
h = 7 мм;
Длину шпонки найдем из условия прочности для призматических шпонок [2 ]:
σсм = 4*Т/h*l*d ≥ [σсм], где
Т - вращающий момент на колесе быстроходной ступени;
h - высота шпонки;
l - длина шпонки;
[σсм] = 80…150 МПа - допускаемое напряжение;
Откуда:
l = 4*Т/[σсм]*h*d = 4*32,33*10 ³/120*7*25 = 6,2 мм;
L = l + b = 6,2 + 8= 14,2 мм;
Принимаем длину шпонки L = 21 мм.
14. Обоснование выбора конструкции крышек подшипников
Размеры крышки определяются, прежде всего, размером внешнего кольца подшипника. В данном случае используются закладные крышки. Эти крышки не требуют специального крепления к корпусу резьбовыми деталями. Они удерживаются кольцевым выступом, для которого в корпусе протачивают канавку. Чтобы обеспечить сопряжение торцов выступа крышки и канавки корпуса по плоскости, на наружной цилиндрической поверхности крышки перед торцом выступа делают канавку.
15. Манжетные уплотнения
Широко применяются при смазывании подшипников жидким маслом и при окружной скорости до 20 м/с манжетные уплотнения. Манжета состоит из корпуса, изготовленного из маслобензостойкой резины, каркаса, представляющего собой стальное кольцо Г- образного сечения, и браслетной пружины. Каркас придает манжете жесткость и обеспечивает плотную посаду в корпусную деталь без дополнительного крепления. Браслетная пружина стягивает уплотняющую часть манжеты, вследствие чего образуется рабочая кромка шириной
b = 0,4…0,6 мм, плотно охватывающая поверхность вала.
Манжеты, предназначенные для работы в засоренной среде. Выполняют с дополнительной рабочей кромкой, называемой «Пыльником».
Манжету обычно устанавливают открытой стороной внутрь корпуса.
К рабочей кромке манжеты в этом случае обеспечен хороший доступ смазочного масла.
16. Смазочные устройства
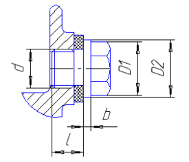
При работе передач масло постепенно загрязняется продуктами износа. С течением времени оно стареет. Свойства его ухудшаются. Поэтому масло, налитое в корпус редуктора, периодически меняют. Для этой цели в корпусе предусматривают сливное отверстие, закрываемое пробкой с цилиндрической резьбой (рис. 9). Размеры пробки:
d = М16*1.5 мм;
D1 = 21,9 мм;
D2 = 25 мм;
L = 24 мм;
l = 13 мм;
b = 3 мм.
рис.9. пробка
Для наблюдения за уровнем масла в корпусе устанавливают маслоуказатели жезловые (щупы) (рис. 10). Исполнение наклонного щупа вызывает некоторые технологические трудности при формовке корпуса и сверлении наклонного отверстия, поэтому вертикальное исполнение предпочтительнее.
рис. 10. Щуп
При длительной работе в связи с нагревом масла и воздуха повышается давление внутри корпуса, что приводит к просачиванию масла через уплотнения и стыки. Чтобы избежать этого, внутреннюю полость корпуса сообщают с внешней средой путем установки отдушин в его верхних точках (рис. 11)
рис.11.
17. Конструирование корпусных деталей и крышек
Размеры корпуса определяются числом и размерами размещенных в них деталях, относительным их расположением и величиной зазора между ними. Для удобства сборки корпус выполняют разъемным. Плоскость разъема проходит через оси валов.
Зазор между колесами и стенками редуктора:
а = 10 мм;
Толщина стенки корпуса редуктора
δ = 2,6* √0,1*Т = 2,6 √0,1*240,4 = 5,75 ≥6 мм.
Принимаем δ = 6 мм.
Толщину стенки крышки корпуса δ1 = (0,9…1)* δ, где δ = 6 мм -
-толщина стенки корпуса. Толщину стенки крышки корпуса принимаем δ1 = 5 мм. Для уменьшения массы крышки боковые стенки выполняют наклонными.
Диаметр приливов, в которых располагаются подшипники, определяются:
Dп = 1,25*D + 10 мм;
рис. 12
17.1 Крепление крышки к корпусу
Для соединения крышки с корпусом используются болты с наружной шестигранной головкой (рис. 13).
Размеры элементов крышки и корпуса принимают:
d = 10 мм;
К = 2,7*d = 2,7*10 = 27 мм;
С = 0,5*К = 0,5*27 = 13,5 мм;
рис. 13
Для точного фиксирования положения крышки редуктора относительно корпуса применяются штифты. Размеры штифтов (рис. 14):
dшт = (0,7…0,8)*d = (0,7…0,8)*10 = (7…8) = 8 мм,где
d - диаметр крепежного болта;
lшт = 26 мм.
рис. 14
17.2 Конструирование прочих элементов редуктора
Для подъема и транспортировки крышки корпуса и собранного редуктора применяют проушины (рис. 15), отливая их заодно с крышкой. В данном случае проушина выполнена в виде ребра с отверстием.
d = 3*δ1 = 3*5 = 15 мм.
рис. 15.
Для заливки масла в редуктор и контроля правильности зацепления делают люк. Чтобы удобнее было заливать масло и наблюдать за зубчатыми колесами при сборке и эксплуатации, размеры люка должны быть максимально возможными. Люк закрывается стальной крышкой из листов толщиной δк. При среднесерийном производстве крышку выполняют штампованной (рис. 16). Для того, чтобы внутрь корпуса извне не засасывалась пыль, под крышку ставят уплотняющую прокладку. Материал прокладки - технический картон марки А толщиной 1,0…1,5 мм. Крышка крепиться к корпусу винтами с полукруглой головкой.
d = δ1 = 5 мм;
δk = (0,010…0,012)*L = (0,010…0,012)*173 = 1,73…3,46 = 3 мм;
h = (0,4…0,5)* δ1 = (0,4…0,5)*5 = 2…2,5 = 2 мм;
Н ≥0,05*L = 0,05*173 = 8,65 мм.
рис. 16.
















