124097 (689820)
Текст из файла
40
федеральное Агентство по образованию РФ
ШАХТИНСКИЙ ИНСТИТУТ (ФИЛИАЛ)
ЮЖНО-РОССИЙСКОГО ГОСУДАРСТВЕННОГО
ТЕХНИЧЕСКОГО УНИВЕРСИТЕТА (НПИ)
Факультет - ГЭФ
Кафедра - ЭУП
Специальность - 080502
Пояснительная записка
К КУРОВОМУ ПРОЕКТУ
по дисциплине: «Технология бетона строительных изделий и конструкций»
на тему: «Разработать технологическую карту на производства свай квадратного сечения»
Студент группы 3-4а ____________Шевченко Е.А.
курс, группа фамилия, и.о.
Руководитель к.т.н., доцент __________ Плешко М.С.
должность, звание фамилия, и.о.
К защите Защита принята с оценкой «__»__________2008 г. ________________________
___________________ «__»____________ 2008 г.
___________________ ________________________
подпись подпись
Шахты 2008 г.
Содержание
Введение
1. Основные положения проекта
1.1. Состав предприятия
1.2. Характеристика продукции
1.3. Сырьевые материалы и местные условия
1.4. Режим работы производства
2. Технология и организация производства
2.1. Технологическая схема производства
2.2. Расчет основных параметров технологических режимов
2.2.1. Армирование
2.2.2. Формование
2.2.3. Режим тепловой обработки (ТО)
2.2.4. Проектирование состава бетона.
2.3. Организация производства изделия
3. Проектирование технологического процесса
3.1 Расчет длительности элементных циклов
3.2. Проектная производительность линии
3.3. Расчет потребности производства в бетонных смесях, материалах и ресурсах
3.4. Численность и состав работающих
3.5. Контроль качества производства и готовой продукции
3.6. Охрана труда
Заключение
Список литературы
Введение
В современном строительстве широко используются в настоящее время изделия и конструкции различного назначения, отличающиеся по виду сырья, технологии производства в сборном и монолитном возведении зданий и сооружений. Одними из самих массовых конструкций являются бетонные и железобетонные, которые применяются и самых различных условиях. В настоящее время созданы необходимые условия для более широкого применения сборного железобетона во всех областях строительства и дальнейшего развития этой отрасли промышленности.
В настоящее время сборный железобетон получил наибольшее применение в жилищном строительстве. Другой не менее важной отраслью строительства, где сборный железобетон занимает доминирующее положение, является строительство промышленных зданий и сооружений.
С каждым годом расширяется применение сборного железобетона в железнодорожном строительстве.
Расширение промышленности сборного железобетона обусловлено размером гидротехнического, портового строительства, строительства крупных санитарно-технических инженерных сооружений, напорных и безнапорных водоводов из ЖБ труб.
Целью курсового проекта является разработка технологии производства квадратных свай в соответствии с ГОСТ 19804.2-79 и ГОСТ 19804. (Марка СНк15-40).
К основным задачам, которые необходимо решить при выполнении проекта, можно отнести: анализ состава предприятия, выпускаемой продукции и сырьевых материалов; технико-экономическое обоснование технологии и способа производства, выбор оборудования и проектирование технологической линии по производству изделия; разработку мер по контролю качества и охране труда.
1. Основные положения проекта
1.1. Состав предприятия
Состав предприятия включает в себя :
Производство ребристых плит перекрытий происходит в основном производственном цеху, размеры которого-144
18м.
Приготовление бетонной смеси происходит в бетоносмесительном цеху и производиться в смесителях, соответствующих требованиям ГОСТ 16349-70 и ГОСТ 6508-81. Для смесей тяжелого бетона применяют гравитационные смесители.
Хранение арматурной стали, поступившую на завод следует хранить в арматурном цеху в закрытых складах по профилям, классам, диаметрам и партиям на стеллажах со свободными проходами в условиях, исключающих ее коррозию и загрязнение
Складирование и хранение цемента производится в специализированных силосных складах цемента. Разгрузку и транспортирование цемента следует осуществлять пневмотранспортом. Склад для хранения цемента делают закрытым и надежно защищенным от доступа атмосферной и грунтовой влаги. Не допускается хранить цемент во временных амбарных складах, на площадках под навесами и брезентовыми покрытиями, а также вблизи материалов, выделяющих аммиак. При хранении цемента не допускается одновременное складирование в одной емкости цемента разных марок и видов.
Складируются и хранятся крупных и мелких заполнители в складе заполнителей штабельно-линейного типа и полузакрытого способа хранения.
Порошкообразные химические добавки, применяемые в производстве, хранятся в складах химических добавок. Порошкообразные добавки поступают автотранспортом на завод в мешках. Хранятся до употребления в помещении склада.
Склады горюче-смазочных материалов располагаются на отдельных участках территории предприятия. Горюче-смазочные материалы поступают в металлических бочках. Склад выполняется из негорючих материалов и ограждается железобетонной стеной.
Прошедших технический контроль изделий до отгрузки их потребителю автотранспортом хранятся в складе готовой продукции. Склад готовой продукции представляет собой открытую прямоугольную площадку, оборудованный мостовым краном.
1.2. Характеристика продукции
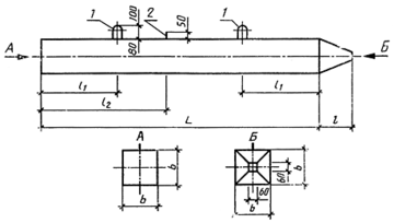
На данном заводе производят квадратные железобетонные сваи марки СНк15-40.
Сваи сплошного квадратного сечения с поперечным армированием ствола с напрягаемой продольной арматурой
Чертеж. 1
1- подъемные петли; 2- штырь для фиксации места строповки при подъеме на копер
Таблица 1
Характеристики квадратных железобетонных свай марки СНк15-40.
|
| Номинальные размеры, мм | Проектная марка | Объем бетона, | Масса сваи, | Расход стали на | ||||
| Марка сваи | L | l | l | l | b | бетона по прочности | м | т | одну сваю, |
| на сжатие | кг | ||||||||
| СНк15-40 | 15000 | 300 | 3100 | 4400 | 350 | М400 | 2,42 | 6,05 | 74,8 |
1.3. Сырьевые материалы и местные условия
Цемент
Основные характеристики цемента приведены в таблице 2:
Таблица 2
Характеристики цемента
| Цементный завод | Марка цемента | Активность цемента, МПа | Коэффициент эффективности при пропаривании | Группа эффективности при пропаривании | Стоимость, руб./т | Дальность Транспор- тирования, км | |
| в 28 сут | после ТВО | ||||||
| 1 | 2 | 3 | 4 | 5 | 6 | 7 | 8 |
| «Гигант» | М 400 | 44,3 | 32,5 | 0,733 | 1 | 680 | 1360 |
Крупный заполнитель
Основные свойства крупного заполнителя приведены в таблице 3:
Таблица 3
Свойства и стоимость крупного заполнителя
| Вид запол- нителя | Зерновой состав, % | Марка | Стои- мость, руб/т | Даль- ность, км | Транс- порт | ||||||||
| d | 0,5(d+D) | D | 1,25D | прочность, МПа | дробимость, % | ||||||||
| в сухом состоянии | в водонасыщенном состоянии | ||||||||||||
| Щебень из гравия | 31,5-39,4 | 50,6-61,7 | 3,4-5,7 | 3,4-4,3 | 80 | 13,2 | 13,5 | 155 | 390 | Ж/Д | |||
Мелкий заполнитель
Основные свойства песка приведены в таблице 4:
Таблица 4
Свойства и стоимость песка
| Карьер | Полные остатки | ПГ | Стои- мость, руб/т | Даль- ность, км | Tранспорт | ||||||||
| 1,25 | 0,63 | 0,315 | 0,16 | <0,16 | |||||||||
| Аксайский | 1,3 | 1,5 | 1,8 | 6,4 | 100 | 2,1 | 90 | 25 | Автомобиль | ||||
Арматурная сталь
Арматурная сталь поставляется из РМЗ и основные свойства приведены в таблице 5:
Таблица 5
Свойство арматурной стали
| Вид арматуры | Класс арматуры | Марка стали | Диаметр |
| Арматурные канаты | К-7 | 23Х2Г2Т | 12 |
Вода
Для приготовления бетонной смеси используют водопроводную питьевую, а также любую воду имеющую водородный показатель рН не менее 4, тоисть не кислую, не окрашивающую лакмусовую бумагу в красный цвет. Вода не должна содержать сульфатов более 2700
(в пересчете на
) и всех солей более 5000
.В сомнительных случаях пригодность воды для приготовления бетонной смеси необходимо проверять путем сравнительных испытаний образцов, изготовленных на данной воде и на обычной водопроводной.
Для получения ровной и гладкой поверхности ж/б изделий производим смазку рабочих поверхностей форм эмульсионной смазкой в виде эмульсии «масло в воде » (прямая эмульсия) с содержанием эмульсола ЭКС в количестве 10 мл на 100мл смазки. Эмульсионную смазку следует наносить распылением через форсунку. Расход эмульсионных смазок составляет 200-300г на 1
поверхности форм.
Смазка
0>Характеристики
Тип файла документ
Документы такого типа открываются такими программами, как Microsoft Office Word на компьютерах Windows, Apple Pages на компьютерах Mac, Open Office - бесплатная альтернатива на различных платформах, в том числе Linux. Наиболее простым и современным решением будут Google документы, так как открываются онлайн без скачивания прямо в браузере на любой платформе. Существуют российские качественные аналоги, например от Яндекса.
Будьте внимательны на мобильных устройствах, так как там используются упрощённый функционал даже в официальном приложении от Microsoft, поэтому для просмотра скачивайте PDF-версию. А если нужно редактировать файл, то используйте оригинальный файл.
Файлы такого типа обычно разбиты на страницы, а текст может быть форматированным (жирный, курсив, выбор шрифта, таблицы и т.п.), а также в него можно добавлять изображения. Формат идеально подходит для рефератов, докладов и РПЗ курсовых проектов, которые необходимо распечатать. Кстати перед печатью также сохраняйте файл в PDF, так как принтер может начудить со шрифтами.














