123828 (689641)
Текст из файла
Проектирование горизонтального цилиндрического редуктора
Введение
В данной работе проектируется горизонтальный цилиндрический редуктор. Закрытая передача косозубая, зубья у колеса наклонены вправо. Открытая передача – клиноременная, ведомый шкив расположен на быстроходном валу и закреплен на нем стопорной многолапчатой шайбой и круглой шлицевой гайкой. Передача вращающего момента на тихоходном валу происходит за счет упругой муфты с торообразной оболочкой. В редукторе находится две пары шариковых однорядных подшипников, установленных по схеме враспор. На обоих валах крышки подшипников (глухая и с жировыми канавками) врезные. Крышка корпуса крепится к основанию с помощью болтов. Подшипники смазываются пластичными материалами. С внутренней стороны подшипниковых узлов полости подшипников закрываются уплотнительными шайбами. Смазывание зацепления осуществляется жидким маслом картерным непроточным способом (окунанием). Масло заливают в редуктор через люк, который закрывается крышкой, а сливают – через специальное отверстие, закрываемое пробкой с цилиндрической резьбой. Для отслеживания уровня масла к корпусу прикреплен круглый маслоуказатель. Предварительная сборка корпуса осуществляется с помощью штифтов. Для обеспечения разъединения крышки и основания, склеенных уплотняющим покрытием, при разборке применяем отжимные винты, которые ставим в двух противоположных местах крышки корпуса.
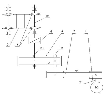
1. Кинематическая схема привода
| Исходные данные: Тяговая сила цепи Скорость тяговой цепи Шаг тяговой цепи Число зубьев звездочки Срок службы привода |
| Валы: В1 – двигателя, В2 – быстроходный редуктора, В3. тихоходный редуктора, В4 – рабочей машины (тяговой цепи) | |
2. Выбор электродвигателя. Кинематический и силовой расчет привода
2.1 Определение номинальной мощности и номинальной частоты вращения двигателя
Мощность двигателя зависит от требуемой мощности рабочей машины, а его частота вращения – от частоты вращения приводного вала рабочей машины.
Исходные данные:
– тяговая сила цепи конвейера,
– скорость цепи конвейера.
-
Определяем требуемую мощность конвейера:
-
Определяем КПД привода:
где
– КПД закрытой передачи (цилиндрический редуктор),
– КПД открытой передачи (клиноременная передача),
– КПД муфты,
– КПД подшипников качения (по кинематической схеме в редукторе две пары подшипников),
– КПД подшипников скольжения (по схеме на приводном валу конвейера одна пара подшипников).
-
Находим требуемую мощность двигателя:
.
Из условия
по таблице диапазонов мощностей трехфазных асинхронных двигателей серии 4А (А.Е. Шейнблит «Курсовое проектирование деталей машин», таблица 2.1, стр. 41) выбираем ближайшее к требуемой мощности двигателя значение номинальной мощности
.
-
По значению номинальной мощности
выбираем четыре варианта типа двигателя серии А4:
| Вариант | Тип двигателя | Номинальная мощность | Частота вращения, об/мин | |
| синхронная | При номинальном режиме | |||
| 1 | 4АМ112МАУ3 | 2,2 | 750 | 700 |
| 2 | 4АМ100L6У3 | 2,2 | 1000 | 950 |
| 3 | 4АМ90L4У3 | 2,2 | 1500 | 1425 |
| 4 | 4АМ80В2У3 | 2,2 | 3000 | 2850 |
2.2 Определение передаточного числа привода
Исходные данные:
– скорость тяговой цепи конвейера,
– число зубьев звездочки,
– шаг тяговой цепи.
-
Определяем частоту вращения приводного вала конвейера:
– диаметр барабана,
.
-
Находим передаточное число привода для каждого варианта:
,
,
,
,
.
-
Передаточное число привода
.
Рекомендуемые значения передаточных чисел для открытой ременной и закрытой цилиндрической зубчатой передач соответственно:
,
.
Следовательно, передаточное число привода
.
В этот промежуток попадают передаточные числа для первого и второго вариантов двигателя. Из двух вариантов выбираем второй (
,
), так как первый вариант (
;
) не рекомендуется для приводов общего назначения.
Выбрали двигатель 4АМ100L6У3
-
Производим разбивку передаточного числа привода:
,
2.3 Кинематический и силовой расчет привода
Индексом Б обозначены параметры быстроходного вала, Т – тихоходного, дв – двигателя, вых – конвейера.
-
Кинематические характеристики:
Частоты вращения:
,
,
,
.
Угловые скорости:
,
,
,
.
-
Силовые характеристики:
Мощности:
,
,
,
.
Вращающие моменты:
,
,
,
.
| Тип двигателя 4АМ100L6 У3 | |||||||||
| Параметр | Передача | Параметр | Вал | ||||||
| закрытая цилиндр. зубчатая | открытая ременная | двигателя | редуктора | тяговой цепи | |||||
| быстроходный | тихоходный | ||||||||
| Передаточное число | 5,0 | 3,68 | Расчетная мощность Р, кВт | 1,69 | 1,64 | 1,59 | 1,54 | ||
| Угловая скорость | 99,48 | 27,03 | 5,41 | 5,41 | |||||
| КПД | 0,97 | 0,97 | Частота вращения п, об/мин | 950 | 258,15 | 51,63 | 51,63 | ||
| Вращающий момент Т, | 16,98 | 60,91 | 293,96 | 285,2 | |||||
3. Расчет и конструирование открытой клиноременной передачи
3.1 Проектный расчет клиноременной передачи
Данные, необходимые при расчете:
– передаточное число ременной передачи;
– номинальная мощность двигателя.
-
По номограмме выбираем нормальное сечение ремня А, так как
,
. -
Определяем минимально допустимый диаметр ведущего шкива
, так как
. -
В целях повышения срока службы ремней применим ведущий шкив с расчетным диаметром
на порядок выше, чем
. -
Определяем диаметр ведомого шкива:
,
где
– коэффициент скольжения.
Полученное значение округляем до ближайшего стандартного:
.
-
Определяем фактическое передаточное число и проверяем его отклонение от заданного
:
.
.
-
Определим ориентировочное межосевое расстояние:
,
где
– высота сечения для клинового ремня нормального сечения А.
-
Находим расчетную длину ремня:
Предварительный расчет показал, что для обеспечения угла обхвата ремнем ведущего шкива
необходимо взять
, а не
, которое, которое ближе к полученному значению
.
-
Уточним значение межосевого расстояния по стандартной длине:
.
-
Определяем угол обхвата ремнем ведущего шкива:
,
при этом выполнено условие
.
-
Находим скорость ремня:
,
где
– частота вращения ведущего шкива,
– допускаемая скорость ремня;
-
Определяем частоту пробегов ремня:
,
где
– допускаемая частота пробегов ремня.
-
В зависимости от типа ремня, его сечения, скорости
, м/с, и диаметра ведущего шкива
, мм, выбираем интерполированием (А.Е. Шейнблит «Курсовое проектирование деталей машин», таблица 5.5, стр. 89) допускаемую приведенную мощность, передаваемую одним клиновым ремнем:
.
Для дальнейших расчетов выбираем поправочные коэффициенты:
– коэффициент динамичности нагрузки и длительности работы (при нагрузке с умеренными колебаниями с учетом двухсменной работы);
– коэффициент угла обхвата
на меньшем шкиве;
– коэффициент влияния отношения расчетной длины ремня
к базовой
,
;
– коэффициент числа ремней в комплексе клиноременной передачи (при ожидаемом числе ремней
).
Определяем допускаемую мощность, передаваемую одним клиновым ремнем:
Характеристики
Тип файла документ
Документы такого типа открываются такими программами, как Microsoft Office Word на компьютерах Windows, Apple Pages на компьютерах Mac, Open Office - бесплатная альтернатива на различных платформах, в том числе Linux. Наиболее простым и современным решением будут Google документы, так как открываются онлайн без скачивания прямо в браузере на любой платформе. Существуют российские качественные аналоги, например от Яндекса.
Будьте внимательны на мобильных устройствах, так как там используются упрощённый функционал даже в официальном приложении от Microsoft, поэтому для просмотра скачивайте PDF-версию. А если нужно редактировать файл, то используйте оригинальный файл.
Файлы такого типа обычно разбиты на страницы, а текст может быть форматированным (жирный, курсив, выбор шрифта, таблицы и т.п.), а также в него можно добавлять изображения. Формат идеально подходит для рефератов, докладов и РПЗ курсовых проектов, которые необходимо распечатать. Кстати перед печатью также сохраняйте файл в PDF, так как принтер может начудить со шрифтами.
.
,
, так как
.
на порядок выше, чем
.
:
, м/с, и диаметра ведущего шкива
, мм, выбираем интерполированием (А.Е. Шейнблит «Курсовое проектирование деталей машин», таблица 5.5, стр. 89) допускаемую приведенную мощность, передаваемую одним клиновым ремнем:
.














