123802 (689623), страница 3
Текст из файла (страница 3)
По конструктивному исполнению выбираем светильник со степенью защиты IP20, так как среда в помещении сухая. По светотехническим характеристикам световой прибор выбирается с кривой силы света М или Д.
Выбираем светильник: ЛСП 02 с КСС – «Д-2» ηобщ = 75%
1.5.1 Определяем расчетную высоту осветительной установки
Нр = Н0 – hсв – hр
где Н0 = 2,4 – высота помещения, м.
hсв = 0 – высота свеса светильника, м.
hр = 0,8 – высота рабочей поверхности от пола, м.
Нр = 2,4-0-0,8 = 1,6 м.
1.5.2 Найдем оптимальные расстояния между светильниками
с·Нр L э·Нр
где с и э – относительное светотехническое и энергетическое наивыгоднейшее расстояние между светильниками.
Нр – расчетная высота осветительной установки, м.
с = 1,4; э = 1,6 для КСС – «Д»
2,24м ≤ L ≤ 2,56м.
Определим количество световых приборов в помещении:
.
.
.
Рисунок 3 – Лаборатория
1.5.3 Определение мощности светового прибора
Лабораторию рассчитываем методом коэффициента использования, так как этот метод используется для расчета закрытых помещений при общей равномерной системе освещения.
Коэффициенты отражения ограждающих конструкций:
ρпотолка = 70%; ρстен = 50%; ρпола = 30%.
Индекс помещения:
i = a·b/Hр·(a + b)
где a, b – длина и ширина помещения, м.
i = 3·4 / 1,6·(3+4) = 1,07.
Коэффициент использования светового потока осветительной установки: ηоу = 0,51.
Этот коэффициент учитывает долю светового потока генерируемого источником света, доходящую до рабочей поверхности.
Световой поток светильника:
Фр = Енор·А·Кз·Z / N·ηоу·ηсв
где А – площадь помещения, м2;
Z = 1,1 – коэффициент неравномерности;
N – число светильников.
Фсв = 300·12·1,3·1,1 / 2·0,51·0,75 = 6729 лм.
Фл =6729/2=3365 лм.
По численному значению потока и каталожным данным выбираем лампу:
ЛБ – 40 -1 с Фк = 3200 лм.
Определим отклонение расчетного светового потока от каталожного:
-0,1 ≤ (Фк – Фр)/Фр ≤ +0,2
(3200-3365)/3365 = - 0,049 – отклонение находится в допустимых пределах.
Мощность светильника: Рл = 40 Вт Рсв = 80 Вт.
Удельная мощность:
Руд = Рсв·N/A, Вт/м2;
Руд = 80·2/12 = 13,33 Вт/м2.
1.6 Помещение №4 (Инвентарная)
Вид освещения: рабочее; система: общая – равномерная.
Нормированная освещенность Енор = 10 лк, при лампах накаливания.
Коэффициент запаса для с. – х. помещений при ЛН: Кз = 1,15, выбирается для того, чтобы освещенность не снижалась ниже нормируемого значения.
Выбор светового прибора:
По конструктивному исполнению выбираем светильник со степенью защиты IP54, так как среда в помещении сухая и пыльная. По светотехническим характеристикам световой прибор выбирается с кривой силы света М или Д.
Выбираем светильник: НСР 01 с КСС – «М» ηобщ = 75%
1.6.1 Определяем расчетную высоту осветительной установки
Нр = Н0 – hсв – hр
где Н0 = 2,4 – высота помещения, м.
hсв = 0,3 – высота свеса светильника, м.
hр = 0 – высота рабочей поверхности от пола, м.
Нр = 2,4-0,3-0 = 2,1 м.
1.6.2 Найдем оптимальные расстояния между светильниками
с·Нр L э·Нр
где с и э – относительное светотехническое и энергетическое наивыгоднейшее расстояние между светильниками.
Нр – расчетная высота осветительной установки, м.
с = 2,0; э = 2,6 для КСС – «М»
4,2 м ≤ L ≤ 5,46 м.
Определим количество световых приборов в помещении:
.
.
.
Рисунок 4 – Инвентарная
1.6.3 Определение мощности светового прибора
Инвентарную рассчитываем методом коэффициента использования, так как этот метод используется для расчета закрытых помещений при общей равномерной системе освещения.
Коэффициенты отражения ограждающих конструкций: ρпотолка = 50%; ρстен = 30%; ρпола = 10%.
Индекс помещения:
i = a·b/Hр·(a + b)
где a, b – длина и ширина помещения, м.
i = 3·2 / 2,1 ·(3+2) = 0,57.
Коэффициент использования светового потока осветительной установки: ηоу = 0,14.
Этот коэффициент учитывает долю светового потока генерируемого источником света, доходящую до рабочей поверхности.
Световой поток светильника:
Фр = Енор·А·Кз·Z / N·ηоу·ηсв
где А – площадь помещения, м2;
Z = 1,1 – коэффициент неравномерности;
N – число светильников.
Фр = 10·6·1,15·1,1 / 1·0,14·0,75 = 723 лм.
По численному значению потока и каталожным данным выбираем лампу:
Б 215-225-60 с Фк = 730 лм.
Определим отклонение расчетного светового потока от каталожного:
-0,1 ≤ (Фк – Фр)/Фр ≤ +0,2
(730-723)/723 = 0,009 – отклонение находится в допустимых пределах.
Мощность светильника: Рл = 60 Вт.
Удельная мощность:
Руд = Рл·N/A, Вт/м2;
Руд = 60·1/6 = 10 Вт/м2.
1.7 Помещение №5 (Электрощитовая)
Вид освещения: рабочее; система: общая – равномерная.
Нормированная освещенность Енор = 75 лк, при лампах накаливания.
Коэффициент запаса для с. – х. помещений при ЛН: Кз = 1,15, выбирается для того, чтобы освещенность не снижалась ниже нормируемого значения.
По конструктивному исполнению выбираем светильник со степенью защиты IP20, так как среда в помещении сухая, отапливаемая. По светотехническим характеристикам световой прибор выбирается с кривой силы света М или Д.
Выбираем светильник: НСП 01 с КСС – «Д2» ηобщ = 76%
1.7.1 Определяем расчетную высоту осветительной установки
Нр = Н0 – hсв – hр
где Н0 = 2,4 – высота помещения, м.
hсв = 0 – высота свеса светильника, м.
hр = 1,5 – высота рабочей поверхности от пола, м.
Нр = 2,4-1,5 = 0,9 м.
1.7.2 Найдем оптимальные расстояния между светильниками
с·Нр L э·Нр
где с и э – относительное светотехническое и энергетическое
наивыгоднейшее расстояние между светильниками.
Нр – расчетная высота осветительной установки, м.
с = 1,4; э = 1,6 для КСС – «Д2».
1,26м ≤ L ≤ 1,44м.
Определим количество световых приборов в помещении:
.
.
.
1.7.3 Определение мощности светового прибора
Электрощитовую рассчитываем точечным методом, так как он применяется для расчета общего равномерного и локализованного освещения помещений и открытых пространств, а также местного освещения при любом расположении освещаемых поверхностей и дает наиболее точные результаты расчета.
Рисунок 5 – Электрощитовая
Далее определяют в данной контрольной точке условную освещенность по формуле:
,
где еi – условная освещенность контрольной точки i-го светильника, которую в свою очередь определяют по следующей формуле:
,
где - угол между вертикалью и направлением силы света светильника в расчетную точку; J1000 - сила света i-го светильника с условной лампой (со световым потоком в 1000 лм) в направлении расчетной точки. Численное значение J1000 определяют по кривым силы света.
.
.
кд.
лк.
С учетом этой освещенности рассчитывают световой поток источника света в светильнике по следующей формуле:
,
где - коэффициент, учитывающий дополнительную освещенность за счет влияния удаленных светильников и отражения от ограждающих конструкций;
1000 – световой поток лампы;
св – КПД светильника.
лм.
По численному значению потока и каталожным данным выберем стандартную лампу: БК-215-225-100, ФН=1380 лм.
Рассчитаем отклонение расчетного потока от каталожного по формуле:
.
.
Определим удельную мощность осветительной установки по формуле:
Вт/м2.
1.8 Помещение №6 (Площадка перед входом)
Вид освещения: дежурное; система: общая – равномерная.
Нормированная освещенность Енор = 2 лк, при лампах накаливания.
Коэффициент запаса для с. – х. помещений при ЛН: Кз = 1,15, выбирается для того, чтобы освещенность не снижалась ниже нормируемого значения.
Выбор светового прибора:
По конструктивному исполнению выбираем светильник со степенью защиты IP54, так как помещение сырое и пыльное. По светотехническим характеристикам световой прибор выбирается с кривой силы света М или Д.
Выбираем светильник: НСП 03М с КСС – «М» ηобщ = 85%
1.8.1 Определяем расчетную высоту осветительной установки
Нр = Н0 – hсв – hр,
где Н0 = 2,4 – высота помещения, м.
hсв = 0,3 – высота свеса светильника, м.
hр = 0 – высота рабочей поверхности от пола, м.
Нр = 2,4-0,3-0 = 2,1 м.
1.8.2 Найдем оптимальные расстояния между светильниками
с·Нр L э·Нр
где с и э – относительное светотехническое и энергетическое наивыгоднейшее расстояние между светильниками.
Нр – расчетная высота осветительной установки, м.
с = 2,0; э = 2,6 для КСС – «М»
4,2м ≤ L ≤ 5,46м.
Определим количество световых приборов в помещении:
.
.
.
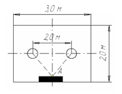
Рисунок 6 – Площадка перед входом
1.8.3 Определение мощности светового прибора
Площадку перед входом рассчитываем точечным методом, так как он применяется для расчета общего равномерного и локализованного освещения помещений и открытых пространств, а также местного освещения при любом расположении освещаемых поверхностей и дает наиболее точные результаты расчета.
Определим условную освещенность контрольной точки А от светильника:
еi = Iα1000·Cos3α/Hp2
где Iα1000 – сила света i-го светильника с условной лампой (со световым потоком 1000 лм);
α – угол между вертикалью и направлением силы света светильника в расчетную точку.
α = arctg d/Hp = arctg 3,76/2,1 = 60,81º;
Iα = 132 лк – так как КСС – «М»
еА = Iα11000·Cos3α1/Hp2 = 132·0,116/2,12 = 3,47 лк.
Определим световой поток источника света в светильнике:
Фсв = Ен·1000·kз/μ·
еА·ηс















