122808 (689243), страница 4
Текст из файла (страница 4)
(2.1)
для цепей статора и
(2.2)
для цепей ротора.
В представленных системах уравнений приняты следующие обозначения:
=
=
=
– активные сопротивления фаз статора;
=
=
=
– активные сопротивления фаз ротора;
,
,
,
,
,
– мгновенные фазные напряжения статора и ротора;
,
,
,
,
,
– мгновенные фазные токи в обмотках статора и ротора;
,
,
,
,
,
– потокосцепления обмоток статора и ротора.
Для связи между потокосцеплениями и токами в обмотках воспользуемся законом Ампера, тогда:
(2.3)
для статора
(2.4)
для ротора.
Уравнения потокосцеплений показывают зависимость от токов в каждой обмотке через взаимоиндукцию. В уравнениях (2.3 и 2.4) коэффициенты
,
,
,
,
,
являются собственными индуктивностями соответствующих обмоток, все остальные – индуктивности между соответствующими обмотками.
Не забывая о том, что системы уравнений (2.1 – 2.4) связывают исключительно скалярные величины, выражение для электромагнитного момента представим в следующем виде [60]:
,(2.5)
где
это число пар полюсов рассматриваемого АД.
На основании второго закона Ньютона представим уравнение для движения и равновесия моментов на валу АД:
,(2.6)
где
– момент инерции на валу АД,
– угловая частота вращения ротора,
– момент развиваемый АД и
– момент приложенный к валу двигателя со стороны нагрузки.
Изначально АД является трёхфазной электрической машиной с неявнополюсным ротором. Анализируя режимы работы АД в составе нагрузочного моментного ЭП и совокупность принятых выше допущений можно предположить правомерность использования для математического описания эквивалентной двухфазной модели.
На пути упрощения математического описания АД оказался подходящим метод пространственного вектора, позволяющий существенно упростить и сократить вышеприведённую систему уравнений; метод позволяет связать уравнения (2.1 – 2.6) в единую систему с векторными переменными состояния. Суть метода состоит в том, что мгновенные значения симметричных трёхфазных переменных состояния (напряжение, токи, потокосцепления) можно математически преобразовать так, чтобы они были представлены одним пространственным вектором.
Представим систему уравнений с векторными переменными состояния для случая с произвольной ориентацией системы координат [21, 36]:
(2.7)
Здесь
,
,
,
,
и
- двухэлементные векторы напряжений, токов и потокосцеплений, представленные в произвольно ориентированной ортогональной (двухфазной) системе координат в виде составляющих по координатным осям. Переменная
служит для задания произвольной частоты вращения координатной системы. Вспомогательная матричная константа j служит для «переворота» компонентов векторных переменных и позволяет упростить форму записи системы уравнений.
Раскрывая содержание пространственных векторов, получаем следующее:
,
,
,
,
,
,
.(2.8)
Система координат с принудительной ориентацией по вектору потокосцепления ротора
При решении задач разработки систем управления для АД необходимо рассматривать его имитационную модель с позиций объекта оптимального управления.
В теории систем управления асинхронными электроприводами при моделировании АД нашел место уникальный принцип ориентации системы координат по вектору потокосцепления ротора.
В данном случае имитационная модель АД приобретает определенное сходство со структурной схемой машины постоянного тока, где возможно раздельное управление магнитным состоянием и моментом на валу двигателя.
Математически условие ориентации применительно) выражается следующим образом:
;
;
.
Уравнения, описывающие АД в системе координат с принудительной ориентацией по вектору потокосцепления ротора.
В системе
представляет собой скольжение системы координат, а
соответственно скорость её вращения. Данные параметры определяются в соответствии со следующими выражениями:
;
.
В системе уравнений переменные с индексами «x» и «y» соответствуют компонентам пространственного вектора в координатной системе с ориентацией по вектору потокосцеплений ротора
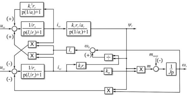
. С помощью правил создания и преобразования структурных схем, принятых в теории автоматического управления , представим систему уравнений в виде структурной схемы. На рис. представлена структурная схема, имитационной модели АД в системе координат с ориентацией по вектору потокосцепления ротора
.
Рисунок 10 – Структурная схема имитационной модели АД в системе координат с ориентацией по вектору потокосцепления ротора
Модель АД, представленная на рис. удобна для реализации и расчёта в любом из прикладных программных продуктов, поддерживающих объектно-структурное моделирование систем (Simulink-Matlab, Windora и т.д.). Для исследования и проверки адекватности созданной модели АД удобно выполнить её реализацию в среде Simulink-Matlab. В данной системе симметричные трёхфазные напряжения, представленные в относительных единицах подвергаются преобразованию Кларка и поступают в виде компонентов пространственного вектора напряжений
и
на входы координатного преобразователя Парка-Горева. Формулы для координатного преобразования Парка-Горева, позволяющего реализовать переход от стационарной системы координат к вращающейся представлены ниже:
Здесь
,
- составляющие пространственного вектора напряжения статора
, представленные в стационарной системе координат;
,
- составляющие вектора напряжения статора
, представленные во вращающейся системе координат;
- угол поворота вращающейся координатной системы (угол ориентации). Параметр
связан с угловой скоростью вращения координатной системы
благодаря следующему выражению:
.
Графически преобразование Парка-Горева иллюстрируется на рис.
Рисунок 11 – График преобразований Парка-Горева для связи между вращающейся и стационарной системой координат
Координатный преобразователь Парка-Горева сориентирован совместно с системой координат разработанной имитационной модели АД. Благодаря этому на входы модели по напряжению
и
поступают компоненты пространственного вектора напряжения, представленного во вращающейся системе координат.
3.2 Структурный и параметрический синтез регуляторов системы управления технологическим процессом
Системы векторного управления представляют собой класс систем автоматического управления ЭП переменного тока во вращающихся и определённым образом сориентированных системах координат с подчинённым регулированием переменных. Способ ориентации системы координат по вектору потокосцепления ротора управляемого АД делает схожим организацию системы векторного управления на структуру управления классическим ЭП постоянного тока с независимым возбуждением. Согласно анализу требований, предъявляемых к моментному ЭП, для управления АД в составе нагрузочного испытательного стенда наиболее подходящим способом является именно векторное управление с ориентацией системы координат по вектору потокосцепления ротора. В рамках синтеза управляющей системы предполагается разработка модифицированной системы векторного управления с учётом особенностей работы нагрузочного асинхронного ЭП в составе испытательного стенда.
При синтезе регуляторов для управления составляющими вектора
тока статора и потокосцеплением ротора использовался метод определения
желаемой передаточной функции с настройкой на модульный оптимум.
Для контуров управления частотой вращения и положением, ввиду минимизации ошибки по возмущению использована настройка на симметричный оптимум. По итогам синтеза регуляторов показатели качества в линеаризованной системе соответствуют ожидаемым значениям.
Контуры управления составляющими вектора тока статора
Для нахождения требуемой передаточной функции регулятора
(p) выделим из всей системы ЭП отдельно взятый контур, рисунок 18 и сопоставим передаточную функцию объекта управления с желаемой с учётом используемой системы относительных единиц.
Рисунок 12 – Контур управления составляющей пространственного вектора тока статора
Согласно методике настройки на модульный оптимум, получаем выражение для передаточной функции регулятора:
,
где
















