122808 (689243), страница 3
Текст из файла (страница 3)
При реализации системы управления технологическим процессом испытаний ЭП лифтов используется последовательная система выработки управляющих воздействий на объект управления. В качестве управляющего воздействия используется задание на момент нагрузочного электродвигателя. В зависимости от стадии технологического процесса задание на момент меняется по циклограмме нагрузочного момента, которая подбирается индивидуально для каждого испытуемого электропривода. Таким образом формируется сигнал управления электроприводом МЗАД, который в свою очередь управляет нагрузочным двигателем и соответственно технологическим процессом.
Рисунок 6 – Область существования механических характеристик нагрузочного электропривода: Мном – номинальный момент привода; ном – номинальная скорость;
К основным управляющим функциям относятся:
- стабилизация переменных технологического процесса на некоторых постоянных значениях, согласно ТП;
- изменение режима процесса (управление процессом) при регулировании задающего воздействия МЗАД;
- формирование и реализация управляющих воздействий, обеспечивающих достижение оптимального ТП;
- программно-логическое управление – автоматизированные пуск и останов технологического оборудования.
Точность управления является основным показателем качества технической реализации схемы технологического процесса. Чтобы добиться желаемого (оптимального) хода технологического процесса система управления должна выполнять с необходимой скоростью, следующие взаимосвязанные операции:
- фиксировать и анализировать информацию о состоянии процесса;
- регистрировать значения одних технологических переменных (момент, развиваемый на валу АД) и стабилизировать другие (скорость приводного двигателя);
1.6 Определение основных требований к ведению технологического процесса, формирование критерия качества и цели управления
Электромагнитный момент нагрузочного АД должен быть достаточен для гарантированного получения нагрузочных усилий, характерных для электропривода лифта. Развиваемый момент нагрузочного электропривода должен быть ограничен на уровне, предупреждающем поломку или деформацию места соединения валов нагрузочного и испытуемого электродвигателей:
где М – момент на валу нагрузочного электропривода,
МПУСК – момент трогания кабины лифта, обеспечивающий начало движения,
Мmax – максимально допустимый момент на валу электропривода, не приводящий к ухудшению эксплуатационных свойств стенда.
Погрешность регулирования по моменту и дискретность задания величины момента ограничения определяются паспортными данными на испытуемый электропривод. Согласно анализу паспортных данных на испытуемые электропривода лифтов, дискретность задания и погрешность регулирования составляет порядка 1%.
Развиваемая скорость вращения двигателя должна быть достаточной для обеспечения заданного быстродействия системы. При подходе к точке останова скорость необходимо снижать в целях предупреждения аварийных ситуаций. В целях сохранения редуктора необходимо выбирать зазор при пуске.
Одним из факторов, влияющих на производительность, является напряжение сети. Просадки и перекосы 3-х фазной сети заведомо ограничивают мощность, поступающую в двигатель, и его перегрузочную способность.
2. Разработка и выбор элементов АСУ ТП
2.1 Разработка общих алгоритмов функционирования АСУ ТП. Блок – схемы алгоритма и их описание
Система управления процессом испытания электропривода лифтов предназначена для управления нагрузочным электроприводом испытательного стенда в ручном или автоматическом режиме, разработана на базе микропроцессорного программируемого контроллера и выполняет следующие функции:
ввод, контроль и первичная обработка входных сигналов;
контроль выхода значений параметров за допустимы технологические границы, исправности датчиков и линий связи;
сбор, обработка и визуализация информации о состоянии оборудования, датчиков и линий связи;
управление нагрузочным электроприводом в соответствии с требуемыми режимами;
прием и контроль достоверности информации ручного ввода;
формирование и выдача управляющих воздействий и сообщений об отказах и отклонениях параметров;
Система визуализации обеспечивает диагностику работы комплекса технических средств и выдает сообщения об отказе элементов, что позволяет в короткие сроки локализовать и устранить причину отказа. Визуализация состояния механизма, аварийные сообщения о неисправностях и т.д. осуществляется посредством промышленного компьютера.
Рисунок 7 – Общий алгоритм функционирования системы управления
2.2 Функциональная структура системы управления ТП. Описание функциональных блоков системы
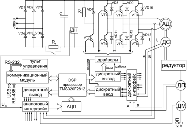
Для управления АД нагрузочного моментного ЭП был выбран преобразователь частоты фирмы «Danfoss», Дания серии VLT 3060 на базе автономного инвертора напряжения с промежуточным звеном постоянного тока, рисунок 13.
Управление инвертором осуществляется от цифрового сигнального микропроцессора TMS320F2812 компании Texas Instruments из специализированной серии C2000, предназначенной для управления ЭП подъёмных механизмов. Кроме управления инвертором на микропроцессор возложены функции стабилизации напряжения в звене постоянного тока и организация защитных процедур, осуществляемых с помощью датчиков в звене выпрямленного напряжения и датчиков тока статора АД нагрузочного ЭП.
Рисунок 8 – Функциональная схема моментного асинхронного ЭП
В режимах создания интенсивной нагрузки АД нагрузочного моментного ЭП переходит в режим генераторного торможения, что влечёт за собой повышение напряжения в звене постоянного тока. Для стабилизации напряжения используется тормозное сопротивление Rт, временно подключаемое к звену постоянного тока с помощью силового транзистора VT7. Управление ключом VT7 осуществляется от микропроцессора в режиме ШИМ.
На рисунке 14 представлена аппаратная реализация моментного асинхронного ЭП для создания усилий, имитирующих работу подъемных механизмов. Необходимый набор защитных функций, система векторного управления и формирователь моментных усилий реализованы программно на базе ресурсов микропроцессора.
Среда программирования Code Composer Studio 3.1 и аппаратные
средства для отладки микропроцессора TMS320F2812 позволяют выполнить программную реализацию системы управления и дают возможность получить графики работы в режиме реального времени.
2.3 Определение уровней управления ТП и архитектуры верхнего уровня АСУ
По функциональному назначению управление технологическим процессом испытаний электропривода лифтов разделяется на три уровня:
1. Верхний уровень – автоматизированное рабочее место оператора на базе промышленного компьютера (ПК). На этом уровне происходит визуализация переменных состояния технологического процесса, выбор алгоритма управления.
2. Средний уровень – реализация обработки информации от измерительной системы нижнего уровня и формирование управляющего сигнала для исполнительного привода (в том числе исполнительных элементов автоматики) согласно выбранному алгоритму управления. Для реализации перечисленных функций был выбран Модуль TE- TMS320F28335 на базе микроконтроллера Delfino от Texas Instruments.
Модуль включает микроконтроллер TMS320F28335, мост USB-UART, интерфейсы RS-485 и CAN, внешнюю SPI флэш-память, отладочный разъем JTAG. Отличительными особенностями микроконтроллера TMS320F28335 являются: ядро C28x+FPU с тактовой частотой 150 МГц и сопроцессором арифметики с плавающей точкой, 512 Кбайт флэш-памяти программ, 68 Кбайт RAM-памяти, 12-разрядный АЦП (16 каналов), 3х UART, SPI, I2C, 2х CAN, блок ШИМ.
Многофункциональная плата ввода-вывода фирмы Fastwel PC104 используется для сбора и обработки информации с первичных датчиков и дальнейшей передачи информации в микроконтроллер.
3. Нижний уровень – исполнительный электропривод, который входит в технологическое оборудование. На этом уровне происходит обработка управляющего сигнала и формирование заданных переменных технологического процесса. Уровень включает в себя преобразователь частоты фирмы «Danfoss», Дания серии VLT 3060 на базе автономного инвертора напряжения с промежуточным звеном постоянного тока; датчики измерения частоты вращения и положения вала испытуемого и нагрузочного двигателя, датчики – инкрементные датчики положения (энкодеры); датчики тока; тензометрический датчик момента; нагрузочный двигатель АИМ А-100LA.
На верхнем уровне система управления вырабатывает технологическое задание на движение рабочих органов отдельной технической установки или целой технологической системы.
Средний уровень обеспечивает программное движение исполнительных приводов, движение по заданной траектории в пространстве управляемых переменных.
На нижнем уровне определяется технологическое оборудование, непосредственно участвующее в технологическом процессе, пространство управляемых и регулируемых переменных технологического оборудования.
2.4 Блок схемы аппаратных средств уровней системы. Выбор аппаратных средств на всех уровнях управления. Вариант принципиальной схемы соединения между аппаратными блоками системы
Рисунок 9 – Блок-схема соединения аппаратных средств уровней управления АСУ ТП
2.5 Выбор общего и специального программного обеспечения на всех уровнях АСУ ТП
Для Модуля TE- TMS320F28335 на базе микроконтроллера Delfino от Texas Instruments используется следующее программное обеспечение:
Драйвер под Windows XP/2000/NT.
Утилита для конфигурирования параметров микроконтроллера с возможностью тестирования периферии.
DLL библиотека с поддержкой набора функций управления микроконтроллером.
Примеры программирования микроконтроллера на Borland Delphi, C++ Builder.
Преобразователь частоты реализует векторное управление двигателем, программа работы написана в среде Code Composer Studio v3.1.
В качестве программного обеспечения нижнего уровня используется ПО преобразователя частоты Danfoss VLT 3060. Основное ПО содержит широкий диапазон стандартных функций. Эти функции обеспечивают удобство и гибкость при использовании и настройке преобразователя (выбор задания и т. п.). Они также обеспечивают универсальность управления и высокую степень безопасности при работе (автоматизированный пуск, пуск на ходу, генератор импульсов, и др.).
Управление работой измерительной системы осуществляется с применением прикладного программного обеспечения, разработанного в среде LabVIEW и Visual C++. Пакет LabVIEW предназначен для работы с измерительными приборами, платами АЦП/ЦАП; в нем имеются встроенные функции анализа данных. Программы разрабатываются в виде блок-схем (диаграмм) процесса или задачи в графической среде программирования.
2.6 Принципы обмена информацией между уровнями системы. Выбор интерфейсных устройств и протоколов обмена
Обмен информацией между верхним (АРМ оператора) и средним уровнем осуществляется по интерфейсу RS-485. Данный интерфейс позволяет эффективно и быстро обмениваться данными между верхним и средним уровнями, между приборами автоматики (PLC/PC или системы управления процессами) и распределенными устройствами нижнего уровня (преобразователи, датчики).
Применяемый интерфейс RS-485 позволяет устройствам обмениваться данными без загрузки процессора контроллера.
3. Математическое моделирование системы управления технологическим процессом
3.1 Выбор среды моделирования и разработка математической модели технологического процесса и технологического оборудования с исполнительными электроприводами
Моделирование работы технологического процесса будем проводить в среде MATLAB Simulink, обладающей широкими возможностями выполнения математического моделирования, создавая модель из простых блоков. Также в среде Simulink содержаться блоки, которые позволяют визуализировать процессы моделирования.
Математическое описание процессов в асинхронном двигателе
Математическое описание АД должно отражать особенности эксплуатационных режимов работы нагрузочного моментного ЭП в составе испытательного стенда. Кроме того, в дальнейшем данная имитационная модель рассматривается как объект оптимального управления, на основании которого выполняется структурно-параметрический синтез системы векторного управления АД.
При составлении уравнений электрического равновесия в обмотках АД возьмём за основу систему уравнений для трёхфазной электрической машины и ряд допущений, общепринятых в теории электрических машин переменного тока:
параметры обмоток всех фаз имеют одинаковые значения, т.е. имеет место симметричный режим работы;
магнитное поле электрической машины имеет синусоидальное распределение вдоль воздушного зазора;
принимаем напряжения на выходе ПЧ синусоидальной формы, заведомо не учитывая взаимного влияния между АД и ПЧ по силовому каналу;
не учитываются потери в стали, вызываемые протеканием вихревых токов в магнитопроводе двигателя и его перемагничением;
насыщение магнитной цепи АД не учитывается благодаря наложению ограничений на статорные токи;
эффект вытеснения токов в проводниках ротора пренебрежимо мал ввиду того, что частота токов ротора при питании от ПЧ ограничена рабочим участком механической характеристики.
На основании второго закона Кирхгофа и с учётом вышеприведённых допущений, уравнения для ЭДС в обмотках статора и ротора АД можно представить в следующем виде:
















