45382 (664766), страница 3
Текст из файла (страница 3)
Рис. 14. Соединение триггеров схемы в режиме диагностирования.
Средства тестового диагностирования могут задавать любое состояние триггеров, подавая на линию входа данных сканирования требуемую установочную последовательность.
Диагностирование выполняется в два этапа.
Первый этап. Диагностирование схем с памятью (регистров и триггеров). Выполняется следующим образом:
устанавливается режим сдвигающего регистра;
осуществляется проверка сдвигающего регистра и, таким образом, всех схем с памятью путем последовательного сдвига по нему нулей и единиц.
Второй этап. Диагностирование комбинационных схем.
Выполняется следующим образом:
устанавливается режим сдвигающего регистра;
входной регистр комбинационной схемы устанавливается в состояние, соответствующее тестовому воздействию, путем подач последовательного потока данных на вход сдвигающего регистра:
выполняется переход в нормальный режим;
выполняется микрооперация передачи сигналов с выходов комбинационной схемы;
выполняется опрос состояния выходного регистра комбинационной схемы (результата) путем последовательного сдвига его содержимого в аппаратуру тестового диагностирования;
осуществляется сравнение результата с эталоном.
4. МЕТОД МИКРОДИАГНОСТИРОВАНИЯ.
Совокупность процедур, диагностических микропрограмм и специальных схем, обеспечивающих транспортировку тестового набора на вход проверяемого блока, выполнение проверяемой микрооперации, транспортировку результатов проверки к схемам анализа, сравнение с эталоном и ветвление по результатам сравнения, называется микродиагностикой.
Различают два типа микродиагностики: встроенную и загружаемую.
В случае встроенной микродиагностики диагностические микропрограммы размещаются в постоянной микропрограммной памяти ЭВМ, а при загружаемой — на внешнем носителе данных.
При хранении в постоянной микропрограммной памяти микродиагностика представляет собой обычную микропрограмму, использующую стандартный набор микроопераций. Однако вследствие ограниченного объема постоянной микропрограммной памяти на объем микродиагностики накладываются довольно жесткие ограничения, в результате чего приходится использовать различные способы сжатия информации. Для этой цели иногда используют специальные микрокоманды генерации тестовых наборов. Это позволяет уменьшить требуемый для тестовых констант объем микропрограммной памяти.
Как правило, при хранении микродиагностики в постоянной микропрограммной памяти для транспортировки результатов проверки к месту сравнения с эталонов используются стандартные микрооперации, а для сравнения — такие схемы, как сумматор, схемы контроля или анализа условий. В качестве микропрограммы анализа используется также микропрограмма опроса состояния схем контроля ЭВМ.
Встроенная микродиагностика применяется обычно в малых ЭВМ с небольшим объемом микродиагностики.
Рис. 15. Варианты загрузки и выполнения загружаемой микродиагностики.
Для средних и больших ЭВМ при большом объеме микродиагностики применяется загружаемая микродиагностика. Существует несколько вариантов загрузки и выполнения загружаемой микродиагностики:
внешний носитель данных — регистр микрокоманд (РгМк) (рис. 15,а);
внешний носитель данных — оперативная память (ОП)—регистр микрокоманд (рис. 15,б);
внешний носитель данных — загружаемая управляющая память (ЗУП) микрокоманд—регистр микрокоманд (рис. 15, в).
В качестве устройства ввода микродиагностики чаще всего используются так называемые пультовые накопите» ли на гибких магнитных дисках или кассетных магнитных лентах.
Первый вариант загрузки скорее имитирует «быстрый» тактовый режим, чем выполнение микрокоманд с реальным быстродействием, так как накопление и выполнение микрокоманд определяются скоростью ввода данных с внешнего носителя. Микрокоманды выполняются по мере их поступления из внешнего носителя данных.
Второй вариант загрузки предусматривает возможность хранения и выполнения микрокоманд из основной памяти ЭВМ, т. е. совместимость форматов оперативной" и управляющей памятей. В этом варианте должен быть предусмотрен специальный вход в регистр микрокоманд из оперативной памяти.
Третий вариант загрузки обеспечивает загрузку в управляющую память микродиагностики определенного объема и выполнение ее. с реальным быстродействием. По окончании выполнения загружается следующая порция микродиагностики.
Существуют и другие варианты загрузки и выполнения, несущественно отличающиеся от приведенных выше. Возможно также использование разных вариантов загрузки и выполнения на разных этапах диагностирования ЭВМ.
Для средних и больших ЭВМ с хранением микродиагностики на внешних носителях данных, для опроса состояния и сравнения его с эталоном используется дополнительная аппаратура. В последнее время эти функции все больше передаются так называемым сервисным процессорам, имеющим универсальные возможности по» управлению пультовыми накопителями, опросу состояния ЭВМ, сравнению результатов с эталонными и индикации списка возможных неисправностей. При микродиагностировании с использованием дополнительной аппаратуры средства тестового диагностирования выполняют специальные диагностические операции, такие как запуск микрокоманд, опрос состояния, сравнение с эталоном и сообщение о неисправности. Процедура выполнения микродиагностики обычно такова: средства тестового диагностирования загружают в ЭВМ микрокоманды и дают приказ на их выполнение; ЭВМ отрабатывает микрокоманды, после чего средства тестового диагностирования производят опрос состояния, сравнение с эталоном и сообщение о неисправности. Обычно при. микродиагностике тестовые наборы являются частью микрокоманды (поле констант). Глубина поиска дефекта при микродиагностике зависит от числя схем, для которых, предусмотрена возможность непосредственного опроса состояния. В связи с этим в современных ЭВМ имеется возможность непосредственного опроса состояния практически всех триггеров и регистров ЭВМ.
Регистр микрокоманд устанавливается средствами тестового диагностирования с помощью диагностической операции «Загрузка РгМк».
Состояние регистров поступает в СТД, где выполняется диагностическая операция сравнения с эталоном.
При несовпадении результата с эталоном происходит останов с индикацией номера останова.
5. МЕТОД ЭТАЛОННЫХ СОСТОЯНИЙ
Метод эталонных состояний характеризуется тем, что объектом элементарных проверок является аппаратура, используемая на одном или нескольких тактах выполнения рабочего алгоритма функционирования, реализуемого в режиме диагностирования.
Рис. 16. Обобщенна» схема системы диагностирования, реализующей метод эталонных состояний
В качестве результата элементарной проверки используется состояние аппаратурных средств диагностируемого устройства.
Процесс диагностирования по методу эталонных состояний, заключается в потактовом выполнении рабочих алгоритмов ДУ, опросе состояния ДУ на каждом такте, сравнении состояния ДУ с эталонным и ветвлении в зависимости от исхода сравнения к выполнению следующего такта или сообщению о неисправности.
При реализации метода эталонных состояний средства тестового диагностирования представляют собой совокупность аппаратурных и программных средств.
Обобщенная схема системы диагностирования, реализующей метод эталонных состояний, приведена на рис. 16.
При представлении алгоритмов операций ЭВМ в виде графов каждому пути i из множества путей на графе можно поставить в соответствие последовательность состояний ЭВМ на каждом такте: Si0, Si1,..., Sil, ... ,Sin,
Рис. 17. Процедура диагностирования по методу эталонных состоя6ний: j- номер такта ветви алгоритма; I – номер ветви алгоритма
Рис. 18. Схема взаимодействия диагностирующего и диагностируемого устройств при диагностированию по методу эталонных состояний.
где п—число вершин граф-схемы алгоритма, соответствующее числу тактов выполнения операции с конкретными условиями. Эталонной последовательностью состояний считается последовательность состояний Sil, l=0, 1,...,п, имеющих место при отсутствии ошибок.
Проверка выполняется путем сравнения реального состояния ЭВМ Sil на l-м такте i-го пути с эталонным Sэil.
Несовпадение Sil и Sэil является признаком неисправности.
Процедура диагностирования по методу эталонных состояний приведена на рис. 17.
Для реализации метода эталонных состояний средства тестового диагностирования должны иметь:
средства управления потактовой работой ЭВМ;
средства опроса состояния ЭВМ;
средства сравнения состояния с эталонным и средства сообщения о неисправности.
Обычно этот метод используется в тех случаях, когда средства тестового диагностирования имеют достаточно большие возможности. Например, этот метод может использоваться при диагностировании каналов с помощью процессора. Наибольшее применение этот метод находит в устройствах со схемной интерпретацией алгоритмов функционирования.
В силу неопределенности состояний некоторых триггеров каждому состоянию Sil может соответствовать некоторое подмножество состояний Silk, где k=0,1,..., т, т — множество неопределенных состояний. Поэтому обычно до сравнения с эталоном выполняется маскирование состояний. Маска снимает неопределенные состояния .
Обычно управление потактовой работой устройства и опрос состояния устройства выполняются с помощью команды ДИАГНОСТИКА, а сравнение с эталоном, маскирование и сообщение о неисправности—с помощью команд на программном уровне.
Команда ДИАГНОСТИКА адресует управляющее слово в ОП, которое поступает на вход диагностируемого устройства, как показано на рис. 8.18. Сочетание бит управляющего слова обеспечивает продвижение тактов, а также опрос состояния и запись его в ОП.
Остальные операции, такие как маскирование состояния с целью исключения неопределенных бит, сравнение его с эталонным состоянием и сообщение о неисправности, выполняются программой диагностирующего устройства.
6. МЕТОД ДИАГНОСТИРОВАНИЯ С ПОМОЩЬЮ СХЕМ ВСТРОЕННОГО КОНТРОЛЯ.
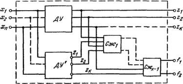
Этот метод характеризуется тем, что объектом элементарной проверки является сменный блок, а средствами функционального диагностирования являются схемы встроенного контроля (СВК), конструктивно совмещенные с каждым) сменным блоком.
На рис. 19 показаны диагностируемое устройство и схемы встроенного контроля, образующие самопроверяемый сменный блок. Наибольшая вероятность правильного диагностирования достигается при полной проверяемости ДУ и самопроверяемости СВК.
Поэтому здесь приводится только определение полной проверяемости ДУ.
Рис. 19 Самопроверяемый сменный блок.
Диагностируемое устройство называется полностью проверяемым, если любая его неисправность заданного класса обнаруживается СВК в момент ее первого проявления на выходных устройствах .
Рис 20 Структура системы диагностирования, использующей схемы встроенного контроля
Требование полной проверяемости. ДУ и самопроверяемости СВК приводит к значительным аппаратурным затратам, что ограничивает применяемость данного метода устройствами, реализованными в основном на больших интегральных микросхемах.
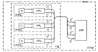
На рис. 20 приведена структура системы функционального диагностирования. Локальными средствами функционального диагностирования ЛСФД являются самопроверяемые СВК с парами выходов fi1, fi2, приданные каждому сменному блоку Бi общим средством функционального диагностирования ОСФД—устройство анализа и индикации УАИ. Назначением последнего является синхронизация сигналов ошибок от сменных блоков с учетом их связей, предотвращение возможной неоднозначности индикации из-за распространения сигналов ошибок и однозначная индикация неисправного блока.
Достоинством метода диагностирования с помощью схем встроенного контроля является практически мгновенное диагностирование сбоев и отказов, сокращение затрат на локализацию перемежающихся отказов и на разработку диагностических тестов.
7. МЕТОД ДИАГНОСТИРОВАНИЯ С ПОМОЩЬЮ САМОПРОВЕРЯЕМОГО ДУБЛИРОВАНИЯ.
Этот метод аналогичен предыдущему, так как он тоже основан на принципе самопроверяемости сменных блоков. Разница состоит в том, что самопроверяемость сменных блоков достигается введением в него дублирующей аппа-
Рис. 21 Структурная схема самопроверяемого блока: Cж1,.., Cжk-l — схемы сжатия.















