45382 (664766), страница 2
Текст из файла (страница 2)
Рис. 7. Обобщенная схема системы диагностирования, реализующей метод двухэтапного диагностирования: ДУ — диагностируемое устройство: 1, ...,i l,..., n — регистры; KCi.... KСm—комбинационные схемы
Диагностическая информация, включающая в себя данные тестового воздействия, результат и состав контрольных точек элементарной проверки, адреса следующих элементарных проверок в алгоритме диагностирования, имеет стандартный формат, называемый тестом локализации неисправностей (ТЛН).
Обобщенная, схем а системы диагностирования, использующей метод двухэтапного диагностирования, показана на рис. 7.
Подача тестовых воздействий, снятие ответа, анализ и выдача результатов реализации алгоритма диагностирования выполняются с помощью стандартных диагностических операций «Установка», «Опрос», «Сравнение» и «Ветвление».
Рис. 8. Формат ТЛН
Стандартный формат ТЛН показан на рис. 8. Тест локализации неисправностей содержит установочную и управляющую информацию, адрес ячейки памяти, в которую записывается результат элементарной проверки, эталонный результат, адреса ТЛН, которым передается управление при совпадении и несовпадении результата с эталонным, и номер теста. Стандартные диагностические операции, последовательность которых приведена на рис. 9, могут быть реализованы аппаратурно или микропрограммно.
Диагностирование аппаратуры по этому методу выполняется в два этапа:
на первом этапе проверяются все регистры и триггеры, которые могут быть установлены с помощью операции «Установка» и опрошены по дополнительным выходам операцией «Опрос»;
на втором этапе проверяются все комбинационные схемы, а также регистры и триггеры, не имеющие непосредственной установки или опроса.
Каждая элементарная проверка, которой соответствует один ТЛН, выполняется следующим образом: c помощью операции «Установка» устанавливаются регистры и триггеры ДУ, в том числе и не проверяемые данным ТЛН, в состояние, заданное установочной информацией ТЛН (установка регистров и триггеров может выполняться по существующим или дополнительным входам). Управляющая информация задает адрес микрокоманды (из числа рабочих микрокоманд), содержащей проверяемую микрооперацию и число микрокоманд, которые необходимо выполнить, начиная с указанной. В тестах первого этапа эта -управляющая информация отсутствует, так как после установки сразу выполняется опрос.
Рис. 9 Операции, выполняемые при диагностировании по методу двухэтапного диагностирования
В тестах, предназначенных для проверки комбинационных схем, управляющая информация задает адрес микрооперации приема сигнала с выхода комбинационной схемы в выходной регистр (рис. 10).
Рис.10. Схема выполнения одного ТЛН
Управляющая информация может задавать адреса микроопераций, обеспечивающих передачу тестового воздействия на вход проверяемых средств и транспортировку результата в триггеры, имеющие опрос.
С помощью операции «Опрос» записывается состояние всех регистров и триггеров ДУ в оперативную или служебную память.
Для выполнения операции «Опрос» в аппаратуру ДУ вводятся дополнительные связи с выходов регистров и триггеров на вход блока коммутации СТД, связанного с информационным входом оперативной или служебной памяти.
С помощью операции «Сравнение я ветвление» обеспечивается сравнение ответа ДУ на тестовое воздействие с эталонной информацией. ТЛН задается адрес состояния проверяемого регистра или триггера в оперативной и служебной памяти, записываемого с помощью операции «Опрос», а также его эталонное состояние. Возможны два исхода операции «Сравнение и ветвление»— совпадение и несовпадение ответа с эталоном. Метод двухэтапного диагностирования использует, как правило, условный алгоритм диагностирования. Поэтому ТЛН содержит два адреса ветвления, задающих начальный адрес следующих ТЛН в оперативной памяти.
Для хранения ТЛН, как правило, используется магнитная лента, а для их ввода — стандартные или специальные каналы ввода.
Тесты локализации неисправностей обычно загружаются в оперативную память и подзагружаются в нее по окончании выполнения очередной группы ТЛН. Поэтому до начала диагностики по методу ТЛН проверяется оперативная память и микропрограммное управление.
При обнаружении отказа на пульте индицируется номер теста, по которому в диагностическом справочнике отыскивается неисправный сменный блок.
В качестве примера реализации метода двухэтапного диагностирования рассмотрим систему диагностирования процессора ЭВМ ЕС-1030. Для нормальной загрузки и выполнения диагностических тестов процессора ЭВМ ЕС-1030 необходима исправность одного из селекторных каналов и начальной области оперативной памяти (ОП). Поэтому вначале выполняется диагностирование ОП. Для этого имеется специальный блок, обеспечивающий проверку ОП в режимах записи и чтения нулей (единиц) тяжелого кода/обратного тяжелого кода. Неисправность ОП локализуется с точностью до адреса и бита.
Следующие стадии диагностирования, последовательность которых приведена на рис. 11, используют уже проверенную оперативную память.
На нервов стадии диагностические тесты загружаются в начальную область ОП (первые 4 Кслов) и затем выполняются с помощью диагностического оборудования. Тесты расположены на магнитной ленте в виде массивов. После выполнения тестов очередного массива в ОП загружается и выполняется следующий массив тестов. Загрузка тестов выполняется по одному из селекторных каналов в специальном режиме загрузки ТЛН.
Рис. 11. порядок диагностирования блоков и к и устройств в ЭВМ
На второй стадии диагностирования проверяется микропрограммная память процессора, которая используется на следующих стадиях диагностирования. В ней содержатся микропрограммы операций установки, опроса, сравнения и ветвления.
На третьей стадии диагностирования выполняется проверка триггеров (регистров) процессора. Эти тесты называются тестами нулевого цикла. Опрос состояния триггеров (регистров) выполняется по дополнительным линиям опроса. Триггеры (регистры) проверяются на установку в 0-1-0. Результаты проверки сравниваются с эталонными, записанными в формате теста. Место неисправности определяется по номеру теста, который обнаружив несоответствие. В диагностическом справочнике тестов нулевого цикла номеру теста соответствует конструктивный адрес и название неисправного триггера на функциональной схеме.
С помощью тестов единичного цикла проверяются комбинационные схемы. Их последовательность определяется условным алгоритмом диагностирования. Тесты комбинационных схем выполняются следующим образом: с помощью операции установки в регистре процессора, расположенном на входе проверяемой комбинационной схемы, задается состояние, соответствующее входному тестовому воздействию. Выполняется микрооперация приема выходного сигнала комбинационной схемы в регистр расположенный на выходе комбинационной; схемы; Состояние этого регистра записывается в диагностическую область ОП, а затем сравнивается с эталонным. В зависимости от исхода теста выполняется переход к следующему тесту При обнаружении неисправности индицируется .номер теста. В диагностическом справочнике тестов единичного цикла указаны не только подозреваемые ТЭЗ, но и значения сигналов на входах, промежуточных точках и выходах комбинационной схемы. Такая подробная информация дозволяет уточнить локализацию до монтажных связей или микросхем. На следующих стадиях диагностирования, использующих другие методы диагностирования, проверяются мультиплексный и селекторный каналы, а также функциональные средства ЭВМ с помощью тест-секций диагностического монитора.
3. МЕТОД ПОСЛЕДОВАТЕЛЬНОГО СКАНИРОВАНИЯ.
Метод последовательного сканирования является вариантом метода двухэтапного диагностирования, при котором схемы с памятью (регистры и триггеры) в режиме диагностирования превращаются в один сдвигающий регистр с возможностью установки его в произвольное состояние и опроса с помощью простой операции сдвига.
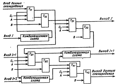
Обобщенная схема системы диагностирования, использующей метод последовательного сканирования, показана на рис. 12,
Рис. 12. Обобщенная схема системы диагностирования, реализующей метод последовательного сканирования:
1,...,i, l,... n — основная часть регистра; 1', ...i', l',..., n'—дополнительная часть регистра (триггеры образования сдвигового регистра)
Этот метод получил распространение в ЭВМ на больших интегральных микросхемах (БИС). Вместе с очевидными достоинствами БИС их использование затрудняет проблему диагностирования ЭВМ в связи с ограниченными возможностями доступа к схемам, расположенным внутри БИС. При диагностировании ЭВМ, построенной на БИС,
Рис. 13. Основной триггер и триггер сканирования
возникает проблема проверки БИС, содержащих комбинационные схемы и схемы с памятью при небольшом числе дополнительных входов и выходов.
Для превращения всех триггеров БИС в один сдвигающий регистр каждому триггеру логической схемы придается дополнительный триггер типа D, причем каждая пара триггеров, основной и дополнительный, соединяется таким образом, что образует один разряд сдвигающего регистра.
Первый триггер каждой пары, или триггер данных (рис. 8.13), используется как для выполнения основных функций при работе машины, так и для тестирования. Поэтому он имеет два входа данных: рабочий и сканирования, а также два входа синхронизации: от процессора и от средств тестового диагностирования.
Второй триггер пары, или триггер сканирования, используется главным образом для тестирования. Его вход постоянно соединен с выходом первого триггера, а синхросигнал поступает только от средств тестового диагностирования.
В режиме диагностирования состояние первого триггера передается второму триггеру по сигналам СТД, и таким образом могут быть опрошены СТД, которые посылают синхросигнал на второй триггер и путем сдвига выдают его информацию через выходной контакт данных сканирования.
Эти триггерные пары соединяются последовательно в несколько сдвигающих регистров. Выход данных одной пары триггеров соединяется с входами данных сканирования другой пары и т. д. (рис. 14).
Средства тестового диагностирования могут подавать синхросигналы на все триггеры сканирования и путем сдвига выдавать их содержимое в виде последовательности бит до одной линии. Поскольку каждый бит в этой последовательности соответствует своей триггерной паре, можно определить состояние каждого триггера логической схемы.















