ref-15865 (664208), страница 7
Текст из файла (страница 7)
Потребуется:
a. Две сетевые картыBNC ( например NE2000 Compatible) с Т-коннекторами в комплекте (если их нет, купите отдельно по одному на каждую плату).
b.Измерьте, как можно точнее, расстояние между компьютерами (мерить необходимо по тому пути, как будет проложен кабель, то есть дверь, к примеру, надо обходить по косяку). Прибавьте к этому числу несколько метров (на всякий случай). Длина кабеля не должна превышать 185 м. Приобретите коаксиальный кабель с волновым сопротивление 50 Ом ( похож на антенный для телевизора, но у того волновое сопротивление 75 Ом и он не подходит). Такой кабель имеет марку RG-58.
c. Разъем на кабель с байонетным сочленением, типа отечественного СР-50-... 2шт. на каждый кусок кабеля.
d. Терминаторы 2 шт.
e. Паяльник ( нужен только для напайки отечественных разъемов на кабель,если у вас есть возможность приобрести обжимные разъемы и инструмент для их обжима, то паяльник не потребуется).
Работа:
1. Проложите кабель по нужному пути, не допуская прекручиваний и повреждений. Оставьте с каждой стороны запас около 2-3 м на случай возможных перестановок компьютеров и для удобства монтажа разъемов.
2. Закрепите разъемы на концах кабеля.
3. Вставьте сетевые карты в компьютеры, настройте их на свободные адреса и прерывания (запишите).
4. Наденьте на разъем, торчащий из платы (мама), Т-коннектор (папа) и поверните по часовой стрелке байонет, чтобы закрепить разъем.
5. Наденьте разъем кабеля на один из разъемов Т-коннектора.
6. На другой разъем Т-коннектора наденьте терминатор.
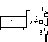
1-сетевая карта (адаптер), 2 -Т-коннектор, 3 - разъем кабеля, 4 - терминатор
7. Загрузите компьютер. Включите поддержку сети в вашей операционной системе (драйвер адаптера, протокол, клиенты) в соответствии с выставленными на плате адресом и прерыванием.
Разводка кабеля витая пара
для соединения двух компьютеров напрямую
Кабель витая пара может быть как четырех проводный, так и восьмипроводный. Для монтажа на кабель используются вилки RJ-45. Монтаж вилки на кабель должен осуществляться при помощи специального инструмента.
|
|
| | ||||||||||||||||||
Для восьмипроводного кабеля (четыре пары):
|
|
| | ||||||||||||||||||||||||||||||
Или, например, другой вариант.
|
|
| | ||||||||||||||||||||||||||||||















