168846 (625207), страница 6
Текст из файла (страница 6)
На установках такого типа перерабатывают в основном отходы потребления. Что же касается производственных отходов, то схема процесса их переработки нередко упрощается за счет исключения ряда стадий (особенно 3, 4 и 5) и часто сводится к следующей: 1 2 6 7
Измельчение отходов пластмасс
При выборе того или иного типа оборудования необходимо учитывать ряд факторов: вид и характер пластмассовых отходов, их размеры и количество, необходимая степень измельчения и конечный размер дробленого материала и др.
Для повышения производительности стадии измельчения проводят предварительное уплотнение отходов. Для уплотнения отходов используют дисковые уплотнители, представляющие собой грануляторы с фрикционными дисками, один из которых вращается, а другой неподвижен. Спекание и уплотнение отходов происходит за счет теплоты трения, образующейся при вращении диска. После спекания полученная масса в виде жгута с холодным потоком воздуха подается в ножевую дробилку.
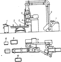
Для переработки отходов полиэтиленовой пленки разработана отечественная комплексная линия производительностью 115 кг/ч, в состав которой входят узлы измельчения отходов, их уплотнения и последующей грануляции. Измельчение осуществляется в ножевой роторной дробилке с трехсекционным ротором, после чего измельченные отходы пневмотранспортом через дозирующий питатель подаются в уплотняющий конусно-шнековый экструдер с гранулирующей головкой и далее после охлаждения режутся на гранулы размером 3х4 мм (рис. 10).
Рис. 10. Линия для переработки отходов полиэтиленовой пленки: 1 – гранулятор; 2 – ванна охлаждения; 3 – гранулирующая головка; 4 – конусно-шнековый экструдер; 5 – дозирующий питатель; 6 – пневмотранспортер; 7 – измельчитель отходов; 8, 9 – шкафы управления; 10 – пульт управления.
Для уплотнения пеноматериалов часто используют автоклавный метод, позволяющий из пластмасс с кажущейся плотностью 15–20 кг/м3 получать полимеры нормальной плотности и не содержащие вспенивающего агента путем постепенного повышения температуры и использования вакуума.
Уплотнение также проводят в экструдерах, имеющих зоны вакуум-отсоса, где из полимерных отходов в расплаве удаляется вспенивающий агент и воздух. Регулируя температуры экструдера по зонам, производительность, вакуум, а также проводя многократную экструзию, можно добиться полного удаления летучих из экструдата, после чего гранулят подвергают измельчению.
Поскольку процесс измельчения сопровождается большим выделением теплоты, в ряде дробилок предусматривается водяное охлаждение. Это хотя и несколько усложняет конструкцию дробилок, однако способствует увеличению их производительности. Более высокая дисперсность в процессе измельчения может быть достигнута при использовании измельчителей других конструкций, которые основаны на ударном, ударно-режущем или ударно-импульсном действии.
Отечественной промышленностью выпускаются промышленные универсальные дезинтеграторы-активаторы (УДА), в которых благодаря высокой скорости удара и многорядности расположения ударных элементов достигается высокая производительность при измельчении полимеров – от 20 кг/ч до 50 т/ч.
В последние 15–20 лет все большее развитие находит техника криогенного измельчения, которая позволяет охлаждать материал ниже температуры хрупкости. В качестве охлаждающего агента используется жидкий азот, имеющий температуру –196 °С, что ниже температуры хрупкости большинства полимерных материалов.
Измельчение при пониженных температурах обладает рядом преимуществ: благодаря охлаждению и инертной среде исключается термодеструкция полимера, резко возрастает степень измельчения, повышается производительность процесса и снижаются удельные энергозатраты, предотвращается окисление продукта [7].
Сепарация, отмывка и разделение отходов
После измельчения, в том случае если отходы могут содержать металлические включения, их обычно пропускают через магнитный сепаратор. В магнитном поле, создаваемом с помощью электромагнитов, происходит отделение магнитных металлов от пластмассовой части отходов.
В случае, если отходы могут содержать примеси цветных металлов, обычно используют электросепарацию. На рис. 11 показана принципиальная схема электрического сепаратора с коронирующей системой. Смесь, подлежащая разделению, подается на заземленный электрод – барабан 4, который перемещает частицы в зону действия коронирующих электродов 6. В результате частичного пробоя воздуха в межэлектродном пространстве образуются ионы, которые передают заряд частицам металла и полимера. Металлические частицы быстро разряжаются, отрываются от барабана и попадают в бункер 8. Полимерные отходы сохраняют заряд длительное время и притягиваются к барабану до тех пор, пока не очищаются специальной щеткой 3, после чего попадают в бункер 7. При таком способе сепарации разделение происходит достаточно полно, а потери отходов пластмасс не превышают 1%.
Рис. 11. Принципиальная схема электрического сепаратора с коронирующей системой: 1 – бункер; 2 – вибропитатель; 3 – щетка; 4 – вращающийся заземленный электрод (барабан); 5 – источник высокого напряжения; 6 – коронирующие электроды; 7–9 – бункеры.
Разработаны индуктивные приборы, позволяющие удалять немагнитные металлы в электромагнитном поле. В верхней части прибора расположена катушка индуктивности, создающая электромагнитное поле высокой частоты. Электропроводящие частицы изменяют это поле и возникающий сигнал через усилитель включает электромагнит управления заслонкой. Порция материала с посторонними металлическими включениями удаляется из общего массопотока, после чего заслонка возвращается в исходное положение.
Важной стадией предварительной обработки отходов является очистка их от загрязнений. Для этого применяют следующие методы: сухое удаление пыли, стирку в водных растворах ПАВ, растворение полимеров с последующим фильтрованием растворов, обработку поверхности растворителями. Выбор метода определяется совместимостью загрязнений с пластмассами и химической природой загрязнений.
В СССР была разработана комбинированная установка производительностью около 150 кг/ч для измельчения и отмывки полиэтиленовой пленки, использовавшейся ранее в сельском хозяйстве. В дробилке роторного типа с системой подвижных и неподвижных ножей осуществляется мокрое измельчение отходов пленки с частичной отмывкой водой (рис. 12). Измельченный материал далее подается для промывки моющими растворами или водой в трехсекциониый шнековый промыватель. Каждая секция представляет собой установленный под углом 6° цилиндр, внутри которого в разные стороны вращаются два шнека специальной конструкции.
Выделение из смеси отходов индивидуальных видов пластмасс также обычно осуществляют мокрым или сухим методом. Из мокрых методов наибольшее распространение получила флотационная сепарация, основанная на различии гидрофильно-гидрофобных свойств разных типов пластмасс.
Эффективность метода в значительной степени определяется возможностью придания гидрофобных свойств поверхности разделяемых материалов. Путем подбора смачивающих веществ и их концентраций изменяют поверхностное натяжение на границах воздух – полимер – вода таким образом, что отделяемые виды пластмасс всплывают, благодаря прилипшим к ним пузырькам воздуха, в то время как другие полимеры и примеси опускаются на дно.
Рис. 12. Агрегат для промывки и мокрого измельчения отходов пленки: 1 – механизм подачи отходов пленки; 2 – шнековый промыватель; 3 – пульт управления.
На рис. 13 представлена принципиальная схема флотационной сепарации, наиболее пригодная для разделения отходов из смеси двух типов пластмасс, одним из которых является ПВХ. Для более полного разделения смеси отходов в воду добавляют ПАВ, которые придают каждому из компонентов смеси определенную гидрофобность и гидрофильность. Так, для выделения ПВХ можно использовать водные растворы сульфоната двухосновного алифатического эфира, динафталинсульфоната, полиоксиэтиленсульфата, простого полиоксиэтиленового эфира и других ПАВ.
Рис. 13. Принципиальная схема флотационной сепарации отходов
В сепарационной ванне происходит разделение ПВХ, имеющего высокую плотность, и всплывающего полимера, которые затем собираются в отдельных емкостях, освобождаются от воды на специальных решетках и сушатся. Этим методом удается добиться степени выделения ПВХ 94%.
Разновидностью жидкостного разделения отходов пластмасс является их последовательная обработка в камерах, заполненных водными растворами солей различной плотности от хлорида натрия (1,07 г./см3) до хлорида кальция (1,38 г./см3). Смеси отходов полимеров разделяются в зависимости от их плотности, причем отделение ПВХ более эффективно происходит в присутствии небольших количеств неионогенного полиоксиэтилендодецила.
Помимо мокрых методов разделения отходов пластмасс в последнее время все более широко используются сухие методы. Наибольшее распространение получил комбинированный метод, включающий просеивание и провеивание. Он предусматривает предварительную операцию измельчения и пригоден в тех случаях, когда измельченные отходы отличаются друг от друга по форме или по плотности или по обоим этим показателям. Если фракцию измельченной смеси отходов, прошедшую через сито определенных размеров, разделить провеиванием, то в результате различной скорости оседания частиц, определяемой плотностью полимеров, образуются две фракции из отходов с большей и меньшей плотностью. Описанный метод может осуществляться и в обратном порядке. Комбинированный метод позволяет достигнуть степени разделения 90–95% [7].
Переработка индивидуальных отходов пластмасс
В том случае, когда удается добиться достаточно высокой степени очистки и выделения индивидуальных отходов из смеси, а также когда отходы предварительно рассортированы по видам пластмасс, переработка отходов во многом сходна с переработкой первичных пластмасс.
Двух-трехкратная переработка пластмасс не влияет существенно на их физико-механические показатели. Это говорит о принципиальной возможности возвращать в производственный цикл получения изделий из пластмасс отходы синтеза и переработки, термическое воздействие на которые было сравнительно недолговременным. Однако такой возврат отходов в цикл требует тщательной предварительной оценки их свойств. Только после этого может быть принято решение о возможности использования отходов.
Использование отходов вызывает необходимость определенных изменений в аппаратурном оформлении процессов переработки. Если говорить о наиболее широко применяемом для переработки отходов методе экструзии, то из этих особенностей необходимо отметить следующие: наличие в питательном бункере ворошителя и шнека для облегчения условий запятки экструдера, коническую форму цилиндра в зоне загрузки для повышения степени сжатия материала, достаточную длину червяка для хорошей гомогенизации и исключения пульсации, обязательное наличие зоны разряжения для дегазации расплава, установку сменных фильтров в головке экструдера.
На рис. 14 представлена принципиальная схема линии утилизации технологических отходов методом экструзии. Гранулят наиболее распространенного полимера – полиэтилена, как правило, перерабатывают в пленку, которая используется в сельском хозяйстве для неответственных назначений или идет на изготовление мешков для мусора. Пленку получают на обычной установке для выпуска рукавной пленки.
Для переработки отходов методом литья под давлением, как правило, применяют машины, работающие по типу интрузии, с постоянно вращающимся шнеком. Его конструкция такова, что обеспечивает самопроизвольный захват и гомогенизацию отходов.
Особенностью повторной переработки ПВХ является необходимость дополнительной стабилизации. Отходы мягкого ПВХ используют главным образом для получения пленочных изделий (клеенки, скатерти, накидки, фартуки и пр.). Для этого отходы измельчают и на смесительных вальцах в количестве до 20% смешивают с товарным ПВХ, стабилизаторами, пластификаторами, красителями и смазками, после чего пропускают через систему подогревательных и отделочных вальцев.
Рис. 14. Принципиальная схема переработки отходов пластмасс методом экструзии: 1 – конвейер с отходами; 2 – измельчитель; 3 – бункер-смеситель; 4 – магнитный желоб; 5 – экструдер; 6 – охлаждающая ванна; 7 – гранулятор
Рис. 15. Принципиальная схема переработки индивидуальных отходов пластмасс
Большой опыт, достигнутый при переработке отходов некоторыми зарубежными фирмами, позволяет им использовать индивидуальные полимерные отходы без смешения с товарным продуктом. Однако в этом случае большое значение приобретает сортировка, классификация и дополнительное смешение материала с необходимыми добавками (рис. 15). Отходы после предварительного испытания в лаборатории сортируют, затем при необходимости измельчают, просеивают, сушат, уплотняют и в зависимости от качества складируют в промежуточных бункерах. Далее в промежуточных смесителях осуществляется введение необходимых стабилизаторов и других добавок, а также, если требуется, наполнителей. После этого в пластосмесителях экструзионного типа или в двухчервячных экструдерах проводят гомогенизацию расплава с одновременной дегазацией и удалением инородных включений фильтрованием. Контроль процесса на различных стадиях осуществляется по следующим показателям: степень загрязнения, термостабильность, уровень дегазации, изменение молекулярной массы, текучесть, гомогенность расплава, прочностные характеристики.
Отходы, образующиеся на стадии синтеза, менее подвержены термическому воздействию, чем отходы переработки, поэтому часто их можно добавлять к товарному продукту в более высоких концентрациях. Так, отходы ПВХ, образующиеся в виде корок после чистки реакторов, могут быть измельчены на ножевой дробилке, высушены и в количестве до 50% введены вместо товарного ПВХ в рецептуры линолеума и винипласта. В сточных водах, образующихся при синтезе ПВХ, твердый осадок содержит 86–90% ПВХ и 14–10% минеральных солей. Этот вид отхода также может быть использован для получения винипласта, причем введение до 60% отходов позволяет получить материал с достаточно высокими физико-механическими показателями [7].
7. Экологическая безопасность химико-технологических производств
Сейчас произошло резкое усложнение технологического процесса, который разбивается на большое число стадий, протекание которых контролирует автоматика, вплоть до специальных компьютеров. Это в свою очередь создало условия для увеличения масштабов производства, что в конечном итоге дает большой экономический эффект, перекрывающий в несколько раз затраты на компьютеризацию процессов.
















