151714 (621892)
Текст из файла
Курсовая работа
Оптимизационные расчеты, выполняемые при управлении энергосистемами
2010
Содержание
Введение
Общая характеристика оптимизационных задач, решаемых АСДУ
1. Подготовка исходных данных для оптимизации режимов энергосистемы
1.1 Прогнозирование суточных графиков нагрузки энергосистемы для активной, реактивной и полной мощностей и определение их характеристик
1.2 Выбор трансформаторов на электростанциях и подстанциях
1.3 Расчет и построение расходных характеристик агрегатов и электростанции в целом. Определение параметров ВЛЭП
2. Определение коэффициентов формулы потерь активной и реактивной мощностей. Экономическое распределение активной мощности между электростанции по критерию: "Минимум потерь активной мощности"
3. Экономичное распределение активной нагрузки между электростанциями по критерию равенства относительных приростов расхода условного топлива с учетом сетевого фактора. Построение суточных графиков активных мощностей для электростанции
Литература
Введение
Автоматизированные системы диспетчерского управления (АСДУ) - это часть АСУТП, предназначенная для сбора информации об энергосистеме и диспетчерского управления режимами.
Автоматизированная система диспетчерского управления (АСДУ) в настоящее время является необходимым средством управления большими системами энергетики. Она обеспечивает управляемость такой системы с помощью оперативного сбора существенной для управления диспетчерской информации, своевременной обработки и представлению диспетчеру в наиболее удобном виде. АСДУ обеспечивает ведение оптимальных режимов в больших объединениях и повышает надёжность энергоснабжения.
АСДУ автоматизирует планирование и организацию диспетчерского управления. При проектировании АСДУ стремится выдержать определённое единство, поскольку системы АСДУ должны взаимодействовать друг с другом.
Выдерживается единство разных уровней управления - общий набор решаемых задач, единство методов решения этих задач, единообразное программное и информационное обеспечение.
Диспетчерское управление осуществляется на основе подчинения нижних уровней управления верхним. Задачи управления, решаемые на каждом уровне иерархии, специфичны, но цель одна - обеспечение потребителей электроэнергией требуемого качества, в необходимом объеме и с наименьшими издержками. Экономическая самостоятельность регионов и рыночные отношения накладывают отпечаток на решение задачи управления и оптимизации, которое во временном аспекте можно разделить на три основных этапа.
Общая характеристика оптимизационных задач, решаемых АСДУ
1. Прогнозирование суточного графика изменения нагрузки.
Решение этой задачи возможно, так как поведение нагрузки имеет определенные закономерности и тенденции. Прогнозирование основывается на изучении и анализе статической информации о предыдущих режимах энергосистемы. Чем точнее составлен прогноз, тем точнее будет решена следующая задача.
2. Планирование суточных графиков работы электростанций.
Это заключается в задании станциям таких графиков, следуя которым, обеспечивается минимальный расход топлива в энергосистеме при надлежащим качестве электроэнергии и надежности электроснабжения.
Следует различать краткосрочное и долгосрочное прогнозирование и планирование.
Планирование диспетчерских графиков работы электростанций состоит из следующих основных этапов:
планирование режимов ГЭС с заданными гидроресурсами;
выбор и планирование на сутки оптимального состава оборудования электростанций с учетом заявок на текущий ремонт;
экономичное распределение нагрузки между агрегатами при заданном составе оборудования на каждый час.
3. Оперативная коррекция режимов.
Вследствие недостаточной точности учета случайных возмущений фактическое поведение нагрузки отличается от прогнозируемого. Поэтому для поддержания нормальной частоты возникающие небалансы мощности должны восприниматься одной или несколькими станциями. Происходит непрерывное регулирование частоты, однако чем сильнее отклонение нагрузки от прогнозируемой, тем существеннее отклонение от оптимального режима.
Кроме перечисленных основных задач, решается и ряд других, таких как: оперативная оценка правильности настройки устройств релейной защиты и противоаварийной автоматики, ввод режима в допустимую область, информационно-справочные задачи. К последним относятся: статическая обработка информации н выдача, сведений в удобном для диспетчера виде; ежечасная регистрация основных параметров электрической системы и нормирование массивов информации для прогнозирования нагрузки и отображения режима и др.
1. Подготовка исходных данных для оптимизации режимов энергосистемы
ХАРАКТЕРИСТИКИ И ПАРАМЕТРЫ ЭЛЕМЕНТОВ И РЕЖИМОВ ЭНЕРГОСИСТЕМЫ
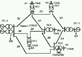
В основу контрольного задания положена единая схема энергосистемы, представленная на рис.1.
Рисунок 1 - Схема энергосистемы
ИСХОДНЫЕ ДАННЫЕ
Таблица 1. Характеристика нагрузки
| Номер нагрузки | Н-1 | Н-2 | Н-3 | Н-4 | Н-5 | Н-6 | Н-7 | Н-8 |
| Отрасль промышленности | Станкостроение | Машиностроение | Автомобилестроение | Сельское хозяйство | Коммунально-бытовая | Деревообрабатывающая | Черная металлургия | Химическая |
| Тмах, час | 6900 | 5800 | 5300 | 5000 | 5400 | 5600 | 8000 | 7600 |
| Рмах, МВт | 35 | 19 | 45 | 55 | 55 | 60 | 260 | 424 |
|
| 0,86 | 0,82 | 0,86 | 0,82 | 0,82 | 0,82 | 0,81 | 0,88 |
Таблица 2. Длины ВЛЭП - 220 кВ, (км)
| Обозначение ЛЭП | Л-1 | Л-2 | Л-3 | Л-4 | Л-5 | Л-6 | Л-7 | Л-8 | Л-9 |
| Длина | 55 | 59 | 28 | 42 | 44 | 51 | 39 | 49 | 29 |
| Марка провода | АСО-240 | ||||||||
Таблица 3. Параметры турбогенераторов на электростанциях
| Номер электростанции | Тип агрегата | Номинальная мощность генератора Sн. ген, МВА | Uном, кВ | Удельная расходная характеристика агрегата / (2,5 |
| Удельная повреждаемость раз/год |
| ЭС-1 ЭС-2 | ТВФ-100 ТВВ-200 | 117,5 235 | 10,5 15,75 | 0,38+Р2,8 0,44+Р3,4 | 0,85 0,85 | 0,015 0,002 |
Таблица 4. Типовые графики нагрузки активной мощности для рабочего дня
| № варианта | 2 |
| Откл. ТГ на эл. Станции | ЭС-1 |
| Откл. ВЛЭП | Л-6 |
Таблица 5. Параметры ВЛЭП
| Обозначение ВЛЭП | Л-1 | Л-2 | Л-3 | Л-4 | Л-5 | Л-6 | Л-7 | Л-8 | Л-9 |
| L, км | 55 | 59 | 28 | 42 | 44 | 51 | 39 | 49 | 29 |
| Ri, Ом | 6,49 | 6,962 | 3,304 | 4,956 | 5, 192 | 6,018 | 4,602 | 5,782 | 3,422 |
| Xi, Ом | 23,925 | 25,665 | 12,18 | 18,27 | 19,14 | 22,185 | 16,965 | 21,315 | 12,615 |
| Bi, мкСм | -143,22 | -153,64 | -72,91 | -109,37 | -114,58 | -132,8 | -101,56 | -127,6 | -75,516 |
Марка провода - АСО-240 (R0 = 0,121 Ом/км; Х0 = 0,435 Ом/км; В0 = 2,6
10-6 См/км;).
1.1 Прогнозирование суточных графиков нагрузки энергосистемы для активной, реактивной и полной мощностей и определение их характеристик
Цель работы: Ознакомиться с методами прогнозирования графиков нагрузки энергосистемы и отдельных отраслей промышленности; изучить и определить их основные характеристики; составить суточные графики активной, реактивной и полной нагрузок для рабочего дня, годовой график по продолжительности активной нагрузки для энергосистемы и найти значения желаемых напряжений у потребителей.
Графиками электрических нагрузок называются зависимости изменения активной мощности P (t), реактивной мощности Q (t) или полной мощности S (t) во времени. Мощность, потребляемая электроприемниками, является величиной переменной, т.к на нее влияет множество факторов. Например, время суток, время года, температура окружающей среды, освещенность, характер телевизионных передач и т.п. Графики электрических нагрузок обычно получают в виде графиков с помощью регистрирующих приборов или в табличной форме, более удобной для их математического описания и анализа.
Характеристики
Тип файла документ
Документы такого типа открываются такими программами, как Microsoft Office Word на компьютерах Windows, Apple Pages на компьютерах Mac, Open Office - бесплатная альтернатива на различных платформах, в том числе Linux. Наиболее простым и современным решением будут Google документы, так как открываются онлайн без скачивания прямо в браузере на любой платформе. Существуют российские качественные аналоги, например от Яндекса.
Будьте внимательны на мобильных устройствах, так как там используются упрощённый функционал даже в официальном приложении от Microsoft, поэтому для просмотра скачивайте PDF-версию. А если нужно редактировать файл, то используйте оригинальный файл.
Файлы такого типа обычно разбиты на страницы, а текст может быть форматированным (жирный, курсив, выбор шрифта, таблицы и т.п.), а также в него можно добавлять изображения. Формат идеально подходит для рефератов, докладов и РПЗ курсовых проектов, которые необходимо распечатать. Кстати перед печатью также сохраняйте файл в PDF, так как принтер может начудить со шрифтами.















