151714 (621892), страница 5
Текст из файла (страница 5)
Рисунок 11 - Зависимость В/Р=f (Рк).
Рисунок 12 - Зависимость расхода топлива от мощности нагрузки.
Рисунок 13 - Зависимость В/Р=f (Рк).
Количество питающих линий для нагрузок определяется как:
где Рпр - пропускная способность линии, взятая из таблицы 20.
Таблица 20.
| Напряжение линии | Сечение провода | Передаваемая мощность, МВт | Длина линии Электропередач, км | ||
| U, кВ | h, мм | Натуральная | При плотности тока 1.1 А/мм2 | Предельная при КПД=0.9 | Средняя (между двумя соседними пс) |
| 10 | - | - | 5 | - | - |
| 35 | 16 - 150 | - | 12 | 50 | - |
| 110 | 70 - 240 | 30 | 13 - 45 | 80 | 25 |
| 220 | 240 - 400 | 135 | 90 - 150 | 400 | 100 |
| 330 | 3×300 - 3×500 | 360 | 270 - 450 | 700 | 130 |
| 500 | 5×300 - 3×500 | 900 | 770 - 1300 | 1200 | 280 |
| 750 | 5×300 - 5×400 | 2100 | 1500 - 2000 | 2200 | 300 |
| 1150 | 8×300 - 8×500 | 5200 | 4000 - 6000 | 3000 | - |
Для нагрузки Н7:
Для нагрузки Н8:
2. Определение коэффициентов формулы потерь активной и реактивной мощностей. Экономическое распределение активной мощности между электростанции по критерию: "Минимум потерь активной мощности"
Критерием экономичного распределения активной мощности является минимум затрат на ведение режима энергосистемы, который характеризуется равенством удельных приростов этих затрат.
Распределение активных мощностей между электростанциями ведётся с учётом изменения потерь в сетях. Для этого необходимо знать коэффициенты распределения активных мощностей С1, С2, С12.
Данные коэффициенты определится для часа максимума системного графика нагрузки и ремонтного режима. Сделать это можно аналитически при помощи метода наложения.
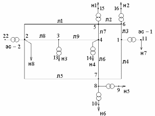
Для каждого из вышеперечисленных режимов следует произвести расчет потоков мощности в сетевой части схемы (рис.2) при поочередном питании от обеих станций:
1) питание осуществляется от ЭС-1;
2) питание осуществляется от ЭС-2.
Расчет потоков мощности можно произвести по любой из программ расчета установившегося режима, например по программе DAKAR.
Рисунок 13 Расчётная схема энергосистемы.
Расчет потоков мощности можно произвести по любой из программ расчета установившегося режима, например по программе DAKAR.
Далее определяются частичные потоки активной мощности в относительных единицах, когда одна из электростанций отключена:
,
Для режима, соответствующего часу максимума:
,
По результатам расчетов следует заполнить таблицу 20.
Таблица 21. Коэффициенты распределения активной мощности.
| № ЛЭП | Rлi, Ом | k1i | k2i | k1ik1iRлi | k2ik2iRлi | k1ik2iRлi | ||
| 1 | 6,490 | -0,128 | -0,127 | 0,107 | 0,105 | 0,106 | ||
| 2 | 6,962 | 0,244 | -0,169 | 0,415 | 0, 198 | -0,287 | ||
| 3 | 3,304 | 0,273 | -0,106 | 0,246 | 0,037 | -0,095 | ||
| 4 | 4,956 | 0,473 | -0,187 | 1,110 | 0,174 | -0,439 | ||
| 5 | 5, 192 | -0,211 | 0,356 | 0,231 | 0,657 | -0,390 | ||
| 6 | 6,018 | 0,092 | -0,046 | 0,050 | 0,013 | -0,025 | ||
| 7 | 4,602 | -0,057 | -0,013 | 0,015 | 0,001 | 0,003 | ||
| 8 | 5,782 | -0,047 | 0,188 | 0,013 | 0, 205 | -0,051 | ||
| 9 | 3,422 | 0,093 | -0,109 | 0,029 | 0,040 | -0,034 | ||
| 2,217 | 1,429 | -1,213 | ||||||
Просуммировав элементы по 5, 6 и 7 столбцам получаем искомые коэффициенты распределения активной мощности сети С1, С2, С12.
Таблица 22. Коэффициенты распределения активной мощности для аварийного режима
| . № ЛЭП | Rлi, Ом | k1i | k2i | k1ik1iRлi | k2ik2iRлi | k1ik2iRлi | |||
| 1 | 6,490 | -0,106 | 0,159 | 0,072 | 0,164 | -0,109 | |||
| 2 | 6,962 | 0,272 | -0,129 | 0,515 | 0,115 | -0,244 | |||
| 3 | 3,304 | 0,303 | -0,108 | 0,304 | 0,038 | -0,108 | |||
| 4 | 4,956 | 0,437 | -0,156 | 0,948 | 0,120 | -0,338 | |||
| 5 | 5, 192 | -0,263 | 0,285 | 0,359 | 0,422 | -0,389 | |||
| 6 | 6,018 | 0,000 | 0,000 | 0,000 | 0,000 | 0,000 | |||
| 7 | 4,602 | -0,101 | 0,016 | 0,047 | 0,001 | -0,008 | |||
| 8 | 5,782 | -0,009 | 0,122 | 0,001 | 0,085 | -0,007 | |||
| 9 | 3,422 | 0,050 | -0,072 | 0,009 | 0,018 | -0,012 | |||
| 2,25526 | 0,96481 | -1,21451 | |||||||
3. Экономичное распределение активной нагрузки между электростанциями по критерию равенства относительных приростов расхода условного топлива с учетом сетевого фактора. Построение суточных графиков активных мощностей для электростанции
В рассматриваемой энергосистеме регулирование частоты следует поручить одной из электростанций, которую называют регулирующей.
Это необходимо для того, чтобы выделить станцию, работающую с относительно постоянной нагрузкой, в базовой части графика нагрузки энергосистемы.
Для того чтобы выбрать регулирующую станцию необходимо найти резервы мощности в час максимальной нагрузки.















