151525 (621763), страница 3
Текст из файла (страница 3)
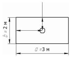
Согласно расчету в данном помещении необходимо разместить четыре светильника данного типа.
Рисунок 3 – План венткамеры
1.4.3 Выбор источника света
Определим мощность осветительной установки методом удельной мощности. Этот метод является упрощением метода коэффициента использования и рекомендуется для расчета освещения второстепенных помещений, а также осветительной нагрузки, когда расчет освещения не входит в задание проекта.
(1.12)
где РЛ – мощность лампы, Вт; N – число светильников; РУД.Ф – фактическая удельная мощность освещения, которая определяется по следующей формуле:
(1.13)
где РУД.Т – табличная удельная мощность освещения, которая выбирается по справочной литературе в зависимости от типа светильника, размеров помещения, коэффициентов отражения стен и потолка, высоты подвеса светильника, Вт/м2; РУД.Т = 20,5 (для КСС Д1 при коэффициентах отражения рп=50, рс=30, ррп=10;
=1,3;
=1,15;
=100 лк; h=2-3 м; S=25-50 м2) [3, c 90]
–фактический коэффициент запаса;
–табличный коэффициент запаса;
– фактическая нормированная освещенность, лк;
–табличная нормированная освещенность, лк.
Вт/м2
Вт/м2.
По этому значению выберем стандартную лампу: БК215-225-40 [3, с.98].
1.5 Насосная
1.5.1 Выбор светового прибора
| Световой прибор | IP | КСС | КПД, % | Мощность ламп, Вт |
| НПП02[5,с.240] | IP54 | Д1 | 70 | 100 |
| НПП03[5,с.240] | IP54 | Д1 | 50 | 100 |
| НСП23[3,с.62] | IP54 | Д1 | 60 | 200 |
| НПП25[3,с.62] | IP54 | М | 60 | 100 |
| Н4Т2Н[3,с.62] | IP54 | Д1 М | 55 70 | 300 |
| Н4БН[3,с.62] | IP54 | Д1 М | 55 70 | 150 |
| ВЗГ/В4А-200МС [3,с.62] | IP54 | Д1 М | 60 80 | 200 |
| ПСХ 60М[5,с.240] | IP54 | Д1 | 65 | 60 |
В соответствии с технико-экономическими критериями (конструктивным исполнением, светотехническими характеристиками и экономическими показателями) выберем для освещения данного помещения световой прибор НПП02.
1.5.2 Размещение светильников на плане
Определим расчетную высоту осветительной установки по формуле (1.2):
hсв=0, м; hр =0,8 м,
м.
Так как световой прибор НПП02 имеет кривую силы света типа Д1, то
λс = 1,4 и λэ = 1,6 [4, с.12].
Определяем расстояние между светильниками из соотношения:
λс Нр L λэ Нр,
м.
Определим количество световых приборов в помещении:
N=na nb=2 1=2.
Крайние светильники устанавливаются на расстоянии (0,3…0,5)L от стены:
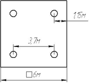
Согласно расчету в данном помещении необходимо разместить два световых прибора данного типа.
Рисунок 4 – План насосной
1.5.3 Выбор источника света
Определим мощность осветительной установки методом коэффициента использования светового потока.
Определим индекс помещения по формуле (1.8):
Далее по справочной литературе определим коэффициент использования светового потока.
Принимаем η=0,39 [3, с.83]
Вычислим световой поток ламп в светильнике по формуле (1.9):
Для ЛН рекомендуется Z = 1,15.
лм.
Далее по найденному значению светового потока выберем стандартную лампу и рассчитаем отклонение расчетного потока от каталожного по формуле (1.10): ФН=715 лм Б215-225-60 [5, с.62].
Определим удельную мощность осветительной установки:
(1.11)
где Рл – мощность лампы, Вт; N – количество светильников; А – площадь помещения, м2.
Вт/м2.
1.6 Уборная
1.6.1 Выбор светового прибора
| Световой прибор | IP | КСС | КПД, % | Мощность ламп, Вт |
| НПП03[5,с.240] | IP54 | Д1 | 50 | 100 |
| НСП23[3,с.62] | IP54 | Д1 | 60 | 200 |
| НПП25[3,с.62] | IP54 | М | 60 | 100 |
| Н4Т2Н[3,с.62] | IP54 | Д1 М | 55 70 | 300 |
| Н4БН[3,с.62] | IP54 | Д1 М | 55 70 | 150 |
| ВЗГ/В4А-200МС [3,с.62] | IP54 | Д1 М | 60 80 | 200 |
| ПСХ 60М[5,с.240] | IP54 | Д1 | 65 | 60 |
Учитывая высокий КПД, требования к КСС и степень защиты, выбираем светильник НСП23.
1.6.2 Размещение светильников на плане
Определим расчетную высоту осветительной установки по формуле (1.2):
Нр = Н0 – hсв – hр ,
hсв=0,4, м; hр =0, м
м,
Так как световой прибор НСП23 имеет кривую силы света типа Д1, то λс = 1,4 и λэ = 1,6 [4, с.12].
Определяем расстояние между светильниками из соотношения (1.1):
λс Нр L λэ Нр,
.
Принимаем L=3,3м.
Количество световых приборов в данном помещении: N=1.
Рисунок 5 – План уборной
1.6.3 Выбор источника света
Определим мощность осветительной установки методом коэффициента использования светового потока.
Определим индекс помещения по следующей формуле:
где а, b – длина и ширина помещения,
Далее по справочной литературе определим коэффициент использования светового потока. Этот коэффициент учитывает долю светового потока генерируемого источником света, доходящую до рабочей поверхности.
Принимаем η=0,25 [3, с.83].
Вычислим световой поток ламп в светильнике по формуле (1.9):
где η – коэффициент использования светового потока светильника;
z – коэффициент неравномерности, z=1,1…1,2 [4, с.10].
Для ЛН рекомендуется Z = 1,15.
лм.
Далее по найденному значению светового потока выберем стандартную лампу и рассчитаем отклонение расчетного потока от каталожного по формуле (1.10): ФН=2220 лм, Б215-225-150 [3, с.98].
Определим удельную мощность осветительной установки по формуле (1.11):
где Рл – мощность лампы, Вт; N – количество светильников; А – площадь помещения, м2.
Вт/м2
1.7 Электрощитовая
1.7.1 Выбор светового прибора
Таблица 6 – Технические характеристики светильников
| Световой прибор | IP | КСС | КПД, % | Количество ламп | Мощность ламп, Вт |
| ЛСП02[3,с.60] | IP20 | Д2 | 75 | 2 | 40, 65, 80 |
| ЛВП06 [3,с.60] | IP20 | Д2, Д3 | 75 | 2 | 40, 80 |
Учитывая высокий КПД, требования к КСС и степень защиты, выбираем светильник ЛСП02.
1.7.2 Размещение светильников на плане
Определим расчетную высоту осветительной установки по формуле
(1.2):
Нр = Н0 – hсв – hр
hсв=0,1 м; hр =1,5м,
м.
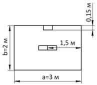
Рисунок 6 – План электрощитовой
1.7.3 Выбор источника света
Определяем мощность осветительной установки точечным методом.
Точечный метод применяется для расчета общего равномерного и локализованного освещения помещений и открытых пространств, а также местного освещения при любом расположении освещаемых поверхностей.
Так как длина светового прибора больше 0,5НР (линейный источник света),то сначала определяем относительную освещенность:
(1.14)
где
–горизонтальная относительная освещенность, лк.
Численные значения
находим по кривым изолюкс в зависимости от приведенной длины
и удаленности точки от светящейся линии
(1.15)
где L–длина светильника, м.
















