151525 (621763), страница 2
Текст из файла (страница 2)
hр – высота рабочей поверхности от пола, м.
Нр=2,7-0,4-0=2,3 м.
Для КСС типа Д1 λс = 1,4 и λэ = 1,6 [4, с.12],
1,42,3 L 2,31,6,
3,22 L 3,68,
принимаем L=3,6м.
Количество рядов светильников определяется по формуле:
(1.3)
где в - ширина помещения, м;
Количество светильников в ряду определяется по формуле:
(1.4)
где a - длина помещения, м;
b=18 м, а=36 м,
Общее количество светильников:
N=nanb=510=50 (1.5)
Крайние светильники устанавливаются на расстоянии (0,3…0,5)L от стены:
(1.6)
(1.7)
Рисунок 1 – План помещения для содержания бройлеров
1.2.3 Выбор источника света
Метод коэффициента использования светового потока применяется для расчета общего равномерного освещения горизонтальных поверхностей только закрытых помещений со светлыми ограждающими поверхностями.
Определим мощность осветительной установки методом использования светового потока.
Определим индекс помещения по формуле:
=
,(1.8)
где a, b –длина и ширина помещения, м.
=
=
.
По справочной литературе определим коэффициент использования светового потока η. Этот коэффициент равен отношению светового потока, доходящего до рабочей поверхности, к световому потоку, генерируемого источником света.
Для светильника ЛСП15 с КСС типа Д1, при коэффициентах отражения рп=50, рс=30, ррп=10 и индекс помещения i=5 выбираем η=0,62 [3,с.72].
Вычислим световой поток ламп в светильнике по формуле:
(1.9)
где EН–нормированная освещенность, лк; А–площадь помещения, м2;
–коэффициент запаса; η – коэффициент использования светового потока;
z – коэффициент неравномерности, z=1,1…1,2; N–число светильников;
η – коэффициент использования светового потока;
Для ЛЛ : z = 1,1 [4, с.22].
Поскольку ламп две, то
=
=
Лампа ЛСП15 мощностью 40 Вт имеет световой поток 3000 лм, поскольку это значение намного больше расчетного, то возвращаемся к таблице 3, выбираем светильник Н2Т3Л, так как у него относительно высокий КПД, рекомендуемая КСС,
степень защиты IP 54.
Для КСС типа М λс = 2 и λэ = 2,6 [4, с.12],
22,3 L 2,62,3,
4,6 L 5,98,
принимаем L=4,7м.
Количество рядов светильников определяется по формуле (1.3):
где в - ширина помещения, м;
Количество светильников в ряду определяется по формуле (1.4):
где a - длина помещения, м; b=18 м, а=36 м,
Общее количество светильников определим по формуле (1.5):
N=nanb=84=32.
Крайние светильники устанавливаются на расстоянии (0,3…0,5)L от стены:
Рисунок 2 – План помещения для содержания бройлеров
Определим мощность осветительной установки методом использования светового потока.
Определим индекс помещения по формуле (1.8):
i=
,
где a, b –длина и ширина помещения, м.
Далее по справочной литературе определим коэффициент использования светового потока. Этот коэффициент равен отношению светового потока, доходящего до рабочей поверхности, к световому потоку, генерируемому источником света.
Для светильника Н4Т4Л c КСС М, при коэффициентах отражения равных рп=50, рс=30, ррп=10 и индексе помещения i=5 выбираем
η=0,41 [3, с.71].
Вычислим световой поток ламп в светильнике по формуле:
(1.9)
где EН–нормированная освещенность, лк; А–площадь помещения,м2;
–коэффициент запаса; η – коэффициент использования светового потока;
z – коэффициент неравномерности, z=1,1…1,2; N–число светильников;
η – коэффициент использования светового потока;
Для ЛЛ : Z = 1,1 [4, с.22].
Поскольку лампа одна, то Фл=Фсв=3531 лм
Далее по найденному значению светового потока выберем стандартную лампу и рассчитаем отклонение расчетного потока от каталожного по формуле: ФН=3200 лм, ЛБ40-1 [5, с.76].
(1.10)
Определим удельную мощность осветительной установки:
(1.11)
де Рл – мощность лампы, Вт; N – количество светильников;
n – количество ламп в светильнике; А – площадь помещения, м2.
Вт/м2.
1.3 Подсобное помещение
1.3.1 Выбор светового прибора
Таблица 4 – Технические характеристики светильников
| Световой прибор | IP | КСС | КПД, % | Мощность ламп, Вт |
| НСО11[4,с.43] | IP20 | Д | 75 | 100 |
| НПП04[4,с.43] | IP20 | М | 55 | 60 |
Для данного помещения выбираем светильник НСО11, так как у него допустимая степень защиты IP20, рекомендуемая КСС и наибольший КПД.
1.3.2 Размещение светильников на плане
Определим расчетную высоту осветительной установки по формуле (1.2):
hсв=0,3, м; hр =0 м,
м.
Так как световой прибор НСП17 имеет кривую силы света типа Ш, то
λс = 1,6 и λэ = 1,8 [4, с.12].
Определяем расстояние между светильниками из соотношения:
λс Нр L λэ Нр
принимаем L=3 м.
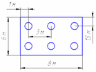
Количество рядов светильников определяется по формуле (1.3):
Количество светильников в ряду определяется по формуле (1.4):
Общее количество светильников:
N=na nb=3 2=6.
Крайние светильники устанавливаются на расстоянии (0,3…0,5)L от стены:
Согласно расчету в данном помещении необходимо разместить 6 световых приборов данного типа.
Рисунок 3 – План подсобного помещения
1.3.3 Выбор источника света
Определим мощность осветительной установки методом коэффициента использования светового потока.
Определим индекс помещения:
где а, b–длина и ширина помещения, м; Нр– расчетная высота осветительной установки.
принимаем:
=1,5.
Далее по справочной литературе определим коэффициент использования светового потока.
Для светильника НСО11 с КСС типа Д2, при коэффициентах отражения рп=50, рс=30, ррп=10 и индекс помещения i=1,5 выбираем η=0,41 [3, с. 78].
Вычислим световой поток ламп в светильнике по формуле (1.9):
Для ЛН рекомендуется Z = 1,1..1,2 [4, с.22].
Принимаем Z=1,15
лм.
Далее по найденному значению светового потока выберем стандартную лампу и рассчитаем отклонение расчетного потока от каталожного по формуле (1.10):
ФН=220 лм, Б220-235-40 [3, с.98].
Определим удельную мощность осветительной установки по формуле
(1.11):
Вт/м2.
1.4 Венткамера (2 помещения)
1.4.1 Выбор светового прибора
Таблица 5 – Технические характеристики светильников
| Световой прибор | IP | КСС | КПД,% | Мощность ламп, Вт |
| НПП02[5,с.240] | IP54 | Д1 | 70 | 100 |
| НПП03[5,с.240] | IP54 | Д1 | 50 | 100 |
| НСП23[3,с.62] | IP54 | Д1 | 60 | 200 |
| НПП25[3,с.62] | IP54 | М | 60 | 100 |
| Н4Т2Н[3,с.62] | IP54 | Д1 М | 55 70 | 300 |
| Н4БН[3,с.62] | IP54 | Д1 М | 55 70 | 150 |
| ВЗГ/В4А-200МС [3,с.62] | IP54 | Д1 М | 60 | 200 |
Для данного помещения выбираем светильник НПП02, так как у него допустимая защита IP54, рекомендуемая КСС и относительно высокий КПД.
1.4.2 Размещение светильников на плане
Расчетная высота осветительной установки определяется по формуле (1.2): Нр = 2,7 – 0,07 – 0 = 2,63 м.
Определяем расстояние между светильниками из соотношения:
λс Нр L λэ Нр
Для КСС типа Д1 λс = 1,4 и λэ = 1,6 [4, с.12].
1,4 2,63 L 1,6 2,63
3,68 L 4,2
Принимаем L=3,7м.
Количество рядов светильников определяется по формуле (1.3):
Количество светильников в ряду определяется по формуле (1.4)
Общее количество светильников: N=na nb=2 2=4.
Крайние светильники устанавливаются на расстоянии (0,3…0,5)L от стены:
















