150775 (621409), страница 6
Текст из файла (страница 6)
Dвыпор=0.005 *GПВ
Dд.hд пар+(DII+Dпп1+Dпп2+DI+DIII+Gс)hслП5+G’ОК.hОК=GПВhсл д+Dвыпор.hвыпор
Из этого уравнения определим Dд
Dд=[GПВ(hсл д+0.005hвыпор-hок)+(DII+Dпп1+Dпп2+DI+DIII+Gс)(hок-hслП5)]/(hд пар-hОК)
Dд=41,114-0,009*Y
Теперь поставляя полученные уравнения для определения значения Y в уравнениях
G'ОК=1.005GПВ-DII-Dпп1-Dпп2-DI-DIII-Gс-Dд
G'ОК=Y-Gс
G'ОК=1563,397-0,13 * Y
G'ОК=0,890 *Y
получим
Y=1532,3 кг/с
и следовательно
Gc=168,7кг/с
Dпп1вх=68,8 кг/с
Dпп2вх=75,5 кг/с
DI=61,6 кг/с
DII=62,7 кг/с
DIII=63,7 кг/с
Dд=27,2 кг/с
GПВ=1882,5 кг/с
G’ОК=1363,7 кг/с
D=D0+DПП= 1836,4 кг/с
Расчет процессов в ПНД
ПНД4
Энтальпия пара на входе в П4 из 4-го отбора :
hП4=2823,2 кДж/кг
Параметры спива на выходе из П5:
tS,П4=158 °С
hсл п4=f(pп4,tП4)= 666,9 кДж/кг
Количество пара 4-го отбора на входе П4 определяется на основании совместного решения уравнений теплового и материального баланса П4. Запишем уравнение ТБ сепратора, учитывающее материальный баланс.
DIV.(hП4-hсл п4)= G’ОК.срΔt
Из этого уравнения определим DIV
DIV= G’ОК.срΔt/(hП4-hсл п4)
DIV=84,8 кг/с
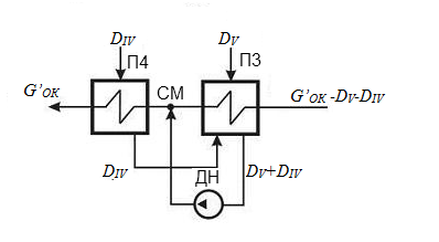
ПНД3
Энтальпия пара на входе в П3 из 5-го отбора :
hП3=2694,5 кДж/кг
Параметры спива на выходе из П3:
tS,П3=128 °С
hсл п3=f(pп3,tП3)= 537,8 кДж/кг
Количество пара 5-го отбора на входе П3 определяется на основании совместного решения уравнений теплового и материального баланса П3. Запишем уравнение ТБ сепратора, учитывающее материальный баланс.
DV.hП4+DIVhсл п4-(DV+DIV)hсл п3=( G’ОК -DV-DIV)срΔt
Из этого уравнения определим DV
DV= G’ОК.срΔt-DIV(hсл п4-hсл п3+срΔt)/(hп3-hсл п3+срΔt)
DV=65,6 кг/с
ПНД2
Энтальпия пара на входе в П2 из 6-го отбора :
hП2=2418,4 кДж/кг
Параметры спива на выходе из П2:
tS,П2=98 °С
hсл п2=f(pп2,tП2)= 410,6 кДж/кг
Количество пара 6-го отбора на входе П2 определяется на основании совместного решения уравнений теплового и материального баланса П2. Запишем уравнение ТБ сепратора, учитывающее материальный баланс.
DVI.(hП2-hсл п2)=( G’ОК -DV-DIV).срΔt
Из этого уравнения определим DVI
DVI=( G’ОК -DV-DIV).срΔt/(hП2-hсл п2)
DVI=70,9 кг/с
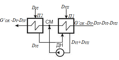
ПНД1
Энтальпия пара на входе в П1 из 7-го отбора :
hП1= 2415,9 кДж/кг
Параметры спива на выходе из П1:
tS,П1= 68 °С
hсл п1=f(pп1,tП1)= 284,64 кДж/кг
Количество пара 7-го отбора на входе П1 определяется на основании совместного решения уравнений теплового и материального баланса П1. Запишем уравнение ТБ сепратора, учитывающее материальный баланс.
DVII.hП1+DVIhсл п2-(DVI+DVII)hсл п1=( G’ОК -DV-DIV-DVI-DVII)срΔt
Из этого уравнения определим DVII
DVII=( G’ОК -DV-DIV)срΔt-DVI(hсл п2-hсл п1+срΔt)/(hп1-hсл п1+срΔt)
DVII=59,7 кг/с
Расход оснавного канденсата после канденсатора
Gok= G’ОК -DIII-DIV-DII-DI
Gok=1082,9 кг/с
С помощью полученных значений расходов получим расход на входе ЦСД:
D0ЦСД=(Y-Gc)-DТП= 1346,6 кг/с
ТЕПЛОФИКАЦИОНАЯ УСТАНОВКА
Промышленность и население необходимо снабжать не только электроэнергией, но и теплотой. Аналогично передаче электроэнергии по электрическим сетям, для подачи теплоты к потребителям существуют тепловые сети. Основным носителем теплоты для горячего водоснабжения и отопления является горячая вода. Соответствующая схема установки теплоснабжения показана на рис. 4. для случая, когда тепловая сеть представляет собой замкнутый контур, образованный подающей и обратной магистралями. Для циркуляции воды предусмотрен сетевой насос. Для восполнения убыли воды в связи с ее утечками и расходованием на бытовые нужды предусмотрена установка подготовки добавочной воды.
Вода подогревается в нескольких последовательных сетевых подогревателях. В теплоэнергетике принято осуществление этого подогрева в основном за счет теплоты
пара, частично проработавшего в турбине. Поэтому кроме конденсационных электростанций развиваются также теплоэлектроцентрали(ТЭЦ). Теплофикация, т. е. комбинированная выработка электроэнергии и теплоты, является характерной чертой отечественной энергетики.
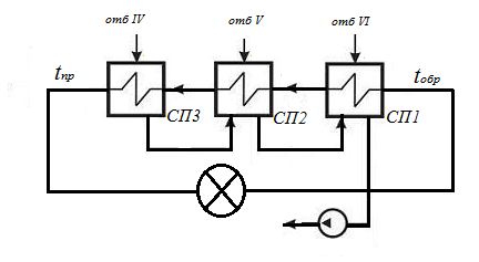
Рис. 4. Схема установки теплоснабжения:
1— сетевой насос;2— основной сетевой подогреватель;3— греющая среда основного сетевого подогревателя;4— пиковый сетевой подогреватель;5— греющая среда пикового сетевого подогревателя;6— подающая магистраль сетевой воды;7— тепловой потребитель;8— обратная магистраль сетевой воды;9— продувка тепловой сети;10 — подпиточный сетевой насос;11 — установка подготовки добавочной воды теплосети.
В этой работе задана теплофикационая установка, которая паказана на рис.5.
Рис.5. теплофикационая установка
Прямая и обратная температура в теплофикационой установке:
tпр=110 °С
tобр=65 °С
Количество сетевых подогревателей n=3.
Нагрев сетевой воды в каждом подогревателе:
ΔtСП=(tпр-tобр)/n=15.0 °С
Температуа сетевой воды в узловых точках теплофикационой установки
tСП1=tобр+ΔtСП=80.0 °С
tСП2=tСП1+ΔtСП=95.0 °С
tСП3=tСП2+ΔtСП=110.0 °С
Расход сетевой воды в теплофикационой установке:
GСП=QТП/[cp(tпр-tобр)]= 609,9 кг/с
По полученным температурам сетевой воды выбераем отборы турбиы, соответствующие с этими температурами. По параметрам отборов определяються энталпии слива из каждого подогревателя:
hсл СП3=h"=f(pV)= 548,79 кДж/кг
hсл СП2=h"=f(pV)= 548,79 кДж/кг
hсл СП1=h"=f(pVI)= 420,80 кДж/кг
Количество пара каждого отбора на входе подогревателей определяется на основании совместного решения уравнений теплового и материального баланса подогревателей. Запишем уравнение ТБ сепратора, учитывающее материальный баланс.
DСП3=GСП.ср.ΔtСП/(hV-hсл СП3)= 17,75 кг/с
DСП2=GСП.ср.ΔtСП-DСП3(hсл СП3-hсл СП2)/(hV-hсл СП2)= 17,75 кг/с
DСП1=GСП.ср.ΔtСП-DСП2(hсл СП2-hсл СП1)/(hVI-hсл СП1)= 16,81 кг/с
ОПРЕДЕЛЕНИЕ ВНУТРЕННЕЙ МОЩНОСТИ ТУРБИНЫ И ПОКАЗАТЕЛЕЙ ТЕПЛОВОЙ ЭКОНОМИЧНОСТИ
Существуют различные подходы при расчетах тепловых схем турбоустановок по способу задания исходных данных, по определению мощности и потоков пара и воды в элементах тепловой схемы. В [1] анализируются 4 способа задания исходных данных и определяемых величин. Так, например, если задается расход пара на турбину D0, то определяемой величиной при расчете тепловой схемы является электрическая мощность турбоустановки Nэ, и наоборот. При исходном задании величины пропуска пара в конденсатор турбины DK, определяемыми величинами являются D0, и Nэ.
Внутренная Мощность турбины
Наминальный расход пара перед СРК по[4] состовляет D=1836,4 кг/с
Протечки пара через уплотнения штоков клапанов турбины DпрКл=1.8 кг/c
Расход пара через СПП:
DПП2=75,5 кг/c
DПП1=68,8 кг/c
DС=Y=1532,3 кг/c
Протечки пара через уплотнения ЦСД ; DуплКл-ЦНД=1.4 кг/c
Расход пара на входе в ЦСД; D0ЦСД=1346,6 кг/c
Количество пара каждого подогревателя
DСП1=16,71 кг/c
DСП2=17,75 кг/c
DСП3=17,75 кг/c
расход пара через отсек
Dотс1=D0-DПП2-DпрКл=1759,0 кг/c
Dотс2=Dотс1-DПП1-DI= 1628,6 кг/c
Dотс3=Dотс2-DII= 1565,9кг/c
Dотс4=Dотс3-DIII-Dтп-Gc-Dд-DуплКл-ЦСД= 1314,1 кг/c
Dотс5=Dотс4 -DIV= 1229,74кг/c
Dотс6=Dотс5-DСП2-DСП3-DV-DуплКл-ЦНД = 1125,8 кг/c
Dотс7=Dотс6-DСП1-DVI= 1038,2 кг/c
Dотс8=Dотс7-DVII= 978,5 кг/c
Энталпия рабочего тела после СПП; hПП2= 2937,1 кДж/кг, за ЦНД hk= 2230,5 кДж/кг и перед ЦВД h0= 2776,5 кДж/кг
теплоререпад отсека
Δhотс1=h0-hI= 128,5 кДж/кг
Δhотс2=hI-hII= 47,9 кДж/кг
Δhотс3=hII-hIII= 50,2 кДж/кг
Δhотс4=hПП2-hIV= 102,6 кДж/кг
Δhотс5=hIV-hV= 126,4 кДж/кг
Δhотс6=hV-hVI= 129,4 кДж/кг
Δhотс7=hVI-hVII= 145,6 кДж/кг
Δhотс8=hVII-hk= 202,5 кДж/кг
Используя полученые значения, получаем внутреннюю мощность турбины:
Wi=Σ(Dотсj.Δhотсj)= 1168,0 МВт
КПД генератора и механический КПД турбогенератора приняты соответственно
ηмех= 0.99
ηг= 0.988
мощность на клеммах генератора
Nэ.расч=Wi.ηмех.ηг= 1142,4 МВт
Гарантированная мощность
Nэ=0.98Nэ.расч= 1119,6 МВт
Расход электроэнергии на привод насосов
КПД электроприводов всех наэсов[1]; ηпр= 0.86
Раход рабочего тела через конденсатные и дренажные насосы
Dк= 1082,7 кг/c
DдрП1= 130,6 кг/c
DдрП3= 150,4 кг/c
Повышение энтальпии воды в насосах
ΔhДН1= 2,0 кДж/кг
ΔhДН2= 1.9 кДж/кг
ΔhКН1= 3.2 кДж/кг
ΔhКН2= 3.4 кДж/кг
Для конденсатных насосов перого подъема
NКН1=ΔhКН1.Dk/ηпр= 4,066 МВт
Для конденсатных насосов втоого подъема
NКН2=ΔhКН2.Dk/ηпр= 4,243 МВт
Для дренажных насосов ДН1
NДН1=ΔhДН1.DдрП1/ηпр= 0,304 МВт
Для дренажных насосов ДН2
NДН2=ΔhДН2.DдрП3/ηпр= 0,0337 МВт
Суммарный расход электроэнергии на собственные нужды турбоустановки
















