150775 (621409), страница 5
Текст из файла (страница 5)
vнас – средний удельный объем перекачиваемой среды в м3/кг, определяется по температуре и среднему давлению среды в насосе; (vнас 0,001 м3/кг)
нас – КПД насоса.
(пн 0,8 0,82, кн дн 0,76 0,78).
Таким образом палучаются
Рпн= 9,20 МПа
Рк.н1 =2,52 МПа
Рк.н2 =2,63 МПа
Рдн1 =1,28 МПа
Рдн2 =1,49 Мпа
Повышение энтальпии воды в насосах
h пн = Р пн vнас103 / пн = 11,218 кДж/кг
h к.н1 = Р к.н1 vнас103 / к.н1 =3,229 кДж/кг
h к.н2 = Р к.н2 vнас103 / к.н2 =3,371 кДж/кг
h дн1 = Р дн1vнас103 / дн1 =1,639 кДж/кг
h дн2 = Р дн2vнас103 / дн2 =1,929 кДж/кг
ОПРЕЛЕЛЕНИЕ РАСХОДОВ РАБОЧЕГО ТЕЛА В УЗЛОВЫХ ТОЧКАХ ТЕПЛОВОЙ СХЕМЫ
Наминальный расход пара перед ЦВД по [4] состовляет D0=1761 кг/с. Расход пара на ТУ обазначается D, который направляется на ЦВД и ПП2 поэтому D =D0+DПП.
Потери при движении пара по трубопровадам принимаются следующим образом;
Утечки рабочего тела на II контуре DУТ=0,005.D
Потерь уплатнения DУПЛ= 0,012.D
Потерь эжектра DЭЖ=0,003.D
Расход рабочего тела в ПГ определяется по вырожению GПГ=D+DУТ+DУПЛ+DЭЖ . поэтому выражению и пречисленным потерям получается: GПГ=1,02.D
Продувки в ПГ состовляет GПР=0,005.GПГ и расход питательной воды определяется как сумма расход в ПГ и продувок
GПВ=GПГ+GПР
GПВ= 1,005.GПГ
GПВ= 1,0251.D
GПВ= 1,0251.(D0+DПП)
Расход питательной воды без учета расхода на СПП(ПП2) принимается G'ПВ=1,0251.D0 и соответствено G'ПВ=1805 кг/с
Обозначаем расход пара на выходе из ЦВД «Y» и решаем равнения теплового баланса и материального баланса через «Y».
Расчет процессов в сепараторах-пароперегревателях (СПП)
П2
С
П1
ЦВД
ЦСД
Сепаратор
Определим параметры пара перед сепаратора
ΔpПМ=0.01%
p'c=pIII(1-ΔpПМ)= 1,260 МПа
x'c=xIII=0,881
h'c=f(p'c,x'c)= 2549,4 кДж/кг
Давление пара после сепаратора:
Δpc=0.02%
pc=p'c(1-Δpc)= 1,235 МПа
При расчетах СПП следует иметь ввиду, что пар на выходе из ступени сепарации, при современных конструкциях сепараторов, имеет степень сухости от 0,99 до 0,995
(х = 0,99 … 0,995).
xc=0.990
Определим параметры пара на выходе из сепаратора:
hc=f(pc,xc)= 2764,96 кДж/кг
Среднее давление в сепараторе:
pccp=0.5(p'c+pc)= 1,248МПа
По среднему давлению в сепараторе определяем параметры сепарата (отсепарированной воды) на выходе из сепаратора с помощью WSP:
hдр=h'=f(pсср)= 806,37 МПа
Количество сепарата на выходе из сепаратора определяется на основании совместного решения уравнений теплового и материального баланса сепаратора. Запишем уравнение ТБ сепратора, учитывающее материальный баланс.
Y.h'c=(Y-Gc).hc+Gc.hдр
Из этого уравнения определим Gc
Gc=Y(h'c-hc)/(hдр-hc)= 0,1101*Y
Gc= 0,1101 *Y
Пароперегреватель 1 ступени
Определим параметры греющей среды перед ПП1
ΔpПМ= 0.01%
pПП1ВХ=pI(1-ΔpПМ)= 2,481 МПа
xПП1ВХ=xI=0,916
hПП1ВХ=f(pПП1ВХ,xПП1ВХ)= 2647,73 кДж/кг
Определим параметры конденсата в ПП1
hсл пп1=h'=f(pсл пп1)= 960,06 МПа
tсл пп1=ts=f(pсл пп1)= 223,5 °С
Определим параметры пара на выходе из ПП1:
ΔpПП1=0.03%
pПП1ВЫХ=pс(1-ΔpПП1)= 1,198 МПа
Δt1=10 °С
tПП1ВЫХ=tсл пп1-Δt1=223,5-10=213,5 °С
hПП1ВЫХ=f(pПП1ВЫХ,tПП1ВЫХ)= 2850,2 кДж/кг
Количество конденсата на выходе из ПП1 определяется на основании совместного решения уравнений теплового и материального баланса ПП1. Запишем уравнение ТБ сепратора, учитывающее материальный баланс.
(Y-Gс)(hпп1вых-hс)=Dпп1вх(hпп1вх-hслпп1), Gслпп1=Dпп1вх
Из этого уравнения определим Dпп1вх
Dпп1вх=(Y-Gc)(hпп1вых-hc)/(hпп1вх-hслпп1)= 0,045*Y
Dпп1вх=0,045*Y
Пароперегреватель 2 ступени
Определим параметры греющей среды перед ПП2
ΔpПМПГ=0.04%
ΔpПМСРК-ПП=0.02%
pПП2ВХ=pПГ(1-ΔpПМСРК-ПП-ΔpПМПГ)= 5,894 МПа
xПП2ВХ=0.995
hПП2ВХ=f(pПП2ВХ,xПП2ВХ)= 2777.82 кДж/кг
Определим параметры конденсата в ПП2
hсл пп2=h'=f(pсл пп2)= 1207.73 кДж/кг
Определим параметры пара на выходе из ПП1:
ΔpП2=0.03%
pПП2ВЫХ=pПП1ВЫХ(1-ΔpП2)= 1,162 МПа
tПП2ВЫХ=250 °С
hПП2ВЫХ=f(pПП2ВЫХ,tПП2ВЫХ)= 2937,13 кДж/кг
Количество конденсата на выходе из ПП2 определяется на основании совместного решения уравнений теплового и материального баланса ПП2. Запишем уравнение ТБ сепратора, учитывающее материальный баланс.
(Y-Gс)(hпп2ВЫХ-hпп1ВЫХ)=Dпп2ВХ(hпп1ВХ-hслпп2), Gслпп2=Dпп2ВХ
Из этого уравнения определим Dпп2вх, который обазначали раньше GПП
Dпп2ВХ=(Y-Gc)(hпп2ВЫХ-hпп2ВЫХ)/(hпп2ВХ-hслпп2)= 0,049*Y
Dпп2ВХ=0,049*Y
Теперь находим GПВ через Y:
GПВ= 1,0251.(D0+DПП)=1805+0,051Y
Расчет процессов в ПВД
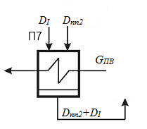
ПВД7
Энтальпия пара на входе в П7 из 1-го отбора :
hП7=2645,4 кДж/кг
Энтальпия спива ПП2 на входе в П7:
hслПП2вхП7= hслПП2. ηпот 7 =1206,5 кДж/кг
Параметры спива на выходе из П7:
tслП7= tS,П6=f(pп6)= 205 °С
hсл п7=f(pп7,tП7)= 875,25 кДж/кг
Для определения разности энталпий ПВ на входе и выходе П7 используется cp.Δt
cp=4.19 кДж/кг
Δt=17 °С
Количество пара 1-го отбора на входе П7 определяется на основании совместного решения уравнений теплового и материального баланса П7. Запишем уравнение ТБ сепратора, учитывающее материальный баланс.
DI.hП7+Dпп2. hслПП2вхП7=GПВ ср Δt+(Dпп2+DI)hсл п7
Из этого уравнения определим DI
DI=[GПВ ср Δt-Dпп2.( hслПП2вхП7-hслП7)]/(hП7-hсл п7)
DI=72,634-0,007*Y
ПВД6
Энтальпия пара на входе в П6 из 2-го отбора :
hП6=2594,9 кДж/кг
Энтальпия спива ПП1 на входе в П6:
hслПП1вхП6= hслПП1. ηпот 6 =958,14 кДж/кг
Параметры спива на выходе из П6:
tслП6= tS,П5=f(pп5)= 188 °С
hсл п6=f(pп6,tП6)= 798,9 кДж/кг
Для определения разности энталпий ПВ на входе и выходе П6 используется cp.Δt
cp=4.19 кДж/кг
Δt=17 °С
Количество пара 2-го отбора на входе П6 определяется на основании совместного решения уравнений теплового и материального баланса П6. Запишем уравнение ТБ сепратора, учитывающее материальный баланс.
DII.hП6+Dпп1. hслПП1вхП6+(DI+Dпп2).hслп7=GПВ.срΔt+(DII+Dпп1+Dпп2+DI).hсл п6
Из этого уравнения определим DII
DII=[GПВ ср Δt+Dпп1.(hслп6- hслПП1вхП6)+(DI+Dпп2).(hслп6-hслп7)]/(hП6-hсл п6)
DII=68,501-0,004*Y
ПВД5
Энтальпия пара на входе в П5 из 3-го отбора :
hП5=2542,3кДж/кг
Энтальпия спива сепаратора на входе из П5:
hсл свхП5= hсл c. ηпот 5 =803,95 кДж/кг
Температура дренажа греющего пара на выходе из подогревателей зависит от наличия в нем охладителя дренажа. Для подогревателей без охладителей дренажа температура дренажа равна температуре насыщения греющего пара в подогревателе. Для подогревателей с охладителями дренажа температура дренажа определяется по температуре обогреваемой среды на выходе из предыдущего подогревателя (подогревателя с меньшим значением давления отборного пара) с учетом минимального температурного напора на холодном конце охладителя дренажа и приращения температуры воды в смесителе, если он есть.
tдр j = ts j + t (21)
tдр j – температура дренажа греющего пара на выходе из j-го подогревателя;
ts j – насышенная температура обогреваемой среды;
.t–минимальный температурный напор на холодном конце охладителя дренажа ( tод = 5 12 С [3]);
δt=10 °С
tП5= tS,П5-δt =178 °С
Параметры спива на выходе из П5:
hсл п5=f(pп5,tП5)= 754,5 кДж/кг
Для определения разности энталпий ПВ на входе и выходе П5 используется cp.Δt
cp=4.19 кДж/кг
Δt=17 °С
Количество пара 3-го отбора на входе П5 определяется на основании совместного решения уравнений теплового и материального баланса П5. Запишем уравнение ТБ сепратора, учитывающее материальный баланс.
DIII.(hП5-hсл п5)+Gc.( hсл свхП5-hсл п5)+(DII+Dпп1+Dпп2+DI).(hслп6-hслп5)=GПВ ср Δt
Из этого уравнения определим DIII
DIII=[GПВ ср Δt-Gc.( hсл свхП5-hсл п5)-(DII+Dпп1+Dпп2+DI)(hслп6-hслп5)]/(hП5-hсл п5)
DIII=68,410-0,003*Y
Расчет процессов в деаэраторе
Энталпия выпора определяется выражением
hвыпор = hп х+ hвозд (1-х) ≈h"д=f(pд)
hвыпор≈h"д=f(pд)= 2762,1 кДж/кг
Энтальпия спива деаэратора:
hсл д=h'д=f(pд)= 694,4 кДж/кг
Энтальпия пара на деаэратор из 3-го отбора:
hд пар=hп5=2542,3 кДж/кг
Энтальпия основного конденсата при давлении примерно на 0,2 МПа выше давления в деаэраторе и температура перед деаэратором:
hОК=649,6 кДж/кг
Количество пара 3-го отбора на входе деаэратора определяется на основании совместного решения уравнений теплового и материального баланса деаэратора. Запишем уравнение ТБ сепратора, учитывающее материальный баланс.
G’ОК=GПВ+Dвыпор -DII-Dпп1-Dпп2-DI-DIII-Gс-Dд
















