150155 (621227), страница 2
Текст из файла (страница 2)
Смешивающие подогревателе горизонтального типа устанавливаются один над другим (гравитационная схема), что позволяет не использовать дополнительный насос для перекачки конденсата.
Деаэратор присоединяется через дроссельный регулирующий клапан к 3-му регенеративному отбору (предвключенная схема).
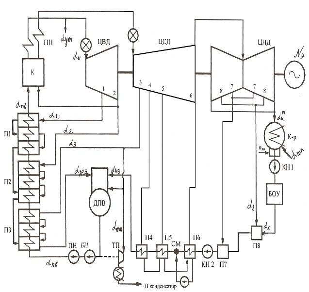
Рис. 1.1. Принципиальная тепловая схема блока
1.2. Построение процесса расширения водяного пара в проточной части турбины.
Первый этап расчета ПТС заключается в определении состояний водяного пара в ступенях турбины. Для этого строят процесс работы пара в турбине в h, S-диаграмме. Используем методику [4]. Исходными данными для построения процесса служат значения начального давления и температуры пара перед турбиной (р0, t0), давления и температуры промежуточного перегрева пара (рпп, tпп), конечного давления отработавшего пара в конденсаторе турбины рк. Кроме того, необходимо знать значения внутреннего относительного КПД отдельных отсеков (группы ступеней) турбины. КПД турбин новых типов (с новыми параметрами пара или повышенной мощности) при расчете ПТС определяют ориентировочно по аналогии с известными типами турбин в зависимости от объемного пропуска и перепада давлений пара в данном отсеке.
При построении процесса расширения пара в турбине учитываются потери давления:
-
в стопорных и регулирующих клапанах ЦВД р0=(0,04…0,05)р0;
-
в промежуточном пароперегревателе рпп=0,1рпп;
-
в стопорных клапанах ЦСД р=0,02рпп.
При расчете тепловой схемы принимаем:
-
давление питательной воды рпв=1,3р0
-
потеря давления воды в каждом ПВД pПВД=0,2 МПа
-
давление воды за конденсатным насосом КН-2, перед поверхностным ПНД pкн2=1,5 МПа
-
потеря давления воды в каждом ПВД pПНД=0,1 МПа
Точка 0' (перед соплами первой ступени турбины)
Из задания на расчет известны давление и температура пара перед стопорным клапаном
По ним находим из таблиц теплофизических свойств пара и воды значения энтальпии и энтропии
Оценим потери давления при течении в паровом сите, в стопорном и регулирующих клапанах
Тогда, давление в точке 0'
По значениям
и
определяем из таблиц теплофизических свойств пара и воды значения энтропии и температуры в точке 0'
Точка 2 (на выходе из ЧВД)
Из задания на расчет известны давление и температура промперегрева
По значениям
и
определяем из таблиц теплофизических свойств пара и воды значение энтропии
Потери давления в промежуточном пароперегревателе
Тогда, давление на выходе из ЦВД
По значениям
и
определяем из таблиц теплофизических свойств пара и воды теоретические значения энтальпии и температуры
Действительное значение энтальпии
По значениям
и
определяем из таблиц теплофизических свойств пара и воды значения энтропии и температуры
Точка ПП' (на входе в ЦСД)
Потери давления в стопорных клапанах ЦСД
По значениям
и
определяем из таблиц теплофизических свойств пара и воды значения энтропии и температуры
Точка 6 (на выходе из ЧСД)
Для построения процесса в ЦСД предварительно зададимся давлением за ним
По значениям
и
определяем из таблиц теплофизических свойств пара и воды теоретическое значение энтальпии
Действительное значение энтальпии
По значениям
и
определяем из таблиц теплофизических свойств пара и воды теоретическое значение энтропии
Точка к (на входе в конденсатор турбины)
Из задания на расчет известно конечное давление
По значениям
и
определяем из таблиц теплофизических свойств пара и воды теоретическое значение энтальпии
Действительное значение энтальпии
По значениям
и
определяем из таблиц теплофизических свойств пара и воды значения энтропии, степень сухости и температуру
По значению
находим значения энтальпии и энтропии на линии насыщения конденсата из таблиц теплофизических свойств пара
Точка ПВ (на входе в паровой котёл)
Температура питательной воды задана
Принимаем давление питательной воды
По значениям
и
определяем из таблиц теплофизических свойств пара и воды значения энтропии, энтальпии и объема
Деаэратор (предвключенный в 3-й отбор)
Давление в деаэраторе задано
По значению
находим значения энтальпии, температуры и объема на линии насыщения конденсата из таблиц теплофизических свойств пара
Давление воды за П4 (на входе в деаэратор)
Принимаем подогрев воды в деаэраторе
Температура воды на входе в деаэратор (после П4)
По значениям
и
определяем из таблиц теплофизических свойств пара и воды значение энтальпии воды на входе в деаэратор
1.3. Распределение регенеративного подогрева по ступеням.
Р
егенеративный подогрев питательной воды на КЭС при промежуточном перегреве пара имеет ряд особенностей. Относительное повышение КПД от регенерации при промежуточном перегреве пара меньше, чем без него, так как КПД исходного цикла без регенерации более высок, а отборы пара после промежуточного перегрева уменьшаются. Пар в отборах после промежуточного перегрева имеет более высокую энтальпию, чем пар такого же давления в турбине без промежуточного перегрева. Использование более перегретого пара для подогрева воды менее выгодно из-за уменьшения отборов пара на регенерацию и увеличения пропуска пара в конденсатор и, следовательно, потери теплоты в нем.
Давление первого отбора пара из ЦВД выбирают в зависимости от технико-экономического обоснования оптимальной температуры питательной воды tПВ. Одним из регенеративных отборов, обычно вторым, является отбор из противодавления ЦВД, из холодной линии промежуточного перегрева. В подогреватель №3 поступает пар с наибольшим перегревом. При обычной схеме включения пароохладителя этого подогревателя вследствие большей необратимости процесса теплообмена в горячей ступени применяют подогрев в холодной ступени (паром за ЦВД) 2>3, а именно 2=(1,31,7)3.
При известном значении tпв и равномерном распределении подогрева по ступеням для любого подогревателя системы
,
где hпв – энтальпия питательной воды, кДж/кг; h'к – энтальпия конденсата, кДж/кг; z – число подогревателей.
Если первый отбор за промежуточным перегревателем провести при давлении пара, близком к давлению на входе в ЧСД турбины (непосредственно за промежуточным перегревателем), то КПД цикла не только не возрастет, но даже уменьшится. По мере снижения давления в этом отборе КПД цикла начинает возрастать. Из этого следует, что существует точка на линии расширения пара за перегревателем, в которой расположение регенеративного отбора не оказывает никакого влияния на КПД цикла. Эта точка названа индифферентной точкой линии расширения за перегревателем. Параметры ИТ определяют из условия равенства КПД турбоустановки с дополнительным «горячим» отбором и без него.
1.3.1. Первый ПВД (П1)
Т
емпература питательной воды известна и является температурой за П1
Температура, при которой происходит конденсация пара определяется
Недогрев до температуры насыщения, также задан
По температуре насыщения
находим значения давления и энтальпии из таблиц теплофизических свойств пара
Определяем давление пара в отборе
Из процесса работы пара в турбине в h, S-диаграмме, находим значения энтальпии и энтропии пара в отборе
По значениям
и
определяем из таблиц теплофизических свойств пара и воды значение температуры
1.3.2. Второй ПВД (П2)
Второй отбор пара совмещен с холодной ниткой промежуточного перегрева. Поэтому параметры пара в отборе нами получены ранее, при рассмотрении Точки 2 процесса расширения пара в турбине
Определяем давление пара в подогревателе
По значению
определяем из таблиц теплофизических свойств пара и воды значения энтальпии и температуры в подогревателе
С учетом недогрева воды в ПВД, определяем температуру воды за ним
Давление воды в ПВД с учетом потерь
По значениям
и
определяем из таблиц теплофизических свойств пара и воды значение энтальпии воды за П2
Температурный напор в охладителях дренажа
Температура охлажденного дренажа
Энтальпия охлажденного дренажа по значениям
и















