150155 (621227), страница 9
Текст из файла (страница 9)
Коэффициент трения
Коэффициент сопротивления трения
Суммарный коэффициент сопротивления участка входа (выхода), с учетом коэффициент сопротивления поворота во входной камере м=1,5
Потеря давления воды на участке входа (выхода)
3.4.2. Участок трубной системы
Коэффициент трения в трубках подогревателя
Коэффициент сопротивления трения
Местные коэффициенты сопротивления на участке трубной системы:
-
входа в трубную систему вх.тр=0,5
-
поворота потока на 180 в трубах пов.тр=0,5
-
выхода из трубок вых.тр=1
-
поворота потока в промежуточной камере пов_к=2,5
Суммарный коэффициент сопротивления трубной системы
Потеря давления воды на втором участке
Общее гидравлическое сопротивление подогревателя
3.5. Расчет на прочность.
Задачей расчета является определение минимально допустимой толщины стенки отдельных элементов, гарантирующей их достаточную прочность в условиях длительной эксплуатации теплообменника при номинальных (расчетных) параметрах теплоносителей. Исходными при этом являются данные теплового, конструкторского и гидравлического расчетов.
Расчет ведем по методики [7].
Расчетное давление (наибольшее одностороннее рабочее давление одного из теплоносителей) p=1,25 МПа.
Рассчитаем номинальное допустимое напряжение (Сталь 20, при температуре стенки tст=141.6C), применяя линейную интерполяцию:
Внутренний диаметр корпуса определили ранее Dвн=1600 мм, а высоту днища определяем из прототипа hв=443 мм.
3.5.1. Расчет толщины стенки корпуса
Допускаемое напряжение
Коэффициент прочности для регенеративного подогревателя =1.
Принимаем значение добавки к расчётной толщине, учитывающей коррозию металла и отклонение при изготовлении C=1 мм.
Номинальная толщина стенки корпуса, подверженная наружному давлению, должна быть не менее определенной по формуле:
принимаем ст=10 мм.
Наибольший допустимый диаметр неукрепленного отверстия в корпусе рассчитывается по формуле:
В расчете номинальным является внутренний диаметр, поэтому поправка рассчитывается следующим образом:
3.5.2. Расчет толщины стенки днища
Допускаемое напряжение
Коэффициент учитывающий ослабление неукрепленным отверстием рассчитывается по формуле, в зависимости от значения комплекса:
Номинальная толщина стенки выпуклых днищ, имеющих неукрепленное отверстие, должна быть не менее рассчитываемой по формуле:
принимаем Д=12 мм.
Условия применимости формулы выполнены:
Наибольший диаметр неукрепленного отверстия
причем
3.5.3. Расчет трубной доски
Коэффициент K=1, потому что трубная доска закреплена фланцами между корпусом и крышкой.
Допустимое напряжение для трубной доски:
Диаметр отверстий в трубной доске
Коэффициент прочности трубной доски (при разбивке по треугольнику)
Толщина трубной доски (без анкерных связей):
Полученная величина толщины трубной доски превышает предельное значение, поэтому необходимо устанавливать анкерные связи. Принимаем из прототипа диаметр окружности анкерных связей Dc=810 мм и их число – 6.
Допускаемое напряжение для анкерных связей
Выразим из формулы для трубной доски произведение числа анкерных связей на их площадь, приняв в качестве приближения толщину трубной доски из прототипа ТД_пр=90 мм.
Площадь сечения одной анкерной связи
Диаметр анкерной связи
Глава 4. Задание.
4.1. Описание задания.
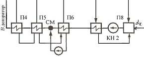
Заменить в тепловой схеме второй (по ходу основного конденсата) подогреватель низкого давления смешивающего типа П7 (рис. 4.1.) на поверхностный и проследить влияние на тепловую экономичность.
Рис. 4.1. Первоначальная схема включений ПНД.
Эффективность регенеративного подогрева зависит от правильного выбора параметров пара регенеративных отборов, числа регенеративных подогревателей, их схемы включения и типа.
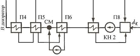
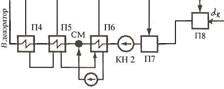
Для более полного анализа схем включений поверхностных подогревателей в систему регенеративного подогрева рассмотрим несколько вариантов: 1 – конденсат из поверхностного подогревателя П7 сливается в смешивающий подогреватель П8 (рис.4.2.); 2 – дренажи в ПНД сливаются каскадно, а из П7 дренаж перекачивается дренажным насосом и смешивается с основным потоком питательной воды после подогревателя П7 (рис.4.3.).
4.2. Выполнение задания.
Рис. 4.2. Измененная схема включения ПНД (Вариант 1).
Рассчитываемая часть тепловой схемы – включения ПНД представлена на рис.4.2. Расчет основной тепловой схемы остаётся неизменным до пункта 1.3.19. (нахождения доли отбора пара на подогреватель П7) и кроме пункта 1.3.9. (нахождение параметров пара в отборе на подогреватель П7). Равномерное распределение регенеративного подогрева, параметры пара в отборах (кроме П7, П8) остались неизменными.
4.2.1. Параметры отбора пара на П7
Давление воды за П7
Энтальпия воды за П7 составит
По значениям
и
определяем из таблиц теплофизических свойств пара и воды значение температуры воды за П7
Температура насыщения в подогревателе, с учетом недогрева
По температуре насыщения
находим значения давления и энтальпии в подогревателе из таблиц теплофизических свойств пара
Давление пара в отборе
Из процесса работы пара в турбине в h, S-диаграмме, находим значения энтальпии и энтропии пара в отборе
По значениям
и
определяем из таблиц теплофизических свойств пара и воды значения температуры и степени сухости
4.2.2. Доля отбора пара на подогреватель П7
Уравнение теплового баланса для П7
Поток конденсата из конденсатора
Уравнение материального баланса для П8
Выражаем долю основного конденсата, проходящего через П7, после смешивающего подогревателя П8
Подставляем в уравнение теплового баланса П7
4.2.2. Доля отбора пара на смешивающий подогреватель П8
Уравнение теплового баланса для П8
Преобразовываем уравнение материального баланса для П8
Подставляя, получим следующее уравнение
Находим
4.2.3. Контроль материального баланса пара и конденсата
Пропуск пара в конденсатор
Доля потока конденсата после основного конденсатора с паровой стороны с учетом конденсата турбоприводов и других потоков равна
Доля потока конденсата из основного конденсатора со стороны регенеративной системы
Равенство
выполнено, материальный баланс сходится.
4.2.4. Определение энергетических показателей турбоустановки
Таблица 4.1.
Энергетическое уравнение турбоустановки в табличной форме
| Цилиндр | Отсек турбины | Доля пропуска пара через отсек αj | Теплоперепад пара в отсеке Δhj, кДж/кг | Внутренняя работа на 1 кг свежего пара αj∙Δhj, кДж/кг |
| ЦВД | 0 -1 | 1 | 293.1 | 293.1 |
| 1-2 | 0.94902 | 66.8 | 63.4 | |
| ЦСД | 2-3 | 0.83436 | 240.3 | 200.5 |
| 3-4 | 0.71862 | 306 | 219.9 | |
| 4-5 | 0.6863 | 134 | 92 | |
| 5-6 | 0.65554 | 139.5 | 91.5 | |
| ЦНД | 6-7 | 0.62869 | 116.5 | 73.2 |
| 7-8 | 0.5989 | 152 | 91 | |
| 8-К | 0.57244 | 146.6 | 83.9 |
Внутренняя работа турбины на 1 кг свежего пара
Расход пара на турбину
Удельный расход пара
Полный расход теплоты на турбоустановку
Удельный расход теплоты на выработку электроэнергии
Расход теплоты на станцию
КПД станции (брутто)
КПД станции (нетто)
Расходы натурального топлива
Удельный расход условного топлива нетто
4.2.5. Основные выводы, характеризующие полученные результаты.
Замена смешивающего подогревателя П7 на поверхностный и использование схемы включения, приведенной на рис.4.1. снизила эффект от применения регенерации. Основные показатели, характеризующие изменения в сравнении с исходной тепловой схемы приведены в табл.4.2.
В связи с наличием недогрева в поверхностных подогревателях при том же равномерном распределении регенеративного подогрева, увеличилась температура насыщения и давление в подогревателе, что привело к увеличению параметров пара в отборе. Возросло количество пара отбираемого на П7, а на П8 уменьшилось, так как осуществлялся каскадный слив дренажа из П7 в П8. В результате происходило вытеснение отборного пара (на П8) паром, образовавшимся при вскипании дренажа из П7. Т.е. подогрев воды в П8 вёлся частично паром из предыдущего отбора. Увеличился поток пара, поступающий в конденсатор, а, следовательно, возрастают потери в окружающую среду.
Приведенный теплоперепад пара в турбине уменьшился. Вследствие чего увеличился общий расход пара на турбоустановку на 0.2 кг/c. Увеличился полный расход теплоты на турбоустановку. КПД станции (нетто, брутто) уменьшились на 0.058% и 0.054%, расход натурального топлива увеличился на 231 кг/ч, удельный расход топлива нетто также соответственно увеличился на 0.5 г/(кВтч).
Таблица 4.2.
Сводная таблица параметров для сравнения исходной тепловой схемы и измененной
| Исходная схема | Изменённая схема (вариант 1) | ||
|
| Изменения | ||
| t'7, C | 75.8 | 80.1 | 4.3 |
| p'7, МПа | 0.04 | 0.048 | 0.008 |
| pотб7, МПа | 0.043 | 0.052 | 0.009 |
| hотб7, кДж/кг | 2588 | 2620 | 32 |
| Sотб7, кДж/(кгC) | 7.52 | 7.5 | -0.02 |
| 7 | 0.02905 | 0.02979 | 0.00074 |
| 8 | 0.02795 | 0.02646 | -0.00149 |
| п | 0.57169 | 0.57244 | 0.00075 |
| Hпр, кДж/кг | 1209.5 | 1208.5 | -1 |
| D0, кг/c | 213 | 213.2 | 0.2 |
| d, кг/(кВтч) | 3.067 | 3.07 | 0.003 |
| Q0, кВт | 553923.9 | 554704.4 | 780.5 |
| qэ, кДж/(кВтч) | 7976.5 | 7987.7 | 11.2 |
| Qст, кВт | 608172.9 | 609029.9 | 857 |
| ст | 0.41107 | 0.41049 | -0.00058 |
| ст_нетто | 0.3823 | 0.38176 | -0.00054 |
| B, кг/ч | 162902 | 163133 | 231 |
| bу.т._нетто, г/(кВтч) | 321.7 | 322.2 | 0.5 |
4.3. Расчет основной тепловой схемы.
Рассчитываемая часть тепловой схемы – включения ПНД представлена на рис.4.3. Параметры пара в отборе при замене подогревателя П7 смешивающего типа на поверхностный в пункте 4.2.1. Расчет основной тепловой схемы остаётся неизменным до пункта 1.3.18. (нахождения доли отбора пара на подогреватели П5, П6, энтальпии в точке смешения).















