150155 (621227), страница 10
Текст из файла (страница 10)
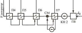
Рис. 4.3. Измененная схема включения ПНД (Вариант 2).
4.3.1. Доля отбора пара на подогреватель П5
Уравнение теплового баланса для П5
4.3.2. Доля отбора пара на подогреватель П6, П7
Уравнение теплового баланса для П6
Уравнение смешения в смесителе
Уравнение теплового баланса для П7
Решаем, полученную систему из 3-х уравнений и находим неизвестные: энтальпия в точке смешения hсм=320.1 кДж/кг, доли отбора пара на П6, П7 – 6 = 0.02974 и 7 = 0.02456.
4.3.3. Доля отбора пара на подогреватель П8
Уравнение теплового баланса для П8
Поток конденсата из конденсатора
Тогда получим следующее уравнение
Находим 8=0.02801.
4.3.4. Контроль материального баланса пара и конденсата
Пропуск пара в конденсатор
п = 0 – 1 – 2 – 3 – д – 4 – 5 – 6 – 7 – 8 – тп = 1 – 0.05098 – 0.11466 – 0.04734 – 0.02114 – 0.03232 – 0.03146 – 0.02974 – 0.02456 – 0.02801 – 0.04726 = 0.57253
Доля потока конденсата после основного конденсатора с паровой стороны с учетом конденсата турбоприводов и других потоков равна
к_п = п + тп + ут = 0.57253 + 0.04726 + 0.015 = 0.63479
Доля потока конденсата из основного конденсатора со стороны регенеративной системы
к = кд – 4 – 5 – 6 – 7 – 8 =0.78088 – 0.03232 – 0.03146 – 0.02974 – 0.02456 –
– 0.02801=0.63479
Равенство
выполнено, материальный баланс сходится.
4.3.5. Определение энергетических показателей турбоустановки
Таблица 4.3.
Энергетическое уравнение турбоустановки в табличной форме
| Цилиндр | Отсек турбины | Доля пропуска пара через отсек αj | Теплоперепад пара в отсеке Δhj, кДж/кг | Внутренняя работа на 1 кг свежего пара αj∙Δhj, кДж/кг |
| ЦВД | 0 -1 | 1 | 293.1 | 293.1 |
| 1-2 | 0.94902 | 66.8 | 63.4 | |
| ЦСД | 2-3 | 0.83436 | 240.3 | 200.5 |
| 3-4 | 0.71862 | 306 | 219.9 | |
| 4-5 | 0.6863 | 134 | 92 | |
| 5-6 | 0.65484 | 139.5 | 91.4 | |
| ЦНД | 6-7 | 0.6251 | 116.5 | 72.8 |
| 7-8 | 0.60054 | 152 | 91.3 | |
| 8-К | 0.57253 | 146.6 | 83.9 |
Внутренняя работа турбины на 1 кг свежего пара
Расход пара на турбину
Удельный расход пара
Полный расход теплоты на турбоустановку
Удельный расход теплоты на выработку электроэнергии
Расход теплоты на станцию
КПД станции (брутто)
КПД станции (нетто)
Расходы натурального топлива
Удельный расход условного топлива нетто
4.3.6. Основные выводы, характеризующие полученные результаты.
Практически аналогичные выводы получены в результате расчета, как и в пункте 4.2.5.
Замена смешивающего подогревателя П7 на поверхностный и использование схемы включения, приведенной на рис.4.2. снизила эффект от применения регенерации. Основные показатели, характеризующие изменения в сравнении с исходной тепловой схемы приведены в табл.4.4.
В рассматриваемой схеме применялся каскадный отвод дренажа от ПНД, а затем он смешивался с основным конденсатом после поверхностного ПНД П7. Это привело к увеличению отборов пара более высокого давления (на П5, П6) и снижению расхода пара низкого давления (на П7). Что привело к увеличению количества пара, поступающего в конденсатор и снижению приведенного теплоперепада в турбине.
Увеличился общий расход пара на турбоустановку на 0.3 кг/c. Увеличился полный расход теплоты на турбоустановку на 1040.7 кВт. КПД станции (нетто, брутто) уменьшились на 0.077% и 0.072%, расход натурального топлива увеличился на 306 кг/ч, удельный расход топлива нетто также соответственно увеличился на 0.6 г/(кВтч).
4.4. Общий вывод по работе.
Подогреватели смешивающего типа позволяют более полно использовать теплоту греющего пара, что повышает тепловую экономичность турбоустановки. Однако применение такого типа подогревателей вносит ряд существенных усложнений в систему регенеративного подогрева питательной воды (увеличивается число насосов для перекачки конденсата, повышаются требования к защите от заброса воды в проточную часть турбины, усложняется компоновка подогревателей). Эти обстоятельства сдерживают широкое распространение регенеративных подогревателей смешивающего типа. В настоящее время они применяются в турбоустановках большой мощности, где повышение эффективности использования теплоты отборного пара особенно существенно. Эти подогреватели устанавливаются для использования теплоты последних отборов.
Таблица 4.4.
Сводная таблица параметров для сравнения исходной тепловой схемы и измененной
| Исходная схема | Изменённая схема (вариант 2) | ||
|
| Изменения | ||
| t'7, C | 75.8 | 80.1 | 4.3 |
| p'7, МПа | 0.04 | 0.048 | 0.008 |
| pотб7, МПа | 0.043 | 0.052 | 0.009 |
| hотб7, кДж/кг | 2588 | 2620 | 32 |
| Sотб7, кДж/(кгC) | 7.52 | 7.5 | -0.02 |
| hсм | 417.5 | 320.1 | -97.4 |
| 5 | 0.03076 | 0.03146 | 0.0007 |
| 6 | 0.02685 | 0.02974 | 0.00289 |
| 7 | 0.02905 | 0.02456 | -0.00449 |
| 8 | 0.02795 | 0.02795 | 0 |
| п | 0.57169 | 0.57259 | 0.0009 |
| Hпр, кДж/кг | 1209.5 | 1208.3 | -1.2 |
| D0, кг/c | 213 | 213.3 | 0.3 |
| d, кг/(кВтч) | 3.067 | 3.07152 | 0.00452 |
| Q0, кВт | 553923.9 | 554964.6 | 1040.7 |
| qэ, кДж/(кВтч) | 7976.5 | 7991.5 | 15 |
| Qст, кВт | 608172.9 | 609315.5 | 1142.6 |
| ст | 0.41107 | 0.4103 | -0.00077 |
| ст_нетто | 0.3823 | 0.38158 | -0.00072 |
| B, кг/ч | 162902 | 163208 | 306 |
| bу.т._нетто, г/(кВтч) | 321.7 | 322.3 | 0.6 |
БИБЛИОГРАФИЧЕСКИЙ СПИСОК
-
Тепловые и атомные электрические станции / Л.С. Стерман, В.М. Лавыгин, С.Г. Тишин. М.: Издательство МЭИ, 2004
-
Тепловые электрические станции / В.Д. Буров, Е.В. Дорохов, Д.П. Елизаров и др. М.: Издательство МЭИ, 2007.
-
Тепловые электрические станции / В.Я. Рыжкин. М.: Энергоатомиздат, 1987
-
Турбины тепловых и атомных электрических станций / А.Г. Костюк, В.В. Фролов, А.Е. Булкин, А.Д. Трухний; Под ред. А.Г. Костюка, В.В. Фролова. М.: Издательство МЭИ, 2001.
-
Теплообменные аппараты ТЭС. – 4-е изд. / Ю.Г. Назмеев, В.М. Лавыгин. М.: Издательский дом МЭИ, 2007.
-
Тепло- и массообменные аппараты ТЭС и АЭС / О.Т. Ильченко. К.: Вища шк., 1992
-
Прочностные расчеты сосудов и аппаратов, работающих под избыточным давлением. / Е.П. Кудрявцев.
-
Тепловые и атомные электростанции: Справочник // Под общ. ред. А.В. Клименко и В.М. Зорина. – 3-е изд. М.: Издательство МЭИ, 2003.
8














