145032 (620908)
Текст из файла
Размещено на http://www.allbest.ru/
Министерство образования и науки Российской Федерации
Федеральное агентство по образованию ГОУ СПО
Чайковский промышленный – гуманитарный колледж
Осинский филиал
Курсовая работа
по дисциплине Строительные конструкции
на тему
Резервуары с плавающей крышей
Выполнил: Баянгулов
Эмиль Рафаилевич ,
группа СЭГГ – 31,
очное отделение, 3 курс
Проверил преподаватель:
Мансурова Ф.Н.
г. Оса, 2009 год
Введение
Значение трубопроводного транспорта в нефтегазовой отрасли. В настоящее время трубопроводы незаменимы при транспортировке нефти и газа на огромные расстояния от мест их добычи к местам потребления. При транспортировании газа и нефти по трубопроводам потери перекачиваемых продуктов (по сравнению с другими видами транспорта) минимальны благодаря высокой степени герметизации трубопроводов и перекачивающего оборудования. Непрерывность и равномерность подачи продукта по трубопроводу позволяет обеспечить ритмичную четкую работу производств, получающих топливо (или сырье) по трубопроводам. Отметим и такой важный фактор, как возможность быстрого строительства трубопроводов большой протяженности в самых сложных условиях. Ни автодороги, ни тем более железные дороги невозможно (при одинаковых затратах) построить в столь сжатые сроки, как трубопроводы. Поэтому и освоение газовых и нефтяных месторождений начинается значительно раньше, чем это было бы при других видах транспорта. При этом следует иметь в виду, что постройки одной дороги мало; необходим парк цистерн, резервуаров, локомотивов, и т.д., создание которого также требует времени.
Строительство любой дороги требует больших площадей земель, часто плодородных. Применяющиеся в настоящее время методы строительства трубопроводов позволяют практически полностью использовать в сельском хозяйстве землю вдоль трубопроводных трасс. Тем самым уменьшается изъятие земель из сельскохозяйственного производства.
Таким образом, значение трубопроводного транспорта будет возрастать, обеспечивая транспортными «перевозками» новые сферы.
1. Классификация нефтепроводов
По назначению нефтепроводы делятся на три группы: внутренние, местные и магистральные.
Внутренние нефтепроводы находятся внутри чего-либо: промыслов (внутрипромысловые), нефтебаз (внутрибазовые), нефтеперерабатывающих заводов (внутризаводские). Протяженность их невелика.
Местные нефтепроводы соединяют различные элементы транспортной цепочки: нефтепромысел и головную станцию магистрального нефтепровода, нефтепромысел и пункт налива железнодорожных цистерн либо судов. Протяженность местных нефтепроводов больше, чем внутренних, и достигает нескольких десятков и даже сотен километров.
К магистральным нефтепроводам (МНП) относятся трубопроводы протяженностью свыше 50 км и диаметром от 219 до 1220 мм включительно, предназначенные для транспортировки товарной нефти из районов добычи до мест потребления или перевалки на другой вид транспорта.
В зависимости от условного диаметра магистральные нефтепроводы подразделяются на 4 класса:
-
I класс от 1000 до 1200 мм включительно;
-
II класс от 500 до 1000 мм включительно;
-
III класс от 300 до 500 мм включительно;
-
IV класс менее 300 мм.
Кроме того, нефтепроводы делят на категории, которые учитываются при расчете толщины стенки, выборе испытательного давления, а также при определении доли монтажных сварных соединений, подлежащих контролю физическими методам.
2. Основные объекты и сооружения магистрального нефтепровода
Магистральный нефтепровод, в общем случае, состоит из следующих комплексов сооружений:
-
подводящие трубопроводы;
-
головная и промежуточные нефтеперекачивающие станции(НПС);
-
конечный пункт;
-
линейные сооружения.
Подводящие трубопроводы связывают источники нефти с головными сооружениями МНП.
Головная НПС предназначена для приема нефтей с промыслов, смешения или разделения их по сортам, учета нефти и её закачки из резервуаров в трубопровод.
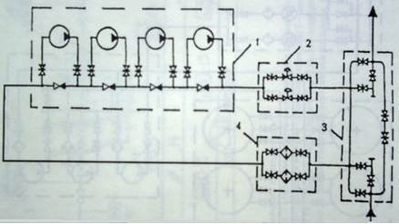
Принципиальная технологическая схема головной НПС приведена ниже. Она включает подпорную насосную 1, площадку фильтров и счетчиков 2, магистральную насосную 3, площадку регуляторов давления 4, площадку пуска скребков 5 и резервуарный парк 6. Нефть с промысла направляется на площадку 2, где сначала очищается в фильтрах-грязеуловителях от посторонних предметов, а затем проходит через турбинные расходомеры, служащие для оперативного контроля за её количеством. Далее она направляется в резервуарный парк 6, где производится её отстаивание от воды и мехпримесей, а также осуществляется коммерческий учет. Для закачки нефти в трубопровод используются подпорная 1 и магистральная 3 насосные. По пути нефть проходит через площадку фильтров и счетчиков 2(с целью оперативного учета), а также площадку регуляторов давления 4(с целью установления в магистральном нефтепроводе требуемого расхода). Площадка 5 служит для запуска в нефтепровод очистных устройств – скребков.
1 – подводящий трубопровод; 2 – головная нефтеперекачивающая станция; 4 – конечный пункт; 5 – линейная часть; 6 – линейная задвижка; 7 – дюкер; 8 – надземный переход; 9 – переход под автодорогой; 10 – переход под железной дорогой; 11 – станция катодной защиты; 12 – дренажная установка; 13 – дом обходчика; 14 линия связи; 15 – вертолетная площадка; 16 – вдольтрассовая дорога.
Головная НПС располагается вблизи нефтепромыслов.
Промежуточные НПС служат для восполнения энергии, затраченной потоком на преодоление сил трения, с целью обеспечения дальнейшей перекачки нефти. Промежуточные НПС размещают по трассе трубопровода согласно гидравлическому расчету (через каждые 50…200 км).
Принципиальная технологическая схема промежуточной НПС приведена ниже. Она включает магистральную насосную 1, площадку регуляторов давления 2, площадку пуска и приема скребков 3, а также площадку с фильтрами-грязеуловителями 4. Нефть, поступающая из магистрального трубопровода, сначала проходит через фильтры-грязеуловители, затем приобретает в насосах энергию, необходимую для дальнейшей перекачки, и после регулирования давления на площадке 2 закачивается в следующий участок магистрального нефтепровода.
1 – магистральная насосная; 2 – площадка регуляторов давления; 3 – площадка приема и пуска скребка; 4 – площадка с фильтрами-грязеуловителями
Кроме технологических сооружений на головной и промежуточных НПС имеются механическая мастерская, понизительная электроподстанция, котельная, объекты водоснабжения и водоотведения, подсобные и административные помещения и т.д.
Конечным пунктом магистрального нефтепровода обычно является нефтеперерабатывающий завод или крупная перевалочная нефтебаза.
На магистральных нефтепроводах большой протяженности организуются эксплуатационные участки длиной от 400 до 600 км. Граница между эксплуатационными участками обязательно проходит через промежуточные НПС. Промежуточная НПС, находящаяся в начале эксплуатационного участка, является для него «головной» НПС, а промежуточная НПС, находящаяся в конце эксплуатационного участка-«конечным пунктом» для него. Состав сооружений промежуточных НПС, расположенных на концах эксплуатационного участка, отличается от обычных наличием резервуарных парков. Таким образом, магистральный нефтепровод большой протяженности состоит как бы из нескольких последовательно соединенных нефтепроводов протяженностью не более 600 км каждый.
К линейным сооружениям магистрального нефтепровода относятся:
-
собственно трубопровод (или линейная часть);
-
линейные задвижки;
-
средства защиты трубопровода от коррозии (станции катодной и проекторной защиты, дренажные установки);
-
переходы через естественные и искусственные препятствия (реки, дороги и т.п.);
-
линии связи;
-
линии электропередачи;
-
дома обходчиков;
-
вертолетные площадки;
-
грунтовые дороги, прокладываемые вдоль трассы трубопровода.
Собственно трубопровод – основная составляющая магистрального нефтепровода – представляет собой трубы, сваренные в «нитку», оснащенные камерами приема и пуска скребков, разделителей, диагностических приборов, а также трубопроводы-отводы.
Минимальное заглубление трубопроводов до верха трубы должно быть не менее(м):
-
при обычных условиях прокладки 0,8;
-
на болотах, подлежащих осушению 1,1;
-
в песчаных барканах 1,0;
-
в скальных грунтах, болотистой местности при отсутствии проезда автотранспорта и сельхозмашин 0,6;
-
на пахотных и орошаемых землях 1,0;
-
при пересечении каналов 1,1.
Линейные задвижки устанавливаются по трассе трубопровода не реже чем через 30 км, с учетом рельефа местности таким образом, чтобы разлив нефти в случае возможной аварии был минимальным. Кроме того, линейные задвижки размещаются на выходе из НПС и на выходе в них, на обоих берегах пересекаемых трубопроводом водоемов, по обеим сторонам переходов под автомобильными и железными дорогами.
Станции катодной защиты располагаются вдоль трассы трубопровода в соответствии с расчетом. Протекторная защита применяется в местах, где отсутствуют источники электроснабжения. Дренажные установки размещаются в местах воздействия на трубопровод блуждающих токов (линии электрифицированного транспорта, линии электропередач и др.).
При переходах через водные преграды трубопроводы, как правило, заглубляются ниже уровня дна. Для предотвращения всплытия на трубопроводах монтируют чугунные или железобетонные утяжелители (при-грузы) различной конструкции. Кроме основной укладывают резервную нитку перехода того же диаметра. На пересечениях железных и крупных шоссейных дорог трубопровод укладывают в патроне (кожухе) из труб, диаметр которых не менее, чем на 200 мм больше диаметра трубопровода. При пересечении естественных и искусственных препятствий применяют также надземную прокладку трубопроводов (на опорах либо за счет собственной жесткости трубы).
Вдоль трассы трубопровода проходят линии связи, линии электропередачи, а также грунтовые дороги.
Линии связи, в основном, имеют диспетчерское назначение. Это очень ответственное сооружение, т.к. обеспечивает возможность оперативного управления согласованной работой перекачивающих станций на расстоянии нескольких сот километров. Прекращение работы связи, как правило, влечет за собой остановку перекачки по трубопроводу.
Линии электропередач служат для электроснабжения перекачивающих станций, станций катодной защиты и дренажных установок.
По вдоль трассовым дорогам перемещаются аварийно-восстановительные бригады, специалисты электрохимической защиты, обходчики и др.
Вертолетные площадки предназначены для посадок вертолетов, осуществляющих патрулирование трассы трубопровод.
На расстоянии 10-20 км друг от друга вдоль трассы размещены дома обходчиков. В обязанности обходчика входит наблюдение за исправностью своего участка трубопровода.
3. Трубы для магистральных нефтепроводов
Трубы магистральных нефтепроводов (а также нефтепродуктопроводов и газопроводов) изготавливают из стали, т.к. это экономичный, прочный, хорошо сваривающийся и надежный материал.
По способу изготовления трубы для магистральных нефтепроводов подразделяются на бесшовные, сварные с продольным швом и сварные со спиральным швом. Бесшовные трубы применяют для трубопроводов диаметром до 529 мм, а сварные – при диаметрах 219 мм и выше.
Наружный диаметр и толщина стенки труб стандартизированы. В качестве примера ниже приведен сортамент наиболее распространенных электросварных труб.
В связи с большим разнообразием климатических условий при строительстве и эксплуатации трубопроводов трубы подразделяют на две группы: в обычном и в северном исполнении. Трубы в обычном исполнении применяют для трубопроводов, прокладываемых в средней полосе и в южных районах страны (температура эксплуатации 0 С и выше, температура строительства -40 С и выше). Трубы в северном исполнении применяются при строительстве трубопроводов в северных районах страны (температура эксплуатации -20…-40 С, температура строительства -60 С). В соответствии с принятым исполнением труб выбирается марка стали.
Трубы для магистральных нефтепроводов изготавливают из углеродистых и низколегированных сталей.
Основными поставщиками труб большого диаметра (529…1220 мм) для магистральных трубопроводов являются Челябинский трубопрокатный, Харцызский трубный, Новомосковский металлургический и Волжский трубный заводы.
4. Трубопроводная арматура
Трубопроводная арматура предназначена для управления потоками нефти, транспортируемыми по трубопроводам. По принципу действия арматура делится на три класса: запорная, регулирующая и предохранительная.
Запорная арматура (задвижки) служит для полного перекрытия сечения трубопровода, регулирующая (регуляторы давления) – для изменения давления или расхода перекачиваемой жидкости, предохранительная (обратные и предохранительные клапаны) – для защиты трубопроводов и оборудования при превышении допустимого давления, а также предотвращения обратных токов жидкости.
Задвижками называются запорные устройства, в которых проходное сечение перекрывается поступательным перемещением затвора в направлении, перпендикулярном направлению движения нефти. Конструктивно задвижка представляет собой цельный литой или сварной корпус, снабженный двумя патрубками для присоединения к трубопроводу помощью фланцев или сварки) и шпиндель, соединенный с запорным элементом и управляемый с помощью маховика или специального привода. Место выхода шпинделя из корпуса герметизируется с помощью сальникового уплотнения. По конструкции уплотнительного затвора задвижки делятся на клиновые и параллельные. На магистральных нефтепроводах задвижки оснащают электроприводом.
Задвижка 30с64нж
нефтепровод магистральный труба резервуар
Регуляторами давления называются устройства, служащие для автоматического поддержания давления на требуемом уровне. В соответствии с тем, где поддерживается давление – до или после регулятора, различают регуляторы типа «до себя» и «после себя».
Характеристики
Тип файла документ
Документы такого типа открываются такими программами, как Microsoft Office Word на компьютерах Windows, Apple Pages на компьютерах Mac, Open Office - бесплатная альтернатива на различных платформах, в том числе Linux. Наиболее простым и современным решением будут Google документы, так как открываются онлайн без скачивания прямо в браузере на любой платформе. Существуют российские качественные аналоги, например от Яндекса.
Будьте внимательны на мобильных устройствах, так как там используются упрощённый функционал даже в официальном приложении от Microsoft, поэтому для просмотра скачивайте PDF-версию. А если нужно редактировать файл, то используйте оригинальный файл.
Файлы такого типа обычно разбиты на страницы, а текст может быть форматированным (жирный, курсив, выбор шрифта, таблицы и т.п.), а также в него можно добавлять изображения. Формат идеально подходит для рефератов, докладов и РПЗ курсовых проектов, которые необходимо распечатать. Кстати перед печатью также сохраняйте файл в PDF, так как принтер может начудить со шрифтами.
















