144623 (620661), страница 4
Текст из файла (страница 4)
где
dр - глубина заложения ростверка, м;
hст - глубина стакана в фундаменте. Для наших фундаментов под ЖБК-колонны hст = 0.
Учитывая все перечисленные условия, принимаем глубину заложения ростверка dр = 1,5 м, исходя из кратности ростверка по высоте 15 см.
Принимаем шарнирное соединение ростверка и сваи. Голова сваи заходит в тело ростверка на 5 – 10 см. принимаем для расчёта 10 см.
Тогда отметка головы сваи будет равна –1,4 м.
-
Выбор несущего слоя
Считаем, что несущим слоем будет глина четвертичная, поэтому, заглубляем сваю в слой глины на 3,6 м (для применения стандартной длины сваи). При этом длина сваи равна hсв = 13 м.
Под нижним концом сваи находится сжимаемый грунт (Е < 50 МПа). Дальнейший расчёт ведём как для висячей сваи. Принимаем железобетонную забивную сваю квадратного сечения. Для выбранной нами длины можно принять сечение 40 х 40 см.
-
Определение несущей способности сваи
,
где n – количество слоёв с одинаковыми силами трения по длине сваи;
гс – коэффициент условий работы ( гс = 1);
гсr и гсf - коэффициенты условий работы под подошвой сваи и по боковой поверхности, зависят от условий изготовления или погружения сваи. (гсr =1 и гсf = 1);
А – площадь сечения сваи;
R – расчётное сопротивление под подошвой сваи, зависит от длины сваи и грунта. (R = 6900 кПа);
U – периметр сечения сваи;
l – расстояние от середины слоя до поверхности земли;
f - расчётное сопротивление по боковой поверхности сваи, зависит от l (принимается из СниПа).
Таблица 5
| hi , м | li , м | fi , кПа | hi * fi , кН/м | |
| 1,5 | 2,25 | 31,25 | 46,88 | |
| 1,5 | 3,75 | 37,25 | 55,88 | |
| 1,5 | 5,25 | 40,5 | 60,75 | |
| 1,5 | 6,75 | 31,75 | 47,63 | |
| 1,5 | 8,25 | 33,25 | 49,88 | |
| 1,5 | 9,75 | 33,875 | 50,81 | |
| 1,5 | 11,25 | 66,75 | 100,13 | |
| 1 | 12,5 | 68,5 | 68,5 | |
| 480,50 | ||||
кН
-
Определение расчетной нагрузки на сваю
Определяем по формуле:
кН.
гк – коэффициент запаса. Для расчёта он равен 1,4, если для полевых испытаний, то равен 1,25.
Определим необходимое количество свай в фундаменте по формуле:
шт.,
где N – заданная нагрузка на фундамент.
-
Конструирование ростверка
Определяем фактическую нагрузку на сваю:
где y – расстояние от главной оси до оси самой нагруженной сваи
yi – расстояние до оси каждой сваи
кН
P > Nф; 843,50 > 768 – условие выполняется.
Расчёт на продавливание. Расчет не производим, так как конструкция ростверка жёсткая.
7. Расчет деформаций свайных фундаментов
м;
м;
м2 ;
м;
м3 ;
кН;
Выполняем проверку давления под нижним концом сваи:
,
где
; кz = 1.
кПа.
кПа.
413,99 кПа. < 2375,52 кПа. – условие выполняется.
8. Расчет осадки линейно деформированного пространства
-
Среднее давление подошвы фундамента Рср = 479,7 кПа
-
Вычисляем и строим эпюру естественного давления
-
Рассчитываем дополнительную вертикальную нагрузку
-
Высота рассчитываемых слоёв hi = 0,2 ' b = 0,2 ' 4,09 = 0,82 м
-
Вычисляем и строим эпюру , где
б – коэффициент затухания напряжений. Зависит от соотношения сторон фундамента и относительной глубины, выбирается значение из таблицы СниПа.
-
Находим нижнюю границу сжимаемой толщи:
В нашем случае 60.305 кПа > 49,977 кПа, условие выполняется.
-
Считаем суммарную осадку по всем слоям:
-
Проверяем выполнение условия S < Su . В нашем случае 3,37 см < 12 см, где Su = 12 см – предельное значение осадки
Расчёты по данному алгоритму приведены ниже в таблице 6.
Таблица 6
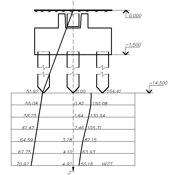
| № эл. | Z, м | о | б | у zg0, кПа | 0.2 у zg0, кПа | у zpi, кПа | у zpiср, кПа | Е, кПа | S, м |
| 0 | 0 | 0 | 1,000 | 259,58 | 51,92 | 154,41 | 22,5х103 | ||
| 1 | 0,80 | 0,4 | 0,972 | 275,42 | 55,08 | 150,08 | 152,25 | 22,5х103 | 0,00433 |
| 2 | 1,60 | 0,8 | 0,848 | 291,26 | 58,25 | 130,94 | 140,51 | 22,5х103 | 0,00399 |
| 3 | 2,40 | 1,2 | 0,682 | 307,10 | 61,42 | 105,31 | 118,13 | 22,5х103 | 0,00336 |
| 4 | 3,20 | 1,6 | 0,532 | 322,94 | 64,59 | 82,15 | 93,73 | 22,5х103 | 0,00266 |
| 5 | 4,00 | 2,0 | 0,414 | 338,78 | 67,75 | 63,93 | 73,04 | 22,5х103 | 0,0020 |
| 6 | 4,80 | 2,4 | 0,325 | 354,62 | 70,92 | 50,18 | 57,05 | 22,5х103 | 0,00162 |
| 0,0153 | |||||||||
Эпюра распределения напряжений zp , zg
| Фундамент на естественном основании | Фундамент на искусственном основании | Свайный фундамент | |
| Объем земли м3 | 2747,52 | 14808,81 | 3432,36 |
| Объем бетона м3 | 165,63 | 295,66 | 662,48 |
| Объем обратной засыпки | 2581,89 | 113,63 | 2770,88 |
| Количество арматуры, кг | 792,12 | 1502,256 | 284,6 |
| Доп. работы | устройство гидроизоляции и дренажа | уплотнение грунтовой подушки | забивка и доставка свай |
| Осадка, мм | 66 | 49 | 15 |
IV. Технико-экономическое сравнение вариантов
Таблица 7
Считаю, что самый рациональный фундамент будет фундамент мелкого заложения на естественном основании т.к. объем земляных работ и объем бетона меньше чем у других вариантов. Для дальнейшего расчета принимаем фундаменты мелкого заложения на естественном основании.
V. Расчет фундамента мелкого заложения на естественном основании по ряду Г
1. Выбор глубины заложения фундамента
Глубина заложения фундамента зависит от:
-
климатического района строительства (глубины промерзания грунта);
-
технологических особенностей проектируемого здания (наличия подвалов, технологических каналов, расположенных в подземной части здания, технологических отстойников, водящих боровов, подводящих трубопроводов и др.);
-
конструктивных особенностей проектируемого здания или сооружения;
-
фактора инженерно-геологических условий.
1.1. С учетом глубины промерзания глубина заложения фундамента назначается по расчетной схеме глубины сезонного промерзания грунта df, которая устанавливается следующим образом:
Нормативная глубина сезонного промерзания грунта определяется по формуле:
м,
где Mt - безразмерный коэф., численно равный сумме абсолютных значений среднемесячных отрицательных температур за зиму в данном районе по СНиП 2.01.01-82 "Строительная климатология и геофизика" (для Днепропетровска Mt = -13,3).
d0 - величина в метрах, принимаемая равной:
-
для суглинков и глин - 0,23
-
для супесей, песков мелких и пылеватых - 0,25
-
для песков средней крупности, крупных и гравелистых - 0,30
-
для крупнообломочных грунтов - 0,34
Расчетная глубина сезонного промерзания грунта определяется: (м)
















