144309 (620496), страница 2
Текст из файла (страница 2)
Аш=
=
=72 м2
Нагрузка от собственного веса шатра и надкрановой части колонны:
Gш= qш Aш+
= qш Aш+
=
=3,32·72+0,95·1,1·25·0,6·0,4·4,3=239,04+26,96=266 кН
где р = 25кН/м3 - объемный вес железобетона.
2.2.2. Постоянная нагрузка от собственного веса стены
По принятой конструкции стены определяем ее вес:
GСТ =
В(qCThCTbCT +1,75·q0h0b0)=
GCT =0.95·1.1·6· (29·6·0.3+ 1.75·25·1,2·0.008) = 330 кН,
где qCT - объемный вес материала стеновой панели:
qCT =
= 29кН/м3;
q0 = 25 кН/м3 - удельный вес стекла; b0 = 8 мм - толщина двойного остекления; 1,75 - коэффициент, учитывающий вес оконной коробки и переплетов; hCT - суммарная высота стеновых панелей без цокольной панели в м; h0 - высота верхней полосы остекления в м.
2.2.3. Нагрузки от веса подкрановой части колонны и подкрановой балки
Расчетная нагрузка от подкрановой части колонны равна:
0,95·1,1·25·0,4·0,7·8,45=61,8 кН.
Расчетная нагрузка от подкрановой балки при шаге колонн 6 м равна:
Gпб =
=0,95·1,1·35 = 36,58 кН.
2.2.4. Нагрузка от снега
Расчетная снеговая нагрузка на 1 м2 горизонтальной поверхности земли определяется по формуле:
S=
= 0,95·1,4·1·1,5=2 кН/м2 [2, п.5.1]
где S0 - нормативное значение веса снегового покрова на 1 м2 горизонтальной поверхности, принимаемое по [2, табл.4] в зависимости от снегового района. По заданию местом строительства является г. Комсомольск-на-Амуре: IV снеговой район, S0 =1.5 кН/м2;
- коэффициент конфигурации кровли. В соответствии с [2, прил.3*]
=1; yf = 1.4 - коэффициент надежности по нагрузке.
Нагрузка от снега на колонну:
SШ = S·АШ = 2·72= 144 кН.
2.2.5. Крановые нагрузки
Максимальное вертикальное нормативное давление колеса крана
Fmax.n=380 кН (п. 1.2).
Минимальное вертикальное давление колеса крана при двух колесах по одному рельсовому пути:
=
= 112,5кН.
Горизонтальное нормативное давление колеса крана на рельс при поперечном торможении тележки
Ткол,п =
кН. [2, п. 4.4]
Расчетные крановые нагрузки на колесо:
Fmax = Fmax,n
=380·0.85·1.1·0.95 = 338кН;
Fmin=Fmin,n
=112,5·0.85·1.1·0.95 =60 кН;
Ткол = Ткол,n
=15,9·0.85·1.1·0.95 =14,1 кН,
где
=0.85 - коэффициент сочетания при режиме крана 6К [2, п. 4.17];
=1.1 [2, п. 4.8].
Расчетные вертикальные нагрузки Дmax и Дmin, а так же горизонтальная нагрузка Т на колонну определяются при расчете крайней колонны от неблагоприятного воздействия двух сближенных кранов [2, п. 4.11].
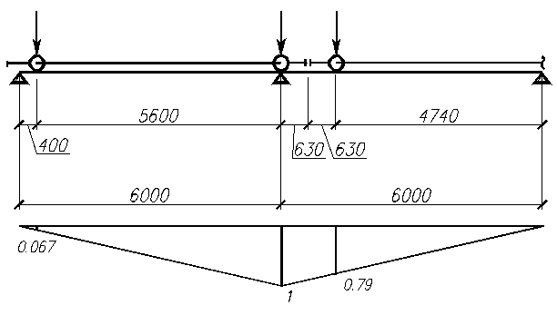
Линия влияния опорной реакции R на колонне при загружении соседних пролетов балки ходовыми колесами двух кранов для получения Rmax(Дmax, Дmin, T) изображена на рис. 2.1.
Рис. 2.1- Размещение колес двух кранов на линии влияния опорной реакции.
Дmax=
=338· (0,067+1+0,79)=627,7 кН
Дmin=60·(0,067+1+0,79)=111,4 кН
T=
=14,1·(0,067+1+0,79)=26,2 кН
2.2.6. Ветровая нагрузка
Ветровая нагрузка прикладывается к раме в виде равномерно распределенной по высоте колонны нагрузки и сосредоточенной нагрузки в уровне верха колонны W действующей на участке площадью hnB, где hn-высота парапета.
Нормативное значение средней составляющей ветровой нагрузки
определяется по формуле:
[2, п.6.3]
где где
- нормативное значение ветрового давления. По заданию местом строительства является г. Комсомольск-на-Амуре: III ветровой район,
=0,38 кН/м2 [2, табл.5]; k - коэффициент, учитывающий изменение ветрового давления по высоте; с - аэродинамический коэффициент;
= 1.4 - коэффициент надежности по нагрузке.
Аэродинамический коэффициент активного давления с наветренной стороны Се = 0.8; коэффициент пассивного давления с подветренной стороны Се3 определяется по [2, прил. 4]: при отношении высоты цеха к его ширине Н / L = 12,6 / 24 = 0.525 и отношении длины здания к его ширине Взд/ L =96 / 24 = 4; Се3= -0,5.
Коэффициент k определяется интерполяцией по нормативным значениям [2, табл.6] и приведён в таблице 2.2:
Таблица 2.2 – Нормативные и рассчитанные коэффициенты k.
| Высота, м | k | Высота, м | k |
| 10 | 0,65 | 12,6 | 0,702 |
| 20 | 0,85 | 15 | 0,75 |
Найдём нормативное значение ветрового давления на каждой высоте без учёта аэродинамического коэффициента (рис. 2.2):
=0,38·0,5·0,95·1,4=0,253 кН/м2;
= 0,38·0,65·0,95·1,4=0,329 кН/м2;
= 0,38·0,702·0,95·1,4=0,355 кН/м2;
= 0,38·0,75·0,95·1,4=0, 379кН/м2;
Рис. 2.2 –Эпюра ветрового давления.
Найдём площади полученных трапециевидных эпюр и их среднее значение, являющееся эквивалентной нагрузкой:
S1=0.253·5=1,265 кН/м;
S2=(0.253+0.329) ·0,5·5=1,455 кН/м;
S3=(0.329+0.355) ·0,5·2,6= 0,889кН/м;
ωср=(1,256+1,455+0.889)/12,6=0.285 кН/м2;
Получаем давления с наветренной и подветренной стороны при шаге 6 м:
ωН =ωср·Се B= 0.285 кН/м2·0,8·6 м= 1,368 кН/м;
ωП =ωср·Се3 В= 0.285 кН/м2·(-0,5) ·6 м= -0,855кН/м.
Ветровая нагрузка W, действующая выше верха колонны, прикладывается в уровне низа ригеля рамы. Определяем площадь эпюры ветрового давления в пределах высоты парапета:
Sпр=(0.355+0.379)·0,5·2,4=0,881 кН/м;
Тогда W1= SпрВ=0,881·6 =5,286 кН – расчетное давление без учета аэродинамических коэффициентов.
Суммарное давление ветра на парапет с наветренной и подветренной сторон:
=5,286·(0,7+0,5)=6,343кН.
3. Расчет каркаса на ПЭВМ
Необходимые исходные данные:
1 строка
1. Расчетная высота колонны:
Нр= Н + 0.15 = 12,6 + 0,15 =12,75 м.
2. Высота верхней части колонны: Н2 = 4.3 м.
3. Расстояние от подкрановой балки до низа фермы:
Н2-Нпб=4.3 - 0,8 = 3,5 м.
4. Число рам в температурном блоке - 9.
2 строка
5. Отношение жесткостей рассматриваемой колонны
(ЕI2 – верхняя часть колонны, EI1 - нижняя часть колонны): для крайней колонны:
=
6. Отношение жесткостей соседней колонны
. Т.к. здание однопролётное, то :
=
=0,629.
7. Отношение нижней части соседней колонны к нижней части рассматриваемой колонны. Т.к. здание однопролётное, то :
= 1.
3 строка
8. Эксцентриситет оси верхней части колонны (рис. 3.1):
е1= -0,5(В-А) = -0,5(0,7-0,6) = -0,05м;
9. Эксцентриситет стены
е2 = -0,5(В +
) = -0,5(0,7 + 0,3) = -0,5 м;
10. Эксцентриситет подкрановой балки при нулевой привязке:
е3 =
- 0,5 В = 0,75 - 0,5·0,7 = 0,4 м.
Рис. 3.1 – К определению эксцентриситетов.
11. Высота сечения надкрановой части колонны: А = 0,6 м.
12. Высота сечения подкрановой части колонны: В = 0,7 м.
4 строка
13. Постоянная нагрузка от шатра: Gш =266 кН.
14. Постоянная нагрузка от стены: Gст = 330кН.
15. Постоянная нагрузка от подкрановой балки: Gпб=36,58 кН.
16. Постоянная нагрузка от нижней части колонны: G
=61,8кН.
5 строка
17. Нагрузка от снега: S = Sш = 144кН.
6 строка
18. Вертикальная крановая нагрузка: Дмах =627,7 кН.
19. То же: Дmin =111,4 кН.
20. Горизонтальная тормозная сила: Т = 26,2 кН.
7 строка
Ветровые нагрузки вводятся без учета аэродинамических коэффициентов, так как они учтены в программе.
21. Сосредоточенная ветровая нагрузка: W1=5,286 кH.
22. Равномерно распределенная ветровая нагрузка:
= 1,8кН/м (без учёта аэродинамических коэффициентов).
Полученные исходные данные сведены в табл. 3.1.
Таблица 3.1 - Исходные данные для расчета на ПЭВМ.
| 12,75 | 4,3 | 3,5 | 9 | ||||||
| 0,629 | 0,629 | 1 | |||||||
| -0,05 | -0,5 | 0,4 | 0,6 | 0,7 | |||||
| 266 | 330 | 36,58 | 61,8 | ||||||
| 144 | |||||||||
| 627,7 | 111,4 | 26,2 | |||||||
| 5,286 | 1,71 | ||||||||
Результаты расчета на ПЭВМ усилий М, N, и Q, а также РСУ в трех сечениях колонны приведены в табл. 3.2 и 3.3 соответственно.















