123121 (598565)
Текст из файла
ЗАМКНУТые СУЭП
В замкнутой СУЭП (или системе с отрицательной обратной связью) управление U(t) формируется в зависимости от отклонения управляемой переменной у(t) от задающего воздействия x(t).
U(t)=f[x(t)-y(t)]=f[(t)].
Точность стабилизации координаты оценивается отклонением ее от заданного значения под действием возмущающего воздействия.
Во многих промышленных механизмах системы регулирования предназначены для стабилизации с заданной точностью скорости и момента М электродвигателя и связанного с ним рабочего механизма при действии на систему различного рода возмущений. Одним из основных возмущающих воздействий, влияние которого должно быть скомпенсировано системой является момент статического сопротивления Мс(t) на валу ЭД.
Регулирование скорости с высокими статическими и динамическими свойствами в настоящее время проектируются с помощью одно- и многоконтурных систем с различными видами обратных связей.
В одноконтурных системах применяются следующие обратные связи: отрицательная по скорости, отрицательная или положительная по току и отрицательная по напряжению;
В двухконтурных системах - сочетание перечисленных обратных связей одноконтурных систем.
По структуре замкнутые СУЭП выполняются трех видов:
-
с общим сумматором;
-
с независимым регулированием параметров;
-
системы подчиненного регулирования.
Система с общим сумматором
Рис. 1
В системе для регулирования параметров используется непрерывное и задержанное (с отсечками) ОС.
Все сигналы суммируются с задающим сигналом Uз на входе усилителя У, который служит для повышения коэффициента усиления системы.
Такие системы обычно используют для регулирования одного параметра (скорости).
Настройка качеств регулирования осуществляется компромиссно для разных параметров. Независимая настройка каждого параметра невозможна.
Система с независимым регулированием
Рис.2
Каждому параметру соответствует свой регулятор Р1-Рn и свой сигнал задания ( Uз1...Uзn) .В такой системе в каждый момент времени регулируется только один параметр. Это обеспечивает логическое переключающее устройство ЛПУ , которое подключает на вход системы выход регулятора воздействие которого в данный момент является определяющим .
Система подчиненного регулирования
Рис. 3
Регулирование параметров осуществляется последовательно. Каждому регулирующему параметру соответствует свой регулятор . Задающий сигнал каждого последующего регулируемого параметра соответствует выходу предыдущего регулятора.
Поэтому регулирование каждой координаты подчинено регулированию предыдущей. Эта система позволяет настраивать каждый параметр отдельно начиная с внутреннего.
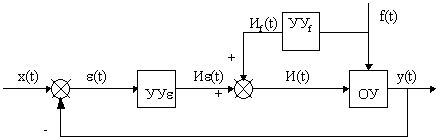
КОМБИНИРОВАННАЯ СУЭП (замкнуто-разомкнутая)
Управление U(t) формируется в зависимости как от отклонения (t), так и от внешних воздействий x(t), f(t).
U(t) = f[(t), x(t), f(t)]
Комбинированные системы различают по виду используемых внешних воздействий на системы:
- с разомкнутой цепью управления по возмущающему воздействию; (рис.4)
- с разомкнутой цепью управления по задающему воздействию. (рис. 5)
Рис. 4
U(t) = U(t) + Uf(t)
Комбинированную СУЭП с разомкнутой цепью по возмущающему воздействию; применяют при действии интенсивной помехи.
Рис. 5
U(t) = U(t) + Ux(t)
Комбинированная СУЭП с разомкнутым каналом по управляющему воздействию, применяется для улучшения отработки задания. Улучшенные точность и быстродействие есть результат совместной работы грубой разомкнутой и точной замкнутой систем управления.
Проектирование САУ ЭП с заданными показателями качества
Главное требование к САУ ЭП - обеспечение заданных статических и динамических характеристик, при которых работа ЭП удовлетворяет требования техпроцесса. Основное требование к системе управления - обеспечение допустимого значения ошибки управления (t) = х(t)-y(t) в установившихся и переходных режимах, что определяется статическими и динамическими характеристиками САУ ЭП.
Статическая характеристика замкнутой СУЭП - зависимость регулируемой переменной от основного возмущающего воздействия f1 при постоянном задающем воздействии X и при отсутствии других возмущающих воздействий. Статическая характеристика может иметь несколько участков разной формы, каждый из которых соответствует определенным структурам и параметрам системы (рис. 6).
Рис. 6
I- участок стабилизации скорости, CУ с отрицательной обратной связью по скорости.
II- участок стабилизации момента, СУ с О.О.С. по моменту сопротивления.
Данная статическая характеристика имеет два участка I и II, каждому из которых соответствует определенная структура СУЭП.
Статизм системы определяет точность работы системы в установившемся режиме.
, где
- статизм, обусловленный задающим воздействием,
- статизм, обусловленный возмущающим воздействием,
X- заданное значение установившейся регулируемой величины,
Y1- установившееся значение регулируемой величины, соответствующее возмущающему воздействию f1,
Yо- установившееся значение регулируемой величины при f1=0.
Определим, как зависит величина Sx и Sf от параметра К - коэффициент передачи системы.
Рис.7
f1 = 0; о = Х-Yo;
Рис. 8
f1 0; 1 = X- Y1 ;
учитывая, что Y01 = Y1 + Y1Р, определим:
тогда:
где
Рис. 9
Y1- падение значения регулируемой переменной в замкнутой системе под действием возмущения f1 (Рис. 9);
Y1Р- падение регулируемой переменой в разомкнутой системе при действии f1;
Yo- значение регулируемой переменной при f1=0 по характеристике замкнутой системы;
Y01- значение регулируемой переменной при f1=0 по характеристике разомкнутой системы, проходящей через точку (Y1;f1) характеристики.
Следовательно: величины Sx и Sf обратно пропорциональны величине К, а Sf, кроме этого, зависит от величины задания Х, т.е. максимален на нижнем диапазоне регулирования при Х=Хmin.
Рис. 10
Динамическая характеристика замкнутой СУЭП отражает поведение системы в переходном процессе (п/п) пуска, торможения, регулирования скорости, наброса и сброса нагрузки, т.е. при изменении задающего или возмущающего воздействия. При исследовании системы применяют воздействие в виде скачка: x(t) = X (t) и f1(t) = F1(t), где (t)- единичная ступенчатая функция.
Прямые показатели качества:
Рис 11
Быстродействие- продолжительность п/п, т.е. длительность tп/п до условно установившегося значения регулируемой переменной, когда ее отклонение не превышает a (3 5% от установившегося значения) т.е.
(Y(t)- Y)/(Y- Yнач) a.
От быстродействия зависят: динамическая ошибка в системе стабилизации при набросе нагрузки, точность в системах следящих и программного управления. Быстродействие системы ограничивается перегрузочной способностью двигателя, di/dt, допустимым ускорением механизма.
Перерегулирование
- отклонение величины max превышения регулируемого параметра над установившемся значением к величине приращения ее установившейся величины. Обычно доп. 18 30%, иногда доп.= 0 (привода подачи станков).
Число колебаний регулируемой величины за время tп/п- определяет демпфирование колебаний в системе. Обычно число колебаний не более трех для избежания резонанса в ЭП.
Для систем, работающих в режиме пуска торможения, оптимальным по быстродействию будет трапецеидальный график изменения крутящего момента ЭД (при Мс = 0). Время переходного процесса будет минимально, если п/п будет происходить при :
Мmax = Мmaxдоп;
dМ/dt = мах доп., соответствует доп. (рис. );
Мmaxдоп и доп (допустимое ускорение) определяются перегрузочной способностью двигателя, механизма передачи, технологическими характеристиками.
Формирование требуемых переходных процессов производится за счет линейных законов изменения или формирования сложных зависимостей задания Х(t) для нескольких контуров регулирования.
Проектирование СУЭП с заданными показателями качества невозможно без анализа и исследования модели САУЭП. Моделью может быть реальное техническое устройство и абстрактное математическое описание, т.е. различают моделирование физическое и математическое. В основу физического моделирования положено изучение процессов на моделях одной физической природы с оригиналом. Математическое моделирование основано на тождественности дифференциальных уравнений, описывающих процессы в оригинале и функциональные зависимости между выходными величинами на модели. Математическое моделирование позволяет прогнозировать динамические характеристики реальной системы при свойственных ей внешних воздействиях, определить показатели качества системы и их соответствие заданию. Математическое моделирование реализуют на ЭВМ. Машинное моделирование наиболее широко применяется в форме структурного моделирования.
Математическая модель при структурном моделировании представляет собой систему дифференциальных уравнений, каждое из которых представляет элементы САУЭП: преобразователь, якорную цепь двигателя и его механическую часть, регуляторы, цепи обратных связей и другое. Составлять математическую модель удобно на основании структурной схемы для исследования динамики СУЭП. При составлении дифференциального уравнении, описывающего звено ЭП, учитываются его статические и динамические характеристики: коэффициент передачи звена, постоянные времени.
Рис. 12
Характеристики
Тип файла документ
Документы такого типа открываются такими программами, как Microsoft Office Word на компьютерах Windows, Apple Pages на компьютерах Mac, Open Office - бесплатная альтернатива на различных платформах, в том числе Linux. Наиболее простым и современным решением будут Google документы, так как открываются онлайн без скачивания прямо в браузере на любой платформе. Существуют российские качественные аналоги, например от Яндекса.
Будьте внимательны на мобильных устройствах, так как там используются упрощённый функционал даже в официальном приложении от Microsoft, поэтому для просмотра скачивайте PDF-версию. А если нужно редактировать файл, то используйте оригинальный файл.
Файлы такого типа обычно разбиты на страницы, а текст может быть форматированным (жирный, курсив, выбор шрифта, таблицы и т.п.), а также в него можно добавлять изображения. Формат идеально подходит для рефератов, докладов и РПЗ курсовых проектов, которые необходимо распечатать. Кстати перед печатью также сохраняйте файл в PDF, так как принтер может начудить со шрифтами.
















