4957 (596795), страница 4
Текст из файла (страница 4)
Звідки
, лк,(6.10)
де Fл – світловий потік однієї лампи, лм. (дивись табл. 6.6);
ηв – коефіцієнт використання світлового потоку. Для світильників, які використовуються в адміністративних будівлях для традиційних розмірів приміщення і кольорового оздоблення, може набувати значення в межах ηв = 0,4 – 0,6;
N – кількість світильників, шт. Задану у вихідних даних кількість світильників необхідно розмістити рівномірно по площі приміщення, по можливості по сторонах квадрата, виконуючи такі умови: сторона квадрата L = 1,4 Hp, де Hp – висота підвісу світильника над робочою площиною, яку можна визначити як різницю між висотою приміщення і стандартною висотою розміщення над підлогою робочої площини, що дорівнює 0,8 м, та висотою підвісу світильника hпід = 0,1 – 0,4 м. Відстань від світильника до стіни бажано витримувати в межах l = 0,3
0,5L;
n – кількість ламп у світильнику, шт.;
S – площа приміщення, м2;
k – коефіцієнт запасу, k = 1,5 – 2;
z – коефіцієнт нерівномірності освітлення: для ламп розжарювання z = 1,15; для люмінесцентних ламп z = 1,1.
Порівнюючи нормативне значення освітленості з фактичним, зробіть висновок про ефективність штучного освітлення у відділі.
Допустимим відхиленням фактичного освітлення від нормативного є +20% -10%.
Якщо освітлення недостатнє, запропонуйте заходи щодо його покращання. Дієвість запропонованих заходів необхідно підтвердити розрахунками.
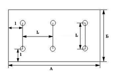
Розміщення світильників у приміщенні показати на рис. 6.3.
Рисунок 6.3 – Схема розміщення світильників
Задача 4
Розрахувати заземлення для стаціонарної установки. Заземлювачі заглиблені і розміщені в один ряд (глибина закладання t = 80 см)
Рисунок 6.4 – Схема заземлення
Вказівки до розв’язання задачі
1 У відповідності до вимог пуе визначається допустимий опір розтіканню струму в заземленні Rз. Для мереж з напругою до 1000 В можна взяти Rз = 4 Ом.
2 Визначається питомий опір ґрунту ,який рекомендовано для розрахунків, табл., Омсм (додаток А).
3 Визначаються підвищувальні коефіцієнти для труб вертикальних заземлювачів КП.Т та для з’єднувальної полоси КП.С, які враховують зміну опору ґрунту в різні пори року залежно від наявності опадів (додаток Б).
4 Визначається питомий розрахунковий опір ґрунту для вертикальних електродів (труб або стриженів) розр.т з урахуванням несприятливих умов за допомогою підвищувального коефіцієнта:
, Омсм.
5 Визначається питомий розрахунковий опір ґрунту для горизонтального заземлювача (з’єднувальної смуги):
, Омсм.
6 Визначається відстань від поверхні землі до середини вертикального заземлювача (див. рис. 6.4)
, см,
де hз – глибина заглиблення труб, см;
lТ – довжина вертикального заземлювача.
7 Визначається опір розтіканню струму для одиночного вертикального заземлювача, який розташований нижче від поверхні землі
, Ом.
8 Визначається необхідна кількість вертикальних заземлювачів без урахування коефіцієнта екранування
9 Визначається відстань між вертикальними заземлювачами hст. із співвідношення
. Для стаціонарних заглиблених заземлювачів це співвідношення береться таким: С = 1.
, см.
10 Визначаємо коефіцієнт екранування труб при числі труб nТ та відношенні
(додаток В).
11 Визначається необхідна кількість вертикальних заземлювачів з урахуванням коефіцієнта екранування:
.
12 Визначається розрахунковий опір розтіканню струму при взятому числі вертикальних заземлювачів nТ.Е:
.
13 Визначається довжина з’єднувальної смуги
, см.
14 Визначається опір розтіканню струму в з’єднувальній смузі:
, Ом,
де hз – глибина заглиблення вертикальних заземлювачів, см;
bС – ширина з’єднувальної смуги, см.
15 Визначається коефіцієнт екранування Е.З.С для з’єднувальної смуги (додаток Г)
16 Визначається розрахунковий опір для розтікання електричного струму в з’єднувальній смузі з урахуванням коефіцієнта екранування:
.
17 Визначається загальний розрахунковий теоретичний опір розтіканню струму від вертикальних заземлювачів та з’єднувальної смуги:
Остаточний результат повинен бути близьким до значень Rз.
Додатки
Додаток А
Приблизні значення питомих опорів ґрунтів, табл.
| Грунт | Значення, які рекомендуються для розрахунків, Омсм |
| Пісок | 70000 |
| Супісок | 30000 |
| Суглинок | 10000 |
| Глина | 400 |
| Чорнозем | 200 |
| Торф | 200 |
Додаток Б
Значення підвищувальних коефіцієнтів КП.Т, КП.С за кліматичними зонами
| Кліматична зона | Тип заземлювачів | |
| Горизонтально прокладені заземлювачі (полосові та ін.) при глибині від поверхні ґрунту hг=0,8 м, КП.С | Стрижневі вертикально встановлені заземлювачі при глибині від поверхні землі hb=0.50.8 м, КП.T | |
| І | 4.57 | 1.82 |
| ІІ | 3.54.5 | 1.61.8 |
| ІІІ | 2.54 | 1.41.6 |
| ІV | 1.52 | 1.21.4 |
Додаток В
Коефіцієнт екранування вертикальних заземлювачів
| Кількість вертикальних заземлювачів, nT, шт. | Коефіцієнт екранування вертикальних заземлювачів, Е.Т | Коефіцієнт екранування з’єднувальних смуг, Е.З.С |
| 2 | 0,85 | — |
| 3 | 0,78 | — |
| 5 | 0,7 | |
| 10 | 0,59 | |
| 15 | 0,55 | |
| 20 | 0,49 | |
| 40 | 0,41 | |
| 60 | 0,39 | |
| 100 | 0,36 |
Додаток Г
Коефіцієнт екранування з’єднувальних смуг Е.З.С при розташуванні заземлювачів в ряд (чисельник) чи по чотирикутному контуру (знаменник)
| Кількість вертикальних заземлювачів | 4 | 5 | 6 | 10 | 20 | 30 | 50 | 60 | 100 |
| Коефіцієнт екранування з’єднувальних смуг Е.З.С |
|
|
|
|
|
|
|
|
|
Список літератури
Основна література
-
Денисенко А.Ф. Основи охорони праці: Конспект лекцій в 2-х ч.
-
Юдин Е.Я. Охрана труда в машиностроении. – М.: Машиностроение, 1983.
-
Русак О.Н. Справочная книга по охране труда в машиностроении. – Л.: Машиностроение, 1984.
Додаткова література
-
Долин П.А. Справочник по технике безопасности. – М.: Энергоиздат, 1984.
-
Белов С.В. Средства защиты в машиностроении. – М.: Машиностроение, 1989.
-
Макаров Г.В. Охрана труда в химической промышленности. – М.: Химия, 1989.
-
Денисенко Г.Ф. Охрана труда. – М.: Высшая школа, 1985.
-
Охрана труда и социальное страхование. Журнал.
-
Охрана труда. Журнал.
-
Безопасность труда в промышленности. Журнал.
Науково-методична література видавництва СумДУ
-
Методичні вказівки до ситуаційної гри «Розслідування нещасного випадку з робітницею бухгалтерії».
-
М.в. «Розслідування нещасного випадку з робітницею госп. частини».
-
М.в. «Розслідування нещасного випадку з робітником слюсарем».
-
М.в. «Розслідування нещасного випадку з робітником штампувальником».
-
М.в. до лабораторної роботи з курсу «Охорона праці» «Оздоровлення повітряного середовища».
-
М.в. до лабораторної роботи «Дослідження штучного освітлення виробничих приміщень. Штучне освітлення».
-
М.в. до лабораторної роботи «Дослідження природного освітлення виробничих приміщень. Природне освітлення».
-
М.в. «Дослідження електричного поля заземленого електроду та виникнення крокової напруги».
-
М.в. «Дослідження параметрів виробничого шуму та визначення ефективності звукоізоляції».
-
М.в. «Дослідження вібрацій та методи боротьби з ними».
-
М.в. до виконання обов’язкового домашнього завдання з курсу «Основи охорони праці».
35
















