183624 (596694), страница 6
Текст из файла (страница 6)
и радиальной Ру составляющим сил резания:
По карте 32 определяем табличные значения сил резания:
для поверхности 1 и 2 - Рх = 1050 Н и Ру = 280 Н
для поверхности 3 и 4 - Рх = 950 Н и Ру = 260 Н
Допустимые значения [Рх] = 8000 Н; [Ру] = 3600 Н, меньше расчетных,
следовательно, обработка возможна.
Табличные значения скорости резания и поправочных коэффициентов
определяем по карте 21 и заносим в таблицу 3.1.
V = Vт × Кvи × Кvс × Кvo × Кvj × Кvm × Кvφ × Kvt × Кvж ,м/мин. (3.2)
где Vт - табличное значение скорости резания;
Кvи - поправочный коэффициент в зависимости от инструментального
материала;
Кvс - поправочный коэффициент в зависимости от группы
обрабатываемости материала;
Кvo - поправочный коэффициент в зависимости от вида обработки;
Кvj - поправочный коэффициент в зависимости от жесткости станка;
Кvm - поправочный коэффициент в зависимости от механических свойств обрабатываемого материала;
Кvφ - поправочный коэффициент в зависимости от геометрических
параметров резца;
Kvt - поправочный коэффициент в зависимости от периода стойкости
режущего инструмента;
Кvж - поправочный коэффициент в зависимости от наличия охлаждающей жидкости.
Определяем частоту вращения шпинделя и результат заносим в таблицу 3.1, об/мин. (3.3)
Так как данный станок оснащен автоматической коробкой скоростей, то принятые значения частот в ращения шпинделя задаются непосредственно в управляющей программе.
Табличные значения мощности и поправочных коэффициентов определяем по карте 21 и заносим в таблицу 3.1.
N=NT × KN , KBT (3.5)
Проверяем, достаточна ли мощность привода станка.
Nшп = Nд × η , KBT (3.6)
где Nд - мощность двигателя станка, 11 кВт;
η - К.П.д. станка 0,75.
Nшп = 11 × 0,75 = 8,25 , KBT
Ни одно из рассчитанных значений не превышает мощность привода главного движения станка. Следовательно, установленный режим резания по мощности осуществим.
Определяем минутную подачу:
Sм = nф × So ,мм/мин. (3.7)
Рассчитанные значения заносим в таблицу 3.1.
3.4 Разработка управляющей программы для обработки на станке с ЧПУ
Используем систему ЧПУ для токарных станков 2Р22
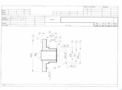
%% - начало программы;
001 S3 1000 LF - функция скорости главного движения 3 диапазон
вращения 1000 об/мин;
002 F 216 LF - функция подачи 216 мм/мин;
003 Т1 LF - функция смены инструмента;
004 М08 - функция включения саж
005 Х20,5 Z 5 Е LF - ускоренное перемещение в координату 1;
006 Х20,5 Z -24 LF - рабочее перемещение в координату 2;
007 Х25 Z -24 LF - рабочее перемещение в координату 3;
008 Х25 Z -32 LF - рабочее перемещение в координату 4;
009 Х52 Z -32 LF - рабочее перемещение в координату 5;
010 Х 120 Z20 Е LF - ускоренное перемещение в координату о;
011 Т2 LF - функция смены инструмента;
012 S2 800 LF - функция скорости главного движения 2 диапазон
вращения 800 об/мин;
013 F 213 LF - функция подачи 213 мм/мин;
012 Х21 Z 0 Е LF - ускоренное перемещение в координату 6;
013 Х14 Z -2,5 LF - рабочее перемещение в координату 7;
014 Х 14 Z -50 LF - рабочее перемещение в координату 8;
016 Х 19 Z -50 Е LF - ускоренное перемещение в координату 9;
017 Х 19 Z 5 Е LF - ускоренное перемещение в координату 9;
018 Х 120 Z20 Е LF - ускоренное перемещение в координату 0;
019 М09 - функция отключения СОЖ;
020 М01 - останов с подтверждением.
3.5 Выбор модели промышленного робота
Основным критерием при выборе промышленного робота является его номинальная грузоподъемность, которая равна сумме масс объекта манипулирования и самого схвата:
Q = mзаг + mсхвата , (3.8)
Где mзаг – масса заготовки, кг
mсхвата – масса схвата , кг
Массу схвата определяем по формуле:
mсхвата = mзаг (Кс × Кn - 1), (3.9)
Где Кс – коэффициент, учитывающий массу схвата, 1,3
Кn - коэффициент, учитывающий тип привода , 1,3(для пневмопривода)
mсхвата = 1,4 (1,3 × 1,3 - 1) = 0,97 кг
Определяем грузоподъемность робота
Q = mзаг + mсхвата = 1,4 + 0,97 = 2,37 кг
Таблица 3.2 Характеристики некоторых промышленных роботов
| Модель робота | МА160П | МП40П.05.01 | УМ160Ф2.81.01 | |
| Грузоподъемность, кг | 160 | 40 | 160 | |
| Число степеней подвижности | 4 | 5 | 4 | |
| Число рук | 1; 2 | 1 | 1 | |
| Точность позиционирования,мм | ±1,5 | ±1 | ±1,5 | |
| Привод | Г | ЭГ | ЭГ | |
| Наибольшие скорости перемещения ось z - ползуна, м/с ось Х - каретки, м/с α - качение кисти, град/с β - поворот головки, град/с | 0,6 1,2 60 90 | 0,8 0,8 90 90 | 1,8 1,2 30 90 | |
| Габаритные размеры, мм высота, мм длина, мм ширина, мм Масса, кг | 4830 15800 2300 8790 | 3580 1800 1800 3000 | 3850 12000 1640 6500 | |
Выбираем промышленный робот типа МП40П.05.01 предназначенного для группового обслуживания оборудования различного технологического назначения, который обладает следующими достоинствами:
- достаточная грузоподъемность;
- достаточное количество степеней подвижности;
- позиционная система управления;
Компоновка РТК (Робототехнического комплекса)
1-Токарный станок 16К20Ф3С32;
2- промышленный робот МП40П.05.000001;
3- устройства управления;
4- тележка;
5-стол;
6- магазин с заготовками.
3.6 Комплект документов на технологический процесс механической обработки
ГЛАВА 4. РАЗРАБОТКА ПРОГРАММЫ ДЛЯ РАСЧЕТА ЭКОНОМИЧЕСКИХ ПОКАЗАТЕЛЕЙ МАШИНОСТРОИТЕЛЬНОГО ЦЕХА
4.1 Формулы, применяемые в алгоритме
В разработке программы и расчетах были использованы следующие формулы:
Эффективный фонд времени работы оборудования за год:
Где в = 8% ― простой оборудования в планово-предупредительном ремонте;
Fн ― номинальный фонд времени работы оборудования за год, определяемый по формуле:
Fн. = ((Кк.д – Кп.д) · S-С) · d · 60, (4.2)
Где Кк.д и Кп.д ― количество календарных, праздничных и выходных дней в году;
S = 2 ― число смен на участке;
С = количество предпраздничных дней;
d = 8 часов ― продолжительность смены.
Расчет потребности основного оборудования по каждому виду работы технологического процесса:
Где Кв.н ― планируемый коэффициент выполнения нормы времени:
Где Кв.ф = 1,05 ― фактический коэффициент выполнения нормы времени;
Р = 5% ― планируемый рост производительности труда.
Расчет баланса времени одного рабочего за год представлен в табл. 4.1.
1) Определение потребного количества основных рабочих.
Расчет явочной численности рабочих производится по каждой профессии по формуле:
где Км.о = 1,2 ― коэффициент многостаночного обслуживания.
Таблица 4.1. Баланс времени одного рабочего за год.
| Состав фонда рабочего времени | Дни | Часы | В % к рабочему времени |
| 1. Календарные дни | 365 | 2920 | |
| 2. Нерабочие дни | 116 | 928 | |
| 3. Рабочее время (номинальный фонд времени Fн.р) | 249 | 1992 | 100 |
| 4. Целодневные невыходы на работу: | |||
| а) отпуска (основные и дополнительные) | 15 | 120 | 6 |
| б) отпуска по беременности и родам | 2,5 | 20 | 1 |
| в) невыходы по болезни | 10 | 80 | 4 |
| г) выполнение государственных и общественных обязанностей | 1 | 8 | 0,4 |
| Итого невыходов: | 28,5 | 228 | 11,4 |
| 5. Явочное рабочее время | 220,5 | 1764 | |
| 6. Потери внутри рабочего дня: | |||
| а) сокращенный рабочий день подростков | 0,75 | 6 | 0,3 |
| б) перерывы для кормящих матерей | 1,75 | 14 | 0,7 |
| в) сокращенный рабочий день рабочих с вредными условиями труда | 1,5 | 12 | 0,6 |
| Итого внутрисменных потерь: | 4 | 32 | 1,6 |
| 7. Эффективный фонд времени (Fэф.р) | 217,5 | 1732 |
Определение потребного количества вспомогательных рабочих
Численность вспомогательных рабочих принимается в размере 40-50% к основным рабочим с распределением их по укрупненным нормативам.
Расчет площади участка включает расчет производственных площадей, контрольных отделений, служебных и бытовых помещений.
Производственная площадь участка:
















