181534 (596520), страница 16
Текст из файла (страница 16)
Определим размер капитальных вложений.
Требуется покупка комплектов систем, включающих бортовой контроллер, датчик уровня топлива (изображены для наглядного представления на рисунке 22), программное обеспечение, на 135 «кассетных» автомобилей, кроме того для станции администратора и клиентов необходимы два ПК-сервера.
а – бортовой контроллер; б – датчик уровня топлива
Рисунок 22 - Аппаратная составляющая системы GPS-мониторинга
Таблица 29 - Затраты на проектируемые мероприятия
| Показатель | Значение показателя, тыс. р. | Структура |
| Бортовой контроллер Teletrack | 1005 | 20,8 % |
| Датчик уровня топлива «Эпсилон» | 510 | 10,6 % |
| Программное обеспечение | 210 | 4,4 % |
| ПК (сервер) | 3100 | 64,2 % |
| Итого |
| 100,0 % |
Стоимость установки датчиков и контроллеров входит в стоимость комплекта. Общая сумма вложений, таким образом, составит:
(1005+510+210)
135+3100
2=239075 тыс. р.
Учтём ежемесячную абонентскую плату 52,5 тыс. р. за подключение к центральному телематическому серверу системы. Придерживаясь максимальной точности, вспомним и о 4,5 тыс. р./мес. в качестве оплаты карточки мобильной связи, установленной в бортовом контроллере Teletrack.
Таблица 30 - Текущие затраты на оборудование средств мониторинга
| Показатель | Значение показателя, тыс.р. | Структура |
| Карта мобильной связи (4,5 тыс.р. | 7290 | 92,0 % |
| Подключение к центральному телематическому серверу (52,5 тыс. р. | 630 | 8,0 % |
| Итого | 7920 | 100 % |
Внедрение системы мониторинга направлено прежде всего на снижение издержек. На основании данных статистики по результатам внедрения системы по сравнению с предпроектным периодом можно ожидать сокращение: расходов на горюче-смазочные материалы на 10-20 % (в связи с ликвидацией возможности хищения топлива), среднего пробега (при сохранении загруженности автотранспорта) - от 7 до 25 %. Для расчета возьмём минимальные значения показателей. Расчёт годовой экономии сжиженного газа представлен в таблице 00.
Таблица 31 – Расчёт годовой экономии сжиженного газа
| Показатель | Экономия, % | Экономия в натуральном выражении | Экономия, тыс. р. |
| Уменьшение пробега | 7 | 214 685 км или 64406 л | 86 948 |
| Сокращение потребления топлива | 10 | 92 008 л | 124 211 |
| Итого | 17 | 156414 л | 211 158 |
Таким образом, внедрение проекта позволит сэкономить на использовании топлива 211158 тыс. р. или 156414 л сжиженного углеводородного газа.
Экономию сжиженного газа в тоннах условного топлива рассчитаем по формуле:
, (47)
где
- экономия сжиженного углеводородного газа в литрах;
- коэффициент перевода сжиженного углеводородного газа из литров в тонны условного топлива, который равен 2,8
10-3.
=1564142,8
10-3=439 т.у.т.
Эффект от внедрения Эф, тыс. р. от внедряемого мероприятия составит:
Эф=211158-7920=203238 тыс. р.
Определим срок окупаемости проекта:
Ср=239075/203238=1 год 3 месяца
Таким образом, общий годовой экономический эффект составит 203,2 млн. р., экономия топлива – 211,158 млн. р. или 279 т, инвестиции в предложенные мероприятия окупятся чуть более чем за год при минимальных нормативных значениях сокращения потребления топлива. При средних и наивысших значениях статистических нормативов экономии при внедрении данного мероприятия срок окупаемости будет гораздо меньше.
Следовательно, внедрение Системы GPS Мониторинга Безопасности и Управления подвижными объектами (Teletrack) как энергосберегающего мероприятия весьма целесообразно.
3.4 Разработка сборочного чертежа печатной платы бортового контроллера
Одним из составных аппаратных элементов рассмотренной системы GPS Мониторинга Безопасности и Управления подвижными объектами является бортовой контроллер. Данный прибор устанавливается на транспортное средство и представляет собой радиотехническое устройство, позволяющее вести автономный контроль за его состоянием (текущих координат, скорости и направления движения, показаний внешних датчиков с привязкой по времени).
Выбор рационального конструкторского исполнения конкретной аппаратуры зависит от решения множества вопросов, связанных с поиском оптимального варианта конструктивно-технологического обеспечения комплекса технических, экономических, эксплуатационных, производственных и организационных требований. Поиск оптимального конкретного конструктивно-технологического варианта должен проводиться при минимальных затратах и с учетом современных тенденций развития радиоэлектронной аппаратуры, прежде всего элементной базы и техники монтажа [11].
Условия эксплуатации бортового контроллера зададим по 1 группе ГОСТ 16019-78, так как предполагается, что он будет эксплуатироваться в промышленных условиях. Питание прибора будет осуществляться от бортовой сети постоянного тока 8 ... 40 В с частотой 502Гц. Прибор должен обладать техническими характеристиками стационарной радиоэлектронной аппаратуры. Масса его не должна превышать 5 кг, габаритные размеры прибора не более 105х52х25 мм.
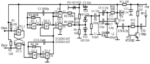
Для реализации бортового контроллера используются различные схемные решения. Самое простое состоит из миниатюрного УКВ-ЧМ радиовещательного приёмника и сделанного к нему микромощного передатчика, работающего на частоте в диапазоне 87,5-108 МГц.
На рисунке 23 приведена схема микромощного УКВ-ЧМ передатчика с системой управления и модуляции.
Особенность схемы состоит в том, что в дежурном режиме («Стоп») передатчик включен и излучает немодулированный сигнал. Частота передачи задаётся параметрическим способом и может несколько изменяться как от времени (прогрев), так и от температуры, влажности окружающей среды, наличия внешних ёмкостей, и от других факторов, влияющих на настройку LC-контура. Чтобы эти факторы не вызывали расстройку канала связи (развод частот передатчика и приёмника) передатчик в дежурном режиме не выключен, а излучает не модулированный сигнал. Приемник, предварительно настроенный на этот сигнал, будет своей системой автоматической подстройки гетеродина компенсировать увод частоты [12].
Рисунок 23 – Принципиальная схема работы бортового контроллера
В активном режиме («Пуск») сигнал передатчика модулируется по частоте прерывающимся сигналом звуковой частоты. При приеме этого сигнала из динамика приемника раздается прерывающийся тональный звук.
Функционально, схема состоит из высокочастотного генератора с усилителем мощности (передатчика) и логической схемы управления модуляцией.
Задающий генератор выполнен на VT1. Частота генерации зависит от настройки контура на катушке L1. Варикапы VD2 и VD3 входят в состав этого контура и служат для осуществления частотной модуляции. Когда нет модуляции, на них поступает некоторое среднее постоянное напряжение, примерно, равное половине напряжения стабилизации стабилизатора на VD1. При этом, излучается сигнал средней (несущей) частоты. Во время модуляции напряжение на варикапах меняется вниз и вверх относительного этой точки, соответственно изменяется и частота генерации задающего генератора.
Каскад на транзисторе VT2 усиливает сигнал по мощности и устраняет влияние емкости антенны на настройку контура задающего генератора Нагрузка каскада - резистивная. Рабочая точка задана базовым резистором R13. Связь между каскадами емкостная - через С10.
Катушка L1 бескаркасная «пружинка» из медного луженного намоточного провода диаметром около 0,6 мм (обычный намоточный провод предварительно зачищают от лаковой изоляции и облуживают). Индуктивность на схеме обозначена условно. Катушка состоит из десяти витков. Внутренний диаметр намотки около 4 мм (предварительно, катушка намотана на винте М4, затем винт из нее вывинчен). Настраивая передатчик на выбранную частоту в диапазоне, индуктивность катушки изменяют, растягивая или сдвигая витки. При необходимости число витков легко уменьшить, сдвинув и спаяв вместе витки, оказавшиеся ненужными.
Дроссель L2 - фабричный типа ДМ-01 или любой другой высокочастотный, индуктивностью 200-500 мкГн.
Подстроенный конденсатор С5 керамический.
Тональный сигнал генерирует мультивибратор на элементах D2.1 и D2.2 Буферные каскады на элементах D2.3 и D2.4 служат для установки среднего постоянного напряжения на варикапах во время блокировки этого мультивибратора. Блокируется мультивибратор логическим нулем на выводах 6 и 9 D2. При этом, элемент D2.4 фиксируется в положении с единицей на выходе, а единица с выхода элемента D2.2 инвертируется элементом D2.3. В результате, когда мультивибратор заблокирован, R5 подтянут к нулю, a R6 - к единице. А в их общей точке будет среднее напряжение. Когда мультивибратор работает, элементы D2.3 и D2.4 функционируют параллельно, изменяя напряжение на варикапах то в одну, то в другую сторону относительно средней точки.
Прерывает тональные посылки инфразвуковой мультивибратор на элементах D1.3 и D1.4. Напряжение выхода элемента D1.4 управляет работой тонального генератора.
Инфразвуковым генератором управляет RS-триггер на элементах D1.1 и D1.2. Чтобы перевести сигнализатор в ждущий режим (немодулированное излучение) нужно подать логический ноль или отрицательный импульс на вход «Стоп», а для активного режима (включение модуляции) ноль (или отрицательный импульс) нужно подать на вход «Пуск».
Налаживание следует начать с поиска пустого участка на УКВ диапазоне. Затем, подстройкой L1 и С5 вывести передатчик на устойчивую генерацию на этой частоте. Тон звука изменяют подбором параметров С1-RЗ, а частоту прерывания - C2-R4.
В качестве антенны используется телескопический штырь длиной не менее 50 см.
Все собрано на одной печатной плате, детали на ней расположены примерно так, как на принципиальной схеме [13].
К вариантам установки элементов на плате предъявлены следующие требования:
минимальные установочные размеры;
максимальная механическая прочность варианта установки;
возможность установки механизированным или автоматизированным способом;
исключение случайного замыкания элемента с проводящими дорожками платы.
Выбирая способ изготовления печатной платы необходимо учесть следующее:
возможность получения металлизированных отверстий;
возможность получения печатного рисунка по 1-му классу точности.
Данным требованиям удовлетворяет субтрактивный химический негативный метод изготовления, с помощью которого получают односторонние печатные платы для монтажа с небольшой плотностью.















