177502 (596201), страница 7
Текст из файла (страница 7)
2. точить поверхности выдерживая размеры d и i резцом 2103-0057 Т15К6;
3. снять деталь.
5. Охрана труда
5.1 Анализ состояния охраны труда в мастерской
В условиях роста механизации и интенсификации сельскохозяйственного производства особую актуальность приобретает проблема охраны труда рабочих. Забота об охране здоровья трудящихся о безопасности работы и условиях труда постоянно находится в центре внимания нашего правительства и рассматривается как одна из важнейших задач.
Руководство и ответственность за организацию работы по охране труда и производственной санитарии, проведение всей практической работы в целом по отрасли механизации возложена на главного инженера. В мастерской эту задачу выполняет заведующий центральной ремонтной мастерской.
Основной задачей главных специалистов является обеспечение здоровых и безопасных условий труда на рабочих местах. Они руководят работой подчиненных им специалистов, направляя ее на предупреждение несчастных случаев, аварий, на улучшение условий труда и его безопасности.
Для уменьшения несчастных случаев, производственных травм и заболеваний, в дальнейшем полного отсутствия, должно уделяться больше внимания со стороны главного инженера и заведующего мастерской.
С работниками мастерской должны проводиться следующие виды инструктажа: вводный, первичный, на рабочем месте, повторный, внеплановый и целевой.
Ознакомившись с состоянием работ по охране труда в мастерской можно отметить ряд недостатков.
На многих производственных участках недоукомплектованы пожарные щиты огнетушителями, не производиться инструктаж и обучение рабочих действиям на случай пожара.
В ремонтной мастерской также имеется ряд недостатков: частые случаи формального отклонения к проведения инструктажей. Спецодежда выдается не вовремя и с большим отклонением от типовых норм; вентиляция помещений, где проводятся окрасочные работы комбайнов находится в неисправном состоянии; техническое освидетельствование кран-балки проводится формально; имеются случаи работы неисправными инструментами и оборудованием; электрооборудование используется без заземления, что не допускается в работе; наблюдается нарушение техники безопасности производственными рабочими, что приводит к травматизму.
Анализируя «Акты о несчастных случаях на производстве», можно сделать выводы, что наибольшее число несчастных случаев наблюдается при выполнении слесарно-монтажных работ. Это происходит из-за нарушений технологий ремонта, отсутствие приспособлений для выполнения некоторых видов работ, а также из-за нарушения техники безопасности.
Средства, отпускаемые на выполнение работ по охране труда очень малы. В хозяйстве нет определенного лица, которое было бы ответственно за освоение выделяемых средств, в результате чего эти средства бывают использованы не полностью, а за частую и не по назначению.
Следует сделать вывод, что работа проводимая по охране труда и созданию нормальных условий работы, работникам мастерской находится на низком уровне.
5.2 Мероприятия по улучшению условий и охраны труда в мастерской
Для улучшения условий и охраны труда в мастерской предлагается выполнить мероприятия.
При приеме на работу в цех по ремонту комбайнов главный инженер должен провести вводный инструктаж по технике безопасности. Задача вводного инструктажа заключается в ознакомлении вновь поступающего работника с общими положениями и правилами техники безопасности.
К ремонту следует допускать лица, прошедшие специальное обучение, получившие инструктаж по технике безопасности и овладевшие практическими навыками безопасного выполнения работ.
Повторный инструктаж по технике безопасности производить на рабочем месте по цеховому графику не реже, чем через 6 месяцев, а на участках повышенной опасности через 3 месяца.
Спецодежда не должна иметь свисающих концов, волосы должны быть убраны под головной убор. Инструмент, приспособления, оснастка, подъемные механизмы и применяемое оборудование должны быть исправны.
Грузоподъемные машины не должны допускаться к работе без регистрации и технического освидетельствования в соответствии с установленными правилами [20].
Открывать двери моечных камер следует не ранее, чем через пять минут после окончания мойки и включения вентиляции.
При наружной мойке машин пароводоструйным очистителем давление в системе при работе в режиме «пар» не должно превышать 12 кгс/см2, а без подогрева – 8,5 кгс/см2.
При мойке узлов и агрегатов комбайна горячим раствором под давлением пользоваться защитными очками, а также резиновыми перчатками и сапогами.
Разборочно-сборочные работы выполнять исправным инструментом, используя специальные съемники и приспособления.
Работу на токарном, сверлильном, фрезерном, строгальном и других станках поручать только тем рабочим, которые имеют соответствующую квалификацию. На станках установить кожухи, защищающие рабочего от мелкой стружки. Во избежание захватывания одежды, вращающие детали оградить легкими защитными устройствами.
Приводные механизмы пневматического молота, установленного в кузнице, оснастить защитными устройствами и приспособлениями.
При выполнении кузнечно-прессовых работ горные печи снабдить вытяжными зонтами, а рабочие места – приточно-вытяжной вентиляцией.
К сварочным работам допускать лица, сдавшие экзамен и получившие право на выполнение этих работ.
Сварочный стол заземлить. Стул сварщика следует изолировать от пола, под ноги положить резиновый коврик.
Рабочее место сварщика оборудовать вентиляцией. Места, где ведутся электросварочные работы, ограждать переносными щитами.
При газосварочных работах в помещениях, где находятся ацетиленовые генераторы, нужно точно выполнять все указания по зарядке и обслуживанию генераторов.
Во избежание взрыва от обратного удара пламени между ацетиленовым генератором или баллоном и газосварочной горелкой следует установить предохранительный затвор.
Кислородные баллоны нужно размещать вне помещения в закрытых шкафах. Замерзший редуктор отогревать только горячей водой или воздухом.
Если кислородные баллоны необходимо хранить в помещении мастерской, то их закрепить в вертикальном положении и установить на расстоянии не ближе 1 м от электрических приборов и не менее 5 м от открытого огня.
Окрасочные работы должны быть безопасны на всех стадиях: очистка поверхностей под окраску, нанесение лакокрасочных материалов. При окрасочных работах должны быть предусмотрены меры, устраняющие условия возникновения взрывов и пожаров в покрасочных камерах, а также оборудовать вентиляцией.
Металлические части электрооборудования, корпуса электродвигателей, генераторов и ручного инструмента, каркасы распределительных щитов, кожухи распределительных сборок, трансформаторов и измерительных приборов, кожухи рубильников, магнитных пускателей, выключателей, детали осветительной аппаратуры, металлическая изоляция кабелей, трубы, в которых расположены провода, металлические оболочки проводов, не находящиеся под напряжением, но могущие оказаться под в следствии неисправности детали или элементов установок, надежно заземлить.
Электропроводку и арматуру силовой и осветительной сети в цехе необходимо надежно изолировать, защитить от влияния высокой температуры, механических повреждений и химического воздействия.
Пожарная безопасность объекта должна быть обеспечена:
– системой предотвращения пожара;
– системой противопожарной защиты;
– организационно-техническими мероприятиями.
Должны быть назначены лица ответственные за пожарную безопасность по участкам.
В определенном месте мастерской должна быть установлена аптечка с необходимым набором медикаментов. На рабочих местах вывесить плакаты, предупредительные надписи по технике безопасности и противопожарным мероприятиям. В местах, представляющих повышенную опасность, вывесить знаки безопасности [21].
Исходя из предложенных мероприятий, можно сделать вывод, что все это будет способствовать улучшению условий труда, снижению производственного травматизма и заболеваемости среди работников мастерской, что, несомненно, скажется на повышении производительности труда.
5.3 Расчет вентиляции
При окрасочных работах комбайнов, агрегатов и деталей покрасочные камеры должны быть оборудованы вентиляцией, для чего необходимо произвести расчет, который включает в себя следующее:
1. Выбрать конфигурацию сети, которая должна обслуживать вентиляторную установку.
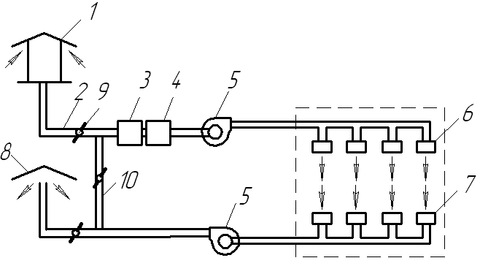
Рис. 1. Схема механической приточно-вытяжной вентиляции:
1 – устройство для забора воздуха; 2 – воздуховод; 3 – фильтр; 4 – калорифер; 5 – центробежный вентилятор; 6 и 7 – приточные и вытяжные насадки; 8 – устройство для удаления воздуха; 9 – вентиль; 10 – соединительный воздуховод.
2. Рассчитать воздухообмен по количеству выделяющихся вредных веществ:
(53)
где
- количество вредного вещества, выделяющегося в помещении, мг/ч;
- допустимое содержание вредного вещества в воздухе помещения,
= 200 мг/м2 [21];
- содержание вредного вещества в приточном воздухе, мг/м2.
Количество вредного вещества, паров и растворителей выделяющихся при окрасочных работах определяется по формуле:
(54)
где S – площадь окрашиваемой поверхности изделий, м2;
mр – доля летучих растворителей в красках, mр = 25% [20];
qр – расход лакокрасочного материала на 1 м2 окрашиваемой поверхности (при распылении qр = 60…90 [19]).
3. Определяем производительность вентилятора, мг3/ч:
(55)
где kз – коэффициент запаса (1,3…2,0) [19].
м3/ч.
4. Расчет для приточной вентиляции:
а) Рассчитать потери напора на прямых участках труб по формуле:
(56)
где ψт – коэффициент, учитывающий сопротивление труб (для железных труб ψт = 0,02 [1]);
Vср – средняя скорость воздуха на рассчитываемом участке воздушной сети (8…12м/с – для прилегающих к вентилятору участков, 1…4м/с – для удаленных [19]);
ℓт – длина участка трубы, м (1; 1,5; 1; 8);
dт – принятый диаметр трубы на участке, м (0,2).
б) Рассчитываем местные потери напора в переходах, коленах:
(57)
где ψт – коэффициент, учитывающий потери в переходах [19];
в) Определим суммарные потери напора Ну.ч (Па) на участке в целом на линии Нл по формуле:
(58)
(59)
где Нв – напор вентилятора.















